Steering wheel switches not working

Tiny
BARKLEY BONES
  • MEMBER
  • 2012 CADILLAC SRX
  • 100,000 MILES
Bought the car listed above used. The cruise control switches and the radio switches on the steering wheel do not work. The horn and heated steering wheel work. So I do not think it is the clock spring. Later year SRX's have a fuse for the steering wheel switches, but that fuse location is labeled "spare" on my car. Is there an inline fuse somewhere that could be blown?
Saturday, June 12th, 2021 AT 7:50 AM

3 Replies

Tiny
KASEKENNY
  • MECHANIC
  • 18,907 POSTS
Unfortunately there are no fuses for the steering wheel controls. There are fuses but not any that would cause the controls not to work.

This is most likely a clock spring issue as you noted. Here is a guide that will help with this:

https://www.2carpros.com/articles/steering-wheel-clock-spring-removal

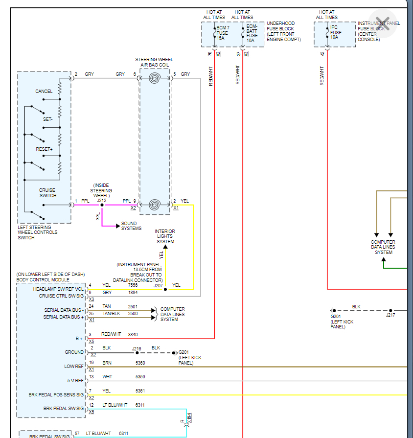
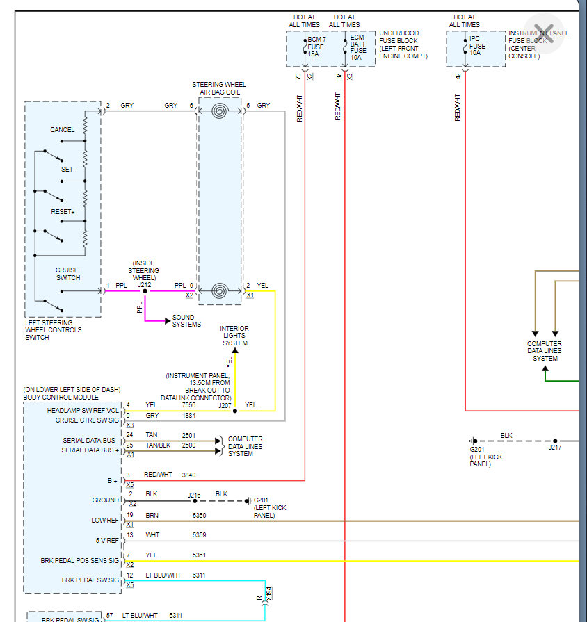
Below is the wiring diagram that shows this and the process that helps with replacing it. Please run through this material and let us know if you have other questions. Thanks
Was this
answer
helpful?
Yes
No
Sunday, June 13th, 2021 AT 7:17 PM
Tiny
BARKLEY BONES
  • MEMBER
  • 2 POSTS
Thank you for the response. I still do not believe it is a clock spring problem. The horn, and heated steering wheel work and there is no indication of the airbag not functioning. A couple more questions if you do not mind. 1. Is there an accessible point where I can measure the voltage on the yellow wire going from the BCM to the clock spring? 2. If I go to my local car parts store and get a free error code reading, will a defective clock spring show up? 3. I have seen on other sites about resetting the BCM. Is this a potential fix? I do not want to mess with the airbag. But we are planning a trip in a month or so and I really would hope I can get the cruise control working before then. Thanks again.
Was this
answer
helpful?
Yes
No
Tuesday, June 15th, 2021 AT 1:56 PM
Tiny
STEVE W.
  • MECHANIC
  • 15,671 POSTS
The horn and heat and air bags all use different connections and wires in the clockspring. However the cruise control and radio controls share a single power feed in on the Purple wire. An easy check if it's that power feed, do the interior and dash lights operate? If yes then the power feed is working at least to the connection for the clock spring, just not through the clock spring into the controls.
The only way to actually verify that it is or isn't the clock spring is to remove the airbag module from the steering wheel and measure the voltage there. The light test above would confirm if the circuit had power through the wiring but not through the clock spring.
No the free scans would not show a defective clock spring, a factory level tool might show it because you could access the cruise and entertainment diagnostics and see if the switches register at all, however that also won't tell you if it's the clock spring itself, only that they are not working.
Resetting the BCM would have no effect if it's a broken wire in the clock spring. I also doubt it would help in any case as the BCM uses the same data lines for the windows, seats, lights and most of the rest of the systems it controls as the steering controls use. However the cruise controls and audio controls both use different inputs to the BCM, the only item they share is the bias voltage feed into the clock spring.

The two items you are having an issue with both use a set of resistors in the switches which reduce the voltage to different levels to indicate the various functions, For the cruise control the voltage comes in on the Purple wire to the control and goes out on the gray wire to the BCM. When you push the On button it reduces the voltage the most as it has to go through all of the resistors, Then the voltages change as the other buttons are pressed. The radio controls work the same way. Now it is possible it could be a fault with the yellow wire that comes up to the clockspring from the power feed splice, but it as well would need to be tested inside the steering wheel at the clockspring connections. If you have power at the yellow wire coming into the spring, but not on the purple wire coming out it's a bad spring. If it's not at the yellow wire coming into the connector then you need to trace the wire back to the splice and test it there, that wire runs inside the column and out at the wiring harness under the dash.
Was this
answer
helpful?
Yes
No
Wednesday, June 16th, 2021 AT 3:25 PM

Please login or register to post a reply.