Steering wheel accesories

Tiny
TAYLORSANCHEZ58
  • MEMBER
  • 2005 NISSAN ALTIMA
  • 2.5L
  • 4 CYL
  • 2WD
  • AUTOMATIC
  • 172,000 MILES
I was working on my car recently and a wire dropped out and now my horn and steering wheel buttons don't work, any help?
Friday, September 13th, 2019 AT 12:55 PM

1 Reply

Tiny
JACOBANDNICKOLAS
  • MECHANIC
  • 110,194 POSTS
Welcome to 2CarPros.

What were you working on, where approximately did the wire fall from, and what color is the wire?

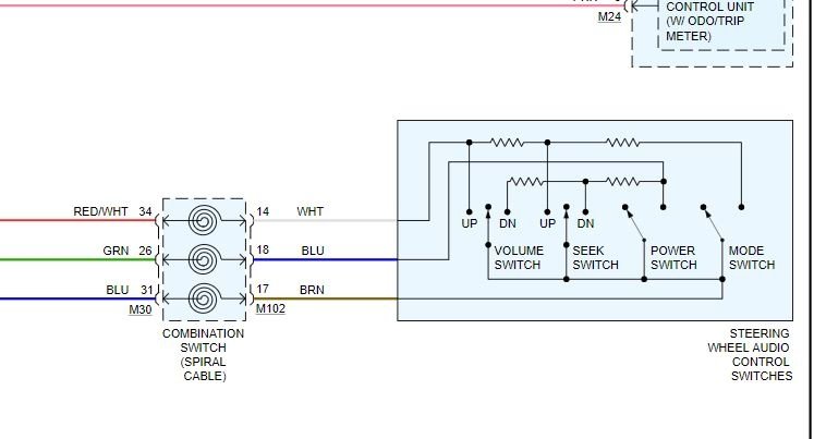
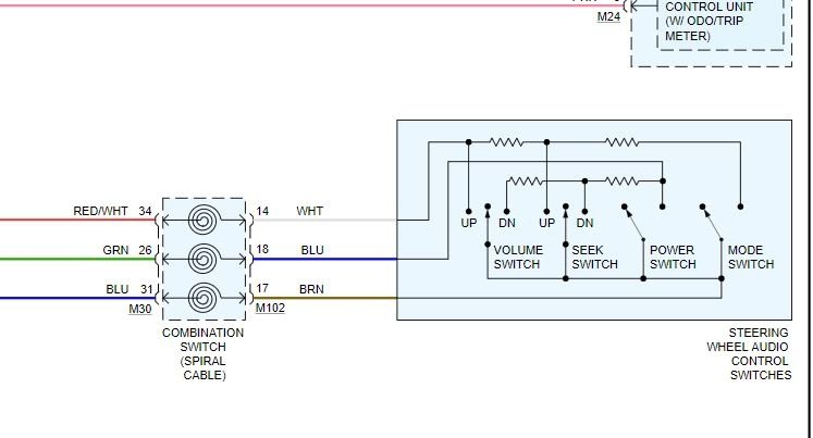
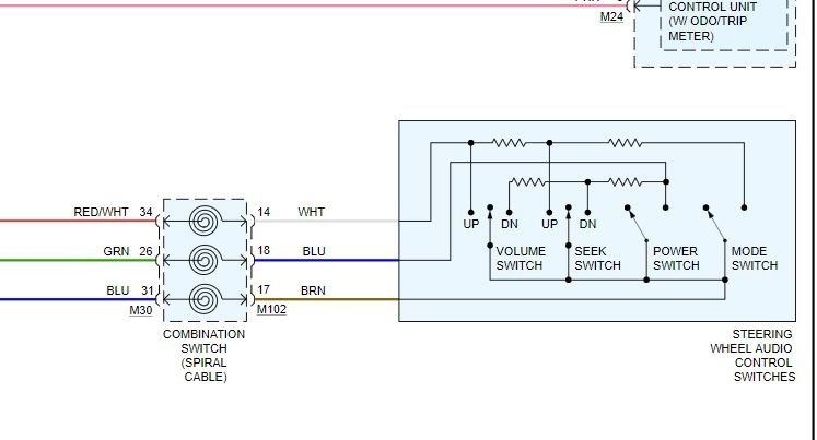
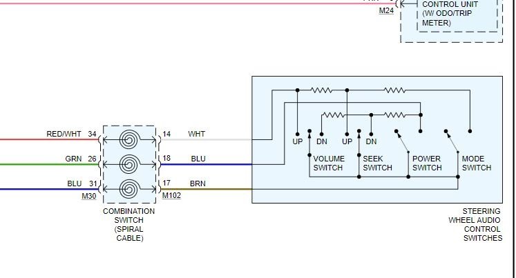
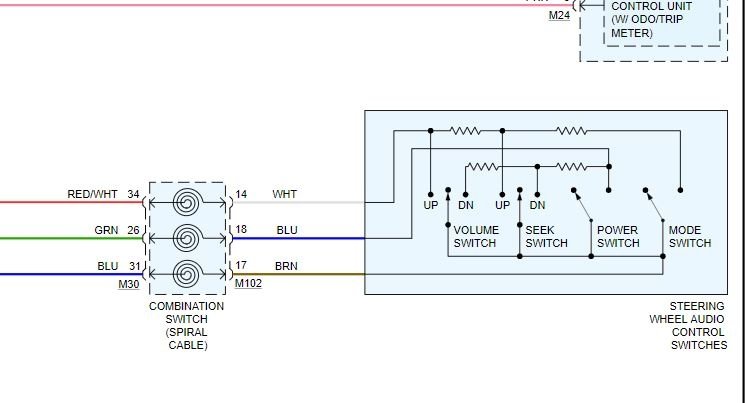
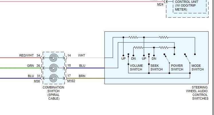
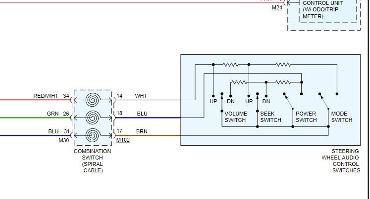
I attached a pic of the audio switches on the steering wheel. See if any of the colors match what you found. As far as the horn, it should be a green or green and white wire.

Let me know what else on the steering wheel isn't working. For example, cruise control.

Let me know.

Joe
Was this
answer
helpful?
Yes
No
Saturday, September 14th, 2019 AT 7:53 PM

Please login or register to post a reply.