Starts and runs for a few seconds?

Tiny
JAMESS10
  • MEMBER
  • 1995 CHEVROLET S-10
  • 2.2L
  • 4 CYL
  • 2WD
  • MANUAL
  • 200,000,000 MILES
The truck starts but does within a few seconds and the fuel gauge doesn’t move off of e but has fuel.
Thursday, June 8th, 2023 AT 9:02 PM

1 Reply

Tiny
AL514
  • MECHANIC
  • 5,568 POSTS
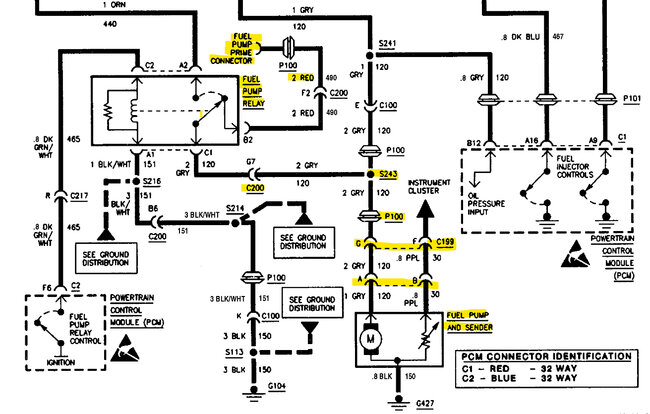
Hello, there could be a connector issue going out to the fuel pump, and it's not getting enough current flow, a corroded connector will cause that, and the fuel gauge I'm sure is in at least one or two of the same connectors that the pump uses. It looks like the Fuel pump relay is behind the glove box, and there should be a red wire coming off of it that is used for priming the fuel pump for testing.
Also have you checked the fuel filter to see if it's clogged up, that would cause a fuel pump to fail prematurely. There looks to be 3 or 4 connectors from the Relay to the Fuel Pump.
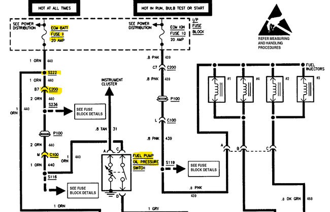
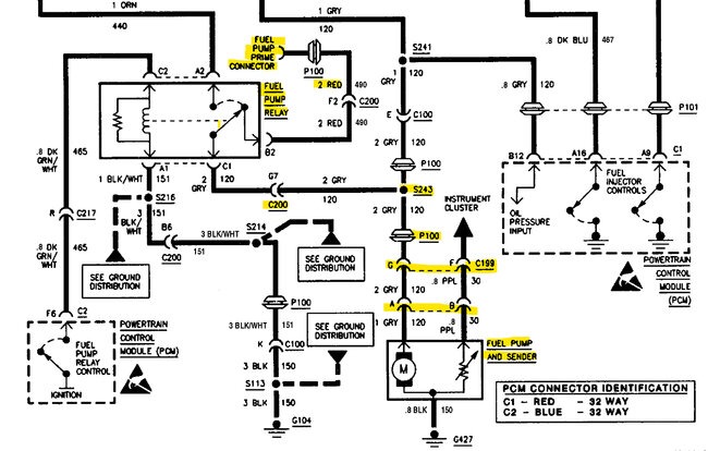
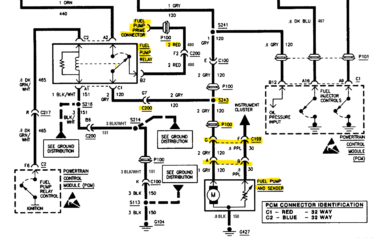
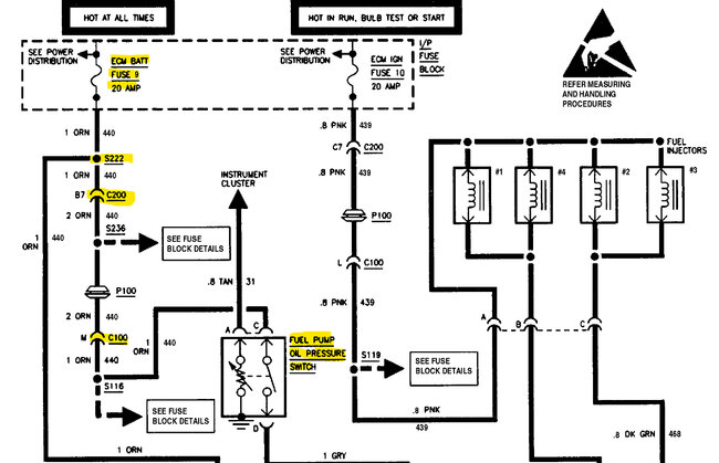
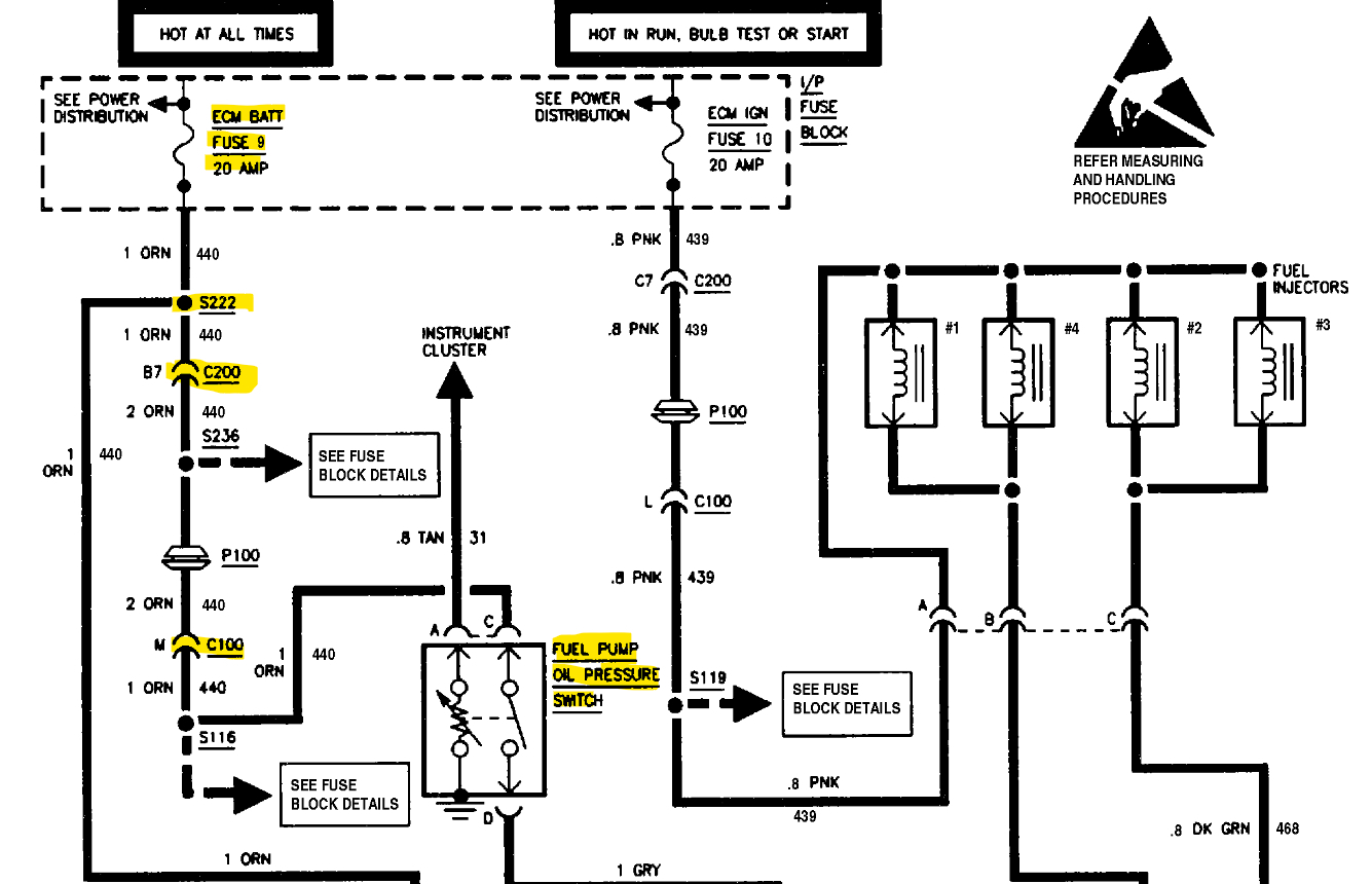
But check the fuel filter first, it looks to be on the frame rail on the driver side, should be about halfway back on the inside of the frame. I would take it off and see if it's clogged first. You can put a bucket under the open fuel line while the filter is off and see if the fuel supply stops or is very little just before the stall out, it sounds like you're losing fuel pressure/volume. If there is no fuel coming out while it's running, then the engine might be starting just from the normal 2 second prime that occurs at key On. Part of the Fuel pump circuit runs through the oil pressure switch as well. I'll post a diagram of the fuel filter. And the fuel pump wiring diagrams.
Service info also states that if the ECM is losing its Ignition Reference Pulse it will shut down the fuel system. (2nd diagram)
Diagrams 3,4 is a Diagnostic Flow Chart. Diagrams 5,6 are OEM fuel pump wiring and 7,8 are the aftermarket wiring diagrams.

https://www.2carpros.com/articles/how-to-check-fuel-system-pressure-and-regulator

https://www.2carpros.com/articles/how-to-change-a-fuel-filter

https://www.2carpros.com/articles/signs-of-a-clogged-fuel-filter-in-your-car-symptoms-to-watch
Was this
answer
helpful?
Yes
No
Friday, June 9th, 2023 AT 11:09 AM

Please login or register to post a reply.