Not cranking over

Tiny
MPACKINEAU
  • MEMBER
  • 2001 DODGE INTREPID
  • 6 CYL
  • TURBO
  • 4WD
  • AUTOMATIC
  • 200,000 MILES
My car will start and after driving it to the store and back and shut off the engine then it will not start. I leave it overnight and in the morning it will start. Purchased a new battery because was having this problem before and this worked for awhile and now the problem is acting up again.

The dash lights are on, but when I turn the key there is no contact actually no noise at all.
Wednesday, October 18th, 2017 AT 2:44 PM

15 Replies

Tiny
KEN L
  • MASTER CERTIFIED MECHANIC
  • 53,963 POSTS
It sounds like the starter is going out, but to be sure you will need to use a test light and check the trigger wire (small) at the starter solenoid to see if its getting power when the key is turned to crank.

Check out toward the bottom of this guide which will show you how to do it.

https://www.2carpros.com/articles/car-cranks-but-wont-start

And if found to be bad this guide will show you what you are in for when doing the repair.

https://www.2carpros.com/articles/how-to-replace-a-starter-motor

Must will need to raise the car so you can get under it safely.

https://www.2carpros.com/articles/jack-up-and-lift-your-car-safely

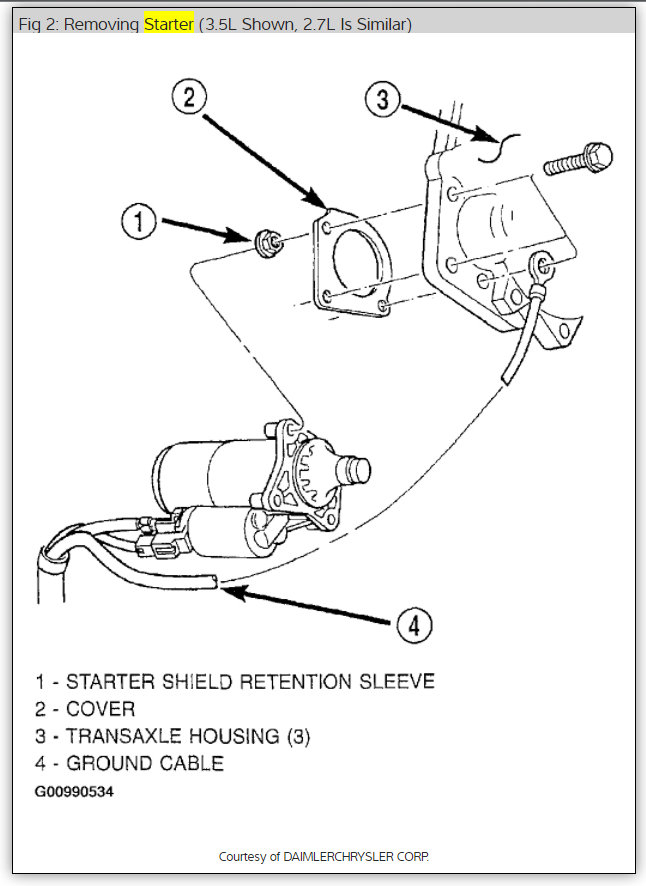
Here are some diagrams of your car (below).

Please let us know what you find. I'm interested to see what it is.

Cheers, Ken
Was this
answer
helpful?
Yes
No
+1
Thursday, October 19th, 2017 AT 1:13 PM
Tiny
ASTEPHENS
  • MEMBER
  • 1 POST
  • 2001 DODGE INTREPID
  • 4 CYL
  • 2WD
  • AUTOMATIC
  • 850,000 MILES
Engine Mechanical problem
2001 Dodge Intrepid 4 cyl Two Wheel Drive Automatic 850000 miles

The car started to smoke under the hood make a loud nose and then it cut off it will turn over but will not crank up
Was this
answer
helpful?
Yes
No
Friday, October 20th, 2017 AT 12:08 PM (Merged)
Tiny
RASMATAZ
  • MECHANIC
  • 75,992 POSTS
Do this spray carb cleaner into the throttle body and see what happens-if it starts and dies out-check the fuel pressure-if its up to specs-Do a spark test on the ignition system-Got spark but still will not start-Check compression/valve/ignition timing.
Was this
answer
helpful?
Yes
No
Friday, October 20th, 2017 AT 12:08 PM (Merged)
Tiny
J.STIEG
  • MEMBER
  • 361 POSTS
  • 2001 DODGE INTREPID
  • 6 CYL
  • FWD
  • AUTOMATIC
  • 109,000 MILES
Electrical problem
2001 Dodge Intrepid 6 cyl Front Wheel Drive Automatic 109000 miles

when I try to start the car, I turn the ignition on and the fuel pump comes on for a few seconds along with the dash lights but in the starter position there is nothing. I swapped out the starter relay, and verifyed that the starter itself was good. I also did a check on the ignition voltage supply to the relay and it is good. I am not shure if it is the pcm, or the wiring going to the pcm, or if the pcm is not getting proper input. I do know that the ground coming out of the pcm and going to the starter relay is insuficient. I am still not shure what it is?
Was this
answer
helpful?
Yes
No
Friday, October 20th, 2017 AT 12:08 PM (Merged)
Tiny
RASMATAZ
  • MECHANIC
  • 75,992 POSTS
2001 Dodge Intrepid no crank when attempting to start.

No crank. Is it -cranks over and refuses to start or just won't crank engine over/nothing?

I swapped out the starter relay, and verifyed that the starter itself was good. How did you verified that the starter is good-

Check the ignition switch, park and neutral switch and starter itself-
Was this
answer
helpful?
Yes
No
+1
Friday, October 20th, 2017 AT 12:08 PM (Merged)
Tiny
J.STIEG
  • MEMBER
  • 361 POSTS
The car will not even roll over when attempting to start. I did verify that the actual starter motor does crank the engine, I jumped the contacts in the relay socket and the starter motor worked fine so I know I dont need a starter. If I independantly grounded the one side of the coil (of the starter relay) that the pcm is supposed to ground, the other side that the ignition supplies works fine, so I am assuming that the park/neutral switch that is wired in series work fine also.
The part I dont under stand is why the pcm wont atomaticly send ground to the starter relay when it is calling for it?
Do I have a bad pcm, or wrong imput from any sensor, or is there any kind of short?
Was this
answer
helpful?
Yes
No
+2
Friday, October 20th, 2017 AT 12:08 PM (Merged)
Tiny
RASMATAZ
  • MECHANIC
  • 75,992 POSTS
The start circuit comes from the ignition switch to the relay then computer grounds it then power is transfered thru the light green wire to the starter solenoid.


https://www.2carpros.com/forum/automotive_pictures/12900_starter_circuit_8.jpg

Was this
answer
helpful?
Yes
No
+2
Friday, October 20th, 2017 AT 12:08 PM (Merged)
Tiny
J.STIEG
  • MEMBER
  • 361 POSTS
The start circuit comes from the ignition switch to the relay then computer grounds it then power is transfered thru the light green wire to the starter solenoid, you said.

The relay is not grounded by the computer, why?
Was this
answer
helpful?
Yes
No
Friday, October 20th, 2017 AT 12:08 PM (Merged)
Tiny
RASMATAZ
  • MECHANIC
  • 75,992 POSTS
The PCM control s the ground circuit look at the diagram-Try jumping the starter relay red and brown wire and see whether the starter engages the engine-
Was this
answer
helpful?
Yes
No
-1
Friday, October 20th, 2017 AT 12:08 PM (Merged)
Tiny
APADILLA2U
  • MEMBER
  • 1 POST
  • 2001 DODGE INTREPID
  • 6 CYL
  • FWD
  • AUTOMATIC
  • 170,000 MILES
Electrical problem
2001 Dodge Intrepid 6 cyl Front Wheel Drive Automatic 170000 miles

If I can get an accurate response I will start donating $. But at this point want to see what you think! When I turn the Key back and forth I get a quick turn of the starter but cuts out right away. I replaced the electric ignition switch but still the same. I get a quick power to the solenoid wire but cuts out right away. Its a new starter, and electric ingnition switch. Seems to work better while in netrual. But it only cranks for a second but stops right away. Ran a direct hot wire to the solenoid and cranks fine. What do you think? I am interested in your forein, and domestic service manuals, can you give me some prices also? Can you send me a wiring diagram of this system? Thank You!
Was this
answer
helpful?
Yes
No
Friday, October 20th, 2017 AT 12:08 PM (Merged)
Tiny
J.STIEG
  • MEMBER
  • 361 POSTS
In my last reply, I did not word it right. I said that the starter relay is not grounded by pcm/computer. I ment to say that the starter relay is not being grounded by the pcm/computer, big difference.

Do you know why, or what would cause that.

Also, I did check the starter and it cranks the engine over fine when I jump it right at the relay socket, under the hood.
Was this
answer
helpful?
Yes
No
Friday, October 20th, 2017 AT 12:08 PM (Merged)
Tiny
RASMATAZ
  • MECHANIC
  • 75,992 POSTS
Inspect and test the starter relay and the starter relay control of the computer


https://www.2carpros.com/forum/automotive_pictures/12900_s1_40.jpg




https://www.2carpros.com/forum/automotive_pictures/12900_s2_37.jpg




https://www.2carpros.com/forum/automotive_pictures/12900_s3_6.jpg

Was this
answer
helpful?
Yes
No
+1
Friday, October 20th, 2017 AT 12:08 PM (Merged)
Tiny
RASMATAZ
  • MECHANIC
  • 75,992 POSTS
Do this remove the yellow wire from the starter relay-have helper hold key at start position -test for power at yellow wire -no power -test the ignition switch-power at yellow wire now you can replace the computer-
Was this
answer
helpful?
Yes
No
Friday, October 20th, 2017 AT 12:08 PM (Merged)
Tiny
GE0RGE
  • MEMBER
  • 1 POST
  • 2001 DODGE INTREPID
  • 6 CYL
  • FWD
  • AUTOMATIC
  • 110,000 MILES
Engine Mechanical problem
2001 Dodge Intrepid 6 cyl Front Wheel Drive Automatic 110000 miles

During stopping at a light the car went dead. The car would crank very well but would not run at all, just the starter turning the engine with no cylinders firing. I believe I have a low spark to the plugs, as I tested for this. All fuses check good and I can hear the fuel pump run for a few seconds once the key is turn, so I am suspecting the CPU ignition control module.
Was this
answer
helpful?
Yes
No
Friday, October 20th, 2017 AT 12:08 PM (Merged)
Tiny
RASMATAZ
  • MECHANIC
  • 75,992 POSTS
No snapping blue spark continue to troubleshoot the ignition system-power input to the coil/coil packs, coil's resistances, distributor pick-up coil, ignition control module, cam and crank sensors and computer Note: If it doesn't apply disregard it.
Was this
answer
helpful?
Yes
No
Friday, October 20th, 2017 AT 12:08 PM (Merged)

Please login or register to post a reply.

Related Engine Not Cranking Over Content

Car Not Cranking? Try This | EASY
VIDEO