Engine cranks but does not start

Tiny
MICHAEL LEONARD
  • MEMBER
  • 2001 TOYOTA HIGHLANDER
  • 3.1L
  • V6
  • 4WD
  • AUTOMATIC
  • 220 MILES
Had shifting problem, got refurbished computer. Car turns over but wont fire. Car starts and shifts fine with obd plugged into old computer. Flagship one has flashed refurbished computer I sent it back they flashed it again. Car turns over but wont start. Is it me?
Saturday, June 12th, 2021 AT 2:31 PM

5 Replies

Tiny
JACOBANDNICKOLAS
  • MECHANIC
  • 110,156 POSTS
Hi,

I don't think it's you. If the vehicle won't start with the remanufactured computer, they flashed it again and it still doesn't work, the problem is in their computer.

Since your vehicle starts with the old computer plugged in, something isn't making sense to me either. Will they send you a different reprogrammed PCM?

What do you mean by the OBD plugged into the old computer? Do you mean that a scanner needs to be attached to the OBD port for it to run? If that's the case, you could be dealing with a ground-related issue that is being completed by the scan tool.

Let me know.

Joe
Was this
answer
helpful?
Yes
No
Saturday, June 12th, 2021 AT 10:40 PM
Tiny
MICHAEL LEONARD
  • MEMBER
  • 3 POSTS
My car starts with old computer but shifts rough, when I plug in obd (I don't search codes or press enter just plug it in) it shifts fine. Turns over with new computer but wont fire.
Was this
answer
helpful?
Yes
No
Sunday, June 13th, 2021 AT 11:13 AM
Tiny
JACOBANDNICKOLAS
  • MECHANIC
  • 110,156 POSTS
It sounds like a ground issue simply because it shifts normally with the scanner attached. The only thing different is you are providing an additional ground path for the computer.

Do me a favor. Check on the rear of the intake. There is a ground strap located there. Make sure it is attached and in good condition. I believe it runs to the firewall from the engine/transmission bell housing.

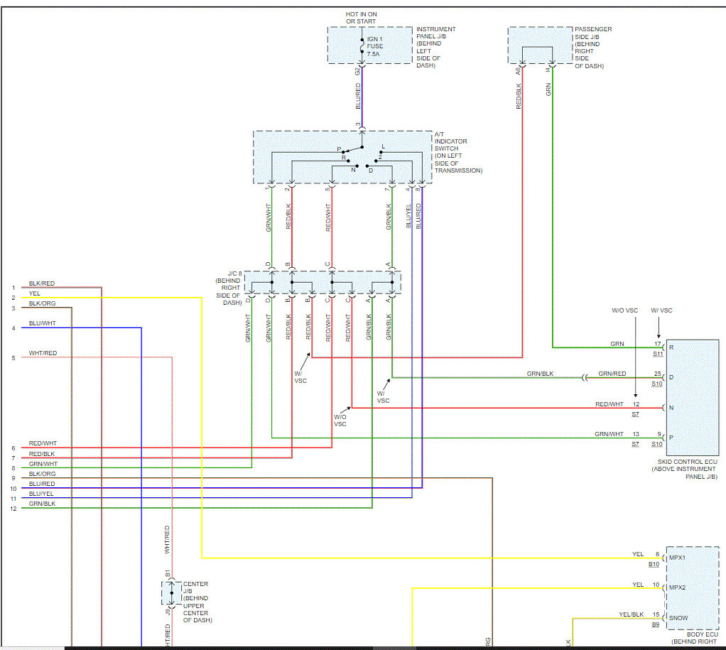
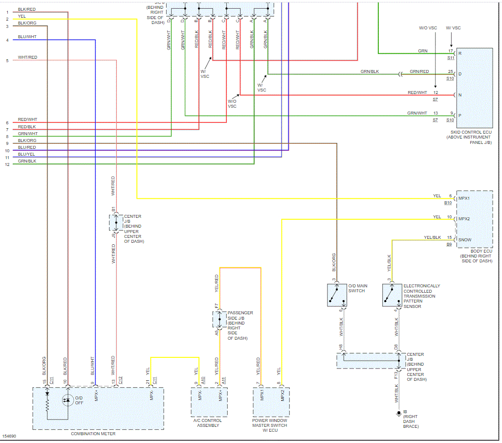
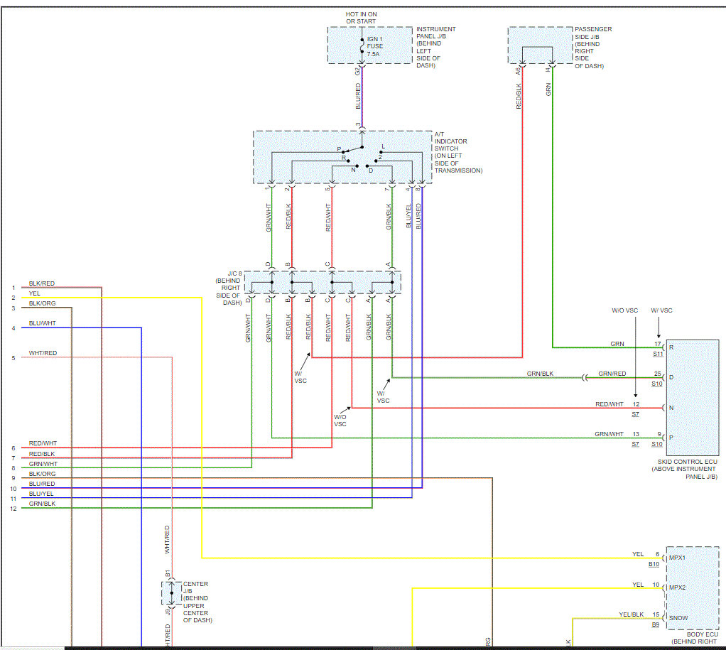
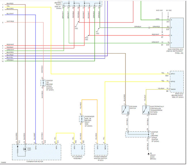
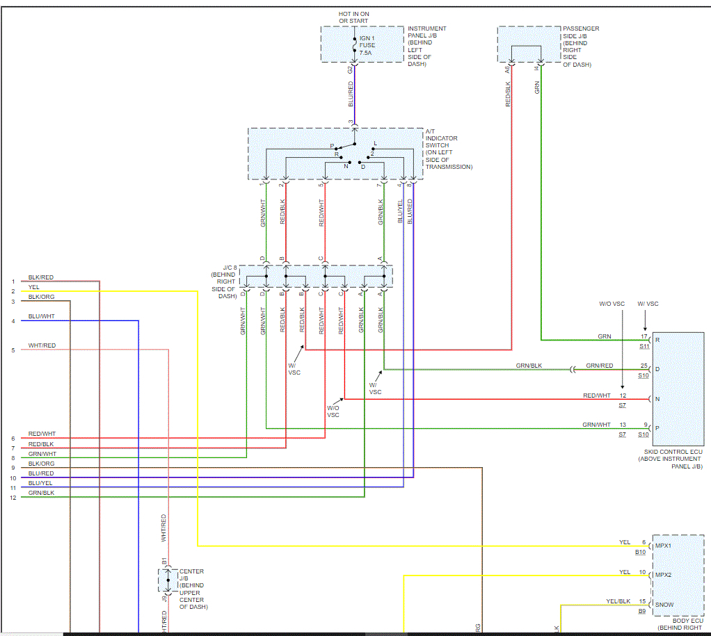
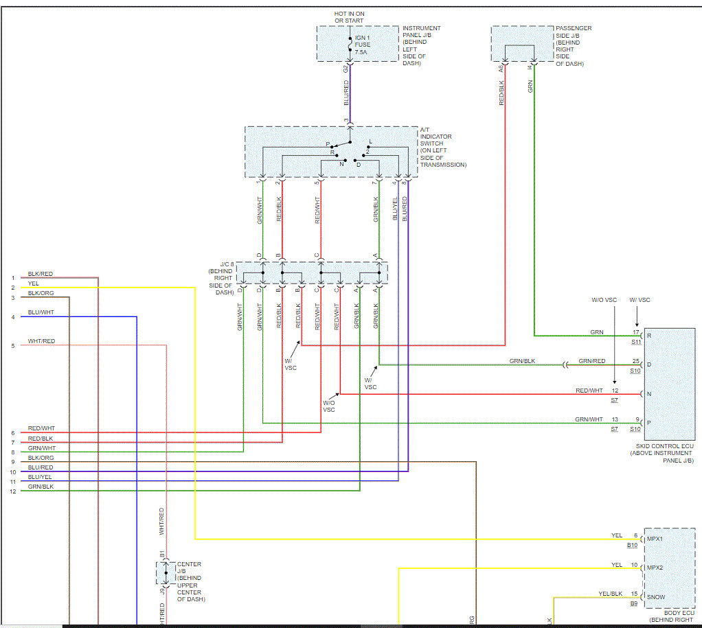
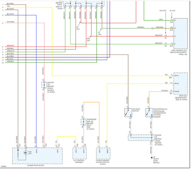
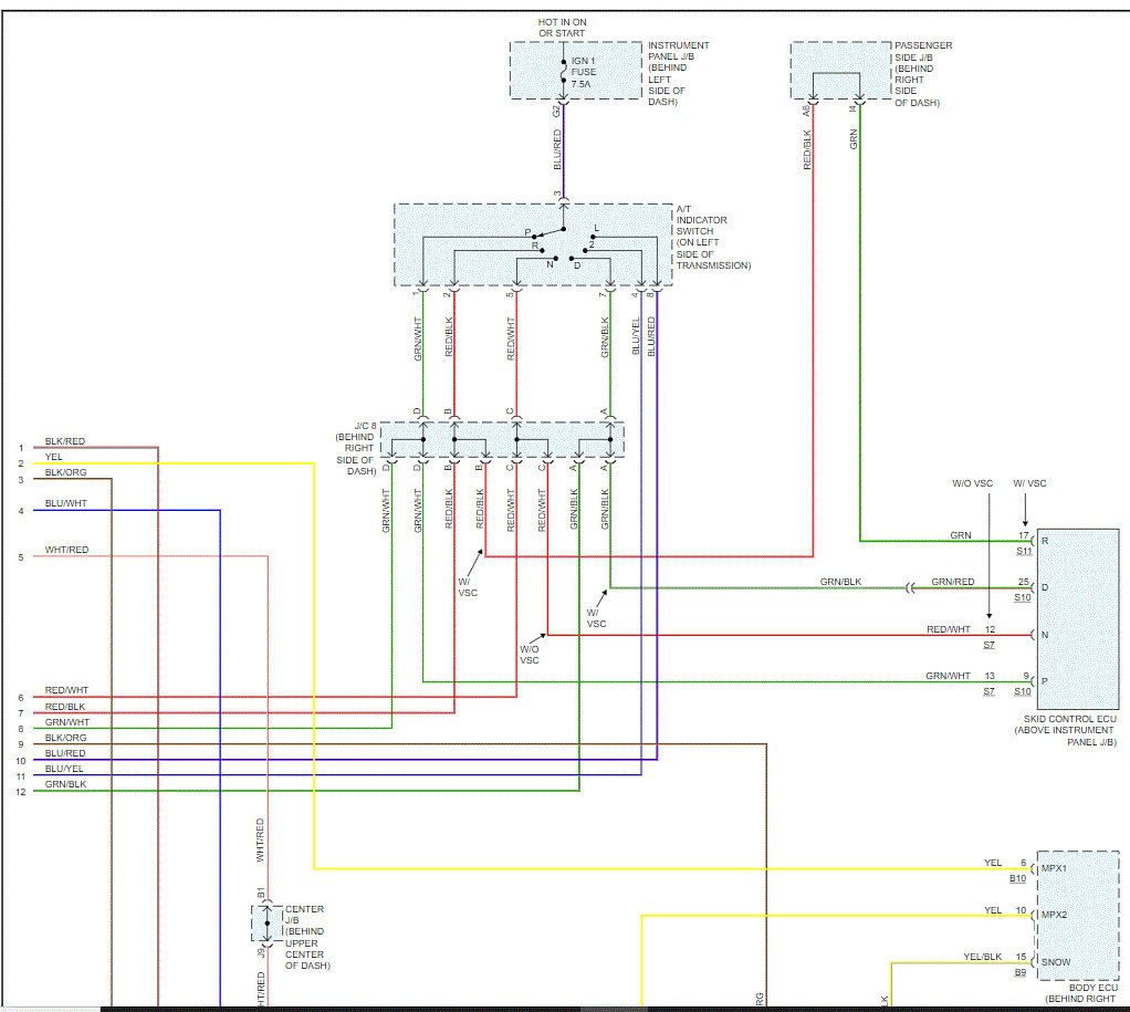
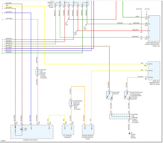
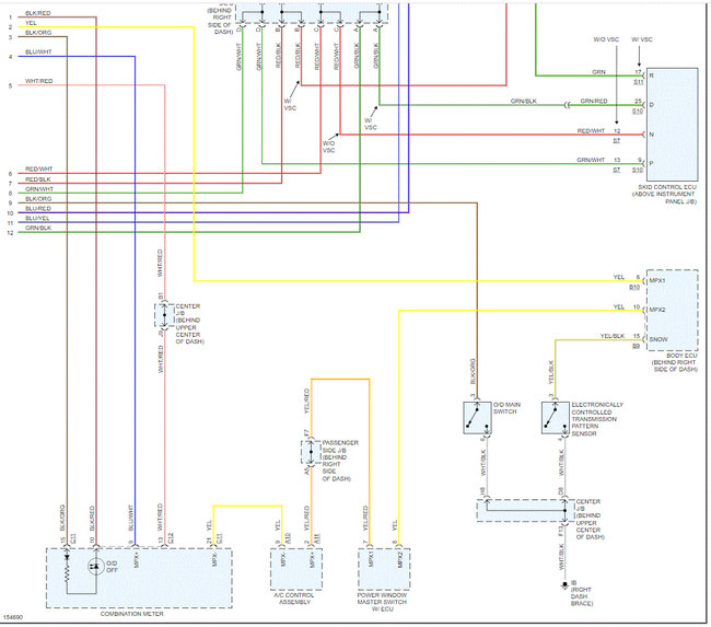
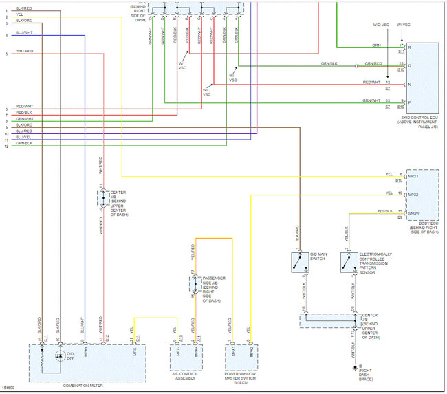
Next, I attached the wiring schematic for the entire automatic transmission circuit. I highlighted a ground I would like you to check as well. I had to cut the pics in half to make them readable, but I did overlap them so you can follow from one to the next.

Here is a link you may find helpful:

https://www.2carpros.com/articles/how-to-check-wiring

Let me know what you find.

Take care,

Joe

See pics below.
Was this
answer
helpful?
Yes
No
Sunday, June 13th, 2021 AT 6:57 PM
Tiny
MICHAEL LEONARD
  • MEMBER
  • 3 POSTS
Motor is grounded to inner wheel well. Still looking for firewall ground.
Was this
answer
helpful?
Yes
No
Tuesday, June 15th, 2021 AT 9:15 AM
Tiny
JACOBANDNICKOLAS
  • MECHANIC
  • 110,156 POSTS
Let me know if you find it. Also, when you locate grounds, make sure they are tight, clean, and free of corrosion or damage.

Take care,

Joe
Was this
answer
helpful?
Yes
No
Tuesday, June 15th, 2021 AT 10:38 PM

Please login or register to post a reply.

Related Engine Not Running Content

Car Cranking but Not Starting? Try This
VIDEO