Starting issues

Tiny
MARK VACEK
  • MEMBER
  • 2003 CHEVROLET MONTE CARLO
  • 3.8L
  • V6
  • 2WD
  • AUTOMATIC
  • 130,500 MILES
Turn the key, I always wait until the fuel pump primes and gauges reset then I start it. Lately I've been having issues. The engine won't crank (sometimes) I hear a faint click. The lights and gauges turn off. I do the same things again with the same results.
I purchased a new battery. No issues for a couple of days. I had someone jumpstarted the car. It has to be hooked up for at least 5 minutes. Then it will start. I had the alternator tested I don't remember what the voltage was. The gauge on the dash always shows it's charging.
Tuesday, November 24th, 2020 AT 4:54 AM

3 Replies

Tiny
KASEKENNY
  • MECHANIC
  • 18,907 POSTS
The click means this is most likely the starter failing. Next time it does it try tapping on the starter solenoid with a hammer lightly and it will most likely work that time.

https://www.2carpros.com/articles/starter-not-working-repair

I attached the process for replacing the starter. Let us know what questions you have.
Was this
answer
helpful?
Yes
No
+1
Tuesday, November 24th, 2020 AT 8:48 AM
Tiny
MARK VACEK
  • MEMBER
  • 3 POSTS
Thank you. I will try this the next time it won't start and let you know.
Was this
answer
helpful?
Yes
No
Wednesday, November 25th, 2020 AT 7:29 AM
Tiny
ASEMASTER6371
  • MECHANIC
  • 52,796 POSTS
Good afternoon,

I attached the wiring diagram of the starter for you. You need to verify power to the little wire on the solenoid when in the start position.

https://www.2carpros.com/articles/how-to-check-wiring

I also attached the replacement procedure for you as well.

https://www.2carpros.com/articles/how-to-replace-a-starter-motor

Roy

REMOVAL PROCEDURE
1. Disconnect the negative battery negative cable.

IMPORTANT: The starter motor on this vehicle is NOT serviceable and must be replaced as a complete unit.

2. Raise and support the vehicle. Refer to vehicle lifting.
3. Remove the lower air deflector.
4. Remove the torque converter covers.

imageOpen In New TabZoom/Print

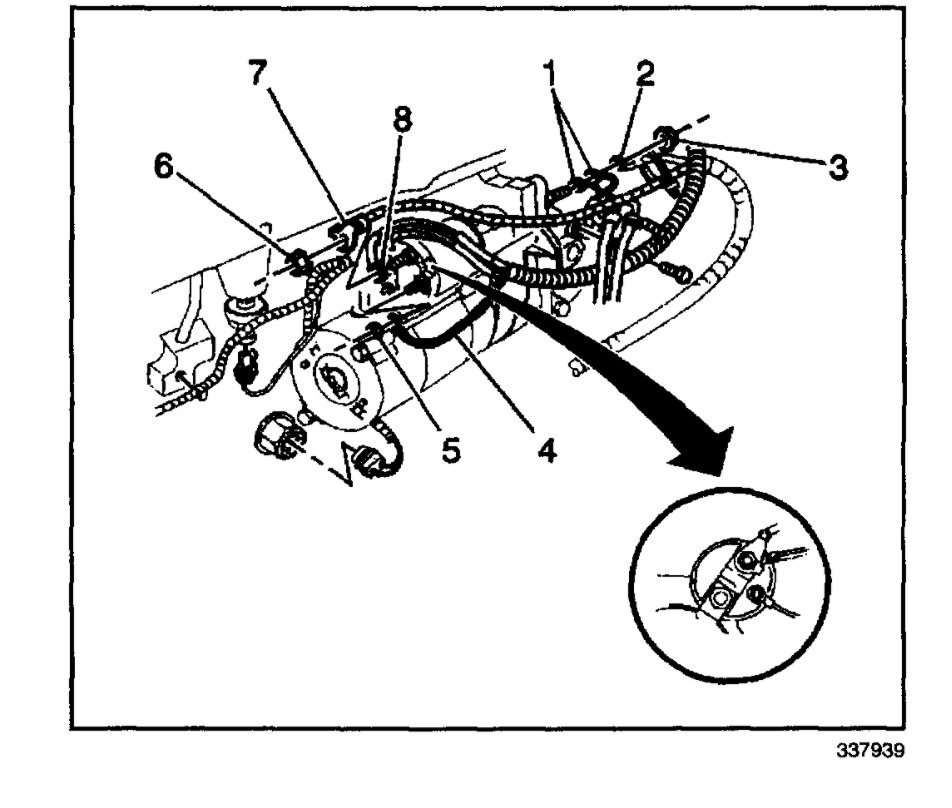
5. Remove the starter solenoid BAT terminal nut (6) and the positive battery cable (7) from the starter motor.
6. Remove the starter solenoid S terminal nut (5) and the starter solenoid wire (4) from the starter motor.

imageOpen In New TabZoom/Print

7. Remove the starter bolts (1,2) and the starter motor.
Was this
answer
helpful?
Yes
No
Wednesday, November 25th, 2020 AT 1:42 PM

Please login or register to post a reply.