Starting issue?

Tiny
JUSTBLESSED
  • MEMBER
  • 2013 DODGE CHARGER
  • 3.6L
  • V6
  • 2WD
  • AUTOMATIC
  • 176,759 MILES
I’ve had some charging problems with this car in the past. One evening I turned my card off to save gas few minutes later I turn it on battery light came on, went to o Reilly tested my battery had it replaced, battery light was still on, had my alternator checked said bad alternator (mind you my car still started) found a guy to help put an alternator on but before he started taking the old one off he disconnected the positive cable from my fuse box underneath my hood ( don’t know why) then he began to take off my old alternator as he was doing that once he started taking of the positive cable at the back of the alternator there were a few sparks flying (mind you my car started before) after we got the new alternator put on, my car started but immediately shut itself off it felt equivalent to running out of gas, then all my warning lights came on then it went dark on my dash so I turned the car off. But all my regular dash lights come on when I unlock and lock my car, but it just won’t start now, I mean I do have a bad starter, but it would always start right up. Can anyone help me figure out what’s wrong?
Thursday, May 11th, 2023 AT 11:32 AM

31 Replies

Tiny
AL514
  • MECHANIC
  • 5,584 POSTS
Hello, that is absolutely the incorrect way to disconnect a power source on a vehicle, I agree with you, I have no idea why he would not unhook the negative first and leave it unhooked. Then disconnect the Alternator positive post. Have you done through all the fuses in the vehicle? Did he leave both positive and negative cables hooked up to the battery while replacing the Alternator? I will look up the wiring diagrams for your vehicle and see which circuits could have been affected. But I wouldn't go to him again, and really if there is damage to any modules, he is responsible.
I remember this vehicle's charging issues from last month.

There is a fuse (Fuse 35 10amp) in the rear fuse panel that goes to the Intelligent Battery Sensor (current sensor) which communicates on a Lin Bus network to other modules. These sensors are extremely fragile. And most of them have a bolt on them that is a onetime use, but doesn't need to be disconnected because it's not the hold down bolt for the battery post,
But if you saw sparks flying while this guy was changing the Alternator, that's not good. Now you have starting issues. Does the Check Engine Light come on if you turn the key to just the on (run) position? Engine not running.
It sounds like something is going on with the security system. A start and then 2 second stall might be the security system not allowing access.

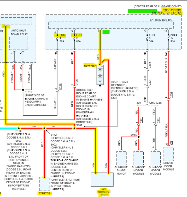
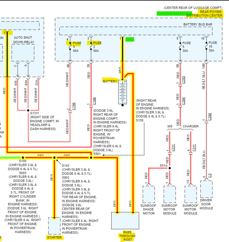
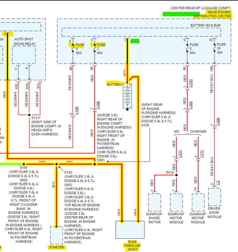
Which connector did he unplug from the fuse panel? Was it just a main thick battery cable bolted on, or was it a plug in connector type?
Was this the cable circled in the 2nd diagram?

Ok I found the Front Power Distribution panel with the main Battery positive cable running to it. The only issue here is that this is not the only place this positive cable is hooked up to, you'll notice on the 4th wiring diagram that positive battery cable runs to the rear power bus bar as well. So, he shorted out the main battery cable, not knowing it runs to another power distribution center in the rear of the vehicle. So, we need to figure out what is shutting down the PCM.
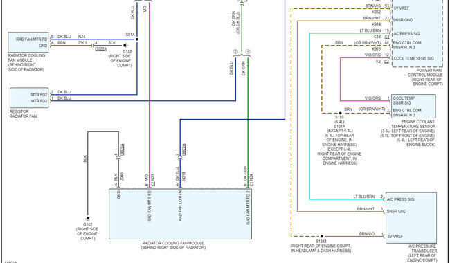
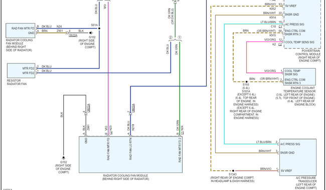
The 5th diagram is the Security System operation and I'm thinking about that Battery current sensor, and if it is possibly damaged due to the electrical arcing. The battery current sensor communicates on a Lin Bus network which is also the network that the Keyless Ignition system node communicates on to other important modules, BCM, PCM, IPC, and if the battery sensor happens to be pulling that network down, essentially shorting it to Ground because it's on the negative battery post. It would prevent a lot of things from functioning properly. This is just a hypothesis, since I'm not at the vehicle. But seeing if the vehicle is losing its Fuel Injector pulse after start up, would point to an issue like that. With the PCM shutting down the injectors.
Was this
answer
helpful?
Yes
No
Friday, May 12th, 2023 AT 3:47 PM
Tiny
JUSTBLESSED
  • MEMBER
  • 49 POSTS
What the car is at a NAPA auto care, and they still can’t diagnose the problem it’s been there 3 days.
Was this
answer
helpful?
Yes
No
Saturday, May 13th, 2023 AT 5:19 AM
Tiny
AL514
  • MECHANIC
  • 5,584 POSTS
Do they know about the power distribution center in the rear of the vehicle? Because with the front one unbolted like the mechanic did, the other power supply was still hooked up in the rear. They need to verify the power back there. Because those fuses feed the ASD Relay, and the Auto ShutDown Relay powers a section of the PCM, the fuel injectors, they might not have even looked in the rear of the vehicle yet, it's not a normal place for a fuse panel.
Ask them if they have power to the Fuel Injectors when the stall out occurs, or if they are losing Fuel Injector control at that time too.
It's still doing the start for 2 seconds then stall out, correct.
Was this
answer
helpful?
Yes
No
Saturday, May 13th, 2023 AT 12:49 PM
Tiny
JUSTBLESSED
  • MEMBER
  • 49 POSTS
This is what it’s doing and all it’s doing.
Was this
answer
helpful?
Yes
No
Saturday, May 13th, 2023 AT 1:14 PM
Tiny
AL514
  • MECHANIC
  • 5,584 POSTS
That engine almost sounds like it doesn't have any compression. Can you open the hood and do that again? Did the Napa place check for Ignition spark or fuel injector pulse? What testing did they do? And I'm not sure, but do you see any Check Engine light while cranking?
Also, I do not see the Tachometer moving while cranking.
Was this
answer
helpful?
Yes
No
Saturday, May 13th, 2023 AT 1:44 PM
Tiny
JUSTBLESSED
  • MEMBER
  • 49 POSTS
And this is how my dash looks and I’m not sure what tests they’ve ran they keep saying they haven’t found anything yet but believe it is a connection issue.
Was this
answer
helpful?
Yes
No
Saturday, May 13th, 2023 AT 1:52 PM
Tiny
JUSTBLESSED
  • MEMBER
  • 49 POSTS
Won’t be able to get up there to check again until Monday.
Was this
answer
helpful?
Yes
No
Saturday, May 13th, 2023 AT 1:53 PM
Tiny
AL514
  • MECHANIC
  • 5,584 POSTS
They need to determine if the ECM is pulsing the fuel injectors and see if it has spark, those are the 2 first basic checks for a crank no start situation. If there is no spark, but there is still a fuel injector pulse, the engine could be getting flooded out with gas. That will cause cylinder wash and lower compression. I know you hear some type of rubbing noise while cranking, I heard it too, but let's figure out the no start first, ask them if they checked the rear power distribution center and its fuses. I saw the check engine light on, so that means the ECM is being powered up, but something happened during that Alternator change out.
Was this
answer
helpful?
Yes
No
Saturday, May 13th, 2023 AT 2:47 PM
Tiny
JUSTBLESSED
  • MEMBER
  • 49 POSTS
Yes, some kind of surge happened during that alternator swap out I most definitely agree.
Was this
answer
helpful?
Yes
No
Saturday, May 13th, 2023 AT 2:48 PM
Tiny
JUSTBLESSED
  • MEMBER
  • 49 POSTS
Car fixed it was missing fuel pump fuse and some fuses were misplaced so now it drives smoothly but there’s a winning noise underneath my hood and it’s sluggish on take-off only when gas tank is almost one like so. I put some premium gas in it was running cool just now filled it up still a whining noise and my air doesn’t work now. However, when I try to do a fast take off my car shakes and shutters.
Was this
answer
helpful?
Yes
No
+1
Wednesday, May 17th, 2023 AT 4:42 PM
Tiny
AL514
  • MECHANIC
  • 5,584 POSTS
Try adding a can of dry gas when you fill up next, there's probably some water in the bottom of the gas tank. Most gas stations have around 10 percent alcohol content in the fuel they sell. And if there's any water from condensation in the bottom of the tank, the water and alcohol will mix and stay together at the bottom of the tank because they are heavier than gasoline.
As for the noise. It can be a number of things, you can try taking off the main drive belt and see if the noise disappears, if it does then it's coming from one of the pulleys or whatever components are driven by that belt.
It sounds like there are still some modules in the vehicle that are offline, not sure how fuses got misplaced. Do you need diagrams for the Blower motor since you have no HVAC now?
Was this
answer
helpful?
Yes
No
Wednesday, May 17th, 2023 AT 6:09 PM
Tiny
JUSTBLESSED
  • MEMBER
  • 49 POSTS
Yes. You think the blower motor is damaged?
Was this
answer
helpful?
Yes
No
Wednesday, May 17th, 2023 AT 6:25 PM
Tiny
AL514
  • MECHANIC
  • 5,584 POSTS
Probably not the blower motor, but the HVAC control module might not be powered up. Are the LEDs on the head unit working?
Was this
answer
helpful?
Yes
No
Wednesday, May 17th, 2023 AT 7:26 PM
Tiny
JUSTBLESSED
  • MEMBER
  • 49 POSTS
Yes.
Was this
answer
helpful?
Yes
No
Thursday, May 18th, 2023 AT 4:36 AM
Tiny
JUSTBLESSED
  • MEMBER
  • 49 POSTS
And the condenser turns on but no air comes out.
Was this
answer
helpful?
Yes
No
Thursday, May 18th, 2023 AT 4:36 AM
Tiny
JUSTBLESSED
  • MEMBER
  • 49 POSTS
Someone suggested blower motor resistor relay.
Was this
answer
helpful?
Yes
No
Thursday, May 18th, 2023 AT 7:46 AM
Tiny
AL514
  • MECHANIC
  • 5,584 POSTS
Do you mean the A/C compressor comes on? I would check for power at the blower motor before replacing anything. This vehicle has a Blower motor power module, and there are 2 wires that run to the blower from the power module, the power module is not a resistor, and doesn't function like the older conventional blower motor resistors, It is a pulse width modulated controller, meaning it pulses the power to the blower to control it for different speeds, so depending on the duty cycle, that will determine the speed. With it not working there is probably a code stored in the HVAC control module that will lead you to the issue, instead of just replacing parts, if there's a shorted circuit somewhere and you replace the blower power module it might fry the new module and not fix the real issue. Because of how all this started I would be cautious about shorted circuits and/or more burned fuses. There are also input sensors to the HVAC control module that might prevent it from operating correctly. There is an in-car temp sensor, humidity sensor, sun sensor ambient temp sensor, evap temperature sensor, etc. So, scanning the heater controls would help, there should be codes set. Really doing a full system scan would be a good idea to see if any other modules are setting codes.

Diagrams 3, 4 and 5, 6 and 7, 8 are the HVAC system, you can see how complicated it is
The blower motor power module is 137 dollars alone, so it's not something you want to guess with.
Was this
answer
helpful?
Yes
No
Thursday, May 18th, 2023 AT 11:01 AM
Tiny
JUSTBLESSED
  • MEMBER
  • 49 POSTS
I believe I got it figured out, but I’ve been having trouble with my car switching gears my 3 gear will get stuck and a certain RPM sometimes I have to change it manually, but I just left the shop my good friend put it on his machine, and it said something about a speed sensor. Any idea on that?
Was this
answer
helpful?
Yes
No
Friday, May 19th, 2023 AT 8:03 AM
Tiny
AL514
  • MECHANIC
  • 5,584 POSTS
What was the issue with the HVAC system? The output speed sensor reads the output shaft speed, and there is a warning on the TCM (transmission control module) being extremely sensitive to electrostatic discharge, which is exactly what happened when the Alternator was changed without disconnecting the electrical connectors. That incident caused a lot of problems, the speed sensors are hall effect sensors, so they are susceptible to voltage spikes.
Was this
answer
helpful?
Yes
No
Friday, May 19th, 2023 AT 11:37 AM
Tiny
JUSTBLESSED
  • MEMBER
  • 49 POSTS
Yes, it was the HVAC system. So, I should change my TCM or the sensors? And yes, this car has a lot more problems than before but I’m willing to learn but I also can’t give up on this car yet unfortunately. But on take-off my gears stick my car stalls a little then it kind of catches itself back up to speed a little but if I’m going 40 MPH it doesn’t feel like 40 lol it feels like 30 MPH.
Was this
answer
helpful?
Yes
No
Friday, May 19th, 2023 AT 12:01 PM

Please login or register to post a reply.