I need to replace my engine timing belt can you help me please?

Tiny
KIM45
  • MEMBER
  • 1997 HONDA ACCORD
  • 2.2L
  • 4 CYL
  • 2WD
  • AUTOMATIC
  • 2,300,000 MILES
The timing belt was changed and know when you try to start it it cranks, but will not start. I checked for compression and spark and I got both of those.
Wednesday, October 31st, 2018 AT 8:52 PM

23 Replies

Tiny
JACOBANDNICKOLAS
  • MECHANIC
  • 110,192 POSTS
Hi and thanks for using 2CarPros. Com.

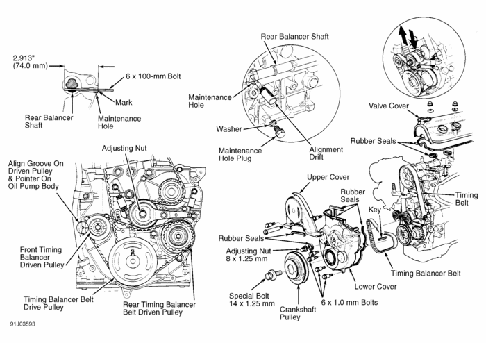
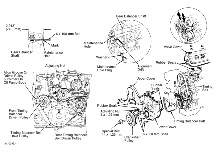
Here are the directions from Alldata specific to your vehicle to change the timing belt. Picture 1 correlates with these directions.
________________________________
Vehicle Powertrain Management Fuel Delivery and Air Induction Fuel Pump Fuel Pressure Testing and Inspection Component Tests and General Diagnostics
COMPONENT TESTS AND GENERAL DIAGNOSTICS
1. Relieve fuel pressure.
2. Remove the 12 mm sealing nut from the fuel rail. Attach the fuel pressure adapter nut, 12 mm (90201 - P0A - 003) and the special tool.
3. Start the engine. Measure the fuel pressure with the engine idling and the vacuum hose of the fuel pressure regulator disconnected from the fuel pressure regulator and pinched. If the engine will not start, turn the ignition switch on, wait for two seconds, turn it off, then back on again and read the fuel pressure.

Pressure should be: 260 - 310 kPa
(2.7 - 3.2 kgf/sq. Cm, 38 - 48 psi)

4. Reconnect vacuum hose to the fuel pressure regulator.

Pressure should be: 210 - 250 kPa
(2.1 - 2.8 kgf/sq. Cm, 30 - 37 psi)

If the fuel pressure is not as specified, first check the fuel pump.
If the fuel pump is OK, check the following:
- If the fuel pressure is higher than specified, inspect for:
- Pinched or clogged fuel return hose or line.
- Faulty fuel pressure regulator.
- If the fuel pressure is lower than specified, inspect for:
- Clogged fuel filter.
- Faulty fuel pressure regulator.
- Fuel line leakage.

________________________________________________

A quick way to determine if it is fuel related is to see if it will start for a few seconds using starting fluid.

________________________________________________

If it doesn't start with starting fluid, then I question the timing. Here are the directions specific to your vehicle from Alldata for timing belt replacement. The remaining pictures correlate with these. Take a look through it just to confirm you did it correctly.

________________________________________________

Removal

Removal
Vehicle Engine, Cooling and Exhaust Engine Timing Components Timing Belt Service and Repair Procedures Removal
REMOVAL
NOTE:
Replace the timing belt and timing balancer belt at 105,000 miles (168,000 km) according to the maintenance schedule (normal conditions/severe conditions).
If the vehicle regularly is driven in one or more of the following conditions, replace the timing belt and timing balance belt at 60,000 miles 100,000 km.
In very high temperatures (over 110°F, 43°C).
In very low temperatures (under -20°F, -29°C).
Turn the crankshaft pulley so the No. 1 piston is at Top Dead Center (TDC) before removing the belt.
Inspect the water pump. Refer to Cooling System.
The original radio has a coded theft protection circuit. Be sure to get the customer's code number before
- disconnecting the battery.
- removing the No. 39 (7.5 A) fuse from the underhood fuse/relay box.
- removing the radio.
After service, reconnect power to the radio and turn it on.
When the word "CODE" is displayed, enter the customer's 5-digit code to restore radio operation.

1. Disconnect the battery negative terminal first, then the positive terminal.
2. Remove the wheelwell splash shield.

3. Loosen the adjusting bolt and mounting nuts, then remove the Power Steering (P/S) pump belt.

4. Loosen the adjusting bolt, mounting bolt and locknut, then remove the alternator belt.
5. Remove the alternator terminal and connector.
6. Remove the side engine mount.

NOTE:
Use a jack to support the engine before the side engine mount is removed.
Make sure to place a cushion between the oil pan and the jack.
7. Remove the dipstick and the pipe.
8. Remove the cylinder head cover.
9. Remove the pulley bolt and crankshaft pulley.

10. Remove the rubber seal from the adjusting nut, then remove the upper and lower covers.

NOTE: Do not use the upper and lower covers for storing removed items.

11. Loosen the adjusting nut 2/3 - 1 turn. Push the tensioner to remove tension from the timing belt and timing balancer belt, then retighten the adjusting nut.

NOTE: When removing the timing balancer belt only:
Lock the timing belt adjuster arm in place by installing one of the 6 x 1.0 mm bolts.
Loosen the adjusting nut 2/3 - 1 turn. Push the tensioner to remove tension from the timing balancer belt, then retighten the adjusting nut.

12. Remove the timing balancer belt and timing belt.

____________________________

Replacement

Installation
Vehicle Engine, Cooling and Exhaust Engine Timing Components Timing Belt Service and Repair Procedures Installation
INSTALLATION
NOTE:
Install the timing belt and timing balancer belt in the reverse order of removal.
Only key points are described here.
When installing only the timing balancer belt, go to step 13.
Clean the upper and lower covers before installation.

1. Remove the timing balancer belt drive pulley.
2. Set the timing belt drive pulley so that the No. 1 piston is at Top Dead Center (TDC). Align the dimple on the tooth of the timing belt drive pulley with the V pointer on the oil pump.
3. Set the camshaft pulley so that the No. 1 piston is at TDC.
Align the TDC mark on the camshaft pulley with the cylinder head upper surface.
4. Install the timing belt tightly in the sequence shown.
(1) Timing belt drive pulley (crankshaft) -> (2) Adjusting pulley -> (3) Water pump pulley -> (4) Camshaft pulley.

NOTE: Make sure the timing belt drive pulley and camshaft pulley are at TDC.

5. Loosen and retighten the adjusting nut to tension the timing belt.
6. Install the timing balancer belt drive pulley and lower cover.
7. Install the crankshaft pulley, then tighten the pulley bolt.
8. Rotate the crankshaft pulley about 5 or 6 turns counterclockwise so that the timing belt positions on the pulleys.
9. Adjust the timing belt tension.
10. Make sure the crankshaft pulley and camshaft pulley are at TDC.
11. If the camshaft or crankshaft pulley is not positioned at TDC, remove the timing belt and adjust the positioning, then reinstall the timing belt.
12. Remove the crankshaft pulley and lower cover.
13. Set the timing belt drive pulley so that the No.1 piston at TDC.
14. Lock the timing belt adjuster arm in place by installing one of the 6 x 1.0 mm bolts.
15. Loosen the adjusting nut 2/3 - 1 turn, and verify that the timing balancer belt adjuster moves freely.
16. Push the tensioner to remove tension from the timing balancer belt, then retighten the adjusting nut.
17. Align the rear balancer shaft pulley by using a 6 x 100 mm bolt or equivalent as an tool.
Scribe a line 74 mm (2.9 inch) from the end of the bolt. Insert the bolt into the maintenance hole to the scribed line.
18. Align the groove on the front balancer shaft pulley with the pointer on the oil pump housing as shown.
19. Install the timing balancer belt. Loosen the adjusting nut 2/3-1 turn to tension the timing balancer belt.
20. Remove the 6 x 100 mm bolt from the rear balancer shaft, then install the 12 mm sealing bolt.
21. Install the crankshaft pulley, then tighten the pulley bolt.
22. Turn the crankshaft pulley about one turn counterclockwise, then tighten the adjusting nut.
23. Remove the 6 x 1.0 mm bolt from the timing belt adjuster arm.
24. Remove the crankshaft pulley, then install the lower cover.
25. Install the rubber seal around the adjusting nut.

NOTE: Do not loosen the adjusting nut.

26. Install the crankshaft pulley, then tighten the pulley bolt.
27. After installation, adjust the tension of each belt.

_________________________________________

Let me know if this helps or if you have other questions.

Take care,
Joe
Was this
answer
helpful?
Yes
No
Thursday, November 1st, 2018 AT 4:45 PM
Tiny
2CP-ARCHIVES
  • MEMBER
  • 4,540 POSTS
  • 1997 HONDA ACCORD
  • 148,000 MILES
4cyl ohc is it a interferece engine or a non interference engine?I changed the broken timing belt and it idles different but runs well. Is that because a valve could be jeaporidised? Can there be valve damge to one valve and still run. Should I assume because it runs there was no valve damage or are ther degrees of valve damage? Thanks so much
Was this
answer
helpful?
Yes
No
Monday, January 11th, 2021 AT 4:47 PM (Merged)
Tiny
KHLOW2008
  • MECHANIC
  • 41,814 POSTS
Yes, this is an interference engine but it does not necessarily mean the valve would be damaged. Usually when valves are damaged, it would be more than one.

Check the valve clearances, engine compression and ignition timing.
Was this
answer
helpful?
Yes
No
Monday, January 11th, 2021 AT 4:47 PM (Merged)
Tiny
DBRUNO720
  • MEMBER
  • 3 POSTS
  • 1997 HONDA ACCORD
  • 4 CYL
  • FWD
  • AUTOMATIC
  • 172,000 MILES
I changed the timing belt at 117,000 (manual recommended 105,000). What is the mileage interval for subsequent timing belt changes?
Was this
answer
helpful?
Yes
No
Monday, January 11th, 2021 AT 4:47 PM (Merged)
Tiny
BLUELIGHTNIN6
  • MECHANIC
  • 16,542 POSTS
Honda recommends replacing timing belt every 105,000 miles and inspecting it every 30,000 miles.
Was this
answer
helpful?
Yes
No
Monday, January 11th, 2021 AT 4:47 PM (Merged)
Tiny
DBRUNO720
  • MEMBER
  • 3 POSTS
Hi - Inspecting it will cost as much as replacing it. Does anyone know what the replacement interval is for this car after the first one?
Was this
answer
helpful?
Yes
No
Monday, January 11th, 2021 AT 4:47 PM (Merged)
Tiny
BLUELIGHTNIN6
  • MECHANIC
  • 16,542 POSTS
Its the same interval everytime.105,000 miles.
Was this
answer
helpful?
Yes
No
+1
Monday, January 11th, 2021 AT 4:47 PM (Merged)
Tiny
DBRUNO720
  • MEMBER
  • 3 POSTS
Thanks!
Was this
answer
helpful?
Yes
No
Monday, January 11th, 2021 AT 4:47 PM (Merged)
Tiny
AUDIOCR381VE
  • MEMBER
  • 1 POST
  • 1996 HONDA ACCORD
  • 4 CYL
  • 2WD
  • AUTOMATIC
  • 148,000 MILES
Hi guys, first of all, pleasure to be a new member of the forum.

I'm getting the timing belt done on my 1996 Accord LX, and I have a few questions about parts, and where to shop. I won't be doing the install myself, but I do need to buy ALL necessary parts for my mechanic.

1. When changing out the timing belt, I understand a few things get done like replacing the water pump. I heard a few other things need to be done too but I don't know the exact technical terms, I believe it's along the lines of crank shaft, or cam seals (don't know if that even makes sense). Anyway, that's my first question, what parts do I need to buy for my mechanic when performing a timing belt change?

2. Is it best to buy online? If so, what are the best online stores to buy these specific parts from?

All other advice on purchasing parts or anything would be greatly appreciated!

Respectfully,
Shane
Was this
answer
helpful?
Yes
No
Monday, January 11th, 2021 AT 4:48 PM (Merged)
Tiny
F4I_GUY
  • MECHANIC
  • 3,302 POSTS
I would purchase the following:

Timing belt, water pump, coolant, balance shaft belt, timing belt tensioner, accessory belts (if they haven't been changed recently) and camshaft and crankshaft seals.

In my opinion, the seals should only be replaced if they are leaking. But every mechanic has their own opinion on that.

For parts, I prefer purchasing them locally. That way if you have a problem with the parts, it'll be easy to swap them for the proper parts.
Was this
answer
helpful?
Yes
No
Monday, January 11th, 2021 AT 4:48 PM (Merged)
Tiny
TONY JOLLY
  • MEMBER
  • 1 POST
  • 1996 HONDA ACCORD
  • 6 CYL
  • FWD
  • AUTOMATIC
  • 12,600 MILES
Considering purchasing the car used for my son. I expect to have to have the timing belt changed. What is the appropriate mileage, and what would be a ball park cost.
Was this
answer
helpful?
Yes
No
Monday, January 11th, 2021 AT 4:48 PM (Merged)
Tiny
BLUELIGHTNIN6
  • MECHANIC
  • 16,542 POSTS
Timing belt for your vehicle should be replaced every 120,000 miles. An estimate is below for having your vehicle's timing belt replaced at a shop with labor rate of $70 an hour.


https://www.2carpros.com/forum/automotive_pictures/261618_Noname_580.jpg

Was this
answer
helpful?
Yes
No
Monday, January 11th, 2021 AT 4:48 PM (Merged)
Tiny
BCMULLEN95
  • MEMBER
  • 249 POSTS
  • 1996 HONDA ACCORD
  • 192,000 MILES
I have a 1996 Honda Accord EX 2.2L. Just replaced timing belt and balancer belt, the car will not turn over. Any ideas?
Was this
answer
helpful?
Yes
No
Monday, January 11th, 2021 AT 4:48 PM (Merged)
Tiny
BCMULLEN95
  • MEMBER
  • 249 POSTS
I have a feeling that I don't have everything line to to the correct timing marks. Do you have a diagram for the timing mark for the balancer shaft and oil pump and crank pulley. That is where I think I am not aligned.
Was this
answer
helpful?
Yes
No
Monday, January 11th, 2021 AT 4:48 PM (Merged)
Tiny
RIVERMIKERAT
  • MECHANIC
  • 6,110 POSTS
If the engine doesn't turn over, it's most likely an electrical issue. Was the batter and starter reconnected properly?
Here's some pictures for you. Find the one that most closely resembles your engine.
Was this
answer
helpful?
Yes
No
Monday, January 11th, 2021 AT 4:48 PM (Merged)
Tiny
BCMULLEN95
  • MEMBER
  • 249 POSTS
Yes the stater was never diconected and the cables were put back on correctly.
Was this
answer
helpful?
Yes
No
-1
Monday, January 11th, 2021 AT 4:48 PM (Merged)
Tiny
RIVERMIKERAT
  • MECHANIC
  • 6,110 POSTS
Ok. Make sure the battery is fully charged, then. The starter is what causes the engine to turn over when starting, so if the engine isn't turning over, the starter, battery, starter solenoid are the most likely culprits.

If you mean that the engine isn't starting, then you need to double check that you set the timing marks correctly.
Was this
answer
helpful?
Yes
No
Monday, January 11th, 2021 AT 4:48 PM (Merged)
Tiny
BCMULLEN95
  • MEMBER
  • 249 POSTS
If the balancer shaft is not aligned corectly what will happen with the car? The battery was dead somewhat, it started this morning. After looking at the diagrams I am concerned that the balancer shaft might be off a few teeth.
Was this
answer
helpful?
Yes
No
Monday, January 11th, 2021 AT 4:48 PM (Merged)
Tiny
RIVERMIKERAT
  • MECHANIC
  • 6,110 POSTS
If you mean the timing marks, they need to be as perfectly aligned as possible. Most Honda engines can be easily damaged by pistons slapping valves if these marks aren't properly aligned.
Was this
answer
helpful?
Yes
No
Monday, January 11th, 2021 AT 4:48 PM (Merged)
Tiny
BETOJASSO
  • MEMBER
  • 1 POST
  • 1996 HONDA ACCORD
Engine Mechanical problem
1996 Honda Accord 4 cyl Front Wheel Drive Automatic

the timing belt in my car got broked and want to replace it, but I will want to know if some thing else culd been afected in the motor because someone told me about it, or you think I just need to replace the timing belt, install it as it needs to be and it's gonna work like it was?
Was this
answer
helpful?
Yes
No
Monday, January 11th, 2021 AT 4:48 PM (Merged)

Please login or register to post a reply.