Tuesday, August 11th, 2020 AT 2:55 PM
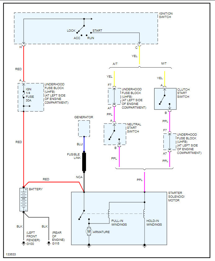
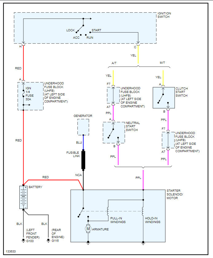
Sometimes the car wont start I mean nothing turn to start nothing. I have to push it to start it luckily it a manual. A mechanic I know said it was my solenoid my starter is behind the engine. I had the the starter bench tested by Advance Auto and it came out good. Rick a mechanic said was the solenoid. So I really don't know. When turn key not even a click.



