Starter replacement instructions please?

Tiny
OTTOMAN1500
  • MEMBER
  • 2007 CHEVROLET SILVERADO
  • 5.3L
  • V8
  • 4WD
  • AUTOMATIC
  • 200,000 MILES
I am trying to remove the starter to get at the cam positioning sensor. I have managed to cross thread one of the starter bolts but I got it out. I cannot see the top of the starter to disconnect the wires. I cannot visualize the starter from the top of the engine. Do you guys have a diagram or picture you can share? There are no videos on YouTube for this.
Saturday, August 25th, 2018 AT 4:57 PM

23 Replies

Tiny
ASEMASTER6371
  • MECHANIC
  • 52,796 POSTS
Good evening.

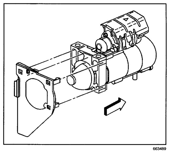
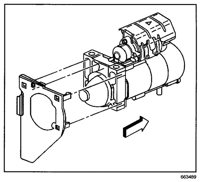
Did you remove the torque converter cover? I remove the two bolts and pull the starter down and then remove the wiring. My hands are way too big to get up there. Here is a guide to help you step by step with instructions in the diagrams below to show you how on your car.

https://www.2carpros.com/articles/how-to-replace-a-starter-motor

Check out the diagrams (Below). Please let us know what happens.
Was this
answer
helpful?
Yes
No
+1
Saturday, August 25th, 2018 AT 5:46 PM
Tiny
TILLETT
  • MEMBER
  • 1 POST
  • 2002 CHEVROLET SILVERADO
V8 Four Wheel Drive Manual 155000 miles

the starter motor on my pickup continues to engage after the engine is started. I have replaced the ignition and ignition switch it didn't work. Also when starting the engine it engages before the key is turned all the way starting the engine when the key is in the on position. Any ideas as to what it would be would be appreciated.
Was this
answer
helpful?
Yes
No
Thursday, February 4th, 2021 AT 10:02 AM (Merged)
Tiny
BLACKOP555
  • MECHANIC
  • 10,386 POSTS
Remove the starter solenoid signal wire from the starter relay and manually add 12v to the solenoid and see if engine will crank properly and starter disengages properly. How long does it stay engaged for? How do you disengage it.
Was this
answer
helpful?
Yes
No
Thursday, February 4th, 2021 AT 10:02 AM (Merged)
Tiny
B_SHERWOOD3
  • MEMBER
  • 1 POST
  • 2002 CHEVROLET SILVERADO
  • V8
  • 2WD
  • AUTOMATIC
  • 60,000 MILES
How do you change the starter on a 2002 chevy silverado, is it easy or a hard job?
Was this
answer
helpful?
Yes
No
Thursday, February 4th, 2021 AT 10:02 AM (Merged)
Tiny
JACOBANDNICKOLAS
  • MECHANIC
  • 110,192 POSTS
Hi:
It isn't too hard to replace. If you take a look through this link, it explains in general how one is replaced.

https://www.2carpros.com/articles/how-to-replace-a-starter-motor

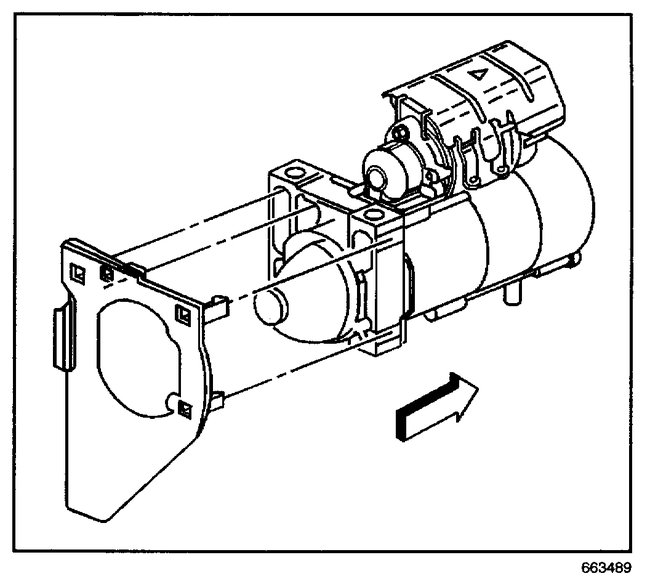
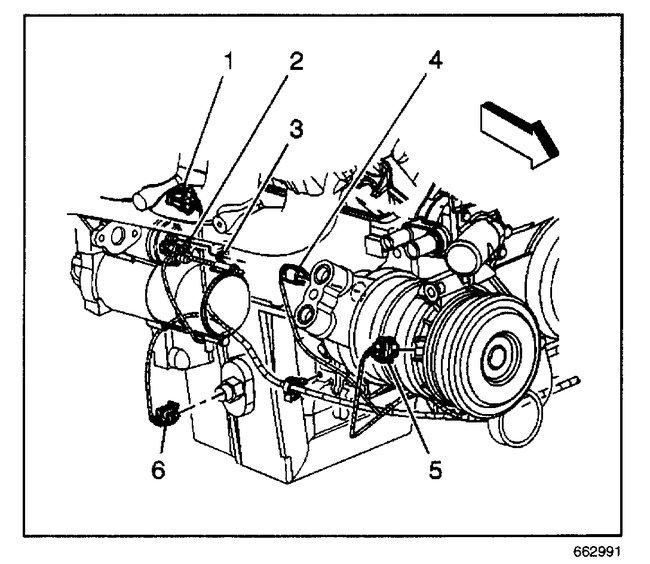
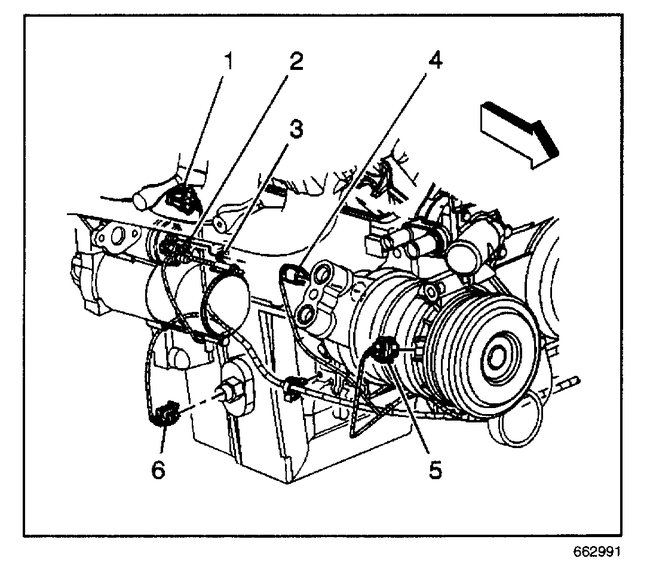
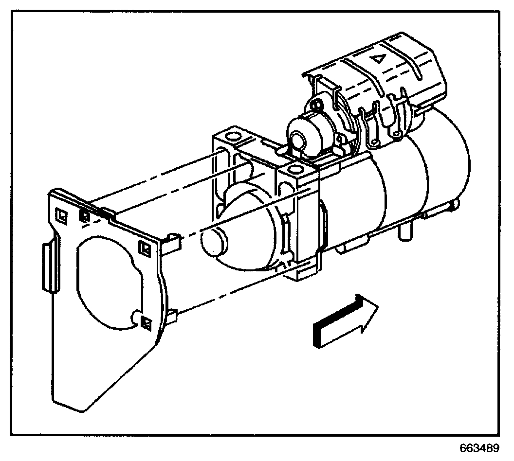
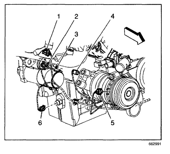
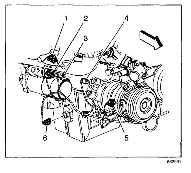
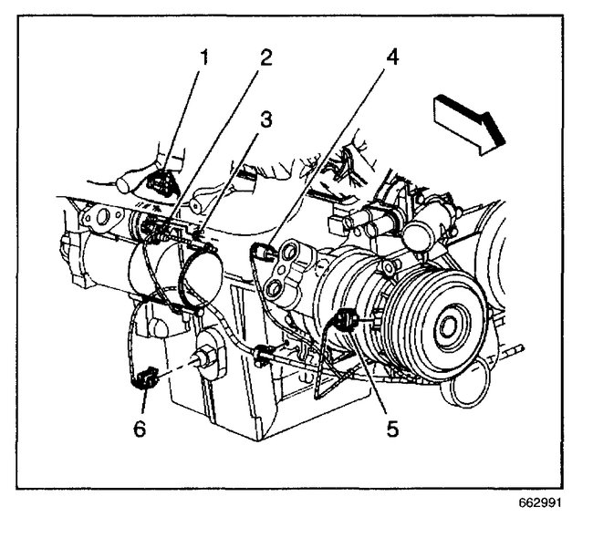
Here are the directions specific to your vehicle for replacement. The attached pictures correlate with the directions

_____________________________________________________________________

2002 Chevy Truck C 1500 Truck 2WD V8-5.3L VIN Z Flex Fuel
Starter Motor Replacement -2
Vehicle Starting and Charging Starting System Starter Motor Service and Repair Procedures Starter Motor Replacement -2
STARTER MOTOR REPLACEMENT -2
REMOVAL PROCEDURE

CAUTION: Refer to Battery Disconnect Caution In Service Precautions.

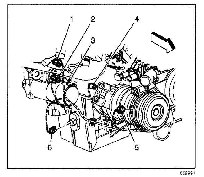
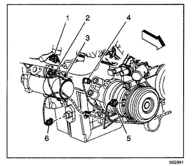
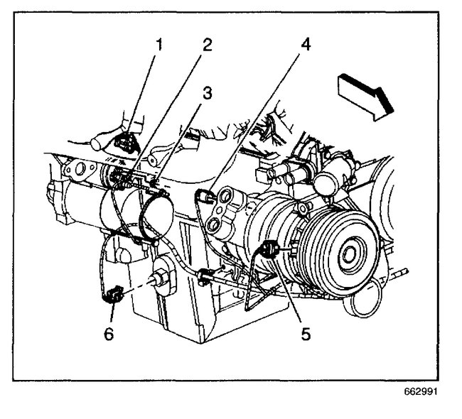
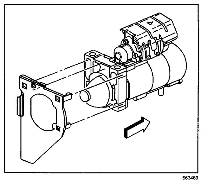
pic 1

1. Disconnect the negative battery cable.
2. Raise and suitably support the vehicle. Refer to Lifting and Jacking the Vehicle.

pic 2

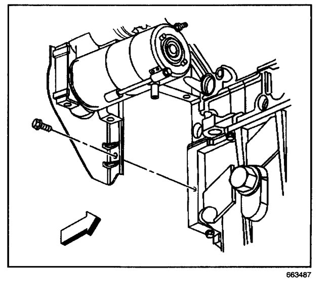
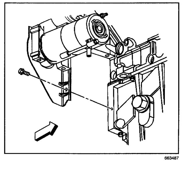
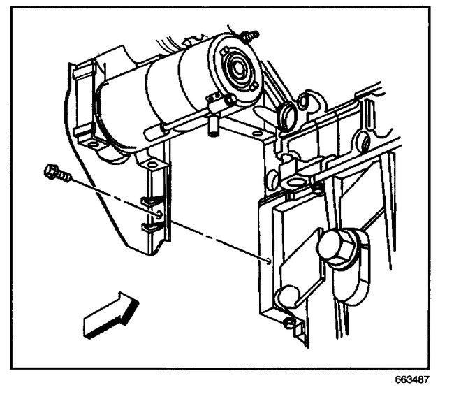
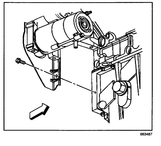
3. Remove the right transmission cover bolt.

pic 3

4. Remove the starter bolts.
5. Disconnect the oil level sensor electrical connector.
6. Slide the starter forward until the starter clears the transmission.

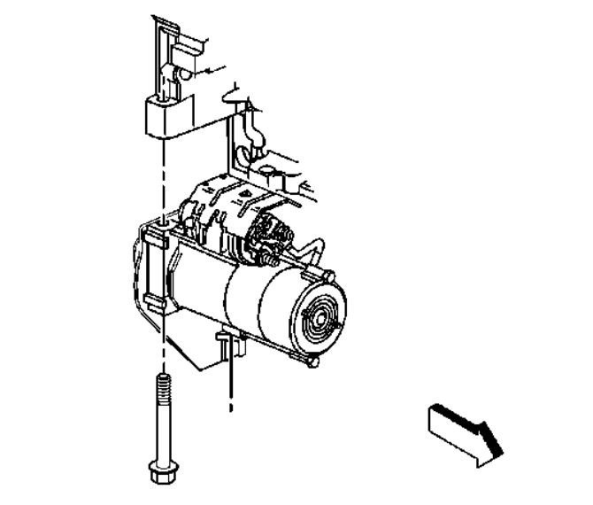
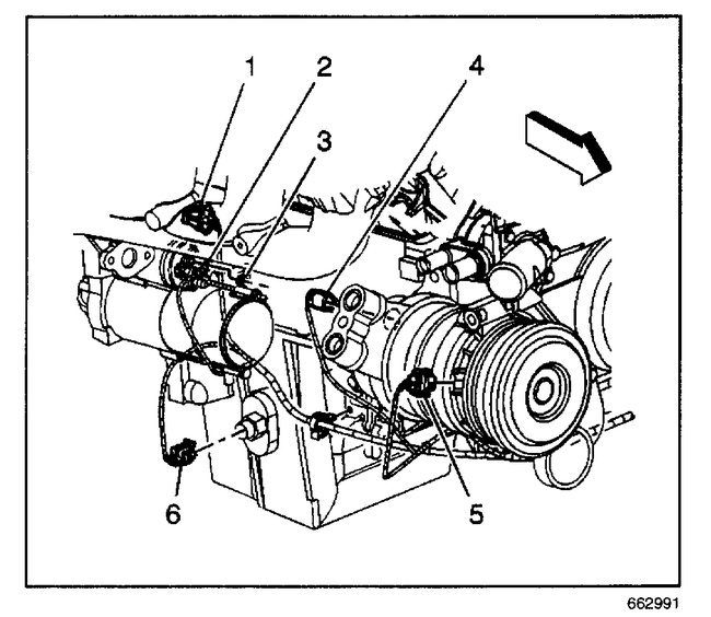
pic 4

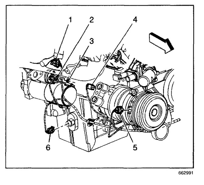
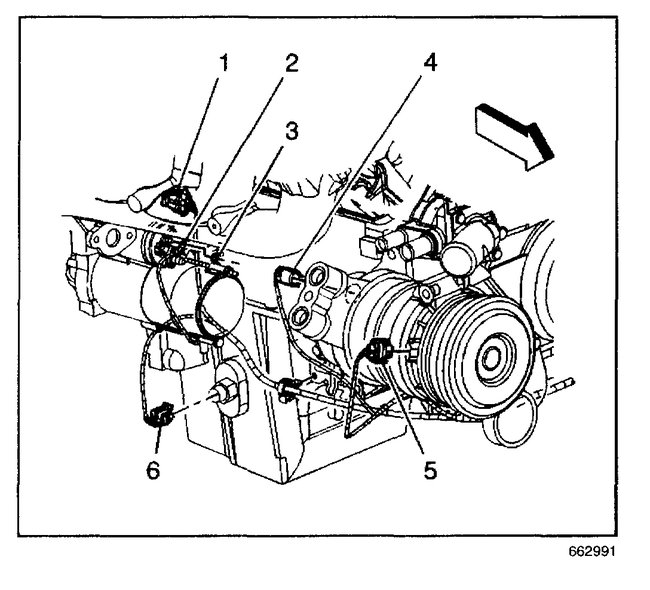
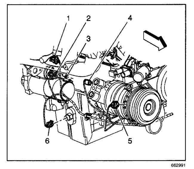
7. Remove the starter solenoid nut (3).
8. Remove the starter lead (2) from the solenoid stud.

pic 5

9. Remove the starter lead nut.
10. Remove the positive cable from the starter stud.
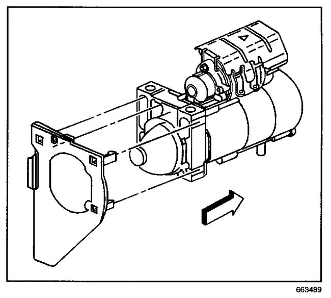
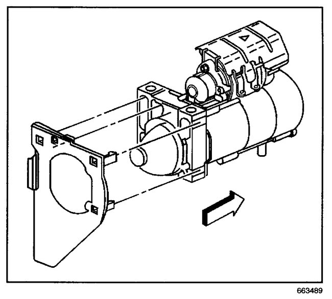
11. Place the starter on a workbench.

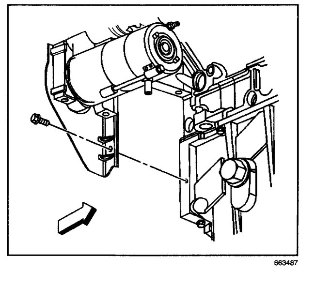
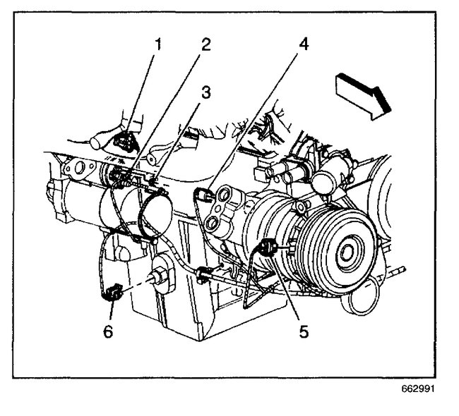
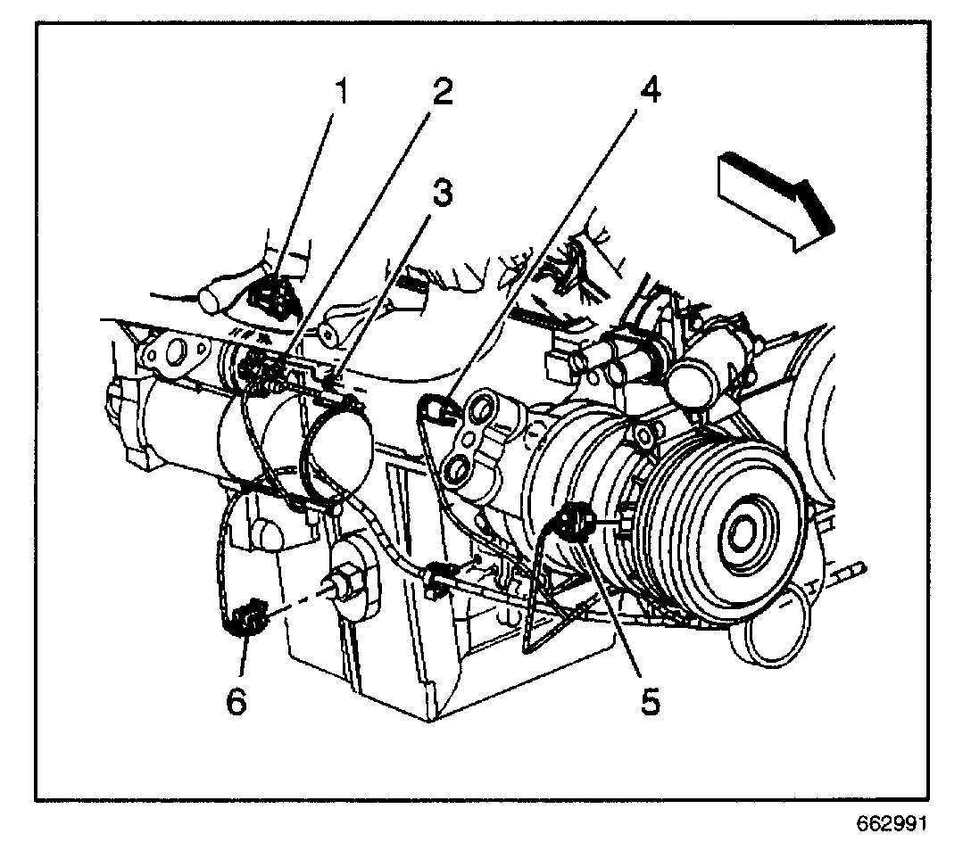
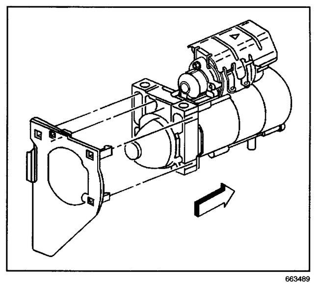
pic 6

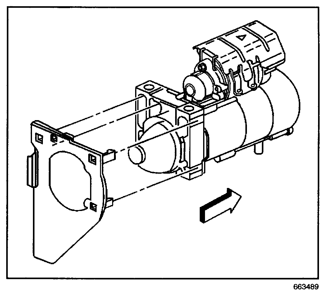
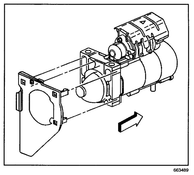
12. Unsnap the transmission cover from the starter.

pic 7

13. If necessary, remove the starter shield.

INSTALLATION PROCEDURE

pic 8

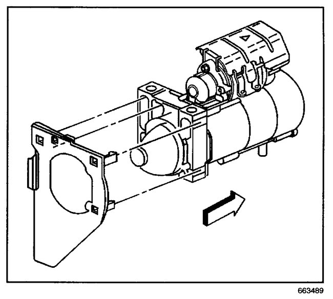
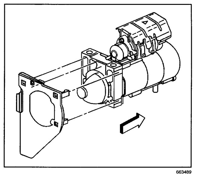
1. If necessary, install the starter shield.

pic 9

2. Snap the transmission cover to the starter.

pic 10

3. Install the positive cable to the starter stud.

NOTE: Refer to Fastener Notice in Service Precautions.

4. Install the starter lead nut.

Tighten
Tighten the starter lead nut to 9 N.m (80 lb in).

pic 11

5. Install the starter solenoid lead (2) to the solenoid stud.
6. Install the starter solenoid nut (3).

Tighten
Tighten the starter solenoid nut to 3.4 N.m (30 lb in).

pic 12

7. Snap the transmission cover onto the starter.
8. Slide the starter rearward.
9. Install the starter bolts.

Tighten
Tighten the starter bolts to 50 N.m (37 lb ft).

10. Connect the oil level sensor electrical connector.

pic 13

11. Install the right transmission cover bolt.

Tighten
Tighten the transmission cover bolt to 9 N.m (80 lb in).

12. Lower the vehicle.

pic 14

13. Connect the negative battery cable.

______________________________________________

I hope this helps. Let me know if you have other questions.

Take care and God Bless,

Joe
Was this
answer
helpful?
Yes
No
Thursday, February 4th, 2021 AT 10:02 AM (Merged)
Tiny
CLIDBERG
  • MEMBER
  • 2 POSTS
  • 1999 CHEVROLET SILVERADO
I need to replace the starter on my 1999 Chevy Silverado 1500 (5.3 liter 115K miles). I have gotten the two bolts off, but am having trouble getting the darn thing out. Is there any easier way? Should I be removing the wires prior to getting it out? It feels like there is not enough room to back it all the way out. Please help! Thanks.
Was this
answer
helpful?
Yes
No
-1
Thursday, February 4th, 2021 AT 10:03 AM (Merged)
Tiny
DENNYP
  • MECHANIC
  • 1,824 POSTS
There should be a plastic shield on the transmission bellhousing. It is held on with one small bolt. Removing this will give you a little moe room. As far as getting the starter out, it's tough but it will come out with the wires attatched.A couple good curse words usually works for me.
Was this
answer
helpful?
Yes
No
Thursday, February 4th, 2021 AT 10:03 AM (Merged)
Tiny
JOE1953
  • MEMBER
  • 819 POSTS
  • 1994 CHEVROLET SILVERADO
  • 100,000 MILES
How much labor costs to replace a starter?
Was this
answer
helpful?
Yes
No
Thursday, February 4th, 2021 AT 10:06 AM (Merged)
Tiny
JDL
  • MECHANIC
  • 16,098 POSTS
As far as the time, factory spec says almost 1/2 hour. Sometimes that factory spec isnt real world. And it depends on what the shop charges per hour. Id say it will cost at least a 100 bucks for labor plus the cost of the starter. If you do the work yourself, there is no labor charge.
Was this
answer
helpful?
Yes
No
Thursday, February 4th, 2021 AT 10:06 AM (Merged)
Tiny
JOE1953
  • MEMBER
  • 819 POSTS
What those the little shop charge per hour.
Was this
answer
helpful?
Yes
No
Thursday, February 4th, 2021 AT 10:06 AM (Merged)
Tiny
JDL
  • MECHANIC
  • 16,098 POSTS
It can differ from one shop to another. I'd say generally 75 to a 100 bucks an hour for labor. You can call a shop on the phone and get an estimate. See what you think.
Was this
answer
helpful?
Yes
No
+1
Thursday, February 4th, 2021 AT 10:06 AM (Merged)
Tiny
KAT SCHILKE
  • MEMBER
  • 2 POSTS
  • 1992 CHEVROLET SILVERADO
  • 230 MILES
Need to replace starter on my truck. It is a Scottsdale there was NO DROP down for that style. How does one remove the starter?
Was this
answer
helpful?
Yes
No
Thursday, February 4th, 2021 AT 10:06 AM (Merged)
Tiny
RASMATAZ
  • MECHANIC
  • 75,992 POSTS
REMOVAL & INSTALLATION

ALL EXCEPT "T" & "U" SERIES
NOTE:If shims are installed between starter and engine, note and record the arrangement for installation reference.

Disconnect negative battery cable. Raise and support vehicle. Remove starter braces and shields (if equipped). Disconnect electrical wiring from starter solenoid.
Remove starter mounting bolts. Remove shims and note arrangement for reassembly. Remove starter. To install, reverse removal procedure. Ensure shims are installed in original location. Tighten bolts or nuts to specifications.
Was this
answer
helpful?
Yes
No
Thursday, February 4th, 2021 AT 10:06 AM (Merged)
Tiny
KAT SCHILKE
  • MEMBER
  • 2 POSTS
  • 1992 CHEVROLET SILVERADO
  • 230 MILES
My truck has a clutch slave cylinder how do you remove a starter with that type of issue. HOW do you to remove the clutch slave cylinder or do I need to?

Thanks :)
Was this
answer
helpful?
Yes
No
Thursday, February 4th, 2021 AT 10:06 AM (Merged)
Tiny
KEN L
  • MASTER CERTIFIED MECHANIC
  • 55,297 POSTS
Hi Kat,

You must remove the engine mount bolts on one side then jack the engine one on one side to gain clearance then remove the starter.

https://www.2carpros.com/articles/how-to-replace-a-starter-motor

and

https://www.2carpros.com/articles/jack-up-and-lift-your-car-safely

Please run down these guides and report back.
Was this
answer
helpful?
Yes
No
Thursday, February 4th, 2021 AT 10:06 AM (Merged)
Tiny
COOP122
  • MEMBER
  • 2 POSTS
  • 1987 CHEVROLET SILVERADO
Trying to install starter?
Was this
answer
helpful?
Yes
No
Thursday, February 4th, 2021 AT 10:07 AM (Merged)
Tiny
BLUELIGHTNIN6
  • MECHANIC
  • 16,542 POSTS
The starters on some engines require the addition of shims to provide proper clearance between the starter pinion gear and the flywheel. The shims are available in 0.015 inch sizes from General Motors dealers.

1. Disconnect the battery ground cable.
2. Raise and support the vehicle with jackstands.
3. Disconnect and tag all wires at the solenoid terminals.

Sometimes, the wire fasteners may be extremely difficult to reach with the starter installed. If the wires cannot be disconnected, wait until the starter bolts and removed and the starter can be lowered slightly for better access, but do not allow the starter to hang by the wires or they could be damaged.

4. Reinstall all nuts as soon as they are removed, since the thread sizes are different.
5. If equipped, remove the mounting bracket nuts or bolts, as applicable.
6. On engines with a solenoid heat shield, remove the front bracket upper bolt and detach the bracket from the starter.
7. Support the starter by hand, then loosen and remove the 2 mounting bolts. Lower the starter front end first, and then remove the unit from the truck. If any shims were installed between the starter and the engine block, note the size and location of the shims to assure proper installation.
8. Reverse the removal procedures to install the starter. If any shims were present, be sure to reposition them as noted during removal in order to assure proper starter operation. Torque the two mounting bolts to 25-35 ft. Lbs.
Was this
answer
helpful?
Yes
No
-1
Thursday, February 4th, 2021 AT 10:07 AM (Merged)
Tiny
MORRIST76
  • MEMBER
  • 2 POSTS
  • 1986 CHEVROLET SILVERADO
  • V8
  • 2WD
  • AUTOMATIC
  • 22,500 MILES
Good day,

Please excuse my ignorance however, trying to determine the size of my 86 Chevy Silverado engine (V8). Engine is original. Is there an easy way to determine same? Additionally, I need to replace the starter. Is this something that can easily be done?
Was this
answer
helpful?
Yes
No
Thursday, February 4th, 2021 AT 10:07 AM (Merged)
Tiny
INTERNETMECHANIC
  • MECHANIC
  • 700 POSTS
Front driver-side corner of dash, there should be a vin number, eight place, is for engine. Vin F & H are both 5.O litre engines. Vin M is a 5.7L engine. Look through the windshield to see vin. If you want to go further, you can get casting numbers off cylinder head and engine block.

To take a starter off, I usually take the negative battery cable loose. Take wiring loose from starter solenoid, take bolts from starter, remove starter. If there are any shims for starter, you need to reuse, same placement. For me, removing a starter, you have to deal with what you run into, you can't use the same exact procedure on every vehicle. Sometimes you have to drop the starter a little, to remove solenoid wires. Sometimes after everything is loose, you have to work the starter into a wierd position, to get it to drop through a small opening, sometimes you have to loosen bolts on the exhaust pipe to get a little more room. You just have to deal with what you run into.
Was this
answer
helpful?
Yes
No
Thursday, February 4th, 2021 AT 10:07 AM (Merged)
Tiny
MORRIST76
  • MEMBER
  • 2 POSTS
TO internetmechanic

Sincerest thanks for all your help!

Brgds
Was this
answer
helpful?
Yes
No
Thursday, February 4th, 2021 AT 10:07 AM (Merged)

Please login or register to post a reply.