Will not start and there is no clicking noise

Tiny
COREY GIBSON
  • MEMBER
  • 1998 SUBARU FORESTER
  • 2.3L
  • 4 CYL
  • 4WD
  • MANUAL
  • 304,000 MILES
My vehicle listed above won't start and makes no clicking noise, but also my lights and radio still work. What could be causing this and how do I fix it?
Monday, August 10th, 2020 AT 10:46 AM

1 Reply

Tiny
JACOBANDNICKOLAS
  • MECHANIC
  • 110,194 POSTS
Hi,

This can be a few things. A bad starter can cause it as well as a starter relay, wiring, or even a fuse.

First, see if the vehicle starts in neutral.

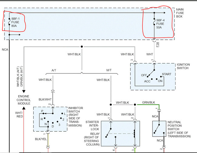
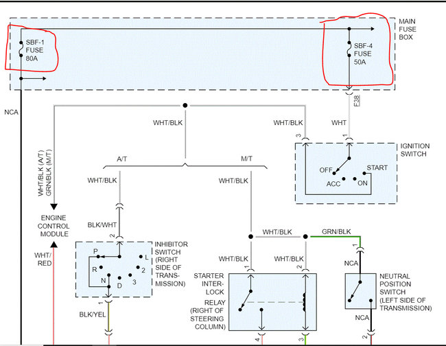
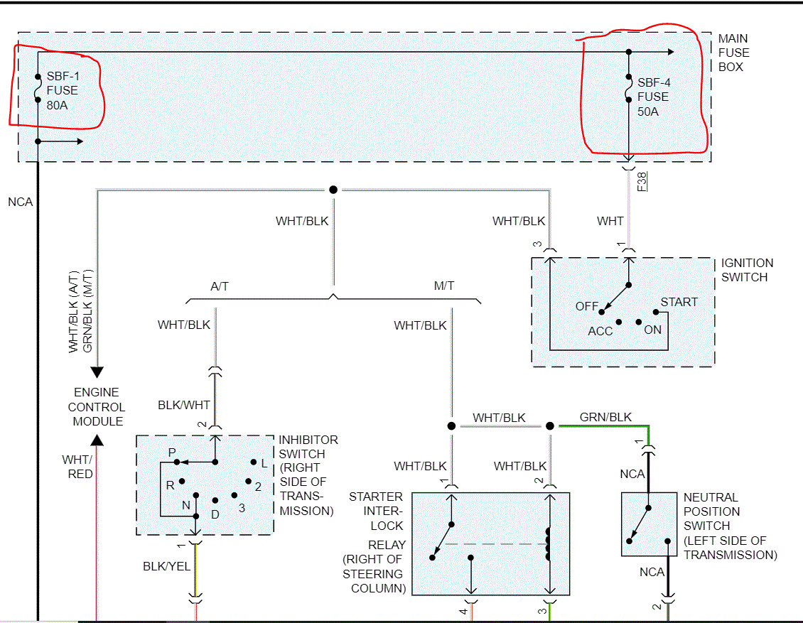
What I need you to do next is check a main fuse that are in the under hood fuse box. I attached a pic below of the wiring and circled the fuses. Pic 2 shows fuse location and pic 3 shows the fuse box location under the hood.

In addition to just checking the fuse, I need you to confirm there is power at that fuse. Here is a link you may find helpful:

https://www.2carpros.com/articles/how-to-check-a-car-fuse

Lets start with that and if you find everything is okay, we'll move on.

Take care,

Joe

Was this
answer
helpful?
Yes
No
Monday, August 10th, 2020 AT 8:26 PM

Please login or register to post a reply.