STARTER OR FLYWHEEL GRINDING AFTER TURNING ENGINE OFF

Tiny
ZOLATOY
  • MEMBER
  • 18 POSTS
THE ONLY POWER I GET IS IN THE TOP POINT, THE OTHER 3 POINTS HAVE NO POWER IN THE ACC KEY ON POSITION
Was this
answer
helpful?
Yes
No
Sunday, October 2nd, 2016 AT 2:05 PM
Tiny
AL514
  • MECHANIC
  • 5,595 POSTS
Flip the relay upside down, the pins will be labelled with a number
Was this
answer
helpful?
Yes
No
Sunday, October 2nd, 2016 AT 2:23 PM
Tiny
ZOLATOY
  • MEMBER
  • 18 POSTS
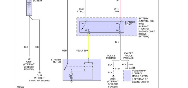
OH.I GET POWER IN PIN 30 WEATHER IN ACC MODE (KEY IN) OR NO KEY.
Was this
answer
helpful?
Yes
No
Sunday, October 2nd, 2016 AT 2:31 PM
Tiny
AL514
  • MECHANIC
  • 5,595 POSTS
Ok that's correct. Pin 30 should have power all the time. But you are not getting any power on pin 86 in ACC? Pin 86 comes from the ignition switch and should only have power in START.
Was this
answer
helpful?
Yes
No
Sunday, October 2nd, 2016 AT 2:35 PM
Tiny
ZOLATOY
  • MEMBER
  • 18 POSTS
THE MODEL IS 2006 CROWN VIC LX, NON POLICE
Was this
answer
helpful?
Yes
No
Sunday, October 2nd, 2016 AT 2:36 PM
Tiny
ZOLATOY
  • MEMBER
  • 18 POSTS
NONE IN 86
Was this
answer
helpful?
Yes
No
Sunday, October 2nd, 2016 AT 2:39 PM
Tiny
AL514
  • MECHANIC
  • 5,595 POSTS
Can you swap the relay with one just like it in that fuse box? I'm assuming the car doesn't crank with that relay out
Was this
answer
helpful?
Yes
No
Sunday, October 2nd, 2016 AT 2:49 PM
Tiny
AL514
  • MECHANIC
  • 5,595 POSTS
Pin 30 to 87 give the starter solenoid its power
Was this
answer
helpful?
Yes
No
Sunday, October 2nd, 2016 AT 2:50 PM
Tiny
AL514
  • MECHANIC
  • 5,595 POSTS
Pin 87 goes straight to the starter solenoid.
Was this
answer
helpful?
Yes
No
Sunday, October 2nd, 2016 AT 3:00 PM
Tiny
AL514
  • MECHANIC
  • 5,595 POSTS
https://www.2carpros.com/questions/key-is-stuck-in-the-ignition this looks interesting.............
Was this
answer
helpful?
Yes
No
Sunday, October 2nd, 2016 AT 3:32 PM
Tiny
ZOLATOY
  • MEMBER
  • 18 POSTS
THANK YOU AL514 YOUR INFORMATION AND KNOWLEDGE IS GREAT ! JUST GOT THE STARTER TO WORK CORRECTLY.
Was this
answer
helpful?
Yes
No
Sunday, October 2nd, 2016 AT 6:02 PM
Tiny
ZOLATOY
  • MEMBER
  • 18 POSTS
COMMON SENSE, PERSISTENCE AND PERSEVERANCE PAID OFF. THIS TIME. I WAS JUST ABOUT TO GIVE UP AND TAKE IT TOMORROW TO A CERTIFIED MECHANIC. BUT WAS HESITANT BECAUSE I KNOW IT'S AN ELECTRICAL PROBLEM. BUT I SOLVED THE PROBLEM BY. DISCONNECTING THE BATTERY, REMOVING THE NEW IGNITION SWITCH, , SPINNING THE KEY IN THE IGNITION AS IF I WERE TRYING TO START IT AND THEN TURNING THE KEY BACK TO THE OFF POSITION A COUPLE OF TIMES, THEN RE INSERTING THE NEW IGNITION SWITCH, AND, PRESTO! THANKS AGAIN AS I WOULDN'T HAVE HAD THE PERSEVERANCE WITH OUT YOUR HELP, (THE CAR HAS BEEN STUCK FOR OVER 2 WEEKS.
Was this
answer
helpful?
Yes
No
Sunday, October 2nd, 2016 AT 6:27 PM
Tiny
ZOLATOY
  • MEMBER
  • 18 POSTS
GOING FOR RIDE!
Was this
answer
helpful?
Yes
No
Sunday, October 2nd, 2016 AT 6:29 PM
Tiny
AL514
  • MECHANIC
  • 5,595 POSTS
Glad we could help, seems like your patience paid off the most. We would have figured it out eventually, I knew we were close. Cheers!
Was this
answer
helpful?
Yes
No
Sunday, October 2nd, 2016 AT 11:11 PM
Tiny
ZOLATOY
  • MEMBER
  • 18 POSTS
WHAT IS THE DIFFERENCE BETWEEN NON PROJECTED SPARK PLUG AND PROJECTED TIP SPARK PLUG?
Was this
answer
helpful?
Yes
No
Tuesday, October 4th, 2016 AT 9:37 PM
Tiny
KEN L
  • MASTER CERTIFIED MECHANIC
  • 55,469 POSTS
Please start a new question for this subject
Was this
answer
helpful?
Yes
No
Wednesday, October 5th, 2016 AT 9:56 AM

Please login or register to post a reply.