Sunday, January 15th, 2023 AT 9:54 PM
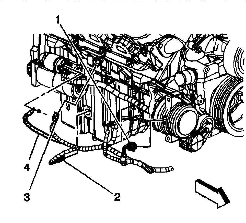
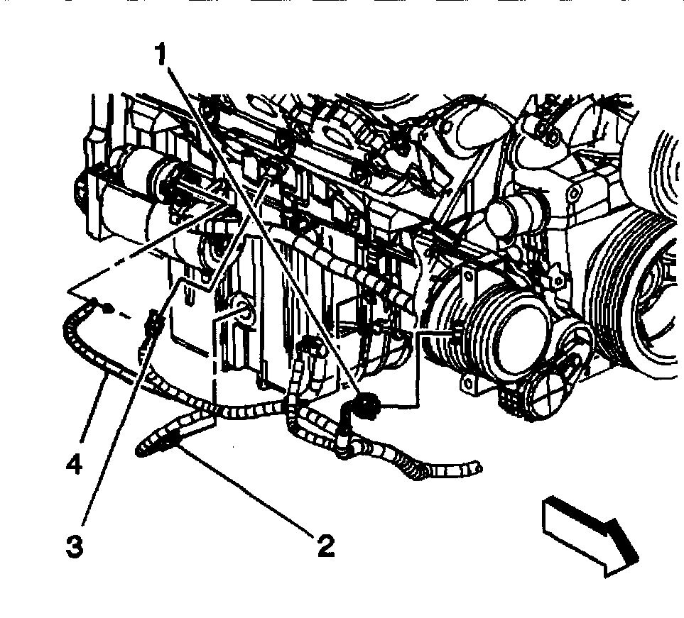
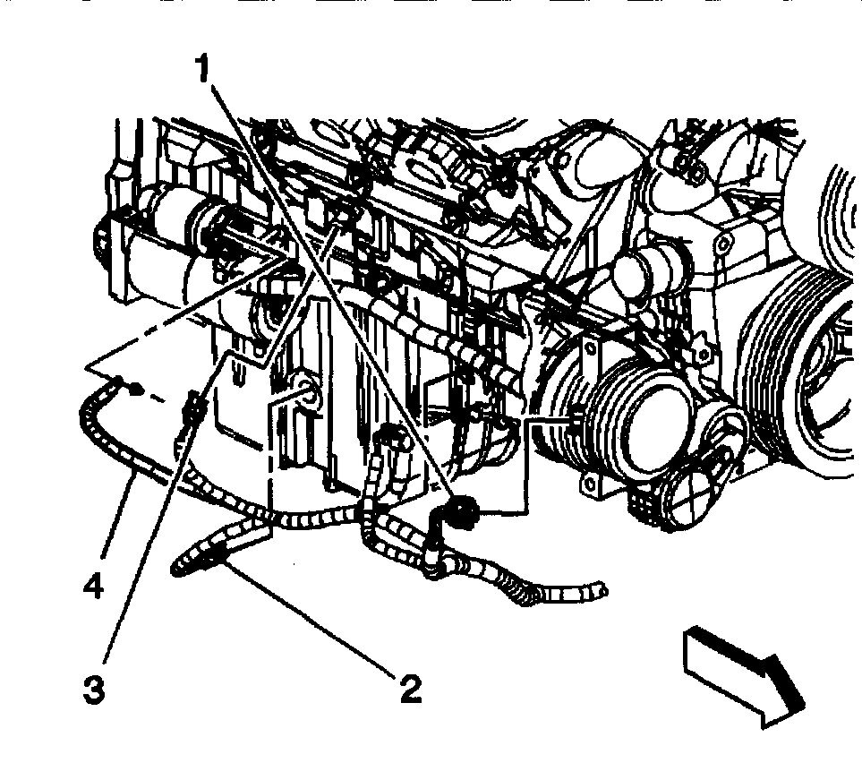
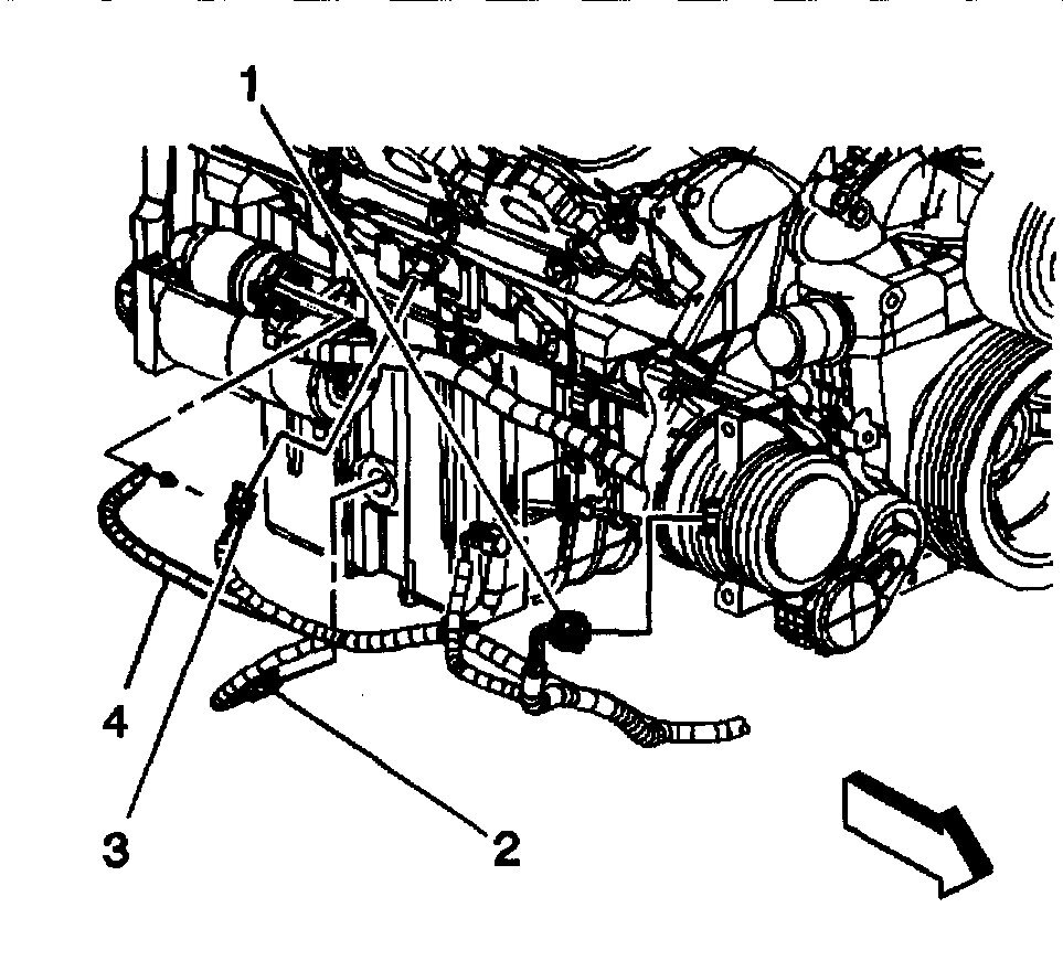
I have the truck listed above 2500 hd 8.1 Allison transmission that was swapped from a manual to auto and I can't find starter that fits.



