Ignition starter switch

Tiny
MAX NGUYEN
  • MEMBER
  • 1992 CHEVROLET SILVERADO
  • 5.7L
  • V8
  • 2WD
  • AUTOMATIC
  • 200,000 MILES
The rod coming from the steering wheel with an offset, which side does it hook on and how do I install it?
Saturday, April 22nd, 2017 AT 3:07 PM

3 Replies

Tiny
STEVE W.
  • MECHANIC
  • 15,700 POSTS
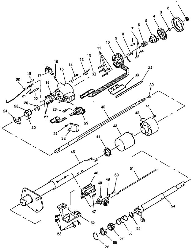
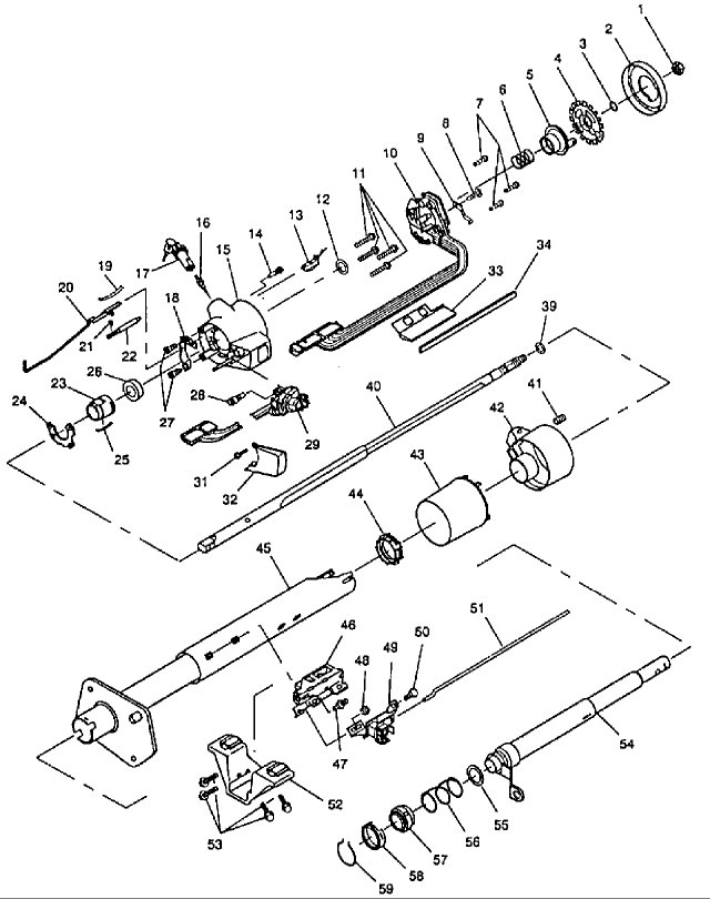
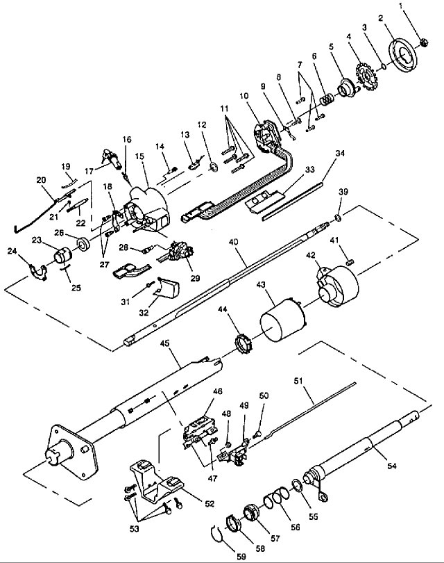
The switch should have a pin that holds it in place as you bolt it to the left side of the column. See the picture attached. Make sure the key is in the off/locked position, then the rod goes into the end of the switch. Bolt it on and remove the pin that secured it. Test for proper operation.
Was this
answer
helpful?
Yes
No
Saturday, April 22nd, 2017 AT 3:45 PM
Tiny
MAX NGUYEN
  • MEMBER
  • 2 POSTS
Which side of the switch for the rod to go. In? There are opening on both side of the switch.
Was this
answer
helpful?
Yes
No
Saturday, April 22nd, 2017 AT 5:22 PM
Tiny
STEVE W.
  • MECHANIC
  • 15,700 POSTS
It will only mount one way. The switch activates when it moves away from the steering wheel.
Was this
answer
helpful?
Yes
No
Saturday, April 22nd, 2017 AT 5:54 PM

Please login or register to post a reply.