XTooltipElement
Service Information
2002 Chevrolet Chevy K Silverado - 4WD | Sierra, Silverado (VIN C/K) Service Manual | Document ID: 642721
Starter Replacement (4.8L, 5.3L, and 6.0L Engines)
Removal Procedure
Caution: Refer to Battery Disconnect Caution in the Preface section.
Disconnect the negative battery cable. Refer to Battery Negative Cable Disconnection and Connection .
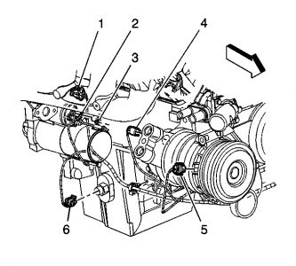
Remove the engine oil level indicator tube fasteners and position aside. Refer to Oil Level Indicator and Tube Replacement .
Raise and suitably support the vehicle. Refer to Lifting and Jacking the Vehicle in General Information.
Remove the right transmission cover bolt.
Remove the starter bolts.
Disconnect the oil level sensor electrical connector.
Slide the starter forward until the starter clears the transmission.
Remove the starter solenoid nut (3).
Remove the starter lead (2) from the solenoid stud.
Remove the starter lead nut.
Remove the positive cable from the starter stud.
Place the starter on a workbench.
Unsnap the transmission cover from the starter.
If necessary, remove the starter shield.
Installation Procedure
If necessary, install the starter shield.
Snap the transmission cover to the starter.
Notice: Refer to Fastener Notice in the Preface section.
Install the positive cable to the starter stud.
Install the starter lead nut.
Tighten
Tighten the starter lead nut to 9 N Â m (80 lb in).
Install the starter solenoid lead (2) to the solenoid stud.
Install the starter solenoid nut (3).
Tighten
Tighten the starter solenoid nut to 3.4 N Â m (30 lb in).
Snap the transmission cover onto the starter.
Slide the starter rearward.
Install the starter bolts.
Tighten
Tighten the starter bolts to 50 N Â m (37 lb ft).
Connect the oil level sensor electrical connector.
Install the right transmission cover bolt.
Tighten
Tighten the transmission cover bolt to 9 N Â m (80 lb in).
Lower the vehicle.
Install the engine oil level indicator tube. Refer to Oil Level Indicator and Tube Replacement .
Connect the negative battery cable. Refer to Battery Negative Cable Disconnection and Connection .
© 2008 General Motors Corporation. All rights reserved.






Friday, November 21st, 2008 AT 8:54 AM