Starting issue

Tiny
OZFTEDPHOTOGRAPHY
  • MEMBER
  • 2006 NISSAN MAXIMA
  • 3.5L
  • V6
  • 2WD
  • AUTOMATIC
  • 247,000 MILES
Yesterday I was going to out to lunch, and my car didn't want to turn on. I jumped the car and it worked, and has been working fine ever since. I went to go check out the battery, and they said the battery is at 100%. Another mechanic said it might be the starter, but if it was the starter wouldn't the car not start? Why did the car start with a jump? Maybe a blown fuse?
The car is listed above SE model.
The alternator was also just changed.
Friday, September 27th, 2019 AT 4:32 PM

6 Replies

Tiny
JACOBANDNICKOLAS
  • MECHANIC
  • 110,194 POSTS
Welcome to 2CarPros.

Since it started with a jump, the most common problem is a loose or corroded battery terminal connection. When the clamp of the cables is attached, it tightens the terminal and allows it to start. Check that first.

https://www.2carpros.com/articles/everything-goes-dead-when-engine-is-cranked

If it appears everything is good with the cables, it could be the beginning of the starter going bad. If it happens again, follow the directions in this link. It explains how to check a starter. Basically, there are two primary wires on the starter. One direct from the battery positive and a smaller wire. The larger wire from the starter always has 12v of power. The smaller wire has 12v only when the key is in the start position. If you check it and there is power always to the larger wire and power to the smaller wire when the key is turned to the start position, replace the starter.

Here are the directions for testing:

https://www.2carpros.com/articles/starter-not-working-repair

If you determine the starter is bad, here is a link that shows how in general it is replaced:

https://www.2carpros.com/articles/how-to-replace-a-starter-motor

____________________________________

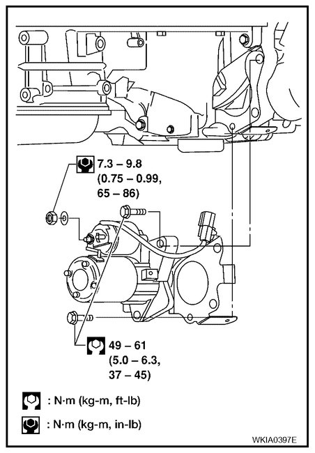
Here are the directions specific to your vehicle for removal and replacement of the starter. The attached pics correlate with the directions.

___________________________________

2006 Nissan-Datsun Maxima V6-3.5L (VQ35DE)
Procedures
Vehicle Starting and Charging Starting System Starter Motor Service and Repair Procedures
PROCEDURES
Removal and Installation

M/T MODELS

Removal
1. Disconnect the negative battery terminal.
2. Raise and support the vehicle.
3. Remove the harness protector from the starter engine room harness.
4. Disconnect the starter harness connectors.

pic 1

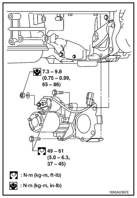
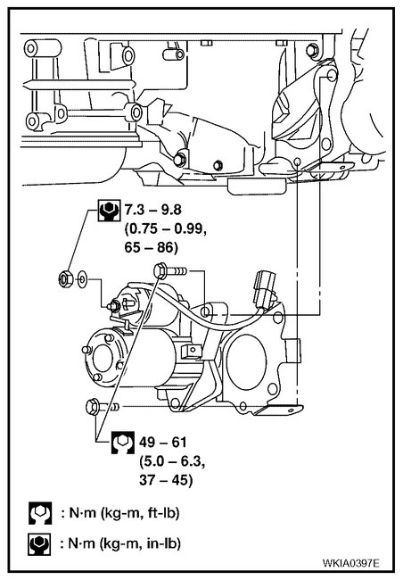
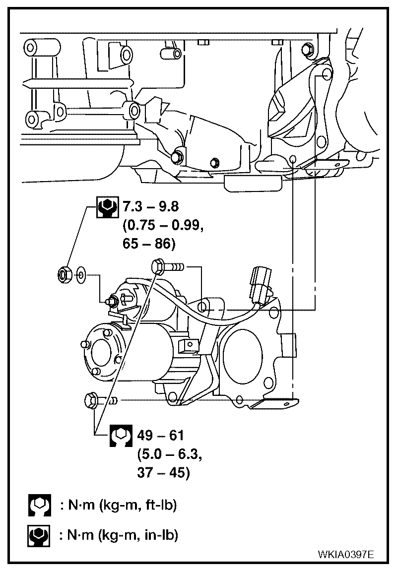
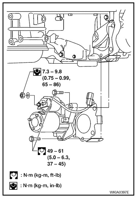
5. Remove the two starter mounting bolts, using power tools.
6. Remove the starter.

pic 2

Installation
To install, reverse the removal procedure.

A/T MODELS

Removal
1. Disconnect the negative battery terminal.

pic 3

2. Remove the starter insulator.
3. Remove the harness bracket and harness protector from the starter engine room harness.
4. Disconnect the starter harness connectors.

pic 4

5. Remove the two starter bolts, using power tools.
6. Remove the starter.

Installation
Installation is in the reverse order of removal.

__________________________________

If you find that there is no power to the smaller wire, let me know. It could be a few things and we will have to work through them together.

Let me know.

Joe
Was this
answer
helpful?
Yes
No
+1
Friday, September 27th, 2019 AT 7:53 PM
Tiny
OZFTEDPHOTOGRAPHY
  • MEMBER
  • 4 POSTS
Thank you for the response! Would this count as a corroded battery terminal?
Was this
answer
helpful?
Yes
No
Friday, September 27th, 2019 AT 8:38 PM
Tiny
JACOBANDNICKOLAS
  • MECHANIC
  • 110,194 POSTS
Welcome back:

They look good. Are they tight? Are you able to move them with your hands?

Joe
Was this
answer
helpful?
Yes
No
Friday, September 27th, 2019 AT 9:05 PM
Tiny
OZFTEDPHOTOGRAPHY
  • MEMBER
  • 4 POSTS
Yes they are very tight, little to no wiggle.
Was this
answer
helpful?
Yes
No
Friday, September 27th, 2019 AT 9:07 PM
Tiny
OZFTEDPHOTOGRAPHY
  • MEMBER
  • 4 POSTS
The car is running normal. Starts up fast, no hesitation. I ordered a starter, but now reading about it I don’t think it’s the starter.
Was this
answer
helpful?
Yes
No
Friday, September 27th, 2019 AT 9:17 PM
Tiny
JACOBANDNICKOLAS
  • MECHANIC
  • 110,194 POSTS
The terminals shouldn't wiggle at all. As far as the starter, it's possible. The only way to be sure is to check it when the car won't start.

https://www.2carpros.com/articles/starter-not-working-repair

Let me know if I can help.

Joe
Was this
answer
helpful?
Yes
No
Sunday, September 29th, 2019 AT 4:51 PM

Please login or register to post a reply.