No crank no start issue

Tiny
RAY SCOTT2
  • MEMBER
  • 2012 HYUNDAI ELANTRA
  • 1.8L
  • 4 CYL
  • 2WD
  • AUTOMATIC
  • 185,000 MILES
A coworker's vehicle I've been trying to figure out why it won't start? Replaced the starter, alternator, battery, and the ignition switch, neutral safety switch/inhibitor. The light on the dash flicker when you put the key in the ignition and turn it to the on position. But when you push the brake to crank vehicle to start the dash turns off. There is a ticking noise in the fuse box, all the fuses are good. The starter is getting proper voltage (first the voltage was dropping but after some reconnecting and relay replacement) the vehicle just won't start. Does not crank at all. I'm not sure what the problem would be?
Monday, January 10th, 2022 AT 5:49 PM

8 Replies

Tiny
JACOBANDNICKOLAS
  • MECHANIC
  • 110,194 POSTS
Hi,

What you described sounds like a poor connection. It could be at the battery, the starter, or a fuse/relay.

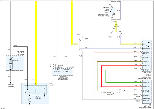
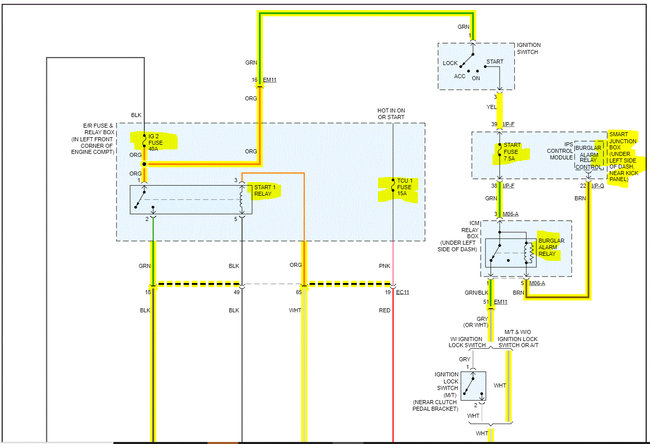
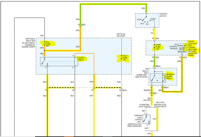
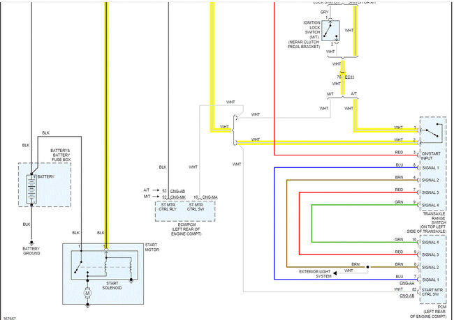
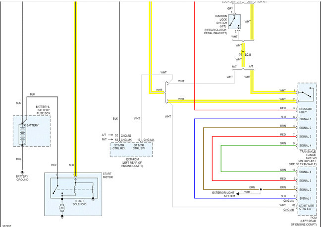
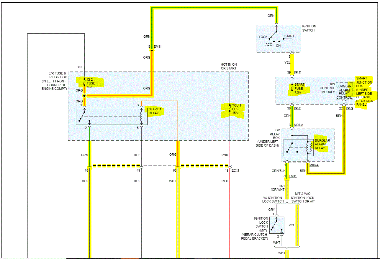
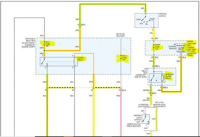
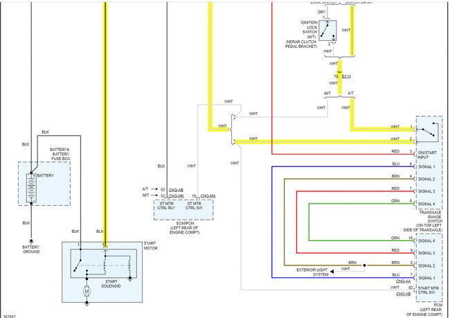
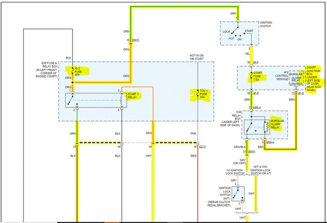
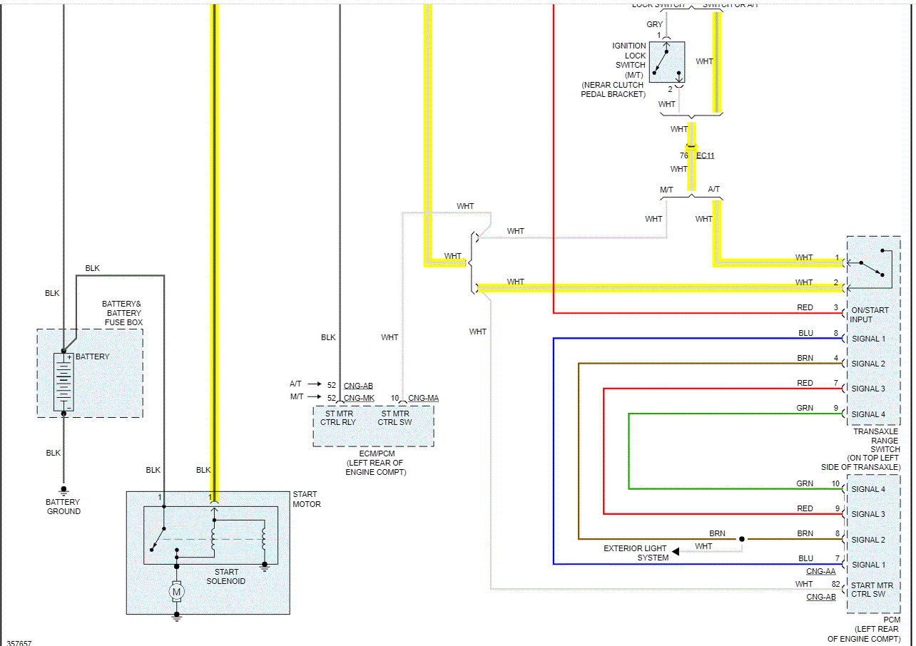
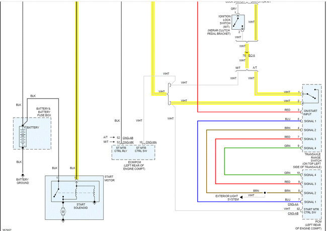
I attached the wiring schematic below for the starting system for your reference. I'm not sure if it has a smart key or not, so I went with "not". If that's wrong, let me know.

Now, since everything is new, are you certain the engine isn't locked up, preventing the starter from turning it? If you have checked and it turns, we need to next confirm all connections are tight, clean, and free of corrosion. Although the battery is new, please confirm it is fully charged and the connections to it are clean and tight.

Take a look through this link. It describes exactly what you described and what to check for.

https://www.2carpros.com/articles/everything-goes-dead-when-engine-is-cranked

Next, I attached the wiring schematic below and highlighted fuses and relays to check. As far as the click you hear, is it in the vehicle or under the hood? There are two different relays related to the starting system and they are at different locations.

When you check the fuses identified, first, confirm the fuse itself is good. I suspect you already did that. However, if the fuse is good, you should also confirm there is power to and from it. Here is a link you may find helpful:

https://www.2carpros.com/articles/how-to-check-a-car-fuse

Next, if all fuses are good, confirm both relays are good. If there is a different relay with the same part number in the box, switch them to see if it makes a difference. If there isn't, here is a link that explains how to test one:

https://www.2carpros.com/articles/how-to-check-an-electrical-relay-and-wiring-control-circuit

Let me know what you find or if you have other questions.

Take care,

Joe

See pics below. Note: I had to cut the schematic in half to make it readable for you. I did overlap the two pics so you can follow from one to the next. Also, I attached pics of the fuse boxes and fuse locations.
Was this
answer
helpful?
Yes
No
Monday, January 10th, 2022 AT 8:41 PM
Tiny
RAY SCOTT2
  • MEMBER
  • 5 POSTS
So far, the 7.5 fuse is new and getting power. The clicking/ticking nose is in the fuse box under the hood. I moved the starter relay and put a different relay in place of the start relay. No difference the ticking stops when you remove the ECU fuse.
Was this
answer
helpful?
Yes
No
Monday, January 10th, 2022 AT 9:45 PM
Tiny
RAY SCOTT2
  • MEMBER
  • 5 POSTS
The start fuse (7.5) has been replaced, was the first fuse I replaced, the positive terminal connector is as tight as it can be, but you basically can pull it off still. Everyone seems to tell me that it sounds like it's not getting proper ground but from what I checked the ground wires are all good. But I don't know where the ground for the starter would be? The IG2 fuse has been replaced, just not crank, don't hear the starter try to turn, the lights flicker but when you turn to crank and push the brake the entire dash goes black. The ticking sound stops when you turn the key to start. But when you release the key, it starts ticking in the fuse box under the hood. Some have said checking the starter might need shims (while I was under the car, I can see the radiator fan slightly barely turning as the person was holding the key in the start/crank position. What kind of voltage am I looking for in the wires? The full 12V? Or 13
5v?
Was this
answer
helpful?
Yes
No
Monday, January 10th, 2022 AT 10:15 PM
Tiny
JACOBANDNICKOLAS
  • MECHANIC
  • 110,194 POSTS
If the battery terminal is as tight as possible but you can still pull it off, I have a feeling that is where the problem is. Have you tried replacing the terminal? That is where I would recommend starting.

When you engage the starter, there is a heavy draw on the battery. When you have a loose terminal as described, a lot of times the draw causes the connection to be temporarily lost. Then, you'll notice power returns.

As far as shimming the starter, if that was an issue, you would either hear the starter grind against the flywheel because it's too far away, it would engage and make a click or turn the engine and then stay engaged.

Based on your description of the battery terminal, I feel that is the issue.

If possible, get a replacement terminal that can be tight on the battery post.

Let me know if that takes care of the problem.

Take care,

Joe
Was this
answer
helpful?
Yes
No
Tuesday, January 11th, 2022 AT 7:07 PM
Tiny
RAY SCOTT2
  • MEMBER
  • 5 POSTS
Will a faulty airbag module cause a vehicle not to start!
Was this
answer
helpful?
Yes
No
Sunday, January 30th, 2022 AT 3:00 PM
Tiny
JACOBANDNICKOLAS
  • MECHANIC
  • 110,194 POSTS
Hi,

The module won't prevent it from starting. However, the airbag will be inoperative.

Has the battery terminal that was loose been taken care of? Also, at the starter, you have two primary wires to worry about. One is straight from the battery and will have 12v at all times and will be a much heavier gauge wire than the other. There will be a smaller wire that is the trigger wire. It is smaller in diameter and only receives 12v when the key is in the start position.

According to the wiring schematic, both wires at the starter will be black (which is odd). Locate the larger one and confirm 12v at all times. Then check the other with the key in the start position. Here is a link you may find helpful:

https://www.2carpros.com/articles/starter-not-working-repair

The idea that everything electrical goes out when you try starting it still sounds like a connection issue. If possible, turn the headlamps on and have a helper turn the key to start while you watch the headlamps. See if they go dark.

Also, any pics or videos of what is happening may help me. If I could hear everything that is happening, it may help me. Also, the idea that the fan was turning slowly is a bit of a concern. Are you sure there isn't an engine issue (locked-up)?

Let me know.

Joe

Was this
answer
helpful?
Yes
No
Sunday, January 30th, 2022 AT 7:16 PM
Tiny
RAY SCOTT2
  • MEMBER
  • 5 POSTS
The battery terminal has been taken care of, but still no start. We've taken apart the center console to get to the body control module and we found this in the pictures I've uploaded. Looks like soda or something blew up and got all over inside. Secondly, we got it to crank once but lost complete power. We had a chance to do it again but again lost power and couldn't repeat the process. The lights stopped flickering on the dashboard until we tried to start it (the two times we got it to crank) still ticking in the fuse box. Lights flickering, the minute we push in the brake pedal the dash goes off and voltage drops to 0. After we couldn't get it to repeat those 2 times it started to read 6 volts. Couldn't get it to power up to 12 again. On my scanner it keeps bringing up B1112 and B1111 and cam time out codes. The body control module came up faulty until we cleared it and never came back up on the scanner. The code P0625 came up, as well as the airbag SRS was on the scanner. That's why I asked if a bad airbag crash sensor would cause a vehicle not to start. It has not been an accident at all. She went somewhere the day before, drove fine, the next day it would not start. Replaced the starter, alternator, battery, fuses are okay, the relays.
Was this
answer
helpful?
Yes
No
Sunday, January 30th, 2022 AT 8:19 PM
Tiny
JACOBANDNICKOLAS
  • MECHANIC
  • 110,194 POSTS
Hi,

Looking at the codes P1111 and 1112, we have a connection issue. Interestingly, the two codes are opposites.

Do me a favor. Take a look through the diagnostics below and let me know if you are comfortable doing it. Personally, I would start with 1112, but that's your call. It starts at pic 5.

Let me know.

Joe

See pics below.
Was this
answer
helpful?
Yes
No
Monday, January 31st, 2022 AT 3:12 PM

Please login or register to post a reply.