Tuesday, June 14th, 2022 AT 10:24 AM
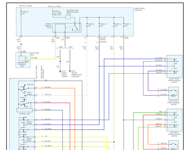
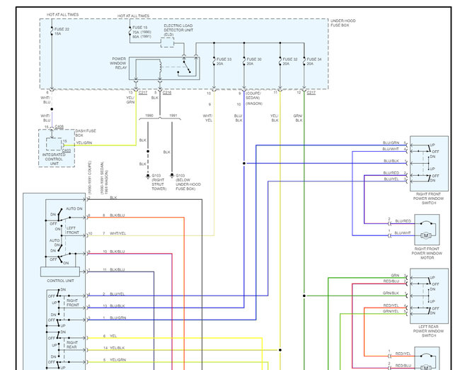
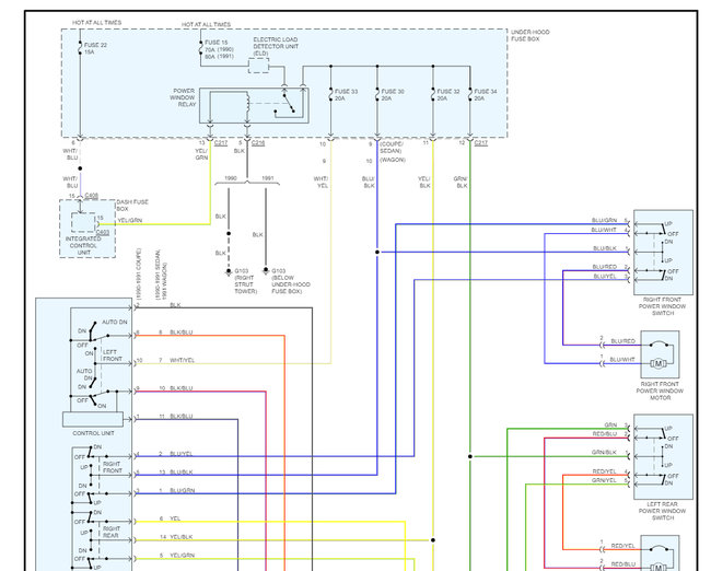
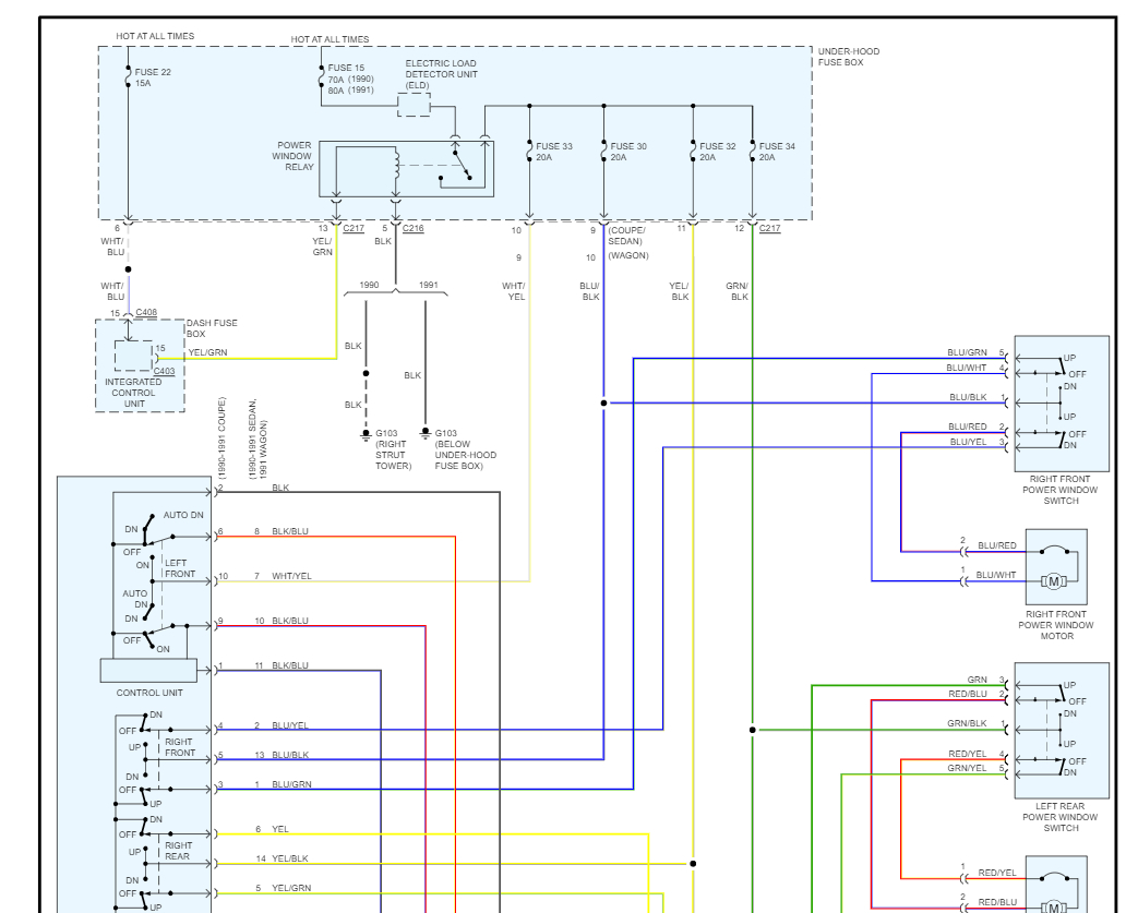
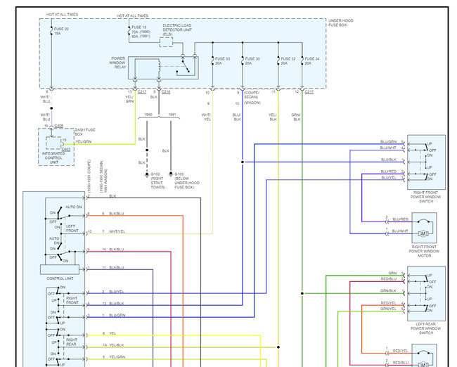
So, I have the car listed above. Well up until my friend put in a stereo the windows rolled and my speedometer worked just fine. Now neither of them works properly. I figured he messed with the wiring under the steering wheel. I need some help, maybe I am wrong. Maybe I'm just dumb and can't see the problem that is Infront of my face. A wiring diagram for under my steering wheel would be great!















