Will not start only a single click

Tiny
DAVID DAVO ESSIEN
  • MEMBER
  • 1998 LAND ROVER RANGE ROVER
  • 4.6L
  • V8
  • TURBO
  • 4WD
  • AUTOMATIC
  • 134,233 MILES
I was called to fix the car I don't know what was done previously. But what I heard is that the car has stayed here for a longer time and during this time many mechanics and electrician have been invited even from closer and far states just to start the car but to no prevail. The owner of told me that they told him ECU is bad that's why the security light was blinking which he purchased a new one. But the car still didn't start.
Well, I didn't notice anything like security light flashing. The scan tool I connected was not communicating. I check for current at the obd port just as you showed me and there was current there. But no continuity.
Thursday, December 9th, 2021 AT 6:02 AM

43 Replies

Tiny
JACOBANDNICKOLAS
  • MECHANIC
  • 110,192 POSTS
Hi,

There was a technical service bulletin (TSB) out regarding the data link connector failure. Take a look at the TSB and let me know if that has been checked or performed.

Also, if you get one click when trying to start it and nothing more, that usually indicates a weak connection or battery, faulty starter motor, or a locked engine. Have all of these things been checked?

Let me know what pin you are checking for continuity as well.

Take care,

Joe

See pics below.
Was this
answer
helpful?
Yes
No
+1
Thursday, December 9th, 2021 AT 5:25 PM
Tiny
DAVID DAVO ESSIEN
  • MEMBER
  • 152 POSTS
Thank you, sir, for the previous email that has guided me to this point. The click problem is solved. It was due to the battery and bad ground wire problem.
The challenge now is a crank no start. I have added fuel to the intake manifold and crank the engine no change at all. It is not starting. In addition, I checked for spark, but there is no spark as well.
Hence, I have just checked for injector pulse but there's no injector pulse either. I have also checked for dc current at the injector pulse but no dc current.
At last, I have checked for code the only code I have seen is the p1842 and p1843 codes. Please, what can I do next?
Was this
answer
helpful?
Yes
No
Wednesday, December 22nd, 2021 AT 6:27 PM
Tiny
JACOBANDNICKOLAS
  • MECHANIC
  • 110,192 POSTS
Hi,

Okay, we have no spark or fuel. We need to check a couple of fuses and other electrical components.

First, if you have a live data scanner, see if there is an RPM signal when the engine is cranking and let me know.

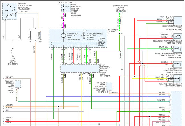
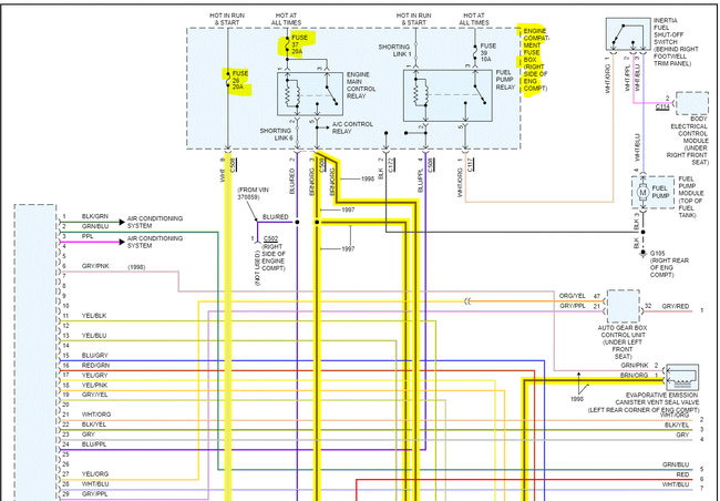
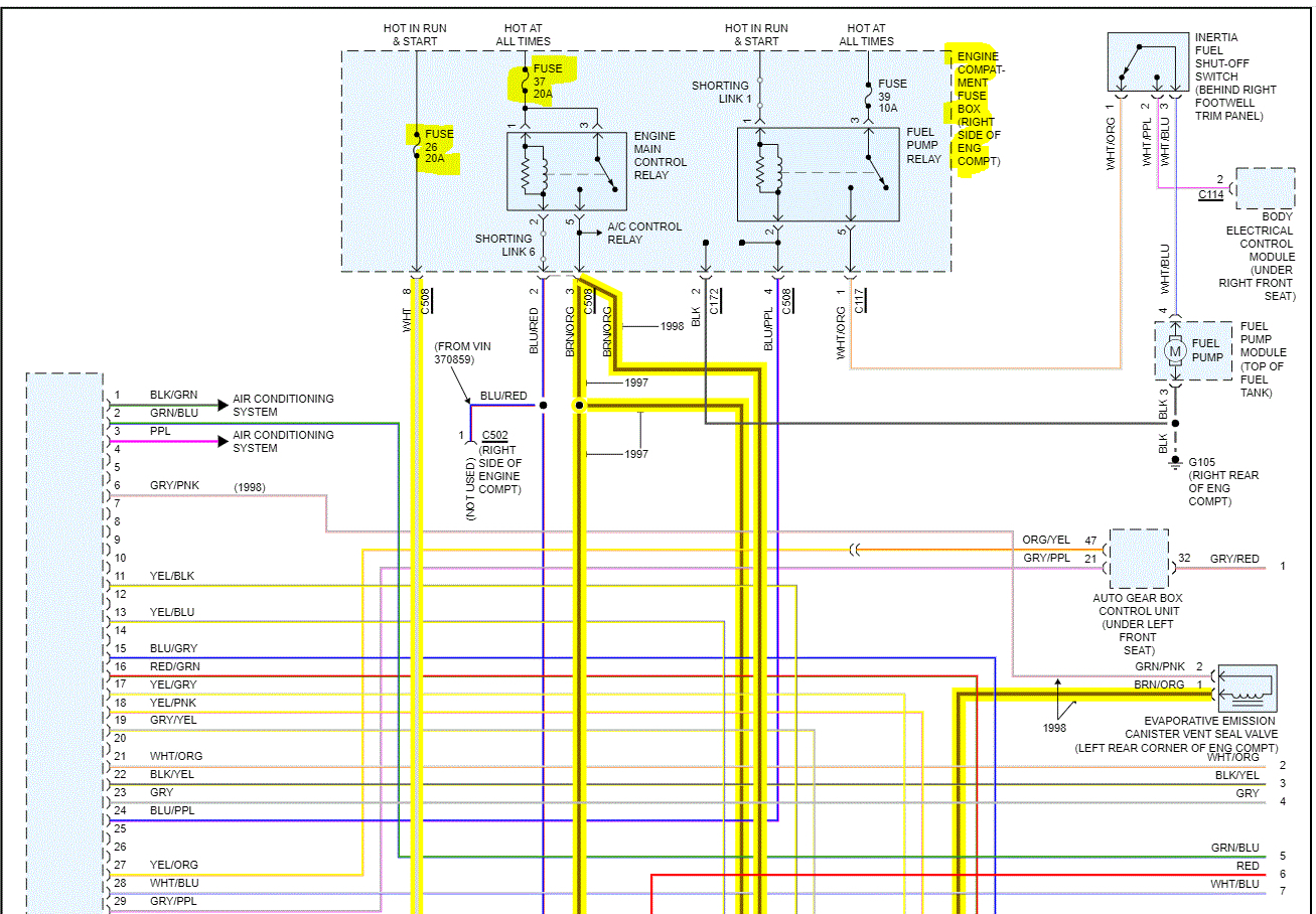
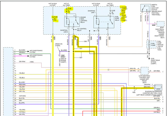
Next, under the hood there are two fuses we need to check for condition and if there is power to them. I attached the entire powertrain management wiring schematic below. It was two pages long, but I had to cut each page in half to make it readable for you. I did overlap them and highlighted the wiring related to the ignition coils and fuel injectors.

Start there. There is a main relay in the under-hood fuse box that powers both components. We need to confirm there is power to it and ground. The fuses are 26 and 37. Fuse 37 powers the relay and components. If you look at pic 1 below, note there is a blue wire with a red tracer. That provides a ground path for the relay to energize via the PCM. So first check the fuses, then the relay itself, and then if they are good, confirm a ground path when the key is turned on. If this fuse or relay is failing, you won't have an injector pulse or ignition spark. If there is another relay in the box that has the same part number, switch them to see if it makes a difference. If there isn't, I included a link explaining how one is checked.

Also, when checking the fuse, it is also important to confirm there is power to and from it. Here are the links you may find helpful:

https://www.2carpros.com/articles/how-to-check-an-electrical-relay-and-wiring-control-circuit

https://www.2carpros.com/articles/how-to-check-a-car-fuse

Let me know what you find or if you have questions.

Take care,

Joe

See pics below.

Was this
answer
helpful?
Yes
No
Thursday, December 23rd, 2021 AT 9:06 PM
Tiny
DAVID DAVO ESSIEN
  • MEMBER
  • 152 POSTS
Thank you, sir, for your support. I have seen the schematic diagram and
the guide to fixing the problem. I will check these and give you a
feedback.
Was this
answer
helpful?
Yes
No
Friday, December 24th, 2021 AT 1:09 PM
Tiny
JACOBANDNICKOLAS
  • MECHANIC
  • 110,192 POSTS
Hi David,

Let me know what you find. I'm interested in knowing.

I wish you a Merry Christmas.

Take care,

Joe
Was this
answer
helpful?
Yes
No
Friday, December 24th, 2021 AT 5:03 PM
Tiny
DAVID DAVO ESSIEN
  • MEMBER
  • 152 POSTS
The fuses are working and relay but what I have noticed here is that when I switch ignition to ON position as usual in other, they should be ignition current first then during ECU normally ground the other side of the injector. Please What should I do now to have that first ignition current to the injector wire only with key on ignition which I'm not having?
Was this
answer
helpful?
Yes
No
Monday, December 27th, 2021 AT 8:24 AM
Tiny
JACOBANDNICKOLAS
  • MECHANIC
  • 110,192 POSTS
Do you mean there is no power to the injectors with the key in the on position?

Tell me specifically what gets power and what doesn't and the conditions under which you are checking them. I'm a little confused at this point.

Take care and I'll watch for your reply.

Joe
Was this
answer
helpful?
Yes
No
Monday, December 27th, 2021 AT 2:48 PM
Tiny
DAVID DAVO ESSIEN
  • MEMBER
  • 152 POSTS
That is what I got there- in one side ground was lacking in the relay connector and on the other side the current was lacking. In the fuse location that you highlighted, there was no current in both places until when I connected a current from inside the car to where I noticed a short of current to the injector circuit. The challenge presently is that there was no rpm signal during cranking with my scan Tool. And it is a three-wire crank sensor. Please how should I test this aside from the live data method I used to be certain that is the crank sensor that is faulty and not a problem in the ECU that is hindering the car from starting. Because there is no spark or injector pulse.
Was this
answer
helpful?
Yes
No
Tuesday, December 28th, 2021 AT 10:00 AM
Tiny
DAVID DAVO ESSIEN
  • MEMBER
  • 152 POSTS
Hope there was supposed to be ground and current in that relay socket I showed.
Was this
answer
helpful?
Yes
No
Tuesday, December 28th, 2021 AT 8:49 PM
Tiny
DAVID DAVO ESSIEN
  • MEMBER
  • 152 POSTS
Yes, you right there was no power to the injector with the key "on" but engine off. Please can you send me the best place to connect my ignition with key "on"? The only place I see here is for A/C which I think is not best but when I tap it there the injector normally comes on with the key on but engine off.
Was this
answer
helpful?
Yes
No
Wednesday, December 29th, 2021 AT 3:44 AM
Tiny
JACOBANDNICKOLAS
  • MECHANIC
  • 110,192 POSTS
Hi,

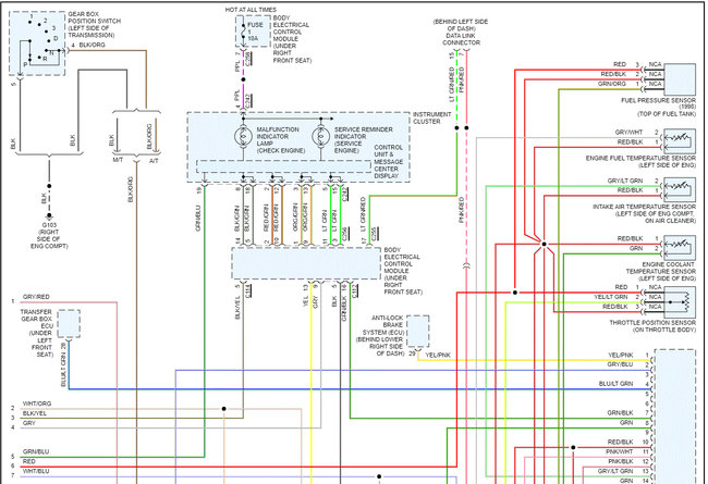
You shouldn't jump power for this circuit. Tell me, I attached a pic below and circled wires. First, is the fuse good? Is there power to and from it? Is there power out from the brown wire with an orange tracer? If the fuse is good and there is power out to the aforementioned wire, did you confirm the relay is good? If you have, check for continuity to ground via the blue wire with a red tracer. That runs to the PCM and when the PCM provides a ground path to that wire, the relay actuates, allowing power to reach the injectors. Also, note that there is a shorting link (fusible link) that could be preventing the ground path from completing. Did you check that?

I don't advise using a different power supply in this case.

Let me know.

Joe
Was this
answer
helpful?
Yes
No
Wednesday, December 29th, 2021 AT 3:48 PM
Tiny
DAVID DAVO ESSIEN
  • MEMBER
  • 152 POSTS
I benched tested virtually all the relay in power center. It was only one relay that felt very hot while the other was bad (RL 10 and 15). But I swapped it with a good one on different at all in terms of power to the injector wire that is brown and orange stripes. I took a picture of that wire.
Was this
answer
helpful?
Yes
No
Wednesday, December 29th, 2021 AT 4:19 PM
Tiny
JACOBANDNICKOLAS
  • MECHANIC
  • 110,192 POSTS
Were you able to confirm if there is a ground path via the blue wire with a red tracer? Also, if you have the relay removed and jump pins 3 and 5 (circled in blue below), do you get power to the brown wire with an orange tracer?

Joe
Was this
answer
helpful?
Yes
No
Wednesday, December 29th, 2021 AT 5:34 PM
Tiny
DAVID DAVO ESSIEN
  • MEMBER
  • 152 POSTS
No, I did not try that. Today I will check and give you feedback.
But for the brown wire there was no current but when I tapped current from that A/C system as shown below current entered the brown wire.
The wires were cut by the previous engineers that came to work on the car. There are 2 red wires, one is earth/ground wire, the other was no current nor ground that was the one I connected ignition current to before current entered the fuses and injector wires with key on.
Was this
answer
helpful?
Yes
No
Wednesday, December 29th, 2021 AT 8:58 PM
Tiny
JACOBANDNICKOLAS
  • MECHANIC
  • 110,192 POSTS
Hi,

It's hard for me to determine what is happening looking at the pics. However, when you powered the brown wire, the injectors should have had power.

Let me know what you find.

Joe
Was this
answer
helpful?
Yes
No
Wednesday, December 29th, 2021 AT 10:17 PM
Tiny
DAVID DAVO ESSIEN
  • MEMBER
  • 152 POSTS
I will disconnect, what I connected to the ignition wire of the A/C system today and do what you have advised me to. I will give you feedback when I have done it.
Was this
answer
helpful?
Yes
No
Wednesday, December 29th, 2021 AT 11:22 PM
Tiny
DAVID DAVO ESSIEN
  • MEMBER
  • 152 POSTS
Please, I'm working on the car now which of the relay should I remove? And run the test as shown in the diagram.
Was this
answer
helpful?
Yes
No
Thursday, December 30th, 2021 AT 3:59 AM
Tiny
DAVID DAVO ESSIEN
  • MEMBER
  • 152 POSTS
That's the video showing what happens when I removed RL-19 and bypassing it with wire on.
Was this
answer
helpful?
Yes
No
Thursday, December 30th, 2021 AT 4:43 AM
Tiny
DAVID DAVO ESSIEN
  • MEMBER
  • 152 POSTS
Pin 30 and 87.
Was this
answer
helpful?
Yes
No
Thursday, December 30th, 2021 AT 4:44 AM
Tiny
DAVID DAVO ESSIEN
  • MEMBER
  • 152 POSTS
Today I requested something from the man, and he didn't hesitate but did it for me -that was to call is friend that had exactly of his vehicle whose car was starting to come to his house which he did.
When he came, I was surprised over my diagnosis? But before I proceed, I want to thank you for the information that I shouldn't tap current to that injector.
Was this
answer
helpful?
Yes
No
Thursday, December 30th, 2021 AT 2:08 PM

Please login or register to post a reply.