Will not start only a single click

Tiny
DAVID DAVO ESSIEN
  • MEMBER
  • 152 POSTS
These were the things I got from the man car that was starting and driving without any issues but with the man car I got something very different in that power center.
Was this
answer
helpful?
Yes
No
Thursday, December 30th, 2021 AT 2:24 PM
Tiny
DAVID DAVO ESSIEN
  • MEMBER
  • 152 POSTS
These are the things I got from the man car that was not starting.
Was this
answer
helpful?
Yes
No
Thursday, December 30th, 2021 AT 2:43 PM
Tiny
DAVID DAVO ESSIEN
  • MEMBER
  • 152 POSTS
Same thing happens to the PCM circuit where there DC there was no DC in the car that was not starting for example the 5 wire connector had 1 earth that is black wire and blue with ignition current but the other 3 I didn't have anything either ignition, DC nor ground but in the car that wasn't starting I got 4 ignition on the other wires but no earth on the black wire.
Was this
answer
helpful?
Yes
No
Thursday, December 30th, 2021 AT 3:01 PM
Tiny
DAVID DAVO ESSIEN
  • MEMBER
  • 152 POSTS
Please sir help me, what's the cause and solution to this car problem? I want the car to start what are you advising me to do?
Was this
answer
helpful?
Yes
No
Thursday, December 30th, 2021 AT 3:05 PM
Tiny
JACOBANDNICKOLAS
  • MECHANIC
  • 110,192 POSTS
Hi David,

I want to help, but I'm starting to get confused. The pics you attached above are hand-drawn, and I'm not really clear on what they are specifically for or what was already done to the vehicle. Not being there leaves me to depend on the schematics I sent. So, if there is something other than that I'm unaware of, it really gets difficult to diagnose. I hope that makes sense and you understand.

I'm also not sure if you are getting power to the relay in both places. It is a switch and nothing more. However, for the relay to work, it first gets energized. When that happens, there is an electromagnetic attraction that closes the switch sending power to (in this case) the injectors.

I really want to help. Please let me know if the relay is getting power to actuate and when that happens, does the power go to the injectors?

I will watch for your reply. Hang in there, my friend. We'll get it figured out one way or another.

Take care,

Joe
Was this
answer
helpful?
Yes
No
Thursday, December 30th, 2021 AT 8:25 PM
Tiny
DAVID DAVO ESSIEN
  • MEMBER
  • 152 POSTS
That's what I have noticed today. Please what's the cause and solution to the problem?
Was this
answer
helpful?
Yes
No
Friday, December 31st, 2021 AT 1:41 PM
Tiny
JACOBANDNICKOLAS
  • MECHANIC
  • 110,192 POSTS
Hi,

There is a lot of corrosion, are you sure it isn't a faulty connection? In your last video, you indicated the test light wasn't turning on. Was that connected to the brown/orange wire? Was the key on? If fuse 37 is good and you are not getting power to that wire, then the problem is within the relay, shorting link 6 has failed, or there is a connection issue within the relay box or at the ECM. Are you getting power to the blue/red wire when the key is on? If you disconnect it, you won't get power. Power comes from fuse 37 as well and a ground path is provided by the ECM. Once the ECM provides ground, power flows from fuse 37, through the relay, through the shorting link 6, and to ground via the PCM. When that happens, the relay actuates allowing power to transfer to the brown/orange wire.

Let me know.

Joe
Was this
answer
helpful?
Yes
No
-3
Friday, December 31st, 2021 AT 9:57 PM
Tiny
DAVID DAVO ESSIEN
  • MEMBER
  • 152 POSTS
Today I have traced that wire and it goes directly to the starter motor. Please can you send me the factory starting system wiring diagram for that car?
Was this
answer
helpful?
Yes
No
Friday, January 7th, 2022 AT 10:10 AM
Tiny
DAVID DAVO ESSIEN
  • MEMBER
  • 152 POSTS
At last, I noticed that some wires that when to coil were shorted to each other. However, there was still no power to the injector circuit. I suspected that the power center had an issue and not a wrong wiring because, there was virtually none.
Was this
answer
helpful?
Yes
No
Wednesday, February 2nd, 2022 AT 6:20 PM
Tiny
DAVID DAVO ESSIEN
  • MEMBER
  • 152 POSTS
As you can see from the video there was no power at fuses 26 and 37, brown/orange wire too was not receiving power except I bypass current to shorting link 12.
Was this
answer
helpful?
Yes
No
Wednesday, February 2nd, 2022 AT 6:29 PM
Tiny
DAVID DAVO ESSIEN
  • MEMBER
  • 152 POSTS
This is what I noticed from the aftermarket fuse box that I later replaced yesterday with the one that came with the car. Please note sir that this other aftermarket I inserted has power to fuse 37 without any bypass of current as well as at the shorting link 12. But there was no power to fuse 26 except I swapped the tester location from negative to positive before power gets to that fuse 26. But in the previously inserted fuse box it was not so.
In addition, the blue/red wire I noticed is activating the fusible link 19 with my tester at battery negative and testing that wire. Please, what can I do next?
Was this
answer
helpful?
Yes
No
Wednesday, February 2nd, 2022 AT 6:43 PM
Tiny
DAVID DAVO ESSIEN
  • MEMBER
  • 152 POSTS
Please sir, assist me more with what I can do to fix that car problem. Looking forward to your reply. Thank you.
Was this
answer
helpful?
Yes
No
Wednesday, February 2nd, 2022 AT 6:50 PM
Tiny
JACOBANDNICKOLAS
  • MECHANIC
  • 110,192 POSTS
Hi,

Take a look at the first 4 pics below. I start at the battery and work through the wiring to fuse 26 and 37. See if you can find where power is lost. I highlighted wires, connector identifications, fuses, relays, have blue arrows pointing to where to go next, and everything to the two fuses you mentioned.

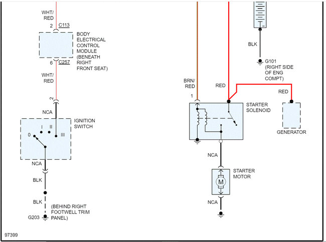
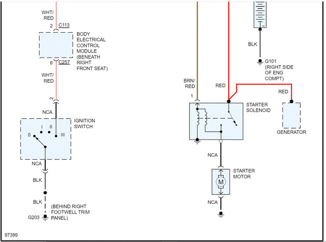
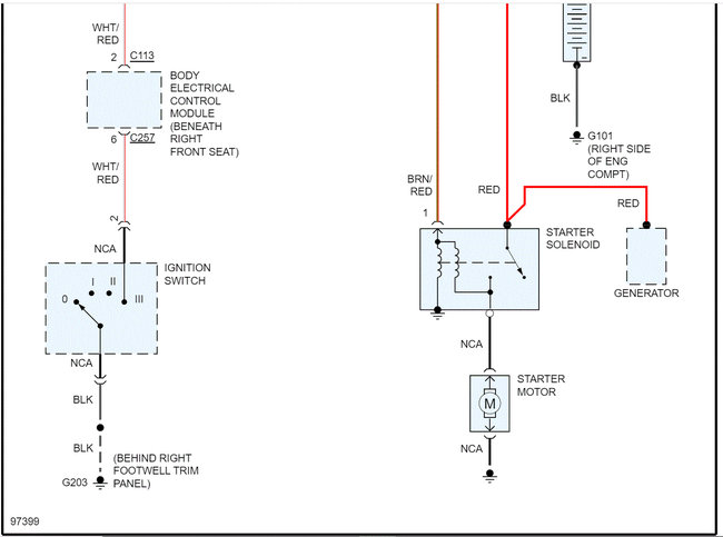
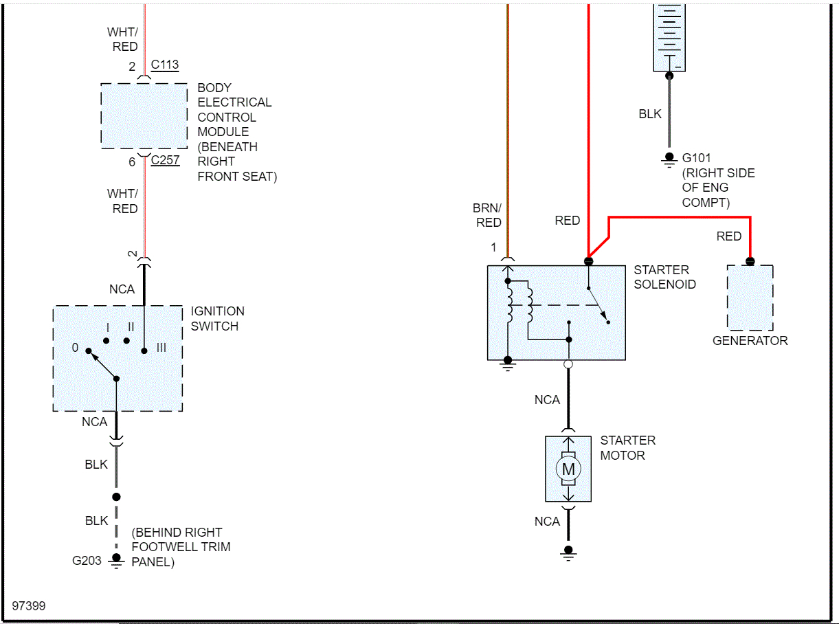
The remaining pics are the starting system.

I hope the first 4 pics help. Let me know what you find.

Take care,

Joe

See pics below. Note: Pics 5 and 6 are from one page. I cut it in half to make it readable.
Was this
answer
helpful?
Yes
No
+1
Thursday, February 3rd, 2022 AT 2:15 PM
Tiny
DAVID DAVO ESSIEN
  • MEMBER
  • 152 POSTS
Thank you so much for your response.
Was this
answer
helpful?
Yes
No
+1
Thursday, February 3rd, 2022 AT 7:48 PM
Tiny
DAVID DAVO ESSIEN
  • MEMBER
  • 152 POSTS
I will give you a feedback when I check that.
Was this
answer
helpful?
Yes
No
Thursday, February 3rd, 2022 AT 7:51 PM
Tiny
JACOBANDNICKOLAS
  • MECHANIC
  • 110,192 POSTS
Sounds good. I look forward to hearing from you. Somewhere in that circuit, power is being lost.

Take care,

Joe
Was this
answer
helpful?
Yes
No
+1
Thursday, February 3rd, 2022 AT 9:00 PM
Tiny
DAVID DAVO ESSIEN
  • MEMBER
  • 152 POSTS
Good evening, sir. Thank you once more for your response. I pulled out the ECM and checked there was actually lots of short to ground therein and few wires breached with each other which I corrected. In addition, I noticed that "there was no ignition current at all in the fuse box, " but the dashboard lights were coming "on" with key "on" which is proper. The fuse box itself didn't transfer power to fuse 26 and 37 that were responsible for transferring current to the injector circuit with ignition switch turned to "on" position. Hence, I told the car owner that the fuse box too will require replacement. And when he purchased it from a store the was current there at the fuses but not to the injector circuit. I noticed that some pins in the fuse box that was powering fuses 26 and 37 were completely pulled out.
Also, I noticed that instead of Fuse 26 to be powered with test light on ground it was rather powered with test light on battery positive. Please sir, help me out with what I can do next to fix the car problem permanently.
Was this
answer
helpful?
Yes
No
Friday, March 4th, 2022 AT 11:20 AM
Tiny
DAVID DAVO ESSIEN
  • MEMBER
  • 152 POSTS
But I noticed something else that made me flabbergasted, which I will need your assistance please. When I got an aftermarket fuse box and install it to the car without any further repair done by me, I saw something remarkable, the fuse 26 and 37 that I highlighted before in the older fuse box didn't have current nor ground to it, with the new one installed the was current to fuse 37 while fuse 26 didn't have current to it using my test light except I swapped the test light from battery negative terminal to positive before it lost the test light. But in the older fuse box there was no current nor ground at those fuses 26 and 37. Please sir, what should I do next?
Was this
answer
helpful?
Yes
No
Friday, March 4th, 2022 AT 11:22 AM
Tiny
DAVID DAVO ESSIEN
  • MEMBER
  • 152 POSTS
This test I noticed from another aftermarket fuse box without any repairs done by me, just replaced the fuse box and current started getting to the fuse as seen there in the video.
But some pins in this particular fuse box were not intact which I didn't notice until I pulled out some of those fuses and found out that the hole for the fuse was empty.
Please do I need to replace it with a better Fuse box?
Was this
answer
helpful?
Yes
No
Friday, March 4th, 2022 AT 12:04 PM
Tiny
DAVID DAVO ESSIEN
  • MEMBER
  • 152 POSTS
From the video I didn't do anything like bypassing of current or any connections. It was only replacement of fuse box with an aftermarket one before current got to that fuse.
Was this
answer
helpful?
Yes
No
Friday, March 4th, 2022 AT 12:10 PM

Please login or register to post a reply.