Turn signals not working

Tiny
MAGICMFNMIKE44
  • MEMBER
  • 2001 DODGE CARAVAN
  • 2.4L
  • 4 CYL
  • 2WD
  • AUTOMATIC
  • 150,000 MILES
All bulbs are good. Also no hazard lights. When hazard switch is on the dash indicator lights work but none on outside of van turn on. The signals do nothing inside or out. Please help
Tuesday, March 23rd, 2021 AT 9:28 PM

1 Reply

Tiny
KASEKENNY
  • MECHANIC
  • 18,907 POSTS
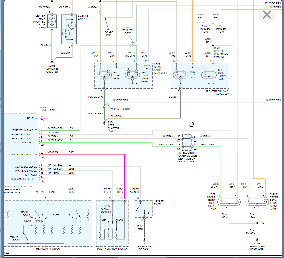
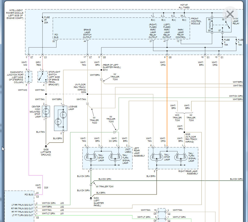
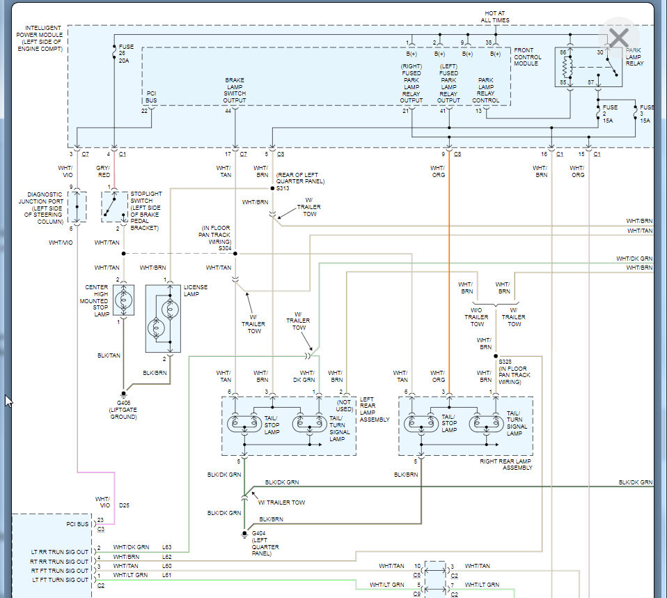
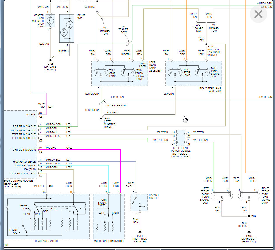
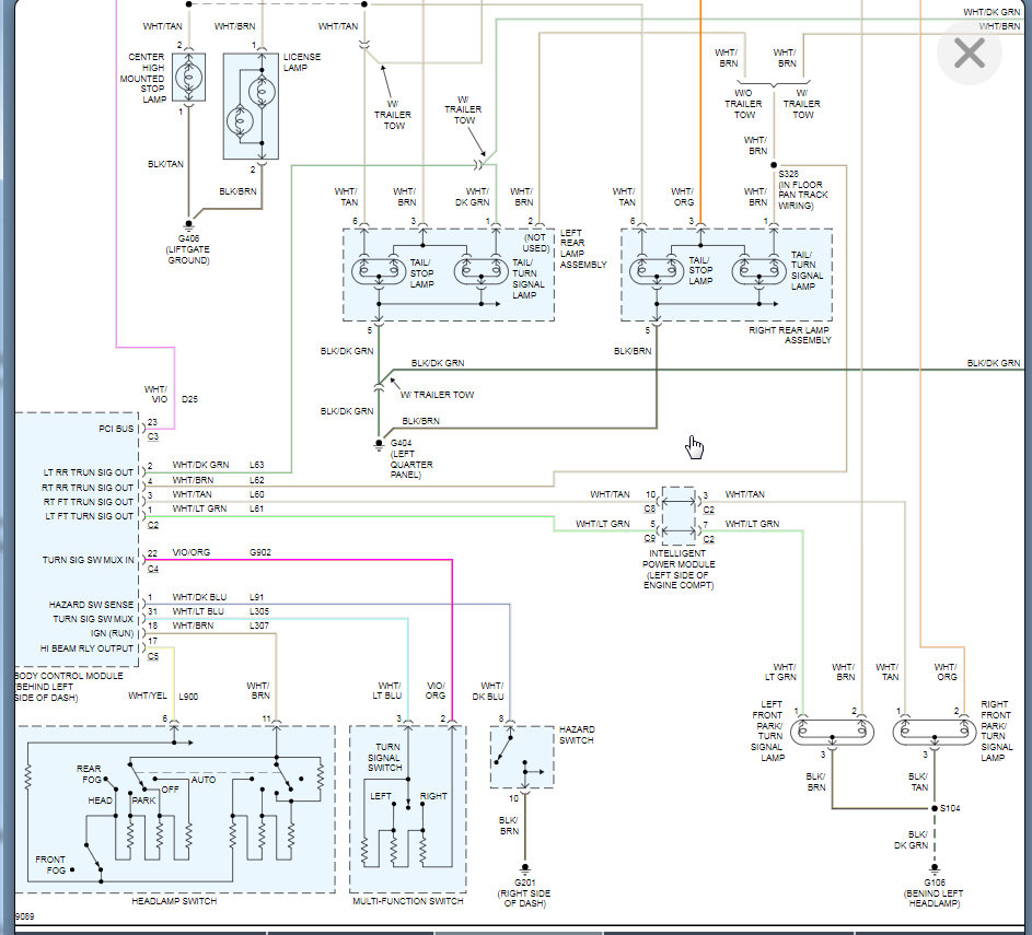
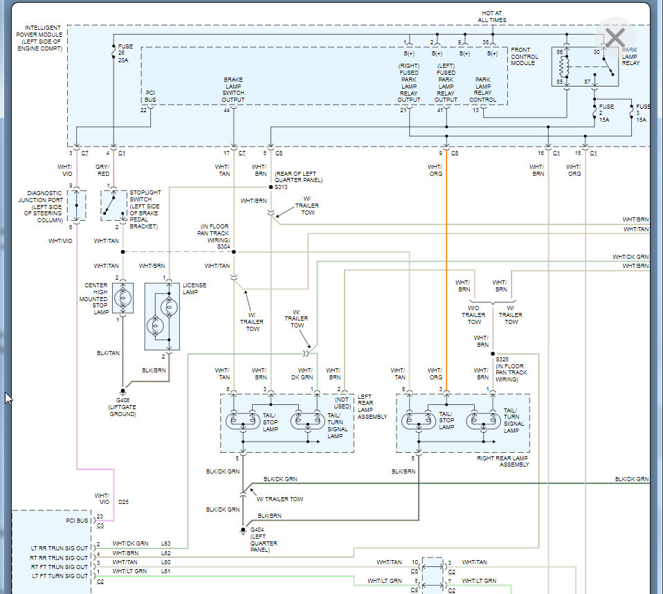
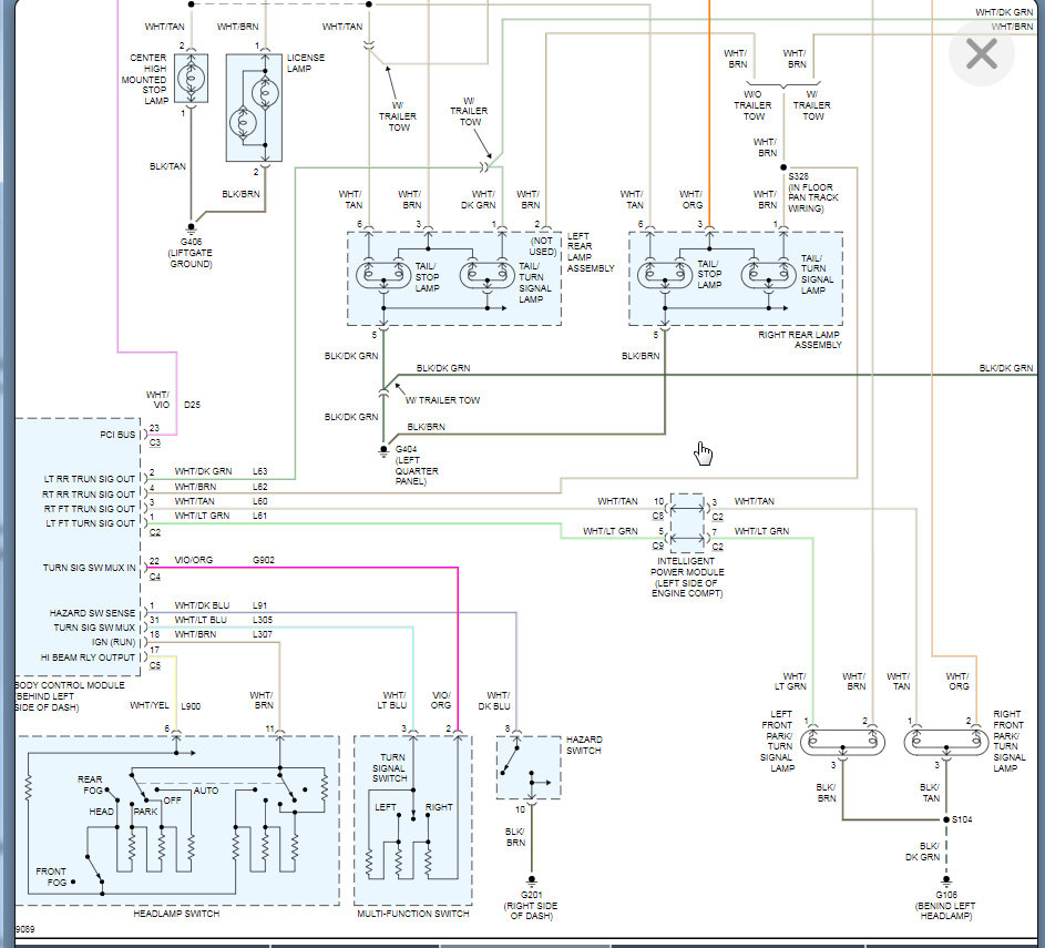
More than likely this is a body control module issue but we need to track the voltage through the system. So starting at the turn signal wire coming from the power module, we need to see if there is voltage. If not, we need to move to the BCM and check the signal out wiring. More than likely the BCM is not sending the signal for the turn signals.

The way this works is the signal is sent from the BCM but the voltage needed is sent from the power module so we need to find out which the issue is and more then likely it is a BCM.

Here is a guide that will help with this:

https://www.2carpros.com/articles/how-to-check-wiring

Let me know what questions you have with this and we can go from there. Thanks
Was this
answer
helpful?
Yes
No
Thursday, March 25th, 2021 AT 11:54 AM

Please login or register to post a reply.