Signal lights and horn not working properly

Tiny
ANTHONY P CARD
  • MEMBER
  • 2003 CHEVROLET S-10
  • 4.3L
  • 6 CYL
  • 2WD
  • AUTOMATIC
  • 140,000 MILES
The signal lights and horn are having issues. First, I bought the truck used and can't get in touch with the previous owner. When I would blow the horn my rear drivers side signal light would flash. Now the horn stopped working and both left and right signal lights stay on. Turn signal flashes faster on cluster left and right at the same time. Outside signal light flashes faster on the side I signaling to. I bought a new flasher but thinking now a relay.
Monday, September 27th, 2021 AT 5:11 PM

5 Replies

Tiny
HARRY P
  • MECHANIC
  • 2,296 POSTS
Hello. I have a couple of questions here. One, has any custom type of work been done to this truck? Has it been "upgraded" to LED lighting or anything like that? If so, that will cause all sorts of funny flashing issues until the right flasher relay is purchased and installed, and sometimes other wiring work needs to be done, depending on the kit. Doing this type of work could explain the issues you're having. Frankly, the easiest way to fix it would be to go back to stock and start over.

But, if no custom upgrades have been done, then we're probably looking at a bad switch or flasher module. You say you purchased it, but have you installed it yet? Either way, let's make sure you got the right one. Because there are a few possibilities depending on various options and such. So, do you have a link to the one you bought, or a picture showing the part number so I can look it up?

If this checks out, then we need to look at scanning for potential trouble codes from the Body Control Module. You'll need a decent OBD2 Scanner that can read U codes. The OBD2 port is on the driver's side, under the dashboard, near the parking brake pedal. Just plug the scanner in, turn the key on, and follow the prompts to see what trouble codes (if any) come up.

Here's our guide: https://www.2carpros.com/articles/checking-a-service-engine-soon-or-check-engine-light-on-or-flashing

Regardless of if your check engine light is on right now, there could be Body Control Module codes stored, so go ahead and get it scanned. If you don't have a scanner, your local auto parts shop does.

Let me know what you come up with.
Was this
answer
helpful?
Yes
No
Tuesday, September 28th, 2021 AT 7:47 AM
Tiny
ANTHONY P CARD
  • MEMBER
  • 3 POSTS
No led upgrades. Now that I think about it, I have a hard time getting my ob11 reader to work when I plug it in. Usually, I have to unplug and plug it back in several times to get it to work. The flasher number is 44810. I went out and the sound of the flasher is coming behind the glove box.
Was this
answer
helpful?
Yes
No
Tuesday, September 28th, 2021 AT 10:05 AM
Tiny
HARRY P
  • MECHANIC
  • 2,296 POSTS
Hello again. That 44810 flasher is an older model flasher. The newer GMs (roughly 98 and up) take a flasher module. Here's the one I have in my 2000 Blazer

(https://www.amazon.com/CEC-Industries-EF29-Flasher/dp/B0031GR7C4/ref=sr_1_4?dchild=1&keywords=2003+s10+flasher&qid=1632968887&replacementKeywords=flasher&sr=8-4&vehicle=2003-47-488&vehicleName=2003+Chevrolet+S10)

It's apparently compatible with your 2003 S10 as well, although I'd pull the flasher module and confirm that you have the 4-pin flasher and not a 3-pin flasher module. Note, this is a heavy-duty flasher, tailored towards vehicles that do a lot of towing. I use my Blazer on a mail route, with the hazards running 5 or more hours daily. I've had this flasher in for 3 years and haven't replaced it yet. The standard duty ones generally lasted me about a year and would just give out with no warning, and someone would nearly rear end my truck because with the hazard switch on, and that module fried, there are no brake lights.

Anyways, turn on your flashers. Open your glove box. There's a tab at the top of it, I think on the left side. Push it in to release the glove box door to swing all the way down. Now follow the flash sound to the clicking box. Unclip it and replace it. See what happens.
Was this
answer
helpful?
Yes
No
Wednesday, September 29th, 2021 AT 7:55 PM
Tiny
ANTHONY P CARD
  • MEMBER
  • 3 POSTS
Nope not it. Without the engine running I push the horn and both signal lights light up. Maybe a clock spring. Not sure though.
Was this
answer
helpful?
Yes
No
Sunday, October 3rd, 2021 AT 5:08 PM
Tiny
HARRY P
  • MECHANIC
  • 2,296 POSTS
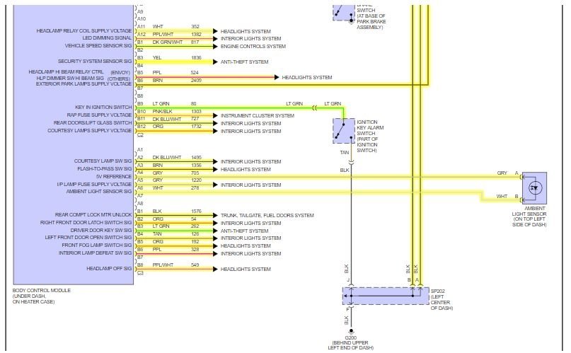
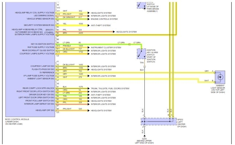
Honestly, I'm thinking it's a body control module issue. Looking at the diagrams, I see no connection between the clock spring and the turn signals. The only connection between the horn and turn signals that I see is the BCM. If you'll look at these images, you'll see that it's all tied in to the BCM. I'll do some more digging in a bit to figure out a diagnostic procedure. But if you have a donor truck that you can borrow one from that would make things easier. I once bought a BCM off of eBay for $25.00 for a 1999 Buick when I didn't have a reliable test method at my disposal. The car wouldn't crank at all. BCM solved the issue, as it was related to the security function of the BCM.
Was this
answer
helpful?
Yes
No
Monday, October 4th, 2021 AT 8:16 PM

Please login or register to post a reply.