Friday, August 5th, 2022 AT 7:31 AM
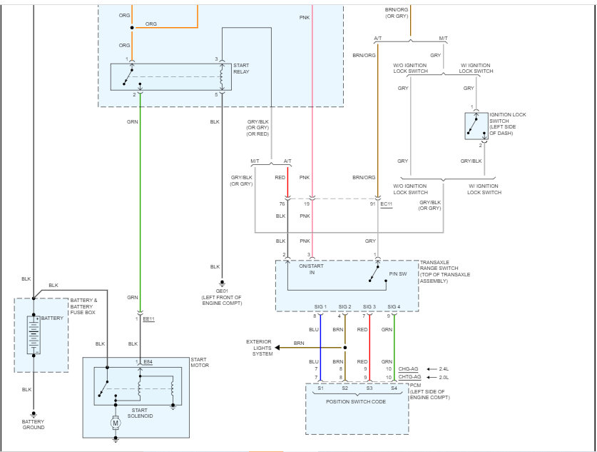
I tried to restart it and all I got was a loud single click. At the time there was smoke coming from the passenger's side of the motor. It was an electrical smell. My car has not been able to turn over since. All fluid levels are perfect. Have full power to everything simply won't crank. I did feel like it was dogging a bit but I'm in Seattle on bumpy roads, steep hills, and excessive heat and humidity. I tried again to restart after the vehicle was cooled for a day. It's no longer smoking but still won't turn over. I need to get home today which is a two-and-a-half-hour drive from here. Any suggestions would be greatly appreciated.









