Shift solenoid malfunction?

Tiny
ESCAPEUSER
  • MEMBER
  • 2013 FORD ESCAPE
  • 1.6L
  • 4 CYL
  • TURBO
  • 4WD
  • AUTOMATIC
  • 60,000 MILES
Replaced A shift solenoid as per OBD 2 code. I still have the same shift issues and now a code for solenoid B. Do I have to replace the entire valve body? Fluid should not be the issue, replaced at 30,000 with Ford spec, then again at 51,000 with AMSoil signature. No previous issues.
Tuesday, October 1st, 2024 AT 3:09 PM

22 Replies

Tiny
KEN L
  • MASTER CERTIFIED MECHANIC
  • 55,488 POSTS
I have seen the front fluid pressure pump fail which can cause multiple shift solenoid failures. I would check the fluid pressure of the transmission before replacing any more shift solenoids. Check out the images (below). Please let us know what happens.
Was this
answer
helpful?
Yes
No
Tuesday, October 1st, 2024 AT 4:34 PM
Tiny
ESCAPEUSER
  • MEMBER
  • 14 POSTS
Okay, thanks. Is a fluid pressure pump failure likely on a unit with this low mileage? If it needs a pressure pump, what else is going to fail sooner than later? I would have to guess that is a major repair requiring transmission removal? Could you suggest anything else it could be? If it is this, am I really looking at rebuilding/replacing the entire transmission?
Was this
answer
helpful?
Yes
No
Tuesday, October 1st, 2024 AT 4:50 PM
Tiny
KEN L
  • MASTER CERTIFIED MECHANIC
  • 55,488 POSTS
It should be okay with that low of mileage but you never know, you can try a valve body which is the only service you can do without removing the transmission for a rebuild. Here is how to swap out the valve body.

Tighten in a crisscross pattern.

- Tighten to 10 Nm (89 lb-in).

Check out the images (below). Let us know how it goes.
Was this
answer
helpful?
Yes
No
+1
Wednesday, October 2nd, 2024 AT 9:31 AM
Tiny
ESCAPEUSER
  • MEMBER
  • 14 POSTS
Thanks, I took the unit into a transmission shop, their Snap On scanner showed the same code as my OBD 2. They were saying that when a solenoid is replaced that the unit needs to be reprogrammed by a dealer. I did not leave the unit there as they are very backed up with work and could have sat there for weeks or months. I will buy a gauge and check the pressure. Should I consider removing the valve body and checking for sticking valves? I saw a video where a guy freed up the sticking valves with fine emery cloth and reassembled successfully I talked to the transmission shop rebuilder and he was saying that a rebuild including a new valve body, clutch packs, torque converter (these are known to fail) seals and gaskets would cost $5,000 plus in addition to dealer reprogramming. Then the same thing could happen again anytime. If I am really faced with that I will fire sale the vehicle and get something older and more reliable. Let someone more knowledgeable and better-connected deal with it. I am not rich. If I remove the valve body and manage to free up a sticking valve, it should work without dealer programming if I put the original A solenoid back in? Correct? I will replace the gaskets. If a gauge shows low fluid pressure, then I guess I will just fire sale. I checked the conductivity of the A solenoid I replaced, showed 5 ohms. Is this okay? If I have to replace the valve body, I might as well let the dealer do it and the reprogramming at the same time. By the way I drove the unit for a good hour partly in the city with no real issues, except the aforementioned symptoms. They didn't get worse.
Was this
answer
helpful?
Yes
No
Saturday, October 5th, 2024 AT 4:49 AM
Tiny
KEN L
  • MASTER CERTIFIED MECHANIC
  • 55,488 POSTS
Yes, a sticky valve can cause this issue and yes, the valve body needs to be programmed in here is how:

Solenoid Body Strategy Download

1. Using the scan tool, select module Programming and Programmable Parameters under the toolbox icon and select transmission. Follow the instructions displayed on the scan tool.

There are fields to enter the solenoid body 7-digit identification, and 13-digit strategy recorded from the solenoid body.

2. NOTICE: If the solenoid body information is not correct, transmission damage or drivability concerns can occur.

Enter the solenoid body identification and strategy.

The scan tool verifies the numbers entered are valid and displays a message if the information is not valid.

The scan tool will check to verify the file is present on the scan tool. If the file is present, the technician may proceed with downloading the file to the PCM. If the file is not present, the scan tool will need to be connected to the PTS (Professional Technician Society) server to download the file onto the scan tool.

3. Verify the file is present on the scan tool. If the file is present, go to Step 8. If the file is not present, continue with this procedure.

4. Connect the scan tool to the PTS (Professional Technician Society) server.

The screen will display a progress bar when connecting to the network.

5. Follow the instructions on the network to download the strategy file to the scan tool.

The screen will display a progress bar when downloading the strategy file to the scan tool and display a message if it is downloaded successfully.

6. If the scan tool cannot connect to the PTS (Professional Technician Society) server, download the file from www. Motorcraft. Com.

If the scan tool cannot download a strategy from the web site, a partial strategy will automatically be downloaded.

7. Reconnect the scan tool to the vehicle.

8. Follow the instructions displayed on the scan tool.

9. If a new solenoid body was installed, compare the 7-digit identification and the 13-digit strategy fields from the solenoid body to the replacement solenoid body tag provided with the solenoid body service kit and place it over the existing identification tag.

The scan tool will automatically download the strategy file or partial strategy file to the PCM and will display a progress bar while downloading. The scan tool will display a message when it is finished downloading the data that states that the file was downloaded successfully.

I can tell you they had internal issues with these transmissions, many people are saving olds cars just for this reason.
Was this
answer
helpful?
Yes
No
Saturday, October 5th, 2024 AT 9:50 AM
Tiny
ESCAPEUSER
  • MEMBER
  • 14 POSTS
You spent a whole bunch of time explaining what I cannot do as I do not have a professional scan tool that is compatible with this vehicle. Getting back to what I can do and my original question if I reinstall the original shift solenoid, remove the valve body and free any sticking valves, then reinstall, will it work without reprogramming? Assuming that is the problem of course. Does a 5 ohm conductance reading on a solenoid mean it is okay? I do not expect to have a pressure gauge until next week.
Was this
answer
helpful?
Yes
No
Saturday, October 5th, 2024 AT 2:06 PM
Tiny
KEN L
  • MASTER CERTIFIED MECHANIC
  • 55,488 POSTS
A shift solenoid in most automotive transmissions typically has a resistance range between 8 to 15 ohms.

It does not mention in the valve body installation instructions reprogramming so you should be okay. Make sure the valves are not sticking.
Was this
answer
helpful?
Yes
No
+1
Sunday, October 6th, 2024 AT 6:12 PM
Tiny
ESCAPEUSER
  • MEMBER
  • 14 POSTS
Okay, thanks, I will let you know how it goes. May take some time.
Was this
answer
helpful?
Yes
No
Sunday, October 6th, 2024 AT 8:34 PM
Tiny
ESCAPEUSER
  • MEMBER
  • 14 POSTS
Hello again. Pressure tested the unit and here are the results.
Idle in P steady at 118 psi
Idle in D spikes over 175 shaky needle for a second or two then steady at 107 when gear
engagement is felt.
Idle in R steady at 135
In D normal accel up to 215
In D harder accel in low gear up to 285

Using a Gear Wrench brand gauge, not a cheap one. Gauge goes up to 300 psi.

So it would appear I have a problem with excess pressure, not too little, may have nothing to do with valve body or solenoids? What do you suggest now? Thanks.
Was this
answer
helpful?
Yes
No
Thursday, October 24th, 2024 AT 12:03 PM
Tiny
KEN L
  • MASTER CERTIFIED MECHANIC
  • 55,488 POSTS
Yep, this would be a problem with the pressure regulating solenoid in the valve body or the pressure relief valve is stuck. Good job getting the pressures.
Was this
answer
helpful?
Yes
No
Friday, October 25th, 2024 AT 10:15 AM
Tiny
ESCAPEUSER
  • MEMBER
  • 14 POSTS
Okay, thanks, so I still have to remove the valve body. Better than removing the whole transmission. Would you suggest replacing both the pressure regulating solenoid and the pressure relief valve? Do you have a schematic showing me where these are and how to check for function? Or should it be obvious when I look at it on the work bench? Don't expect to have a problem removing the valve body.
Was this
answer
helpful?
Yes
No
Friday, October 25th, 2024 AT 2:59 PM
Tiny
KEN L
  • MASTER CERTIFIED MECHANIC
  • 55,488 POSTS
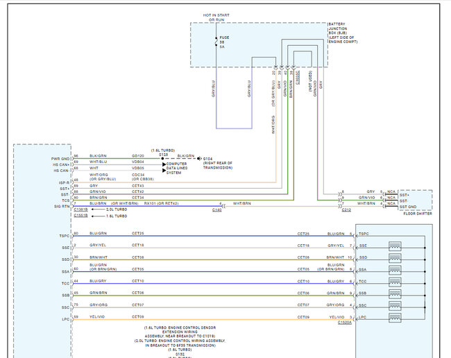
Yes, I would replace both. They don't say which solenoid is which, but I do have the transmission wiring diagrams so you can match the wiring to the solenoid. Check out the images (below). Let us know what you find.
Was this
answer
helpful?
Yes
No
+1
Saturday, October 26th, 2024 AT 9:21 AM
Tiny
ESCAPEUSER
  • MEMBER
  • 14 POSTS
Will do.
Was this
answer
helpful?
Yes
No
Saturday, October 26th, 2024 AT 1:27 PM
Tiny
ESCAPEUSER
  • MEMBER
  • 14 POSTS
Okay, I have the valve body out and the halves separated, checked for free valve movement, don't seem to have an issue there. Did conductance readings on all the solenoids, the six shift solenoids were all 5 ohms, the seventh solenoid that looks different had a much higher reading of about 15 ohms. Is that the pressure solenoid? The other question I have is if the pressure solenoid is faulty, why am I not getting the corresponding OBD 2 code? The last code I got was for a B shift solenoid after replacing the A shift solenoid. Should I replace the B solenoid? If so, which one is it? I really don't want to have to remove the front cover a third time. If I replace the pressure control valve and solenoid, is there any other reason this would not fix the problem? Will I need to have the unit reprogrammed? There is no reason for a wiring problem, it all looks pristine, the unit has been stored inside its entire life. I would have no idea where to even begin trying to diagnose a wiring issue. Thanks, I just want to be sure before I order parts. Plan to replace all gaskets as well.
Was this
answer
helpful?
Yes
No
Monday, October 28th, 2024 AT 12:38 PM
Tiny
KEN L
  • MASTER CERTIFIED MECHANIC
  • 55,488 POSTS
I would put 12 volts to each solenoid to see if you hear a click letting you the solenoid is working. The Ohms look okay, so let's test the mechanical aspect of the part.
Was this
answer
helpful?
Yes
No
Tuesday, October 29th, 2024 AT 10:41 AM
Tiny
ESCAPEUSER
  • MEMBER
  • 14 POSTS
My understanding is it is very easy to fry these things by applying 12 v DC. How do I know which connection is positive or negative? What about my other previous questions? Or should I look for another source of info?
Was this
answer
helpful?
Yes
No
Tuesday, October 29th, 2024 AT 1:21 PM
Tiny
ESCAPEUSER
  • MEMBER
  • 14 POSTS
The solenoid I got from the dealer was shipped in a static resistant pouch.
Was this
answer
helpful?
Yes
No
Tuesday, October 29th, 2024 AT 1:23 PM
Tiny
KEN L
  • MASTER CERTIFIED MECHANIC
  • 55,488 POSTS
They are 12-volt solenoids so no worries there, also polarity does not matter. If something mechanical has broken inside the transmission it can cause all kinds for strange problems like this. If you are getting a code for shift solenoid B then I would test/replace it.
Was this
answer
helpful?
Yes
No
Wednesday, October 30th, 2024 AT 9:22 AM
Tiny
ESCAPEUSER
  • MEMBER
  • 14 POSTS
Okay, thanks, will keep you updated.
Was this
answer
helpful?
Yes
No
Wednesday, October 30th, 2024 AT 2:59 PM
Tiny
ESCAPEUSER
  • MEMBER
  • 14 POSTS
Took the valve body out and replaced 4 solenoids that tested defective, put everything back together again, still doing the same thing, the B solenoid code comes up along with the red transmission fault warning that has been there since the beginning. Still showing the excess fluid pressure. I am now looking at replacing the entire transmission with a good used one, would appreciate any info on which transmissions from which units are compatible with this one. Is one from a 2014 or 2015 cross compatible? What about one from a 2 L engine? Thanks.
Was this
answer
helpful?
Yes
No
Thursday, November 7th, 2024 AT 1:33 PM

Please login or register to post a reply.