Sunday, January 22nd, 2012 AT 3:36 AM
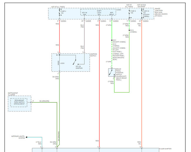
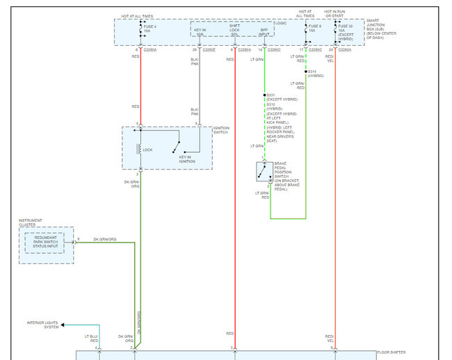
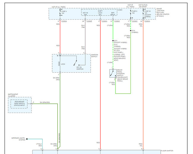
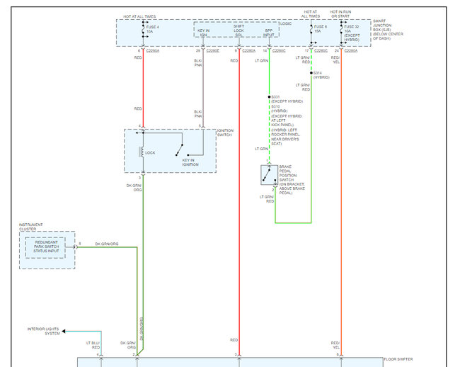
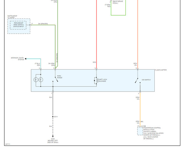
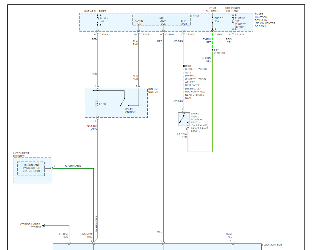
When I start the car and step on brake pedal and try to shift from park the shift lever will not move from park I have to depress the manual release to shift it.





