Service trailer brake system and ABS light on?

Tiny
LOVIEDREAM
  • MEMBER
  • 2013 CHEVROLET SILVERADO
  • 6.0L
  • V8
  • 4WD
  • AUTOMATIC
  • 140,000 MILES
The service trailer brake system light came on and I need to pull my fifth wheel camper Onstar said code was c0131. Is vehicle safe to drive and pull camper need to drive six hundred miles home?
Wednesday, April 4th, 2018 AT 11:10 AM

39 Replies

Tiny
KEN L
  • MASTER CERTIFIED MECHANIC
  • 55,266 POSTS
Hello,

This can be an easy thing or a little more difficult first can you confirm the brake light working all of them?

Next I would confirm all the fuses are good.

https://www.2carpros.com/articles/how-to-check-a-car-fuse

These videos will help as well

https://youtu.be/Pb6nXV-iamI

and

https://youtu.be/rTtAnsOlZU4

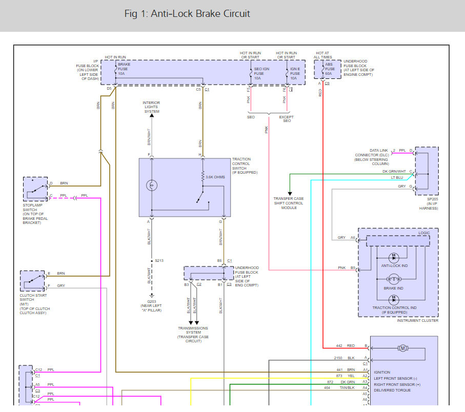
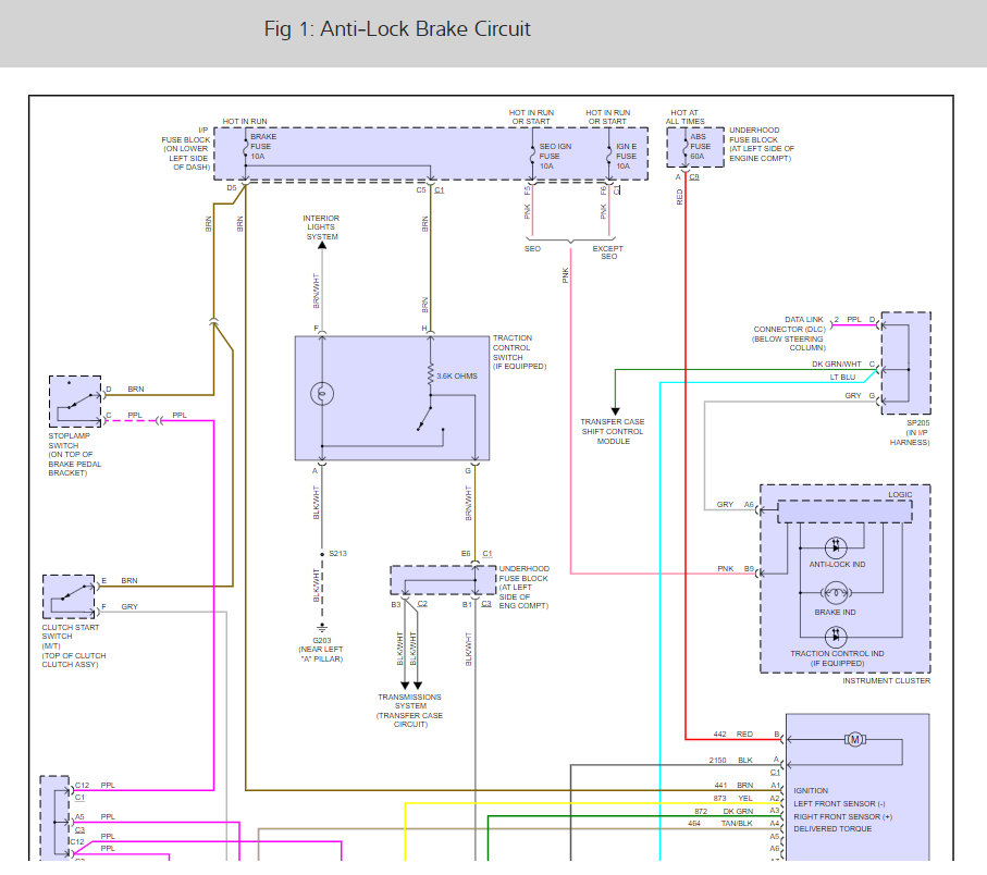
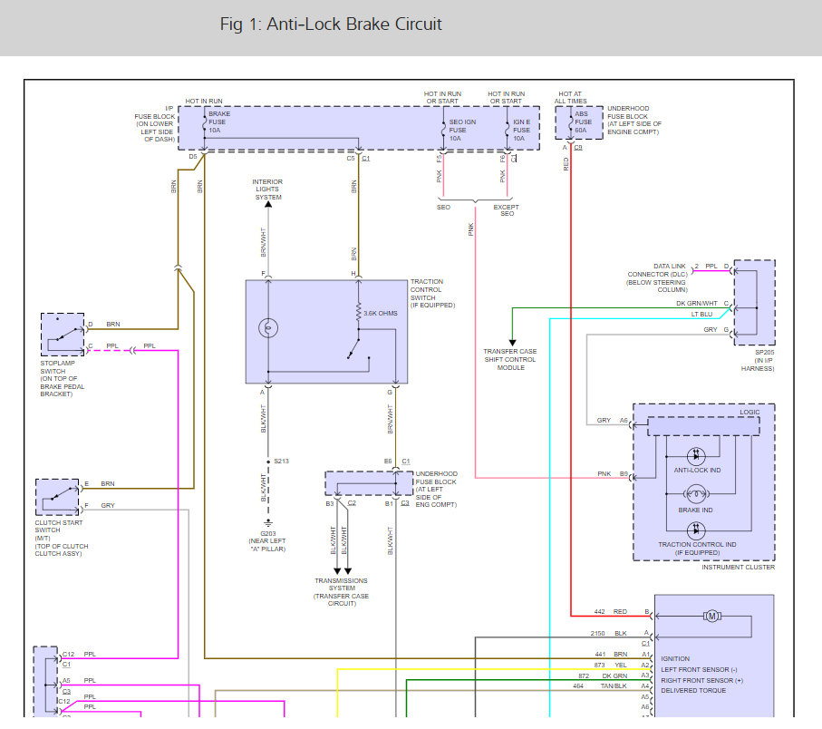
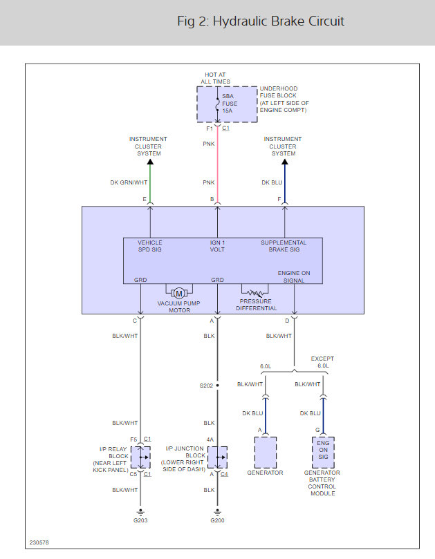
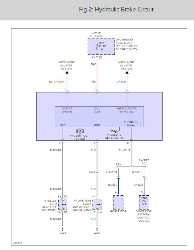
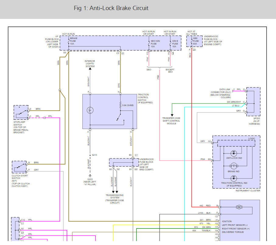
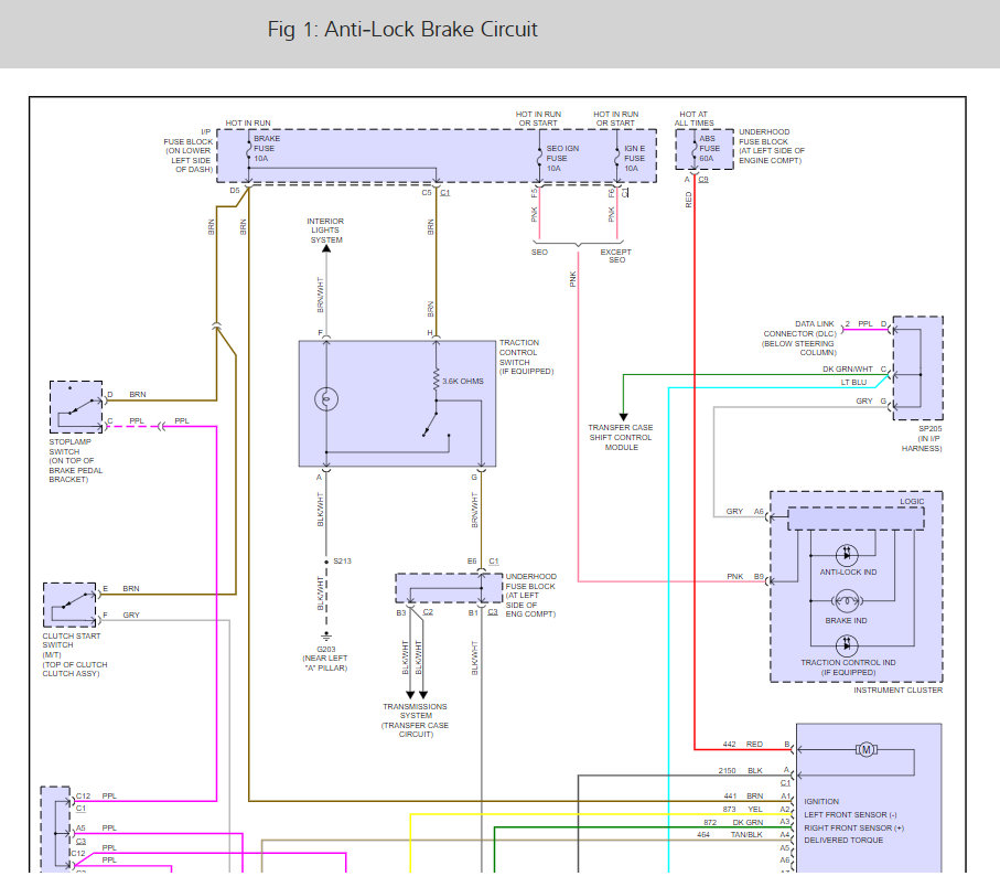
Below is the fuse panel and locations for you. Check out the diagrams (below). Please let us know what you find. We are interested to see what it is.
Was this
answer
helpful?
Yes
No
Thursday, April 5th, 2018 AT 1:58 PM
Tiny
GARY CLARK SR.
  • MEMBER
  • 4 POSTS
  • 2009 CHEVROLET SILVERADO
  • 4.3L
  • V6
  • 2WD
  • AUTOMATIC
  • 149,000 MILES
I was driving at highway speed and my dash light (ABS) light came on. About two miles later when I came to a stop my speedometer needle was bouncing from 0 to about 35 while stopped. Upon leaving the stop sign I had first and second gear but no other gears. I have scanned this vehicle and get a C0550 code telling me that I should replace the ABS speed sensor that is located on the tail housing of the transmission. I have done this twice and checked the two wires that end up at the ECU for damage. I changed the transmission oil and filter for the first time ever and found what I would consider very little deposits on the magnets. Upon test driving it again the scanner tells me that I now have code C0550 and that a common repair for this is to replace the ABS control module. I was getting the ABS code about every ten to fifteen miles that I was driving. I can cycle the key to clear it. I experimented with driving in the 3 position instead of D and I was able to go 120 miles with no issues. It appears to me that the issue is related to fourth gear and that something is not reading the speed sensors right, or I have bad sensors or modules. When the code is not present the transmission seems to function properly. If it turns out to be a ABS module, do I need to get it flashed or programmed or is it just a nut and bolt swap?
Was this
answer
helpful?
Yes
No
Wednesday, September 2nd, 2020 AT 11:56 AM (Merged)
Tiny
KEN L
  • MASTER CERTIFIED MECHANIC
  • 55,266 POSTS
Hello Gary,

This sounds like the ABS control module is out which is common on these trucks. Here is a video of the job being done and a guide to help with any technical information needed:

https://youtu.be/lUotkKXG9dY

and

https://www.2carpros.com/articles/how-to-replace-a-abs-controller

The module should be plug and play.

Please let us know what happens.

Cheers, Ken
Was this
answer
helpful?
Yes
No
Wednesday, September 2nd, 2020 AT 11:56 AM (Merged)
Tiny
GARY CLARK SR.
  • MEMBER
  • 4 POSTS
Ken,
I replaced the module with a factory GM module with the exact same part numbers on it. Upon start up I had an ABS light and a brake light. I drove it for a test drive about six miles and I lost all of my gauges as well as the shifting problem returned. I brought it back to the shop and was going to trouble shoot some more and when I tried to start it the truck would not even crank. I put the old module back in and ordered another new one. The second new ABS module allows me to start and drive but the ABS light is on and after a few miles the speedometer starts bouncing again and shifting becomes erratic. The code that I have now is C0569. Are the modules a programmed or learned unit? Am I looking at an ECU module? Suggestions please. The scanner seems to communicate okay with the ECU as I can trigger the ABS pump, check for four gear lock up and shifting patterns okay. Please let me know what you think. Thanks. Gary
Was this
answer
helpful?
Yes
No
Wednesday, September 2nd, 2020 AT 11:56 AM (Merged)
Tiny
KEN L
  • MASTER CERTIFIED MECHANIC
  • 55,266 POSTS
Hmm, that is weird must be glitch. With a different ABS module so many problems leads me to think either the new unit is defective or the PCM is having problems. I am not sure if the ABS module is plug and play (the last one I did was) so this can be an issue as well. At this point I would do a pin to pin wiring check to make sure we are not battling a connection issue. Here is a guide to help you with that and the ABS wiring diagrams. Make sure power and grounds are all good as well.

https://www.2carpros.com/articles/how-to-check-wiring

Check out the diagrams (below). Please run this test and get back to us.

Cheers, Ken
Was this
answer
helpful?
Yes
No
Wednesday, September 2nd, 2020 AT 11:56 AM (Merged)
Tiny
GARY CLARK SR.
  • MEMBER
  • 4 POSTS
Good evening all,
Today I started from scratch. I tested the front L/R ABS sensors and they tested good. And when disconnected gave me a code. The ABS speed sensor tested open in static mode like it is supposed to and has been replaced twice with a new one just to make sure. The ABS brake module has been replaced twice this week to try and insure a properly working unit. I ohmed out the wiring harness from the ABS speed module on the tail housing to the pin connector on the ECM. I disconnected the ground cables (three) of them from the chassis, ground the steel with a grinder and file before reassembly. I have a good circuit from the ECM to the ABS speed module on the transmission. At present I have a steady ABS light and a steady red brake light on. While driving the transmission works fine for about fifteen miles before issues arise. When the issues start, at idle with my foot on the brake, the speedometer will start to bounce from zero to almost seventy mph. If I try to take of while the speedometer is up there the transmission kicks in hard. I have no ABS brake function but the brakes work well with a good pedal. I have current codes of C0569 and C0550. I have tested each and every fuse under the hood and the dash. At this time the truck has had three ABS speed transmission modules and two ABS brake modules. I phoned the local GM dealer and was told that if I purchased an ECM programmed from them that the bill would exceed $1,000.00. I think that about covers what I did today. Thanks for any advice. Gary
Was this
answer
helpful?
Yes
No
Wednesday, September 2nd, 2020 AT 11:56 AM (Merged)
Tiny
CHEVYGUY123456789
  • MEMBER
  • 1 POST
  • 2008 CHEVROLET SILVERADO
  • 6.6L
  • TURBO
  • 2WD
  • AUTOMATIC
  • 211,000 MILES
Hi, my ABS light just came on today. Once in a while I hear grinding coming from the tire. Replaced wheel bearing month ago so I know it is not that. What could it be?
Was this
answer
helpful?
Yes
No
Wednesday, September 2nd, 2020 AT 11:56 AM (Merged)
Tiny
ASEMASTER6371
  • MECHANIC
  • 52,796 POSTS
Good morning.

The ABS system is an electronic control system for the brakes that keeps the wheels from locking up under heavy braking so you do not loose control while braking.

when the light comes, there is a fault in the system that is stored in the control unit. a code is stored that will give the techs an area of failure so diagnostics can be performed to determine the failure.

The first thing to do is to have the code checked. a parts store will read the code for you for free. once we know the code, we can narrow the area of failure for you.

https://www.2carpros.com/articles/abs-warning-light-on-easy-repair-guide

Roy
Was this
answer
helpful?
Yes
No
Wednesday, September 2nd, 2020 AT 11:56 AM (Merged)
Tiny
KEN L
  • MASTER CERTIFIED MECHANIC
  • 55,266 POSTS
It sounds like you have done all you can do. I believe the system needs to be programmed. It should cost about $130.00. I would call around until you find a shop that can do it.

Here is a site that offers the service:

https://www.youtube.com/channel/UCdKyUHzYu-KBR7dPEHhJvRw/

This is what the shop would need.
Was this
answer
helpful?
Yes
No
Wednesday, September 2nd, 2020 AT 11:56 AM (Merged)
Tiny
GARY CLARK SR.
  • MEMBER
  • 4 POSTS
Hello to all,
Sorry that it has taken so long to get back to you but I took the truck to the GMC dealer and they had it for four weeks and three days trying to figure this out. The short version of this goes like this. They removed all of my new parts and reinstalled the old ones. Then the first thing that they did was replace my ABS sensor in the transmission again. Then they rewired the transmission ABS speed sensor. Then a Transmission Control Module was replaced and programmed. Then they replaced the left front hub and spindle assembly. Then a new ABS sensor for the left side was replaced. And finally the left side speed sensor was rewired going to the ECM. Finally the abs lights are off. In the end what it appears to have been was bad wires from the left side front speed sensor to the ECM. Did I mention four weeks and three days. At one point I was asked if I wanted the ABS brakes and lights to work as the truck seemed okay with them on. Thanks for your suggestions guys and trying to help me out. G
Was this
answer
helpful?
Yes
No
Wednesday, September 2nd, 2020 AT 11:56 AM (Merged)
Tiny
ASEMASTER6371
  • MECHANIC
  • 52,796 POSTS
Good afternoon

The 569 is a configuration error. There is nothing wrong with the module it just has no flashing to tell it what to do.

You need to take your truck to a shop that can flash the ABS module.

Once that is done lets see what happens.

Roy
Was this
answer
helpful?
Yes
No
-1
Wednesday, September 2nd, 2020 AT 11:56 AM (Merged)
Tiny
DANHANSEN233
  • MEMBER
  • 3 POSTS
  • 2006 CHEVROLET SILVERADO
  • 5.7L
  • V8
  • 4WD
  • AUTOMATIC
  • 140 MILES
ABS and brake light comes on at start up, no codes found, clear light with scan tool, lights stay off until key is cycled, then they come back on. No codes found? Drive cycle test shows all wheel speed sensors working.
Was this
answer
helpful?
Yes
No
Wednesday, September 2nd, 2020 AT 11:56 AM (Merged)
Tiny
KEN L
  • MASTER CERTIFIED MECHANIC
  • 55,266 POSTS
This can happen if the brake fluid level is low. Can you check it please? Let me know, Cheers, Ken
Was this
answer
helpful?
Yes
No
Wednesday, September 2nd, 2020 AT 11:56 AM (Merged)
Tiny
DANHANSEN233
  • MEMBER
  • 3 POSTS
The brake fluid level is fine, my son just purchased the truck. The lights were on when he got it. We installed new pads and rotors for and after.
Was this
answer
helpful?
Yes
No
Wednesday, September 2nd, 2020 AT 11:56 AM (Merged)
Tiny
DANHANSEN233
  • MEMBER
  • 3 POSTS
That is Forward and AFT.
Was this
answer
helpful?
Yes
No
Wednesday, September 2nd, 2020 AT 11:56 AM (Merged)
Tiny
KEN L
  • MASTER CERTIFIED MECHANIC
  • 55,266 POSTS
If the fluid level is okay and the fuses are good then the module must be bad. Here are videos on how to double check for codes and how to change the module out. Also, lets check the fuses before you begin.

ABS scan:

https://youtu.be/rTtAnsOlZU4

ABS Module:

https://youtu.be/lUotkKXG9dY

And how to check a fuse:

https://www.2carpros.com/articles/how-to-check-a-car-fuse

Look at the ABS wiring diagrams to see how the system works and which fuses to check.

Here are the instructions on how to change the ABS module out (below).

Check out the diagrams (below). Please let us know what you find. We are interested to see what it is.
Was this
answer
helpful?
Yes
No
Wednesday, September 2nd, 2020 AT 11:56 AM (Merged)
Tiny
HBRAZELL
  • MEMBER
  • 1 POST
  • 2006 CHEVROLET SILVERADO
Brakes problem
2006 Chevy Silverado V8 Four Wheel Drive Automatic 174k miles

the abs brake light is going on and off-mainly on-when its on theres chatter and movement in the petal and you can feel it in the steering wheel when applying the brakes, -note- both front wheel bearing housings have been replaced recently-6months-1 year.
Was this
answer
helpful?
Yes
No
Wednesday, September 2nd, 2020 AT 11:56 AM (Merged)
Tiny
JACOBANDNICKOLAS
  • MECHANIC
  • 110,192 POSTS
Have the computer scanned to determine where the problem is coming from. Something tells me there is a broken or damaged wire to one of the new front hubs which holds the sensors. It could even be a loose plug.

Check that out and let me know what you find.

Joe
Was this
answer
helpful?
Yes
No
-1
Wednesday, September 2nd, 2020 AT 11:56 AM (Merged)
Tiny
DOYLE RUSHING
  • MEMBER
  • 3 POSTS
  • 2006 CHEVROLET SILVERADO
  • 142,000 MILES
Blower motor and cruise stopped working at the same time my anti lock brake light came on at the same time
Was this
answer
helpful?
Yes
No
Wednesday, September 2nd, 2020 AT 11:57 AM (Merged)
Tiny
HMAC300
  • MECHANIC
  • 48,601 POSTS
Check to see if power is getting to blower at any speed your harness under the dash may have burnt up they are about $100 for harness check fuses under hood and dash for blower. Check blower resistor and have scanned tosee what is wrong with abs unit or why it set it off
Was this
answer
helpful?
Yes
No
Wednesday, September 2nd, 2020 AT 11:57 AM (Merged)

Please login or register to post a reply.