Serpentine belt

Tiny
PATRICIA WHITE
  • MEMBER
  • 1990 MITSUBISHI ECLIPSE
  • 2.0L
  • 4 CYL
  • 2WD
  • AUTOMATIC
  • 162,000 MILES
What is the length of my what is the length of my serpentine belt?
Monday, May 15th, 2017 AT 12:49 AM

1 Reply

Tiny
STEVE W.
  • MECHANIC
  • 15,669 POSTS
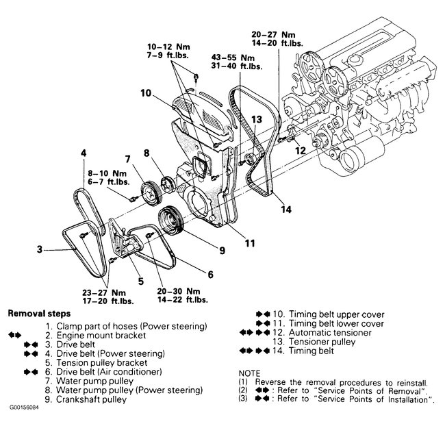
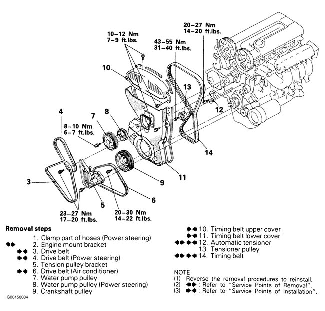
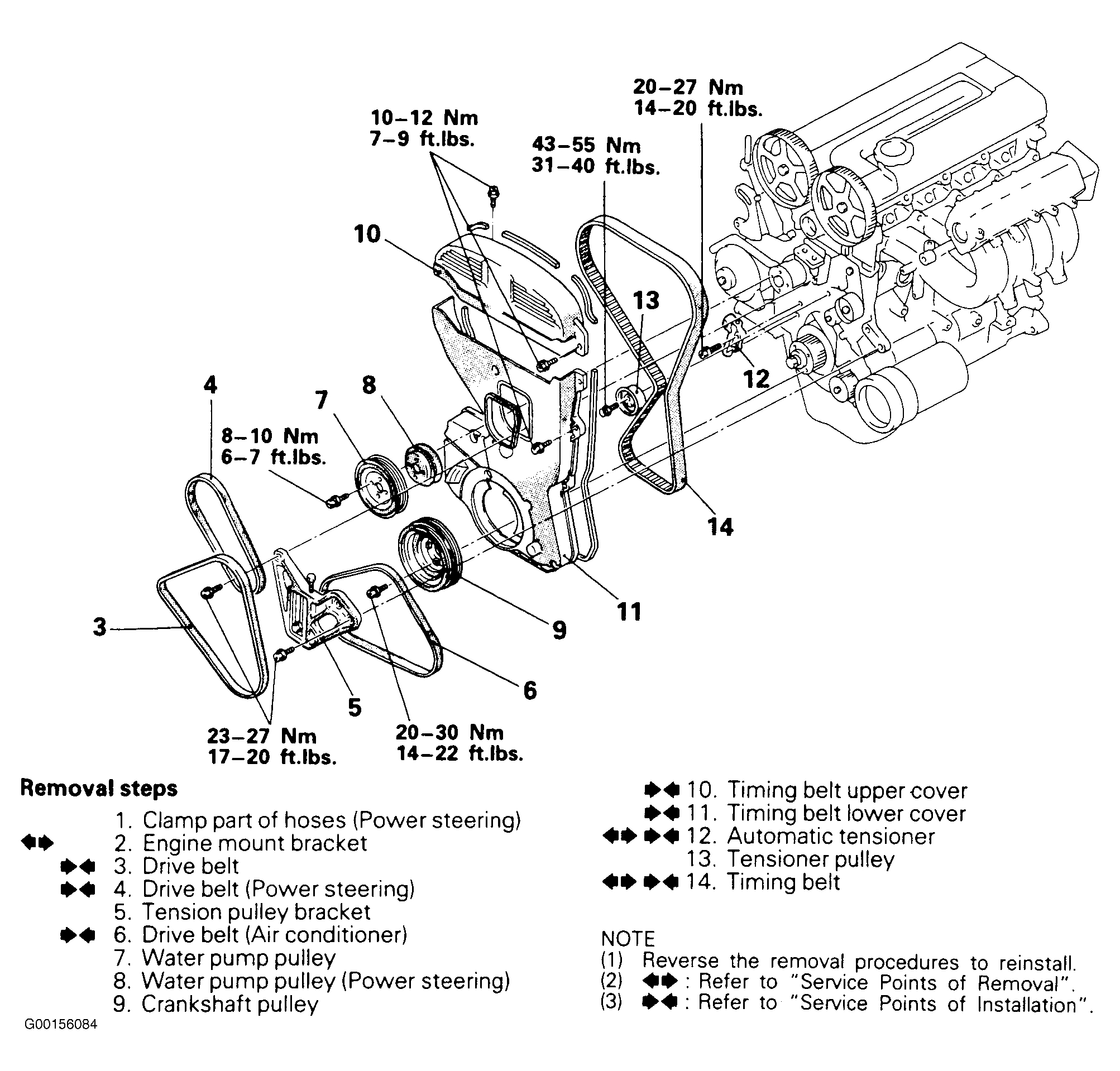
Well it looks like you have a few options as it uses multiple belts. If you have one belt that is failing you would be better off changing all three just to avoid trouble from the ones you did not replace.

Length wise the belt that drives the AC (6) is 945mm long the one that drives the alternator and water pump (3) is 990mm long. The V belt that drives the power steering (4) is 673mm.
Was this
answer
helpful?
Yes
No
Monday, May 15th, 2017 AT 4:41 AM

Please login or register to post a reply.