Runs then shuts off as soon as it gets to operating temp 210

Tiny
DANINROY
  • MEMBER
  • 24 POSTS
Sorry yes. I have multiple advances in area my son used autozone, not a personal pref. Too many bad parts there for me. Distrib. Test was good, followed other test per your pics, did follow to a T. Live in Pa. We do have Emmisions some lite, asw far as your test very nice love the pics makes what you say understandable, new ICM tested 3 rd try bad, they are ordering anew one for me, this is ICM # 2 from them 1 Week thinking of short in that area no bad looking wires thou Thanks again for the help, just eager to let son drive me around in it, and love that willy jeep.
Was this
answer
helpful?
Yes
No
Friday, July 12th, 2013 AT 10:56 AM
Tiny
CJ MEDEVAC
  • MECHANIC
  • 11,005 POSTS
ANYWHERE CLOSE TO DERRY, PA?

DID YOU UNDERSTAND HOW THIS WORKS AT ADVANCE?

https://www.2carpros.com/questions/2001-dodge-neon-milage-just-want-put-fliuds-their-locations

I JUST NOW USED "A124" FOR A SET OF WIPER BLADES AND 2 CANS OF VINYL SPRAY PAINT.....MY SUB-TOTAL WAS $33.16......I INSTALLED "A124"....TAX AND ALL, IT DROPPED IT TO $24.55............WHEN I FINISH WRITING TO YOU, I'M GONNA PICK IT UP!

'MEMBER, THIS CODE TAKES $10 OFF OF "OVER 30"---$25 OFF OF "OVER 70"---$40 OFF OF OVER 110)...............AFTER YOU MAX AT THAT POINT, AND NEED MORE STUFF.......START A NEW ORDER!

PLAYING A LITTLE "MUSICAL CHAIRS" WITH YOUR ITEMS WILL LET YOU GET THE MOST FOR YOUR $$$s!

ALSO MEMBER TO TEST THE NEW INCOMING ONE.............IF, IT'S BAD......'NUTHER STORE, 'NUTHER BRAND!..............DON'T FRET, YOU ARE NOT THE 1ST......DIS HAPPENED TO ME LONG TIME AGO, G.I. !!!!.........SPENT LONG TIME CHASIN' MY TAIL/ TEARING INTO MY JEEP'S WIRING......YOU WERE ABLE TO GET INSIDER INFO!

REMOVE BREATHER AND "TIN FOIL" OVER YOUR CARB THROAT

CLEAN YOUR ENGINE PURPLE POWER....LET IT SIT 10 MINUTES--RINSE WITH PRESSURE NOZZLE ON GARDEN HOSE.......2ND GO 'ROUND---USE THE PURPLE POWER AGAIN....USE TOOTH BRUSH ON STUBBORN STUFF....................KEEP IT OFF OF YOUR EXTERIOR PAINT, IF IT GETS ON IT, RINSE IT SOON.............EVERYTHING ELSE UNDER THE HOOD IS "FAIR GAME"

BE PREPARED TO REMOVE THE DISTRIBUTOR CAP AND WIPE OUT ANY WATER WITH A RAG/ PAPER TOWEL

THIS WILL MAKE MESSING WITH IT MORE ENJOYABLE, AND HAVE CLEANER HANDS

ONCE YOU ARE RUNNING.......I'LL GO INTO TUNING!

YOU WILL NEED A "TACH/ DWELL METER" AND A "PLAIN JANE" TIMING LIGHT

NOW-A-DAYS........YOU CAN FIND THEM CHEAP AT PAWN SHOPS.....SOME HAVE NO CLUE AS TO WHAT THEY ARE!

MY PAL GOT THIS WHOLE "LITTLE SET" (WORKS FINE) A FEW YEARS BACK AT "HARBOR FREIGHT", IT WAS ABOUT $40, USING THE PART NUMBER, YOU MAY BE ABLE TO FIND IT ON THE NET

KEEP ME INFORMED ON PROGRESS

THE MEDIC
Was this
answer
helpful?
Yes
No
Friday, July 12th, 2013 AT 11:45 AM
Tiny
DANINROY
  • MEMBER
  • 24 POSTS
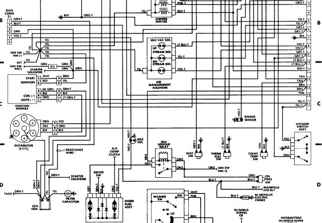
Question looked at your diagram from last message the wire one sorry, and notticed the orange, purple, green and black that connect to the Ignition controll module mine only has light green, black and dark green the module has black green orange and purple the purple slot out is blank no wire, the green wire which would be the orange from the module has another wire connected to it
seems something is a miss or is this normal, sending a pic let me know if it seem like someone moved something on me and one more thing, could my ignition switch be causing my module to short? Or am my that lucky. Put old modulein started ran rough then shut down an would not start after that. Your turn
Was this
answer
helpful?
Yes
No
Monday, July 15th, 2013 AT 2:17 PM
Tiny
DANINROY
  • MEMBER
  • 24 POSTS
Also did not find a ballast resistor?
Was this
answer
helpful?
Yes
No
Monday, July 15th, 2013 AT 2:24 PM
Tiny
CJ MEDEVAC
  • MECHANIC
  • 11,005 POSTS
ALL RIGHTY THEN

'MEMBER I SAID THAT WAS FOR A '79 IT HAS A "RESISTANCE WIRE" FOR THE MOTORCRAFT IGN SYSTEM

MY '77 DID NOT HAVE THE RESISTANCE WIRE WITH A "PRSTOLITE IGN SYSTEM", WHEN I "UPGRADED" TO MOTORCRAFT, I HAD TO ADD RESISTANCE.I DID THIS BY ADDING A BALLAST RESISTOR TO TAKE THE PLACE OF THE "NON-EXISTENT" RESISTANCE WIRE

THE 1ST DIAGRAM I THREW YOU IS SORTA WHAT THE "NUTTER BYPASS" DOES---IT TAKES THE IGNITION OUT OF THE COMPUTER (SO THE COMPUTER CANNOT AFFECT IT) AND MAKES THE IGN SYSTEM "MORE BACK" TO AN EARLIER COMPUTER-LESS SYSTEM. MUCH LIKE THE 1979
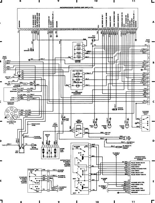
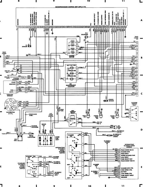
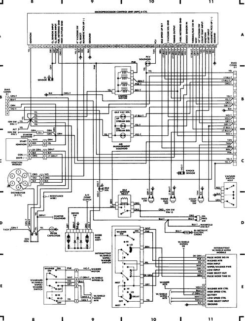
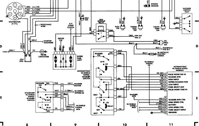
.
.
.
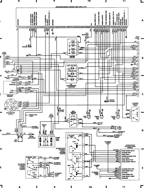
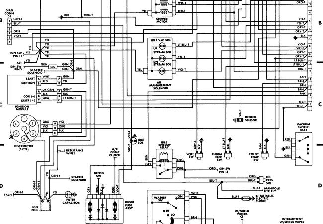
THIS DIAGRAM BELOW IS THE WIRING DIAGRAM FOR A "PLAIN JANE" '88 WRANGLER. LEMME KNOW IF YOURS IS A "LARADO", "S", OR A "SAHARA". THE DIAGRAMS MAY BE THE SAME, OR THEY COULD DIFFER

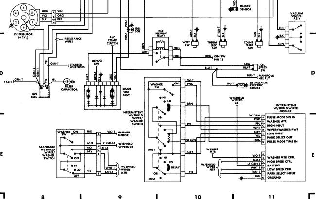
NOTICE OVER NEXT TO THE DISTRIBUTOR. YOU WILL SEE THE RESISTANCE WIRE

IF IT HAS NOT BEEN TAMPERED WITH OR REPLACED WITH A REGULAR WIRE, WITH THE "KEY ON", VOLTAGE TO THE POSITIVE SIDE OF THE COIL WILL BE REDUCED. IT WILL NOT BE EQUAL TO THE BATTERY VOLTAGE

SINCE I HAVE NO OTHER WAY TO SEND YOU THESE DIAGRAMS

I KNOW IT MUST BE HARD TO READ (I'M USING A 32" FLATSCREEN AS A MONITOR, IT IS NOT AS EZ ON 2CAR, AS THE DOWNLOAD IN "MY PICTURES"). IF YOU WANT ME TO, I CAN "CROP" THE DIAGRAM 2 WAYS AND SUBMIT BOTH HALVES ON 2 CAR TO MAKE THEM BIGGER

DOES THIS DIAGRAM HELP?

WIRE COLORS ARE LABELED

IT'S NAMED "COMPUTER ENGINE (6 CYL)", IN MITCHELL I

THE MEDIC
Was this
answer
helpful?
Yes
No
Monday, July 15th, 2013 AT 3:45 PM
Tiny
DANINROY
  • MEMBER
  • 24 POSTS
If You could crop an lil bigger would be great if no trouble really apprieciate the help, but could the ignition switch be my problem, and also as you stated again when I tested my coil I did get 12 amp on the pos side. Is there something I should look for
Was this
answer
helpful?
Yes
No
Tuesday, July 16th, 2013 AT 1:18 PM
Tiny
CJ MEDEVAC
  • MECHANIC
  • 11,005 POSTS
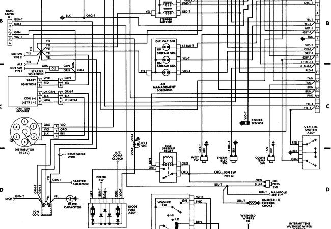
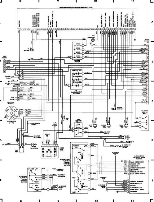
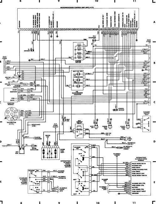
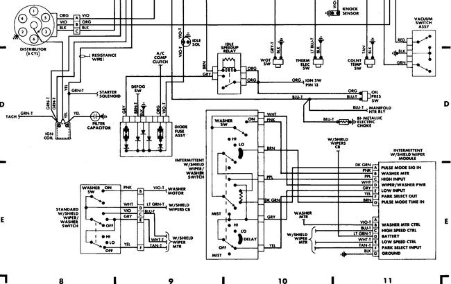
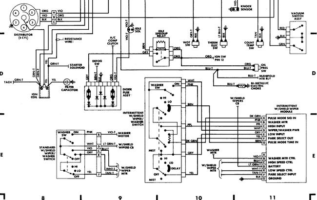
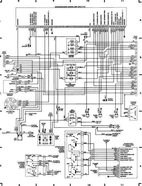
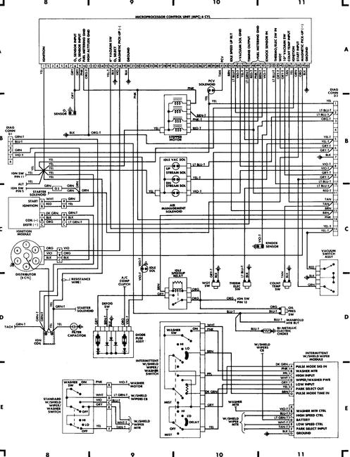
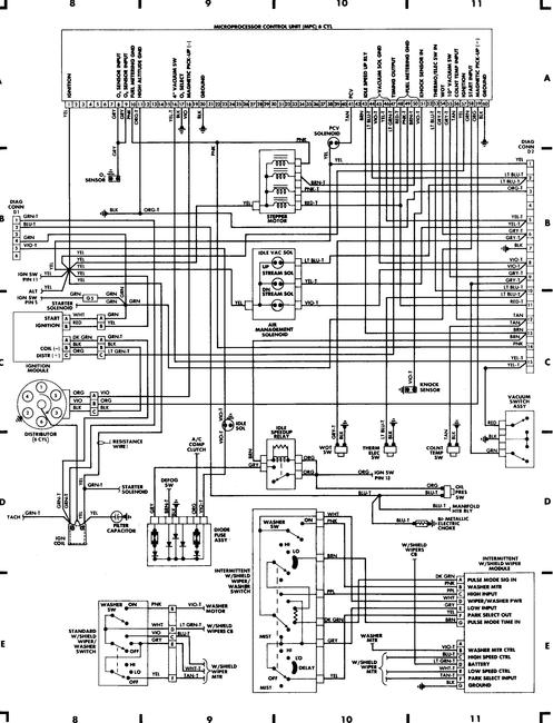
LOOK AT THE DIAGRAMS. RESISTANCE WIRE GOES TO THE COIL

HAS THAT WIRE BEEN CUT/ SPLICED/ REPLACED?

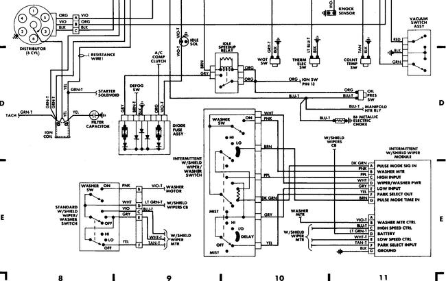
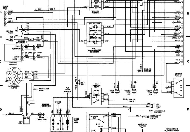
I CROPPED THE SAME DIAGRAM 3 WAYS. TOP HALF. BOTTOM HALF. AND THE MIDDLE

IF THE IGNITION SWITCH WAS THE PROBLEM. PAGE 2, JULY 10, TEST AT COIL WOULDA MADE IT RUN

ARE YOU SURE YOU PERFORMED THE TEST RIGHT. DID YOU HAVE GOOD CONNECTIONS WITH THE JUMPER WIRES?

POS BATTERY TO POSITIVE COIL STUD. NEGATIVE ON COIL CAP WENT TO NEG ON COIL

DOING THIS BYPASSES THE IGNITION SWITCH

. YOU DID THIS TEST WITH A "BAD" IGNITION MODULE INSTALLED?

LET'S DO IT AGAIN !

THE MEDIC
Was this
answer
helpful?
Yes
No
Tuesday, July 16th, 2013 AT 7:45 PM
Tiny
DANINROY
  • MEMBER
  • 24 POSTS
Yes the the wires have a splice on them, the capacitor/ condensor whatever its call is not cut though still has a plug. Not sure if ICM was bad will try test again.
Was this
answer
helpful?
Yes
No
Wednesday, July 17th, 2013 AT 9:34 AM
Tiny
CJ MEDEVAC
  • MECHANIC
  • 11,005 POSTS
VERIFY THIS

THE MEDIC
Was this
answer
helpful?
Yes
No
Wednesday, July 17th, 2013 AT 11:17 AM
Tiny
CJ MEDEVAC
  • MECHANIC
  • 11,005 POSTS
OK. LEFT OUT THE "L" IN SPLICE

RE-DID IT!

THE MEDIC
Was this
answer
helpful?
Yes
No
Wednesday, July 17th, 2013 AT 1:11 PM
Tiny
DANINROY
  • MEMBER
  • 24 POSTS
Ok re tested no luck battery starting to die going to put on charger, wire out of harness followed it, it comes from pos term on dist connects to capacitor, then to a wire that goes to soleniod, is red at this piont goes up firewall and connects to about 4 yellow wires and a olive colored wire which goes back toward soleniod the yellow wires 2 to a plug which is not plugged and other too didnt follow back. I got ahold of previous owner he said when had vehicle only trouble he had was would run then shut off by its self and would let set and start up and do it all over, ended up being the capacitor he said, I have one but battery is low so cant try it.
Was this
answer
helpful?
Yes
No
Wednesday, July 17th, 2013 AT 2:56 PM
Tiny
CJ MEDEVAC
  • MECHANIC
  • 11,005 POSTS
SOUNDS LIKE SOMEONE HAS PLAYED MUSICAL WIRES WITH THIS POOR BABY!

YOU ARE GONNA HATE ME!

LET'S GET THIS "NEW" IGN MODULE TESTED.....AGAIN

IF IT IS NOW BAD, WE ARE GONNA ASSUME THAT THE "MIS-WIRING" IS KILLING IT

SEE IF YOU CAN GET ANOTHER (WARRANTY)

MAYBE DON'T TELL 'EM ANY UNNECESSARY INFO.....MAYBE SEEK OUT THE PARTS GUY YOU HAVEN'T SPILLED YOUR GUTS TO!

I HAVE ASKED SEVERAL TIMES ABOUT DO YOU DO AN ANNUAL EMISSIONS CHECK OR IS YOUR REGION EXCLUDED?

IN THE BEGINNING, YOU MENTIONED IT CUT OFF WHEN IT REACHED 210 DEGREES, IT MIGHT BE WITH THE MESSED UP WIRING, WHEN A SENSOR REACHES TEMP AND "TURNS ON OR OFF" IT KILLS THE IGNITION SYSTEM

I MAY BE ABLE TO SHOW YOU PICS OF MY FRIENDS '88, WHEREAS THE "CRAP" HAS BEEN UNHOOKED (AND TIED OUT OF THE WAY).......SOON WE WILL CHOP IT COMPLETELY OUT..........MY PAL WAS A LITTLE HESITANT IN TAKING IT LOOSE AT 1ST.............HE'S NOW CONVINCED THAT IT DOES RUN SO MUCH BETTER.

WE'VE BEEN SLOWLY GOING OVER HIS, THE PREVIOUS OWNER ADDED A DIFFERENT CARB, WE HAD SOME VACUUM ISSUES, WE HAVE IT TUNED PRETTY DARN GOOD NOW!

ANOTHER FELLER CAME TO SEE ME WITH HIS WRANGLER----HE ORDERED A BRAND NEW CARB THAT I SUGGESTED (ONLY $150!!!) WHEN IT CAME IN, INSTALLED IT, REMOVED THE CRAP.........GOOD TO GO!!!!

MAYBE I CAN GET PICS OF BOTH OF THEM SOON............I NEED TO KNOW IF YOUR END IS ABLE

DO YOU KNOW HOW TO USE "MICROSOFT PAINT"?

IF SO, CAN YOU DRAW IN THE "ADDED"/ "CHANGED" WIRES ON ONE OF THE DIAGRAMS I SENT?

I REALLY TRIED TO FIGURE OUT YOUR WIRE EXPLANATION........THERE IS NO POSITIVE TERMINAL ON THE DISTRIBUTOR??????????????

IF NOTHING ELSE.....DO IT LIKE I DID, BEFORE I LEARNED PAINT......INSURE YOU GET A GOOD PIC THAT I CAN UNDERSTAND!.....SEE THE LAST PIC IN THIS LINK

https://www.2carpros.com/questions/jeep-wrangler-1984-jeep-wrangler-floor-mounted-dimmer-switch

THE MEDIC
Was this
answer
helpful?
Yes
No
Wednesday, July 17th, 2013 AT 4:08 PM
Tiny
DANINROY
  • MEMBER
  • 24 POSTS
Sorry met pos side of coil lol, just getting frustrated, and yes can do on paint will have wifey help. We do have emmissions but usually its exempt because of the mileage on it. Tried test on coil again too with key on 12 volts when I crank engine 11 volts. As far as the ICM can do never mentioned having wire trouble so they think its on there end also can go to different store.
Was this
answer
helpful?
Yes
No
Wednesday, July 17th, 2013 AT 5:30 PM
Tiny
DANINROY
  • MEMBER
  • 24 POSTS
First pic of coil with jerry wire connects, second pic of the grnd side of coil wire goes to harness and is attached there 3 rd pic is where pos side of coil wire goes after connecting to soleniod up fire wall center of engine connecs to these yellow wires and one yellow goes to CM other to comp and another to a plug as seen in 4 th pic not used
Was this
answer
helpful?
Yes
No
Wednesday, July 17th, 2013 AT 5:53 PM
Tiny
CJ MEDEVAC
  • MECHANIC
  • 11,005 POSTS
YES....I'VE GOT ABOUT 2.5 HOURS IN THIS ANSWER......I SEE YOU HAVE BEEN ANSWERING BEFORE I SUBMITTED THIS

IS THIS WHAT YOUR IGNITION MODULE LOOKS LIKE?

BE SURE TO LOOK AT THE OTHER VIEWS UNDER THE IMAGE

http://shop.advanceautoparts.com/webapp/wcs/stores/servlet/product_ignition-control-module-bwd_3051277-p?searchTerm=ignition+module%2Fcontrol#

YOU ALSO SAID THE "MYSTERY WIRE" RAN TO THE SOLENOID........WHERE ON THE SOLENOID?......IS THIS THE SOLENOID YOU ARE TALKING ABOUT?

http://shop.advanceautoparts.com/webapp/wcs/stores/servlet/product_starter-solenoid-bwd_3993949-p?searchTerm=solenoid

IF YOU "HAVE" TO BUY PARTS, REMEMBER PAGE 2 AND "A124"

I REALLY WANNA SEE WHAT YOU CHANGE ON THE WIRING DIAGRAM IN "PAINT"

.................BEFORE I START TELLING YOU WHAT TO CHANGE

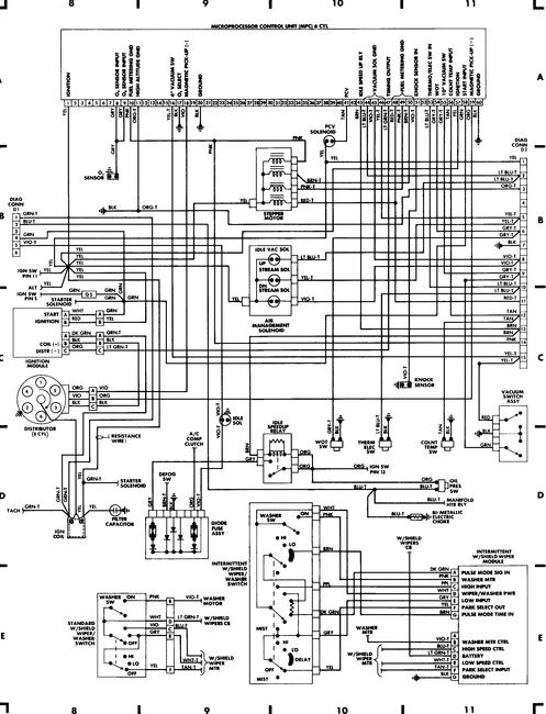
HERE'S THE FULL DIAGRAM AGAIN, SAVE IT IN YOUR PICS, TAKE IT TO PAINT...........I JUST CHANGED IT FROM "GIF" TO "JPEG" FORMAT IN MY "PAINT"

IF WE GET 'ER DONE CORRECTLY.....IT WILL BE WORTH THE WAIT!

YOUR INFO IS MOST HELPFUL!

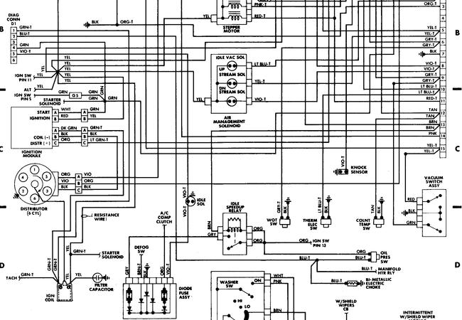
I'M STILL COLLECTING INFO ON WHAT WE ARE STARTING OUT WITH.......TRACE THIS GREEN WIRE FOR ME IN THE PIC BELOW......INSURE YOU BEGIN AT THE "CORRECT" GREEN ONE AT THE MODULE........I WANNA KNOW WHERE IT ENDS UP ON THE JEEP (NOT NECESSARILY THE WAY IT IS IN MY DIAGRAM)

I FEEL THAT WE WILL END UP DOING THE COMPUTER BYPASS AND MAKING THIS MUCH LIKE A 1979

LEMME GET ALL OF THIS TOGETHER.......IT'S MUCH EZer TO DO THIS WHEN YOU CAN SEE/ TOUCH........I REALLY FEEL GOOD WHEN I FIX SOMETHING OVER THE WIRES!

I WAITED 2 YEARS, BEFORE I GOT WILLY ROADWORTHY! DISREGARD THE SUBJECT IN THIS LINK.....THERE ARE A FEW PICS (OF MANY) OF "WILLY", GETTING UNDER WAY

https://www.2carpros.com/questions/1996-chevrolet-s-10-humming-grinding-sound-rear-end

THE MEDIC
Was this
answer
helpful?
Yes
No
Wednesday, July 17th, 2013 AT 7:46 PM
Tiny
DANINROY
  • MEMBER
  • 24 POSTS
Yes that is the same ICM and no the thing I have been calling a soleniod is mounted on the firewall by the battery bet its really called the starter relay
Was this
answer
helpful?
Yes
No
Thursday, July 18th, 2013 AT 6:37 AM
Tiny
CJ MEDEVAC
  • MECHANIC
  • 11,005 POSTS
OK.

I KNOW HOW FRUSTRATED YOU MAY BE

HOW'S ABOUT A LITTLE "REWIRING"?

DO YOU KNOW HOW TO "BUTT-SPLICE" WIRES AND ELIMINATE THOSE CRAPPY LOOKING WIRE NUTS. HAVE THE NECESSARY TOOLS?

. NOT YET. WE MAY BE DOING SOME REWIRING

I'VE SPENT SOME TIME WORKIN' ON A DIAGRAM FOR YOU

IT WILL REQUIRE SOME TRACING OF WIRES AND YOU MUST GET IT RIGHT.I'LL SEND IT IF/ WHEN YOU ARE READY.I WANT YOU TO LOOK IT OVER GOOD AND RESPOND BACK, BEFORE YOU JUMP ON IT!

ASK QUESTIONS. IF NEED-BE!

THIS WILL ELIMINATE THE COMPUTER CONTROLLING THE IGNITION. COMPUTER WILL BASICALLY BECOME A "BRICK" IN YOU JEEP

SEND ANSWERS BACK TO MY QUESTIONS

DO YOU KNOW WHAT THIS THING IS IN THE PIC BELOW. DO YOU KNOW HOW TO INSTALL ONE?

THE MEDIC
Was this
answer
helpful?
Yes
No
Thursday, July 18th, 2013 AT 7:36 PM
Tiny
CJ MEDEVAC
  • MECHANIC
  • 11,005 POSTS
THIS IS A "STARTER RELAY". IS THIS THE ONE YOU HAVE?

THE MEDIC
Was this
answer
helpful?
Yes
No
Thursday, July 18th, 2013 AT 7:55 PM
Tiny
DANINROY
  • MEMBER
  • 24 POSTS
Yes have some of those wire clips, and yes that is exactly the one I have, will start on fixing wires first and wait for your next input.
Was this
answer
helpful?
Yes
No
Friday, July 19th, 2013 AT 6:18 AM
Tiny
CJ MEDEVAC
  • MECHANIC
  • 11,005 POSTS
I DO MAKE MISTAKES!

I LOOKED THIS OVER SEVERAL TIMES.I'LL SUBMIT IT NOW

BE SURE OF THIS BEFORE YOU DO IT. ASK QUESTIONS 1ST. CUT LATER!

IT LOOKS GOOD IN "MY PICTURES" AND ON MY 32" MONITOR/ FLAT-SCREEN TV

IT MAY BE HARD TO READ ON 2 CAR---LEMME KNOW---I MAY CAN BUST IT IN HALF OR QUARTERS. TOO BAD I JUST CAN'T EMAIL IT TO YA. WE USED TO BE ABLE TO 'MESSAGE" OUR QUESTION ASKERS AND KEEP EMAIL ADDRESSES CONFIDENTIAL

LOOK OVER THE DISTRIBUTOR AND IGNITION MODULE

THE WIRE COLORS COMING OUT OF EACH ONE SHOULD EVENTUALLY END UP BEING THE SAME GOING INTO THE OTHER

. SO I DON'T CARE WHAT COLOR IS IN BETWEEN AS LONG AS THE END UP THE SAME!

CASE IN POINT

THE ORANGE WIRE COMING COMING OUT OF THE IGN MODULE IS "ORANGE" (C)---IT GOES INTO THE CONNECTOR (C) AND THE SAME WIRE TURNS "GREEN".I THEN PUT IN A ORANGE ONE.(IT DON'T MATTER WHAT YOU DO. AS LONG AS IT ENDS UP "ORANGE" AT THE DISTRIBUTOR [A]). UNDERSTAND?

WIRING TO THIS CONFIGURATION MAKES IT MUCH LIKE A SIMPLE 1979. THE COMPUTER IS NO LONGER IN THE MIX!

THE MEDIC
Was this
answer
helpful?
Yes
No
Friday, July 19th, 2013 AT 10:44 AM

Please login or register to post a reply.