Running rear lights not working?

Tiny
DANIELLE GEISTER
  • MEMBER
  • 2010 FORD EXPEDITION
  • V6
  • AUTOMATIC
  • 210,000 MILES
Headlights, fog lights, brake lights, and signal lights all work. The license plate light and rear running lights do not work. The fuses were checked and seem to be fine. Headlight switch works to turn on headlights.
Friday, October 7th, 2022 AT 1:41 PM

1 Reply

Tiny
AL514
  • MECHANIC
  • 5,597 POSTS
Hello, we only have listed a V8 Expedition for 2010 and is this a 2wd or 4wd model? Also, do the front marker lights work okay?
Do you have a rear camera on this model as well, for Reverse?
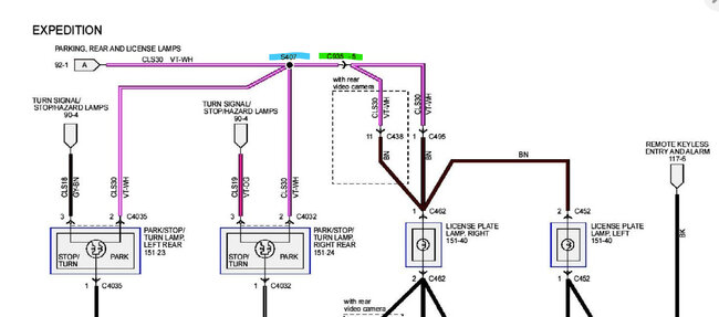
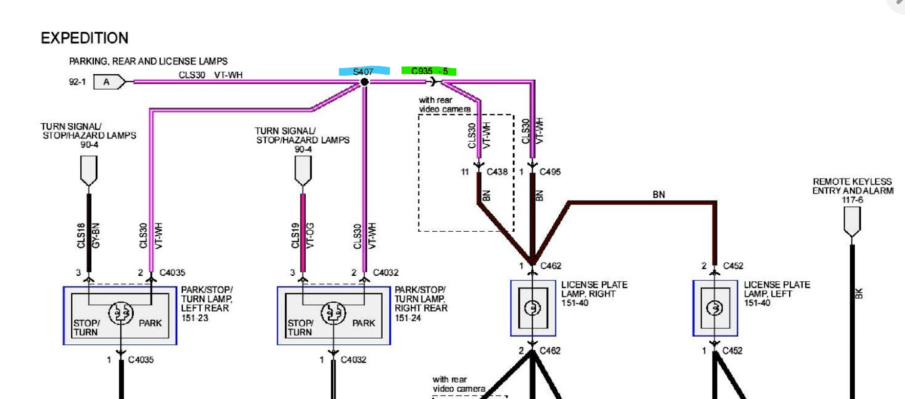
The first diagram is the driver side rear section of your vehicle, with all the wiring and
connectors for all the rear lighting. I have put a colored mark near each connector that has to do with the rear tail and license plate lamps. The connector c465 is a bulk connector that is the first one inline going to the rear lights. The s407 is a Splice where the wires divide and go to the taillights and to the license plate lights, the connector c935 is not one to really worry about because the issue seems to be before that connector.

The fifth diagram is the Smart Junction Box, this is where the tail and license plate lamps circuit start. Connector C2280D pin 20 it's a violet wire with a white stripe on it.
This is the wire I would check first, with the key in the "on" position. This pin 20 runs all the way to rear to the other connectors I posted first. I probably should have done it the other way around but had to trace the wire back from the taillights to where the circuit starts. Using a test light or multimeter to check for 12volts on pin 20 with the lights turned on.
The Smart Junction Box is going to under the kick panel down where the passenger's right foot would be, I know these diagrams show everything with all the panels removed, so I just wanted to mention that. But start there and if there are 12volts on pin 20 work your way back towards the rear of the vehicle.

This is everything needed to diagnose this light circuit. Let us know if you need any other instructions or have questions.

https://www.2carpros.com/articles/how-to-use-a-voltmeter

https://www.2carpros.com/articles/how-to-use-a-test-light-circuit-tester

https://www.2carpros.com/articles/how-to-check-wiring
Was this
answer
helpful?
Yes
No
Friday, October 7th, 2022 AT 1:57 PM

Please login or register to post a reply.