HOME
ASK A QUESTION
REPAIR GUIDES
BECOME A MEMBER
LOG IN
Login with Facebook
OR
Remember me
NOT A MEMBER?
FORGOT PASSWORD?
CONTACT US
PRIVACY POLICY
TERMS AND CONDITIONS
☰
Home
Ford
Expedition
Exterior Light
Running Light
Wiring
Wiring diagram for tail lights and blinkers needed
STONE42011
MEMBER
2000 FORD EXPEDITION
5.4L
V8
AWD
AUTOMATIC
80,000 MILES
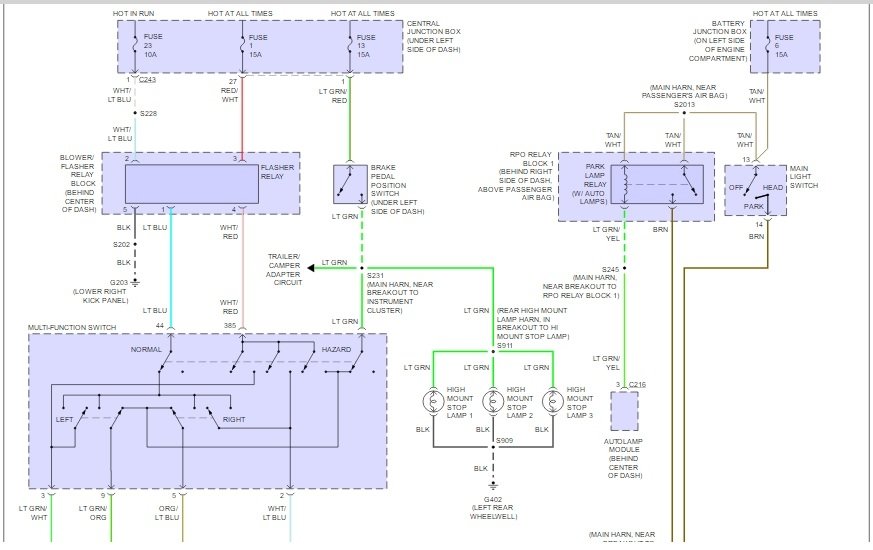
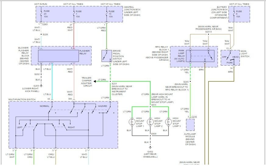
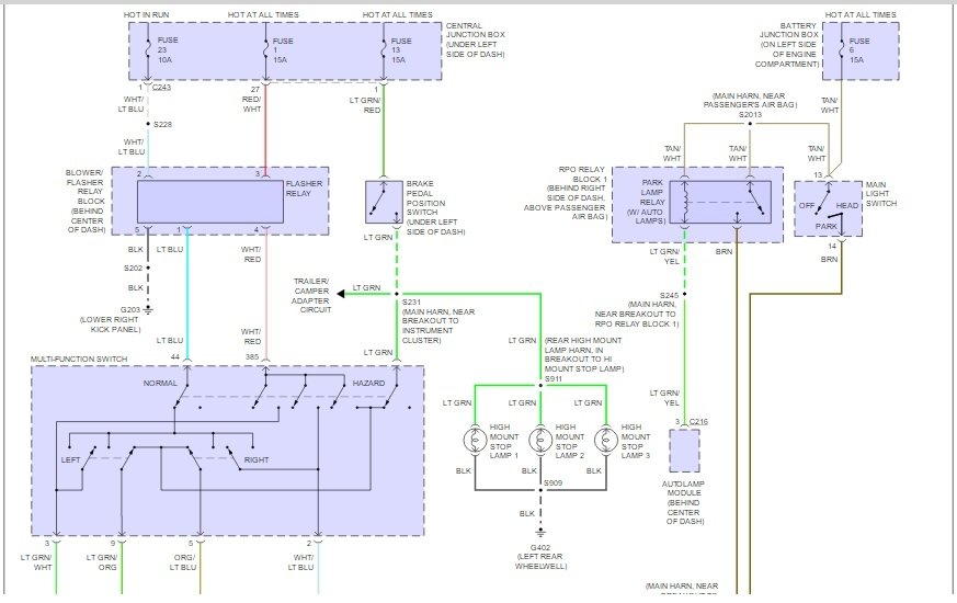
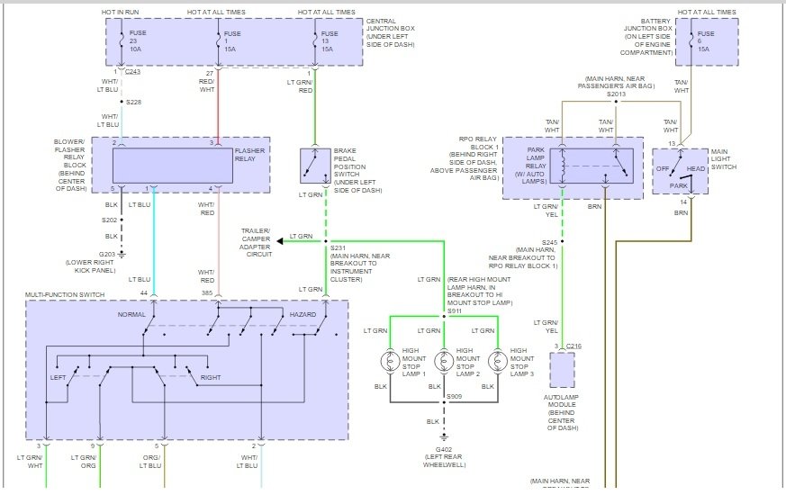
The wiring harness for my blinkers and tail lights has come apart and I need a diagram. Can you help me?
Sunday, January 1st, 2017 AT 12:41 PM
1 Reply
CJ MEDEVAC
MECHANIC
11,005 POSTS
Here are two screenshots of the Exterior Lighting wiring diagram from "Prodemand"
The first is the top/second is the bottom.
When I shot them, I insured there was a little 'overlapping' so that you could see nothing was left out!
Let us know if this is what you needed.
The Medic
Images (Click to make bigger)
Was this
answer
helpful?
Yes
No
-3
Sunday, January 1st, 2017 AT 8:07 PM
Please
login
or
register
to post a reply.
Related Running Light Wiring Content
Ford Expedition
Where Is The Relay For The Rear Taillights On A 2000 Ford Expedition? The Rt Rr Lite Is Out But Not The Left.
Asked by
Henry Baltazar
·
3 ANSWERS
3 IMAGES
2000
FORD EXPEDITION
1998 Ford Expedition No Tail Lights/or Passenger...
I Turned On The Expedition Last Night And Had No Instrument Cluster Light. The Yellow Check Engine Light Was On And Would Blink. The Dome...
Asked by
moores
·
1 ANSWER
1998
FORD EXPEDITION
Marker Light Will No Go Out
When I Shut Off The Vehicle The Marker Lights Stay On, Have To Pull The Fuse Then They Go Off, Plug It Back In And They Stay Off Till The...
Asked by
FredKettering
·
1 ANSWER
1999
FORD EXPEDITION
Brake Light On
I Have A 98 Ford Expedition With About 74,000 Miles. Yesterday The Brake Light With The Circle Exclamation Point Under It Came On. I Jsut...
Asked by
Kiresha
·
1 ANSWER
FORD EXPEDITION
2002 Ford Expedition Front Lights
At Night My Front Headlights Turn On And Off My Dashboard Lights Blink And Sometimes The Car Shut Off And My Anti Theft Light Blinks And I...
Asked by
wardomar83
·
5 ANSWERS
2002
FORD EXPEDITION
VIEW MORE
Ask a Car Question. It's Free!
Turn Signals Blink Fast
Have a Dim Headlight? - Try Replacing This!
Headlight Dim or Dull