Power windows ions

Tiny
CMUELLER
  • MEMBER
  • 2001 LINCOLN TOWN CAR
  • 4.6L
  • V8
  • 2WD
  • AUTOMATIC
  • 90,000 MILES
Both rear power windows are ions from main driver switch and from individual switch on each rear door. Is there a common problem?
Tuesday, August 18th, 2020 AT 6:20 PM

1 Reply

Tiny
KASEKENNY
  • MECHANIC
  • 18,907 POSTS
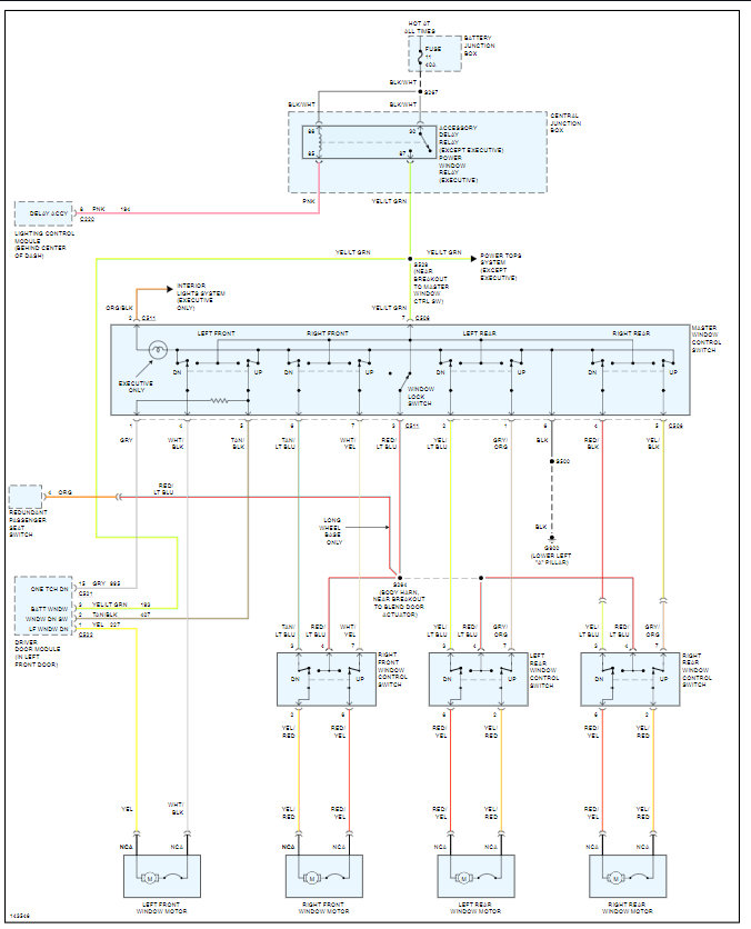
The common issue is the master window switch has failed. Normally when this happens you lose function to some or all the other windows, it all depends on what in the switch has failed.

You can confirm this by testing voltage at the switch when you are operating it buttons. If you don't have voltage coming out of the master switch to the rear switches when you are pressing them then the master switch has failed.

I attached the wiring diagram. Let me know what you find or questions and we can go from there. Thanks

https://www.2carpros.com/articles/how-to-check-wiring
Was this
answer
helpful?
Yes
No
+1
Tuesday, August 18th, 2020 AT 6:29 PM

Please login or register to post a reply.