Roof wiring diagram courtesy cargo lamp needed

Tiny
LOUD PELLETIER
  • MEMBER
  • 2003 CHEVROLET SILVERADO
  • 8.1L
  • V8
  • 4WD
  • AUTOMATIC
  • 155,000 MILES
I would like to have the roof wiring diagram courtesy cargo lamp of the truck listed above crew cab lt and a Silverado 2002 crew cab lt.
Friday, August 13th, 2021 AT 8:07 AM

1 Reply

Tiny
JACOBANDNICKOLAS
  • MECHANIC
  • 110,192 POSTS
Hi,

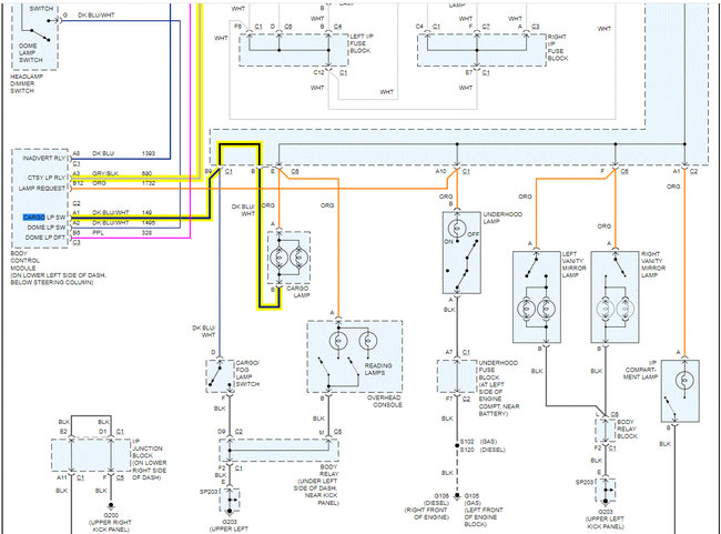
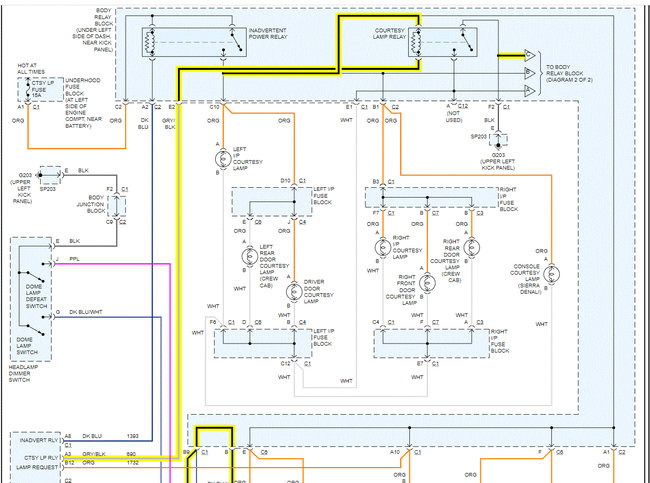
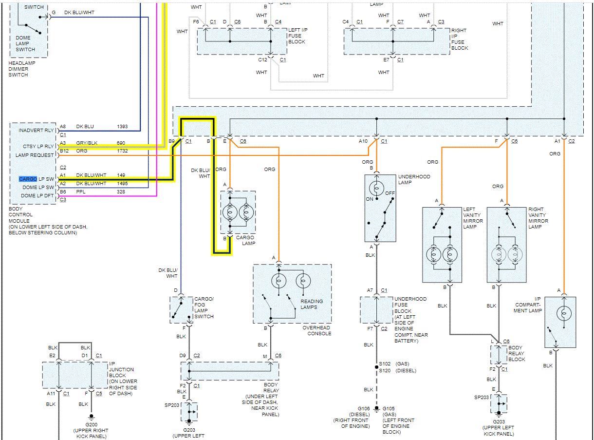
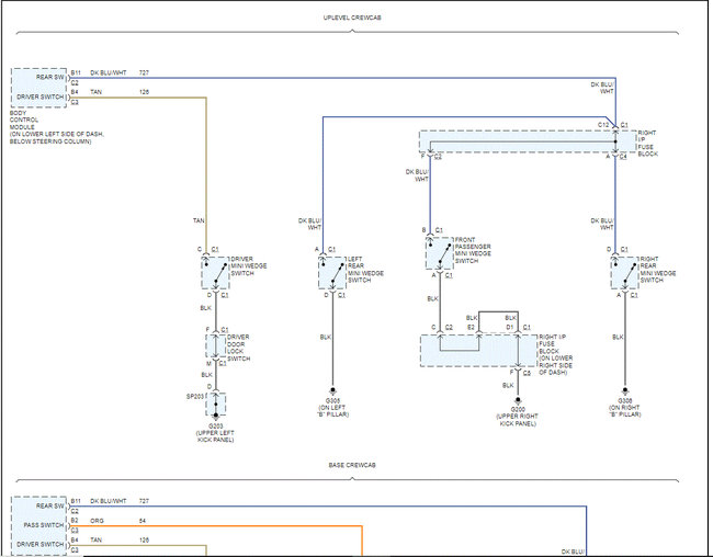
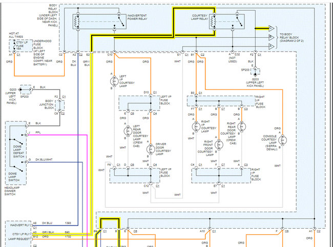
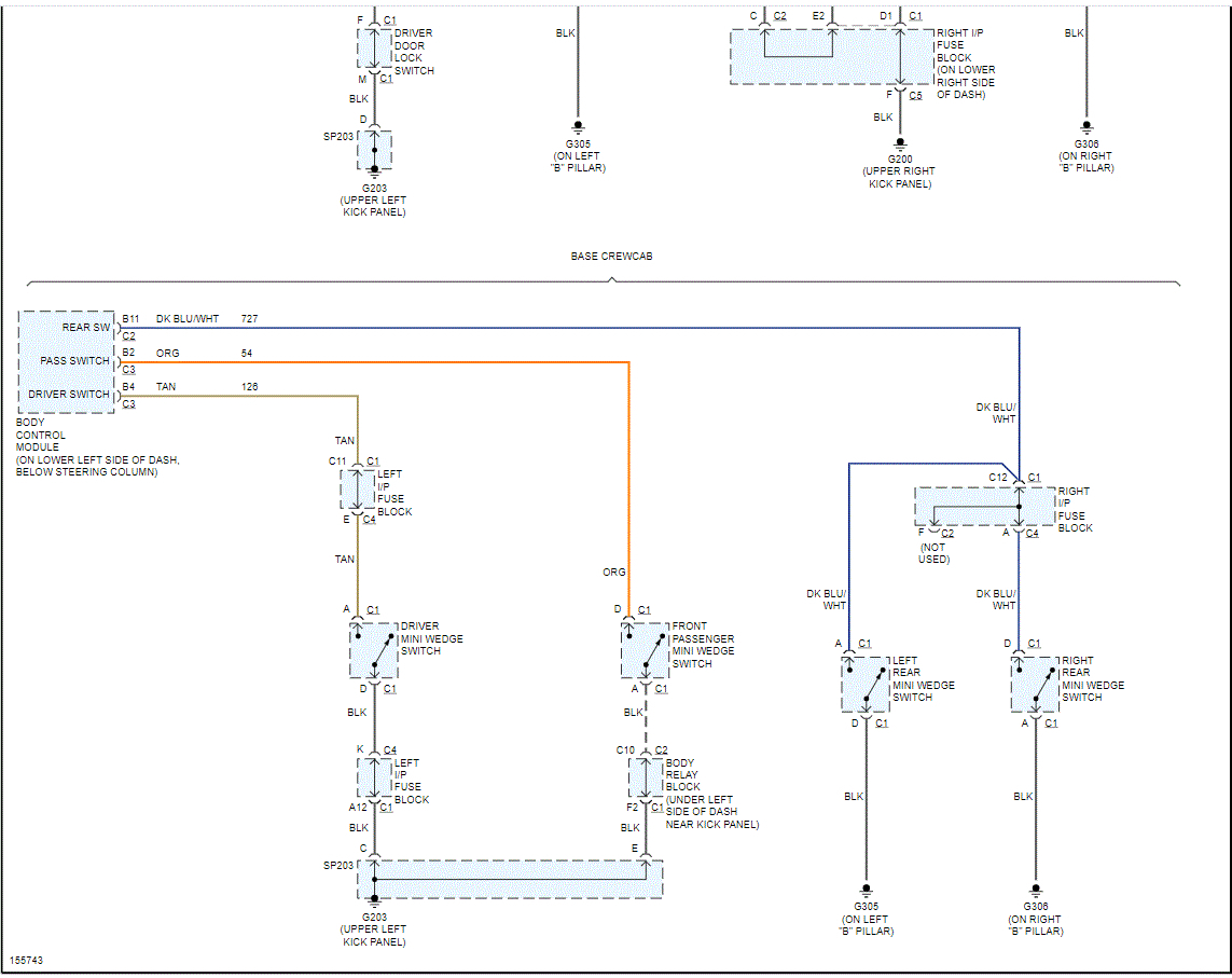
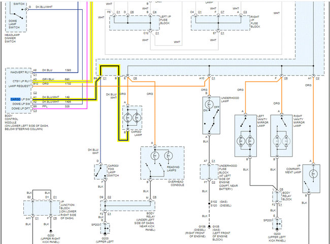
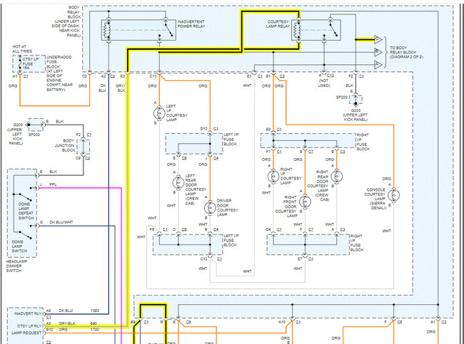
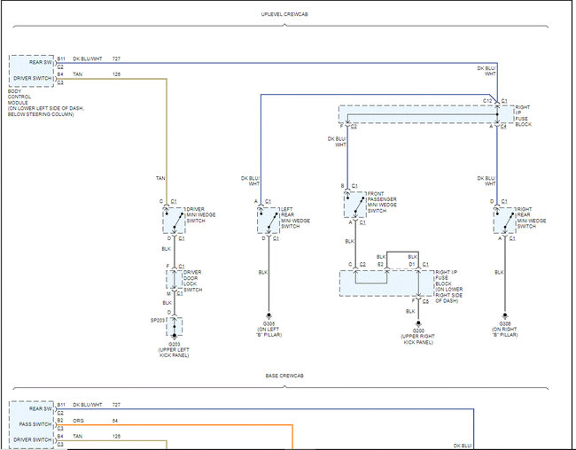
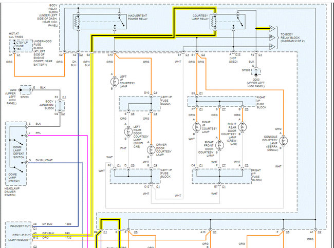
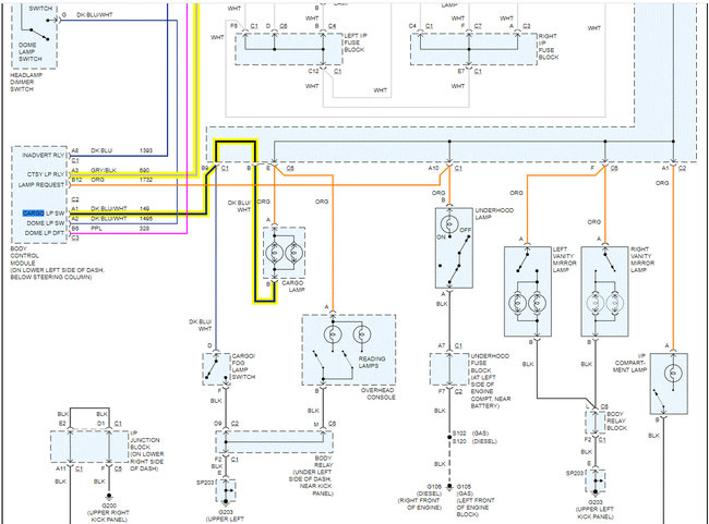
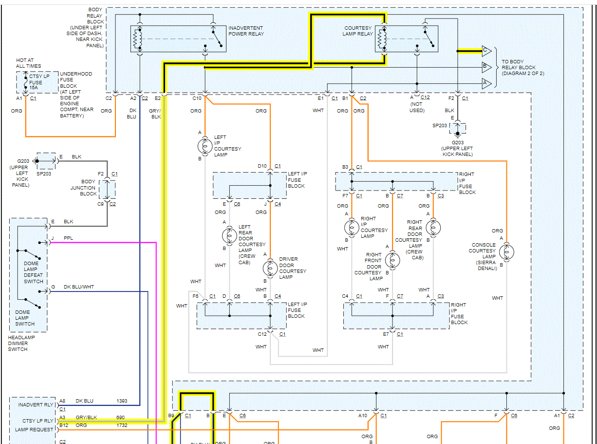
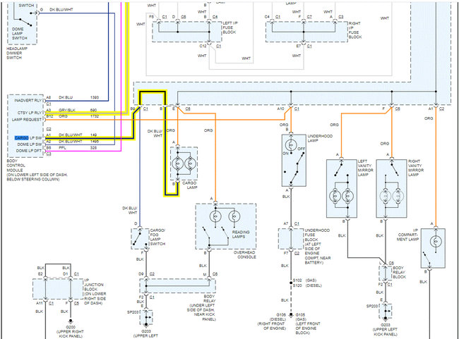
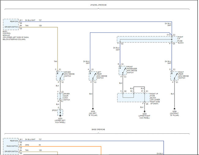
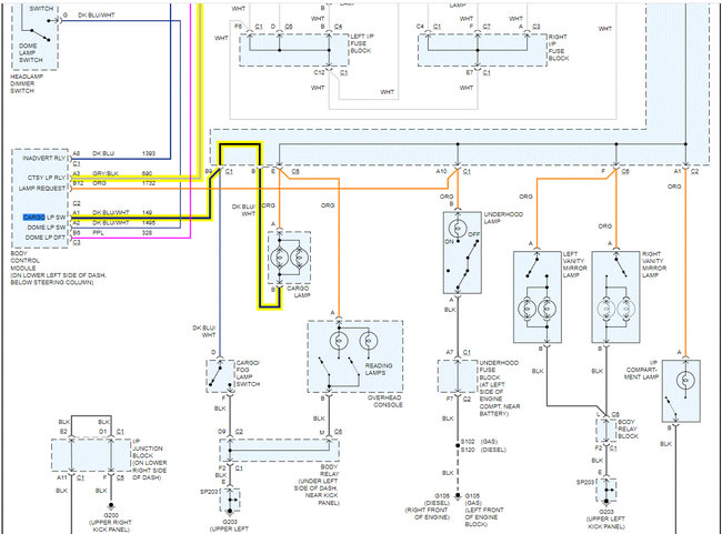
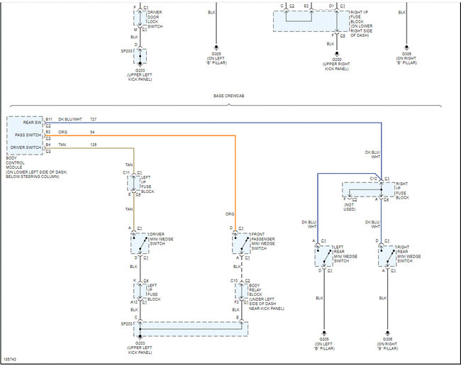
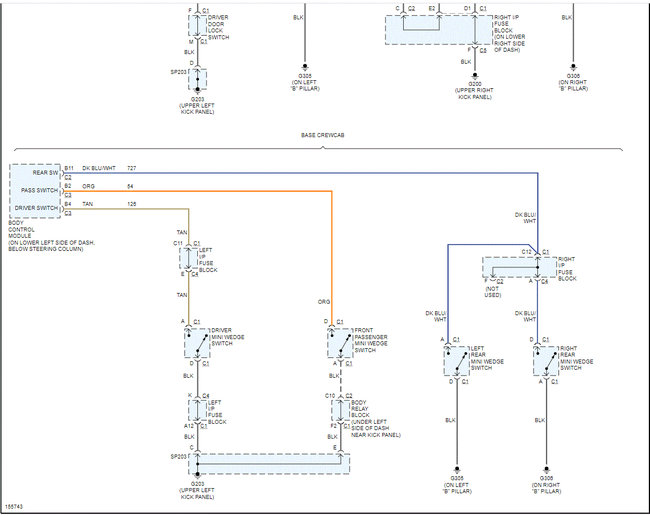
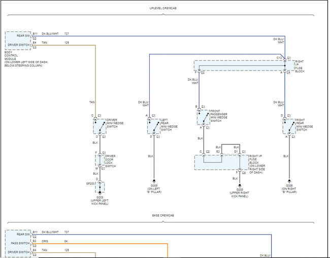
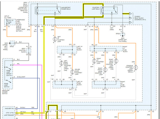
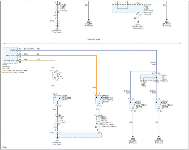
I believe you are looking for the courtesy cargo lamp wiring. However, the only way I have that is via the courtesy lamp schematics which includes the interior lighting.

If you look below, I attached everything for the interior lighting system, which includes the cargo lamp. Now, there were three pages of pictures, but I had to cut each one in half to make them readable, so that's why there are six pics below. I did overlap them so you can follow them.

I highlighted the wiring for the cargo lamp. I hope that helps. Also, here is a link that you may find helpful when testing/checking wiring:

https://www.2carpros.com/articles/how-to-check-wiring

I hope this helps. Let me know what you find or if you have other questions.

Take care,

Joe

See pics below.
Was this
answer
helpful?
Yes
No
+1
Friday, August 13th, 2021 AT 8:33 PM

Please login or register to post a reply.