Right brake light works intermittently

Tiny
JWASHIII
  • MEMBER
  • 2007 GMC YUKON
  • V8
  • 4WD
  • AUTOMATIC
  • 175,000 MILES
Right side brake light works when it wants. Looks like a short. Need diagram and location of the wiring components. Is this common on this year vehicle?
Tuesday, March 2nd, 2021 AT 5:05 AM

1 Reply

Tiny
JACOBANDNICKOLAS
  • MECHANIC
  • 110,194 POSTS
Hi,

Most times it is the socket itself. Remove bulbs and inspect for corrosion or pushed in connection points.

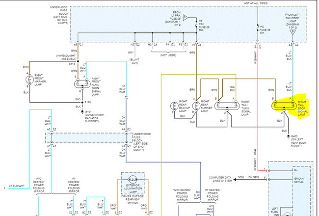
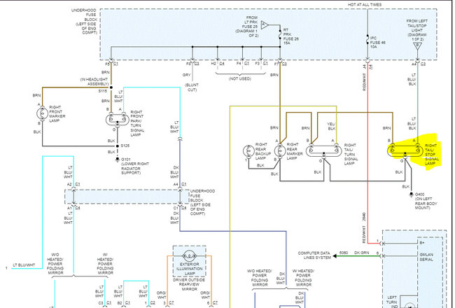
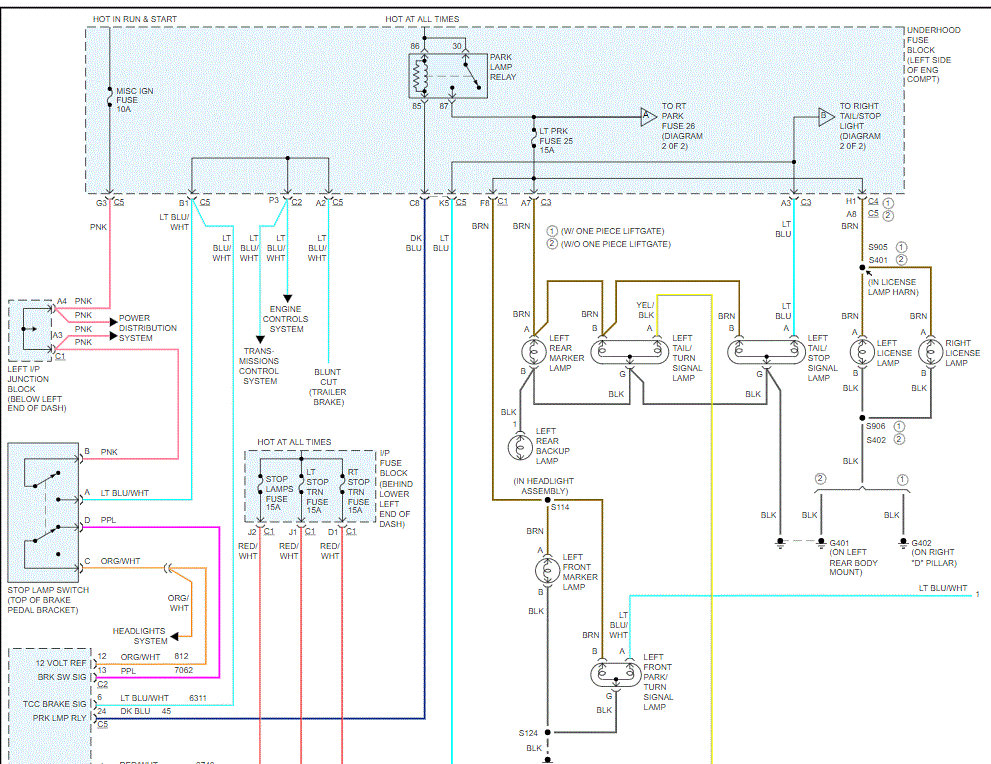
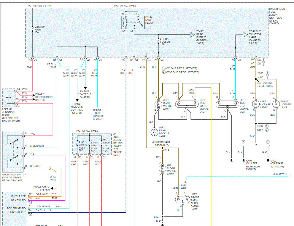
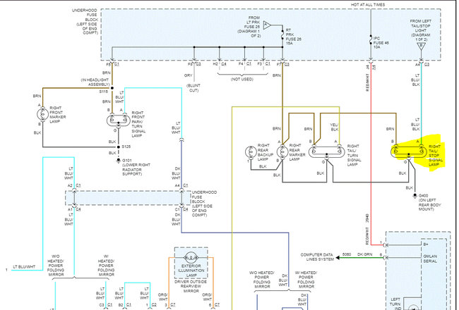
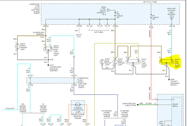
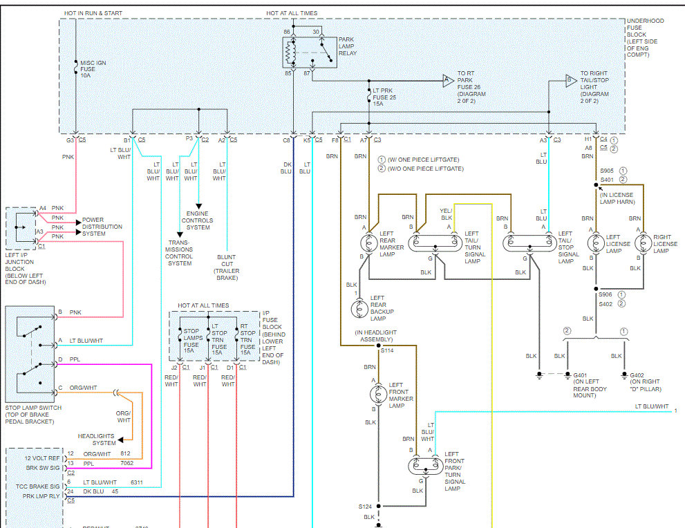
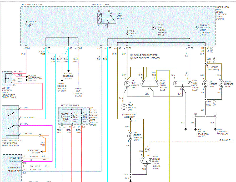
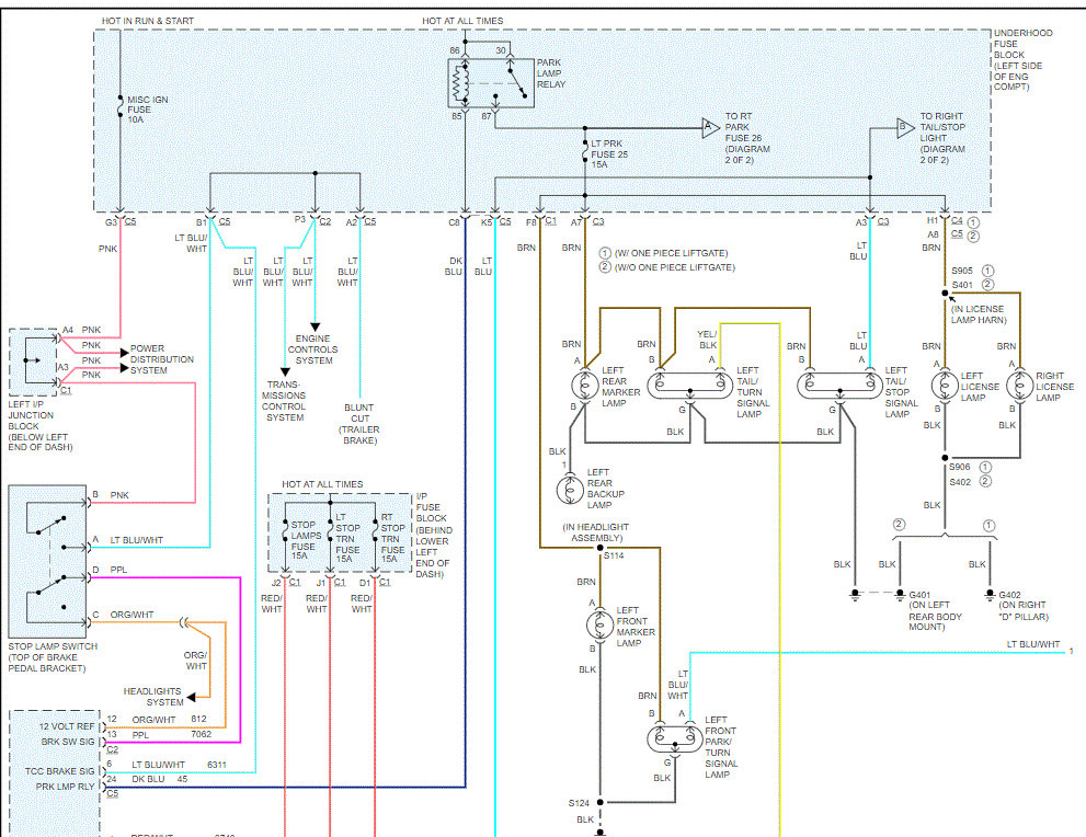
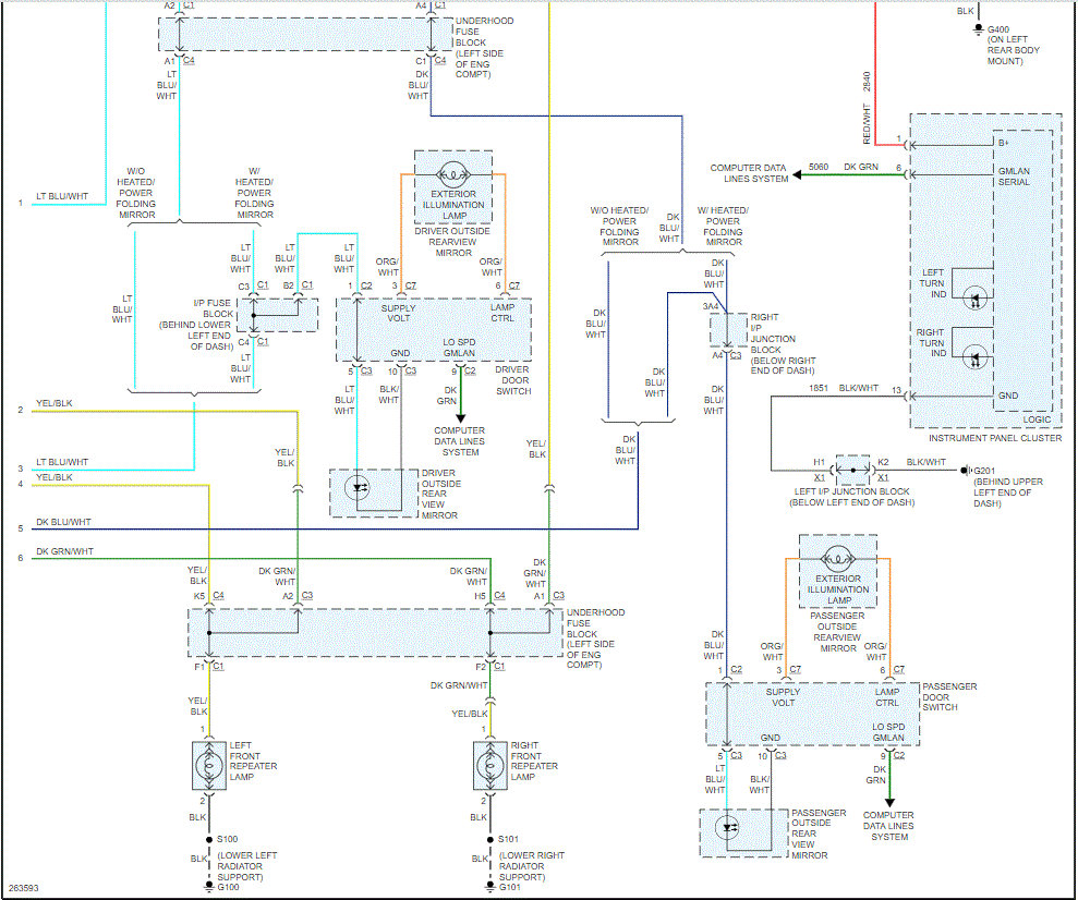
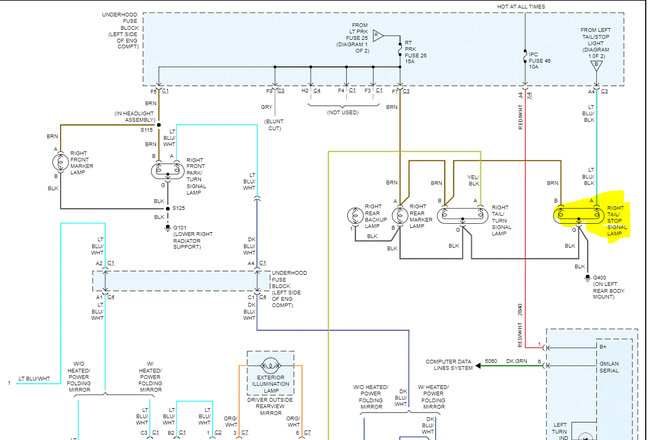
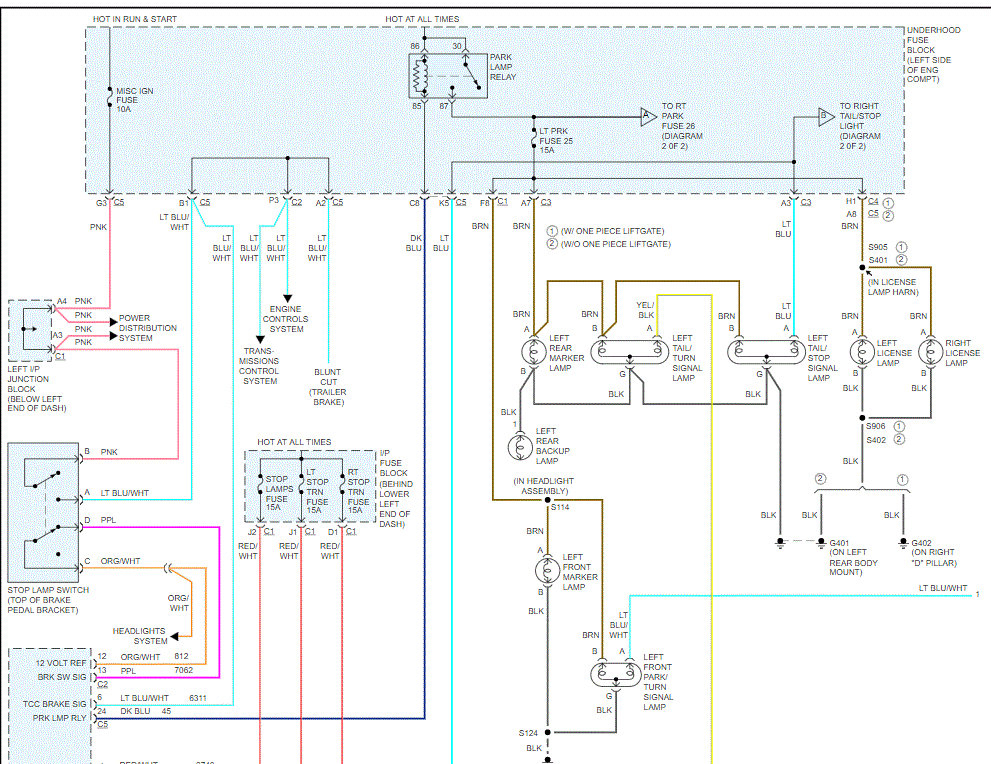
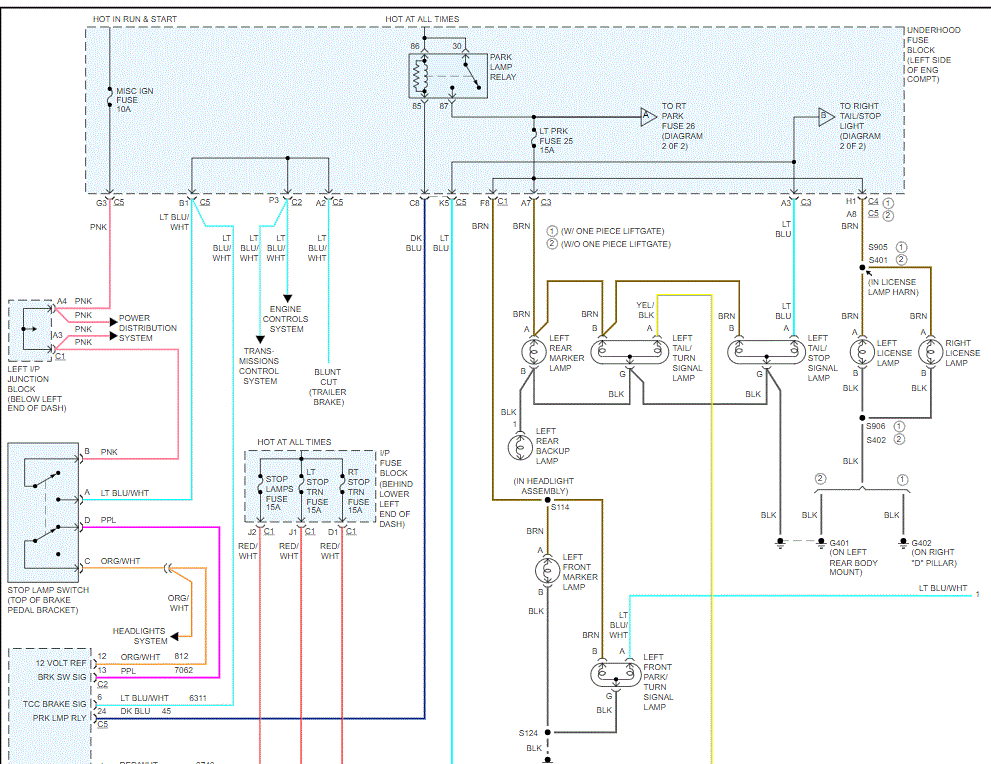
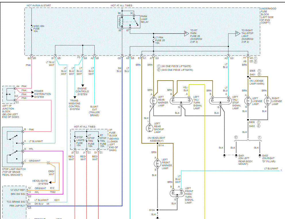
As far as the wiring schematic, I attached the entire exterior lighting schematic below. I had to cut the pics in half to make them readable. In pic 3, I highlighted the brake light on the right side.

Here is a link you may find helpful:

https://www.2carpros.com/articles/how-to-check-wiring

Also, check the ground for that light. It could be corroded or loose. See pic 3 for location.

Let me know what you find or if you have other questions.

Take care and God Bless,

Joe
Was this
answer
helpful?
Yes
No
Tuesday, March 2nd, 2021 AT 7:55 PM

Please login or register to post a reply.