Friday, November 3rd, 2017 AT 11:37 PM
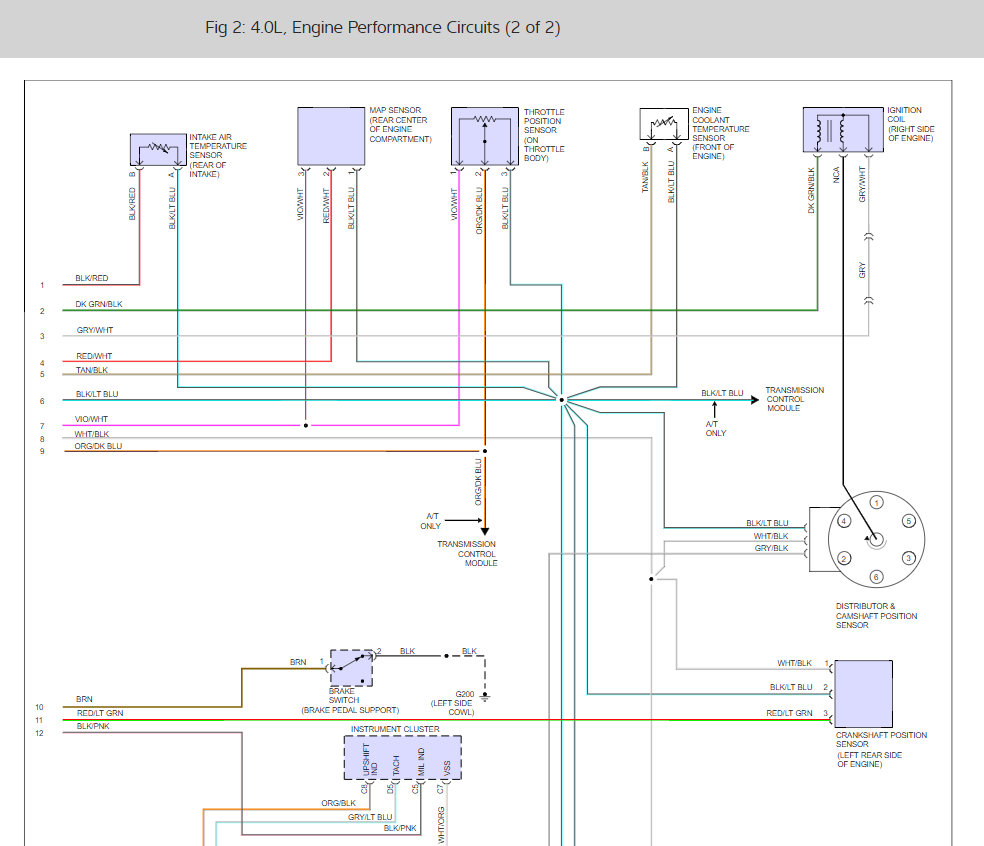
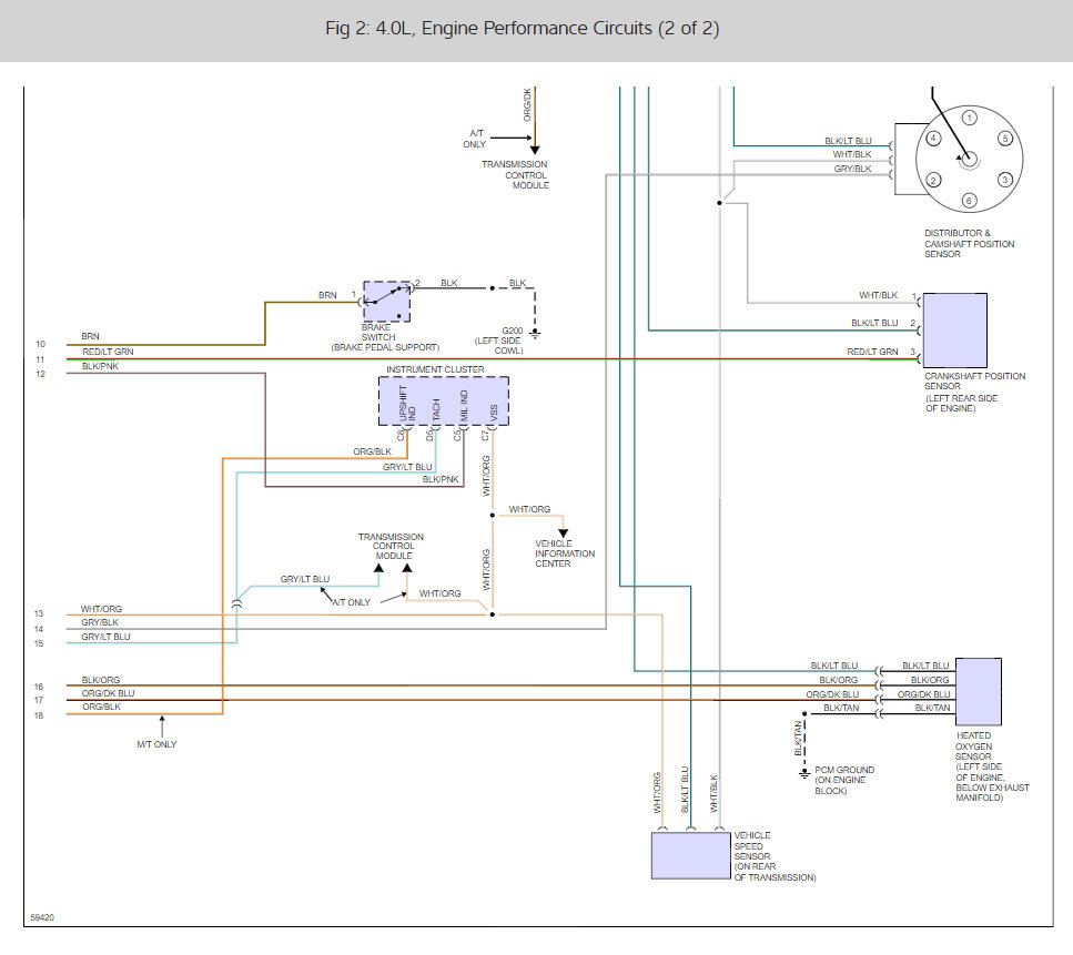
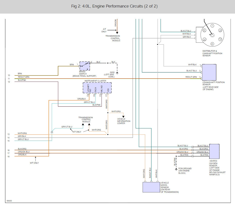
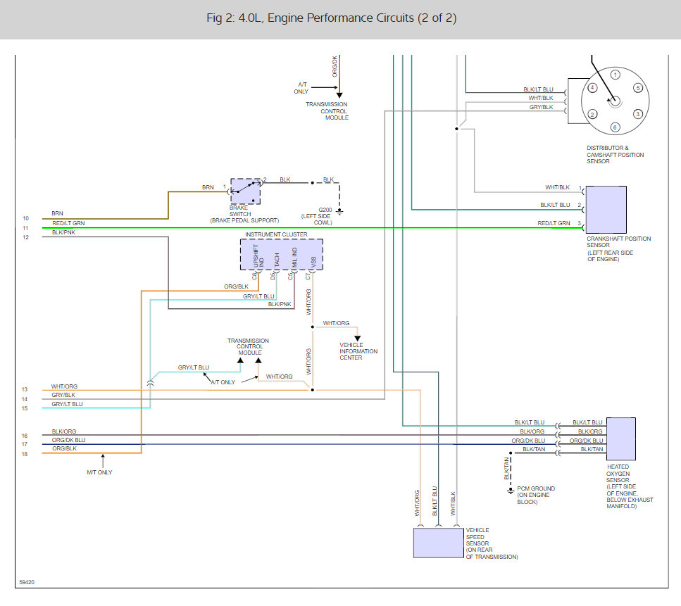
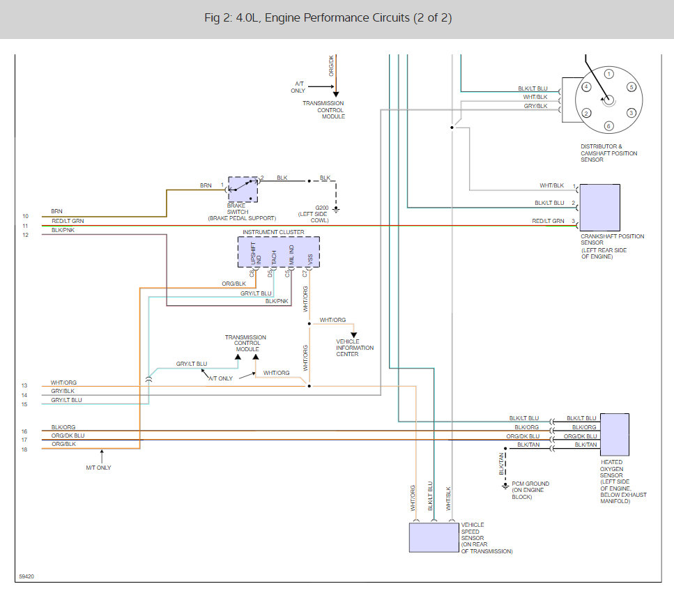
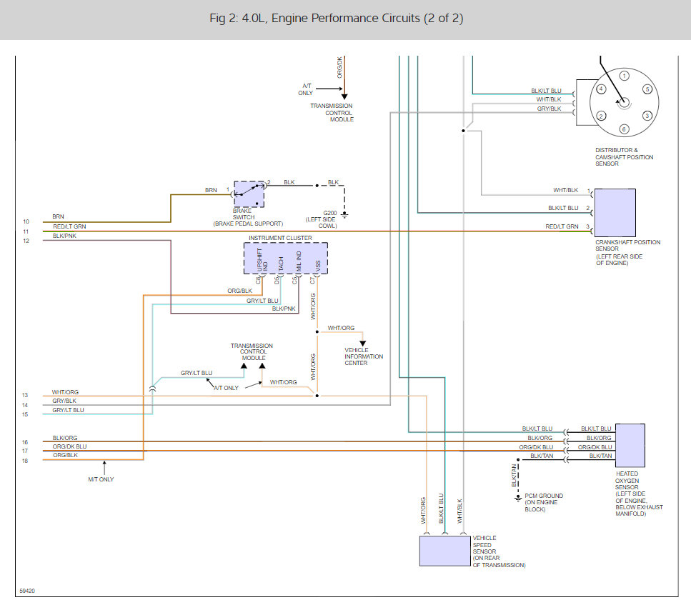
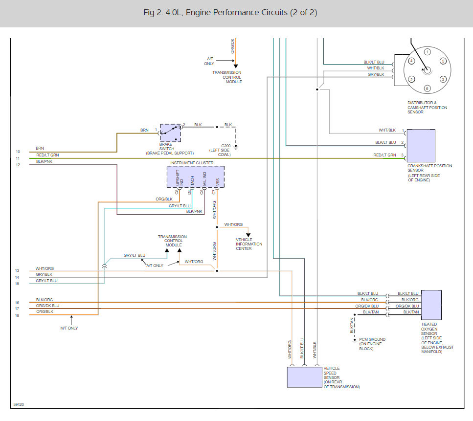
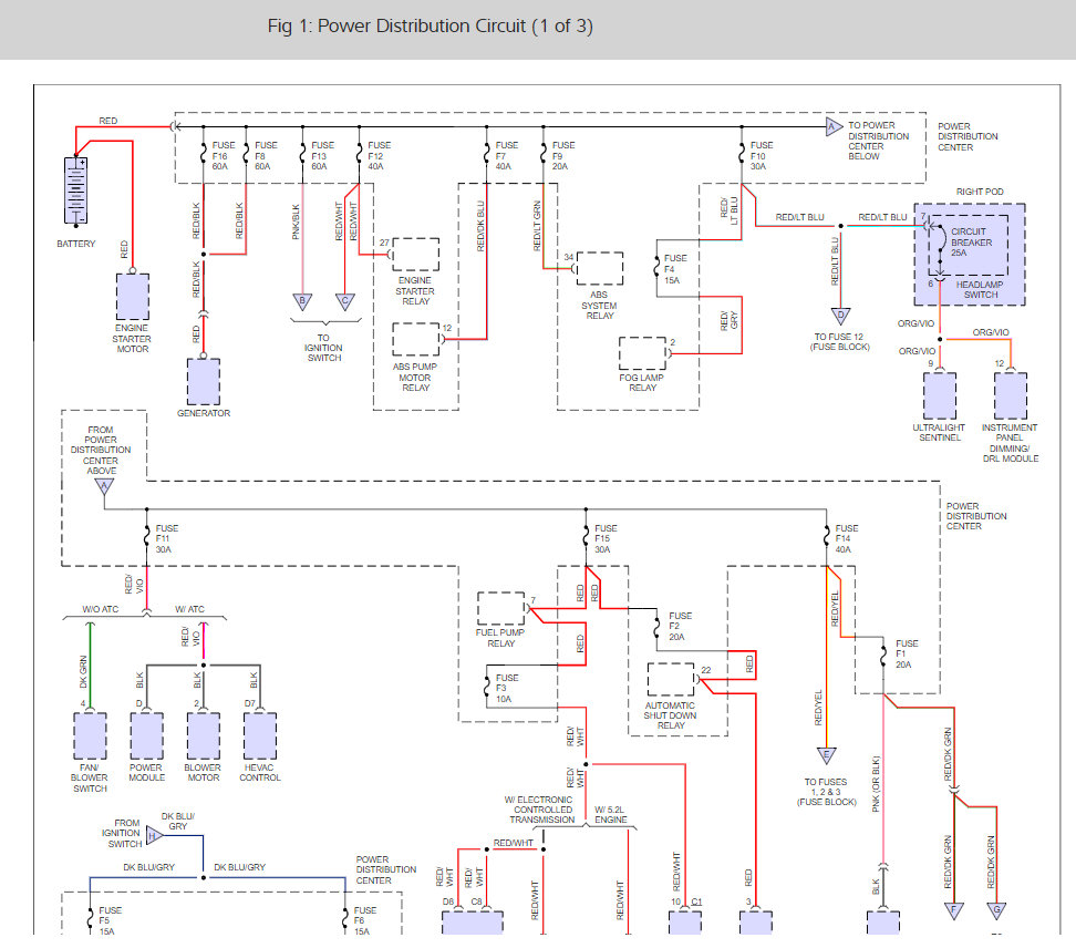
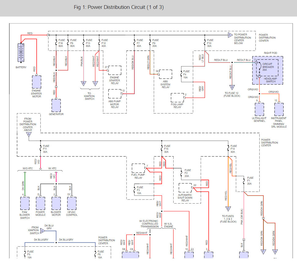
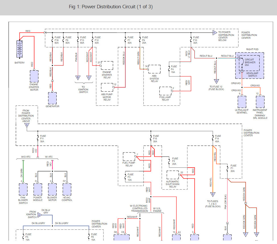
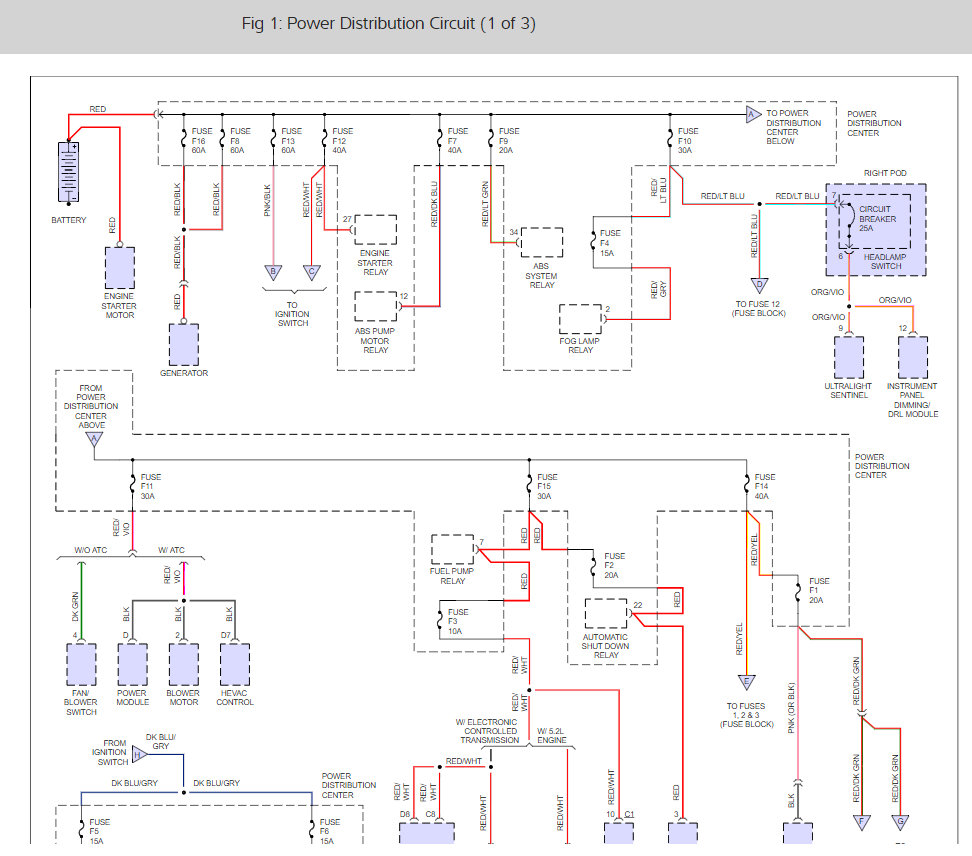
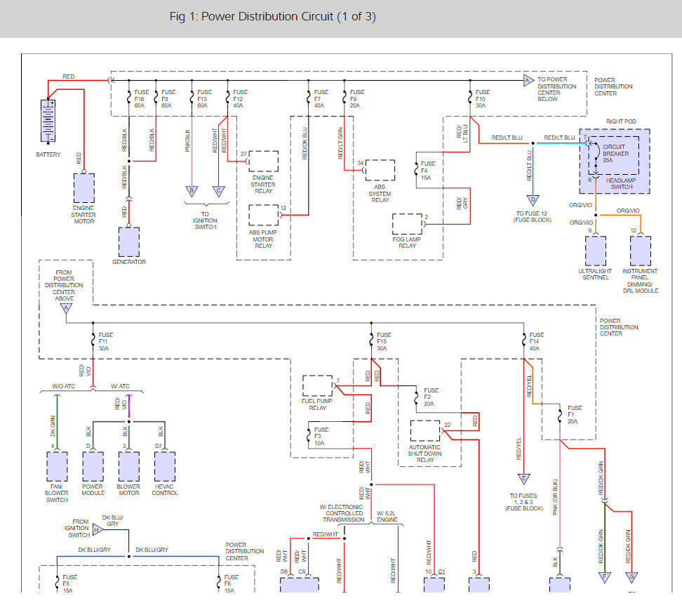
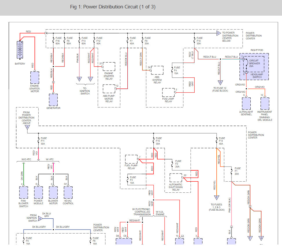
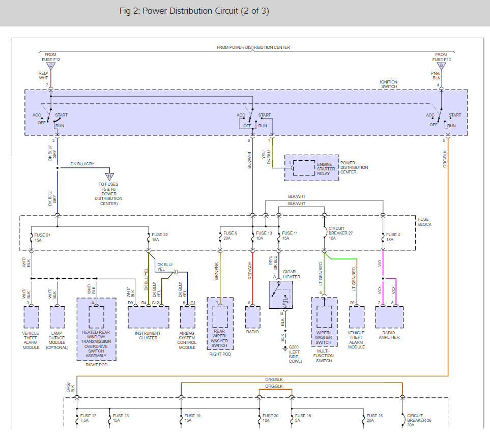
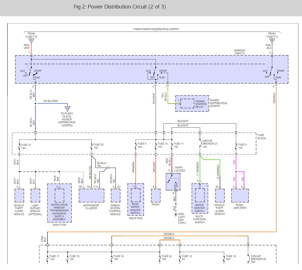
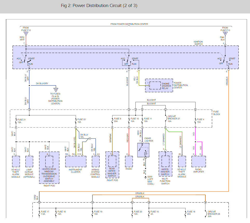
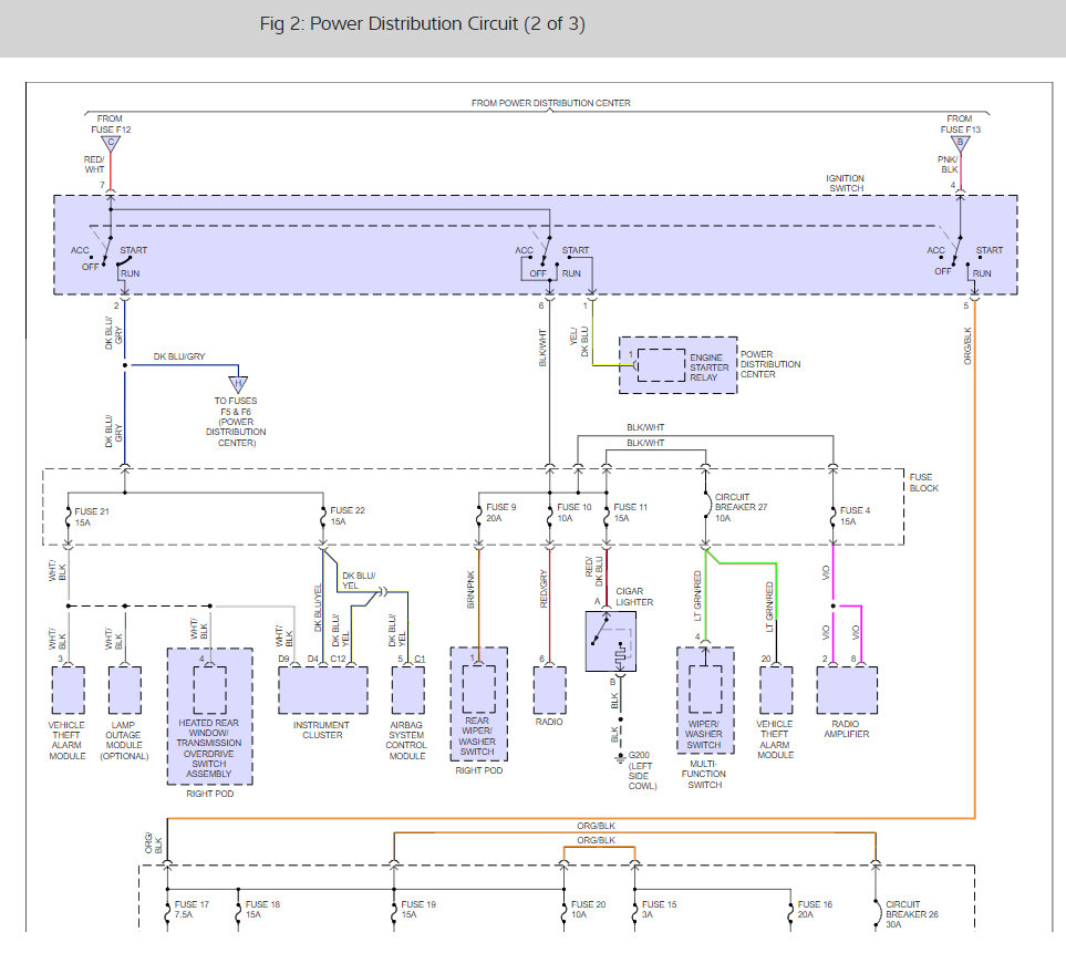
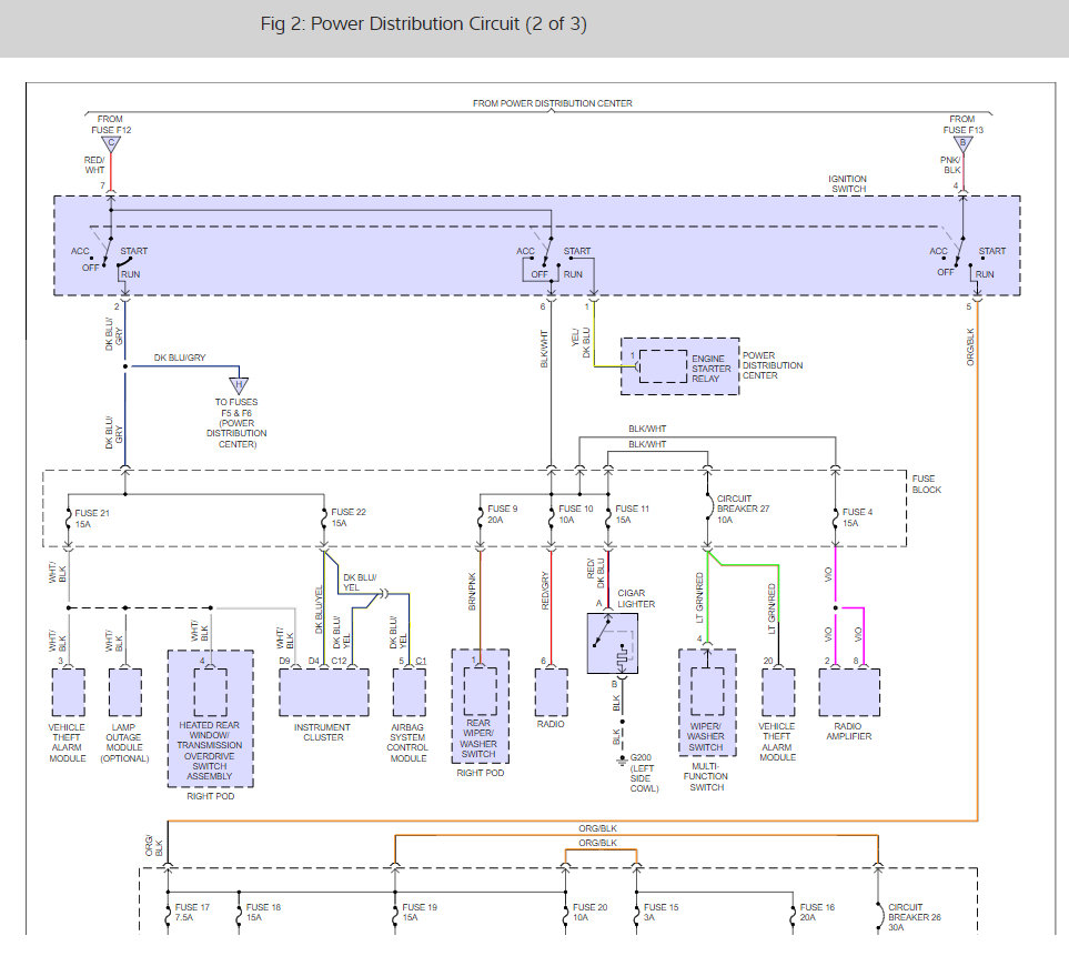
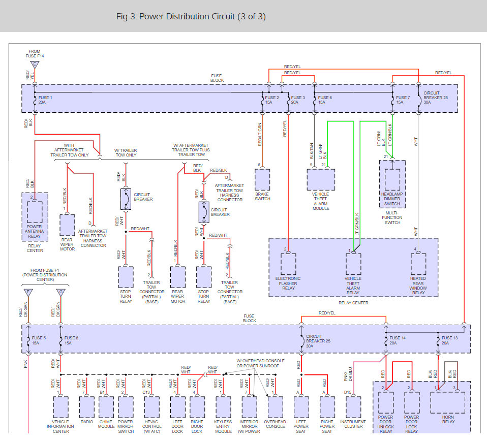
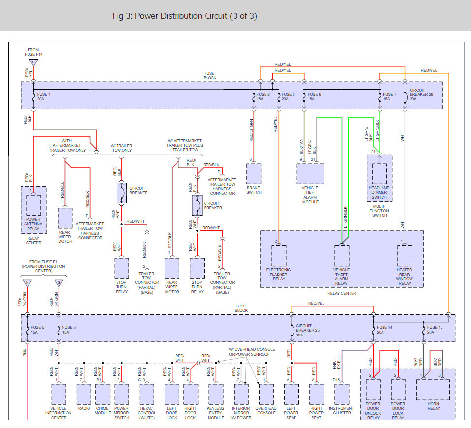
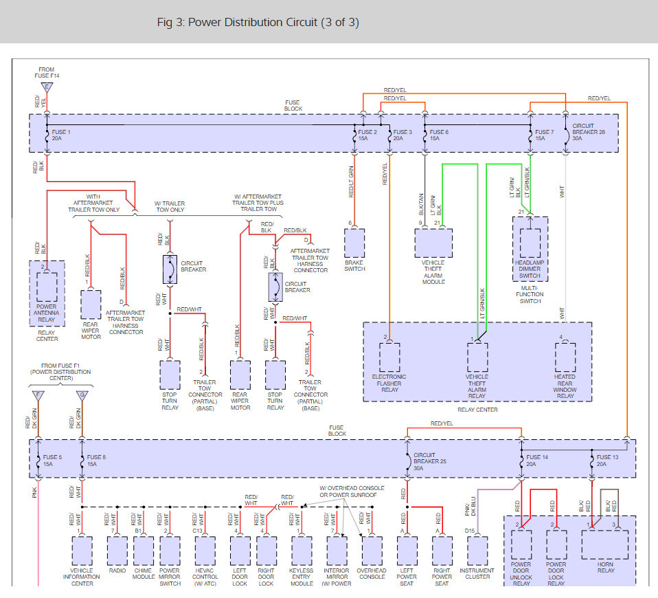
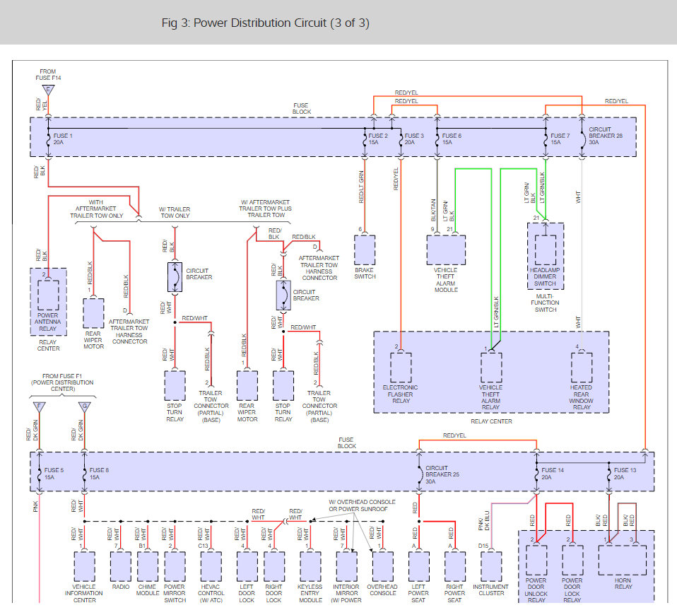
Bought this vehicle from craigslist. It has no spark and no fuel pressure. It only cranks. The auto start that is installed is not getting power, a wire that comes off of the auto start is spliced into two wires that go up under the hood and connects to the coil. Looked up the purpose of the wire and it says the hood pin switch shutdown. Also, there are more spliced wires and a few completely cut off wires. It is a Avital 4113 model and came with no remote. If you can send an image of what the wiring job looks like if that can help you help me better.











