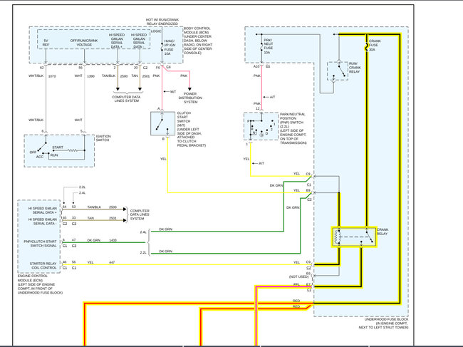
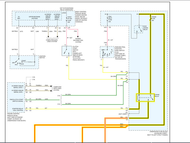
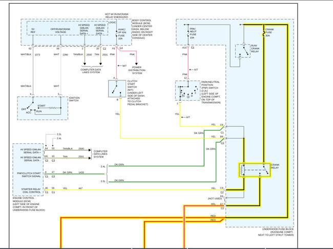
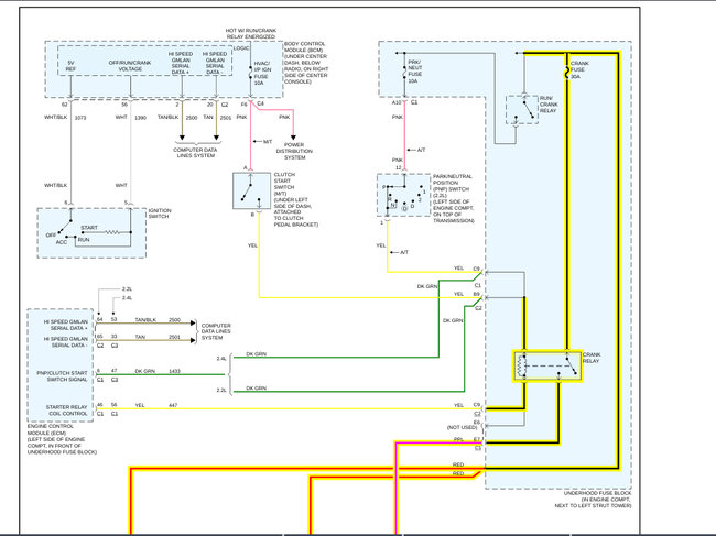
Thursday, January 16th, 2020 AT 5:29 AM
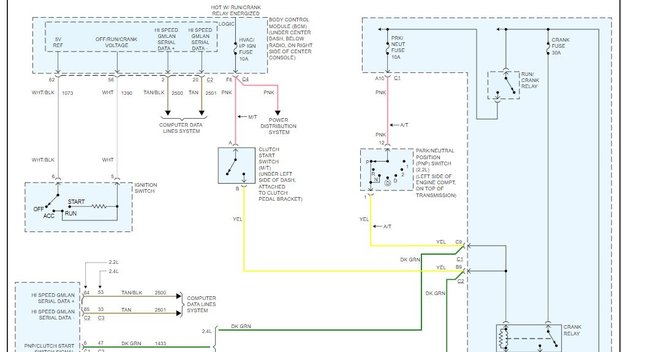
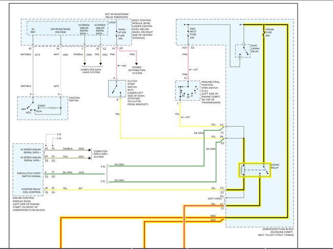
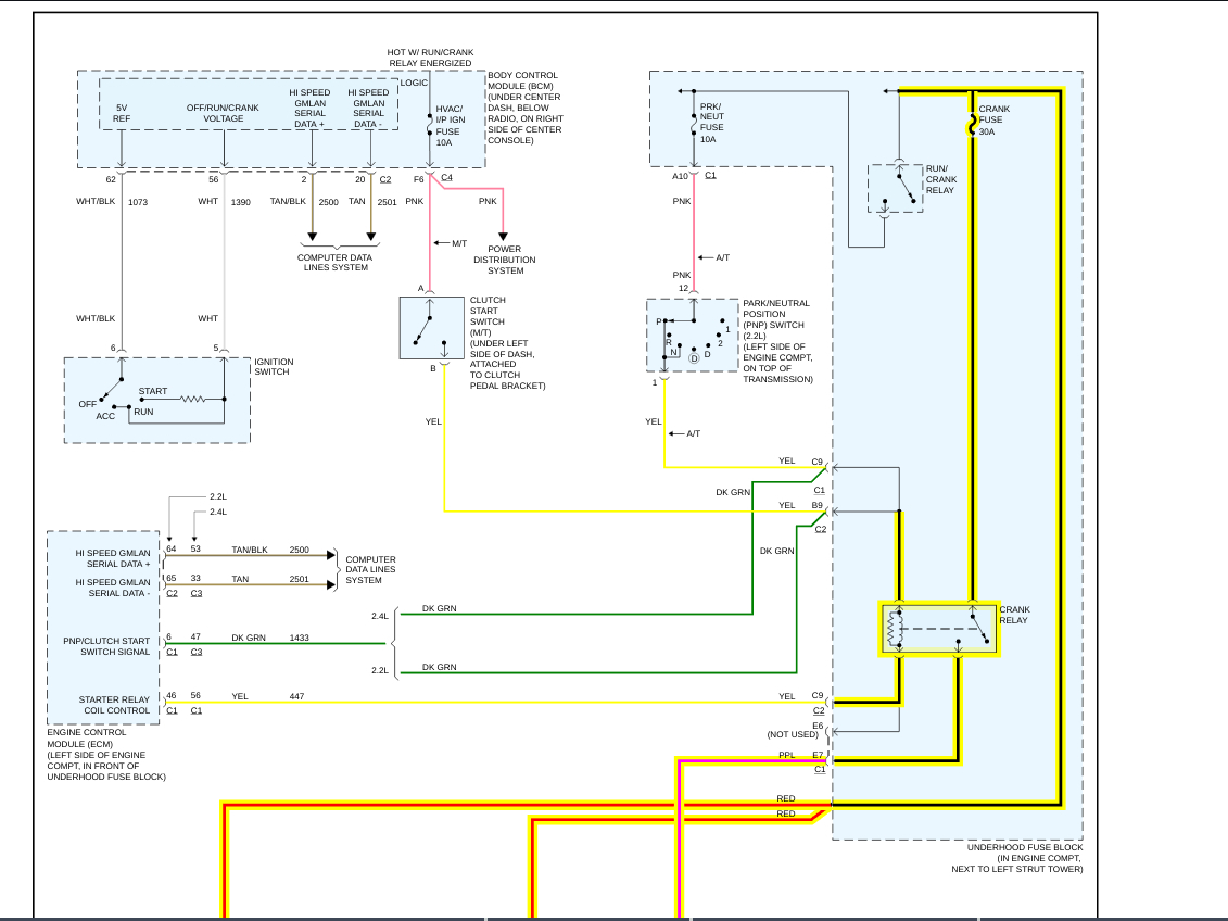
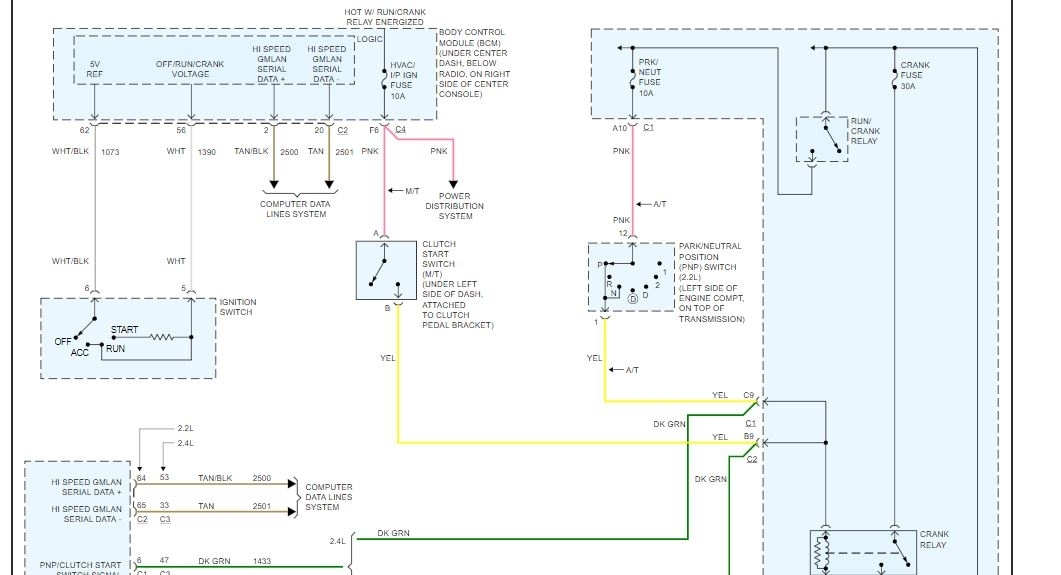
At first, my car was taking a second and had a delay with starting. Lasted a couple days. I was in denial but kept going. Went to leave work and it wouldn't turn over. Tapped the starter and it turned right over. Next day I found a ride to get the new starter and after a horrendously difficult time, got the starter replaced. There was no change. It wasn't even trying to turn over. Called my dad to check my work, he verified I did it correctly and said it could be the battery, despite all lights and every thing coming on. Every thing fine except it not wanting to crank over. Took the battery and old starter to O'Reilly and they verified the starter was bad, battery was at 110%. I'm at a loss. I've checked relays and such, but I'm no pro. Any ideas! Thanks in advance!











