Replaced ABS Control Module, now many codes have appeared?

Tiny
JIMMY245
  • MEMBER
  • 2001 CADILLAC DEVILLE
  • 200,000 MILES
My ABS, Brake, Traction lights would come on occasionally. As I have a second 2001 Deville that doesn't have any issues with the ABS, I took the ABS control module off and put it on the Deville that was getting the intermittent ABS Brake Traction warnings.

After replacing the module, I now get the ABS and Traction Warnings plus "Service stability System" readout. Running the codes I get:

ABS C1242 Current
ABS C1282 Current
ABS C1284 Current
ABS C1285 Current
ABS C1287 Current
ABS C1288 Current
I try to clear the codes but they don’t clear.

When I changed the module, I was careful to clean the contacts with electronic cleaner and dry them with compressed air before making the connections to the module.

Any help would be greatly appreciated.
Tuesday, April 13th, 2021 AT 2:45 PM

1 Reply

Tiny
ASEMASTER6371
  • MECHANIC
  • 52,796 POSTS
Good morning,

You cannot just swap modules like this. The one you installed must be the exact part number and then it must be programmed to your VIN number in order to function.

https://www.2carpros.com/articles/how-to-replace-a-abs-controller

You can have a shop with the proper scan tool perform this for you or the dealer.

The codes are power codes and sensor codes. They will go away when the module is programmed to the VIN number of your car.

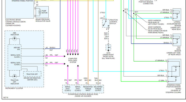
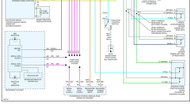
I attached a diagram for you as well. Check the 2 fuses that provide power to the unit.

https://www.2carpros.com/articles/how-to-check-wiring

https://www.2carpros.com/articles/how-to-use-a-voltmeter

https://www.2carpros.com/articles/how-to-check-a-car-fuse

Roy

Important: An unprogrammed EBCM will result in the following conditions:
Inoperative or poorly functioning DRP/ABS/TCS/VSES (if equipped)
Set DTC C1248 EBCM Turned On the Red Brake Warning Indicator
Set DTC C1255m3 EBCM Internal Malfunction

11. If a replacement EBCM is being installed, it must be programmed using the latest software matching the vehicle. Please contact your local dealer regarding this procedure.
12. Use the scan tool in order to clear the DTCs.
13. Perform the ABS Diagnostic System Check. Refer to Diagnostic System Check - ABS
Was this
answer
helpful?
Yes
No
Wednesday, April 14th, 2021 AT 1:05 AM

Please login or register to post a reply.