Wednesday, June 10th, 2020 AT 11:04 AM
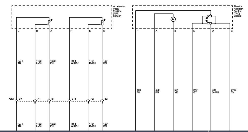
My vehicle listed above sporadically goes into "limp mode" and the dash indicator lights says "reduced engine power." I have had the throttle body changed twice, and the gas pedal assembly changed twice. I still have the same problem. What else could be causing this problem?



