Recent slight overheating?

Tiny
MSKFSH
  • MEMBER
  • 2010 DODGE CALIBER
  • 2.0L
  • 4 CYL
  • 2WD
  • AUTOMATIC
  • 100,000 MILES
So, I have noticed that recently, my car's coolant temperature increases briefly 1 notch above normal operating temperature especially when idling and only when the AC is off. The coolant was flushed not long ago and looks very clean. I did burp the system yesterday and it released some bubbles, but the problem persisted. The thing that confuses me the most is why don’t the fans kick in earlier? I verified that they kick in both but only when the car overheats as described above or when I turn on A/C! Isn’t it supposed to kick in based on feedback from the temperature sensor? I checked my car model, and I don’t think it has a dedicated coolant fan switch.

Can it be the thermostat? This particular model has 2 of them! But then again, why wouldn’t the fans kick in in time if the sensor is reading the high temperature?

It’s interesting to mention that I also noticed that it takes a bit longer than before to reach the operating temperature when I first drive it in the morning.

So, in short, the car slightly overheats, fans kick in too late, but when they do the temperature goes down.
Sunday, January 21st, 2024 AT 1:24 PM

3 Replies

Tiny
KEN L
  • MASTER CERTIFIED MECHANIC
  • 55,469 POSTS
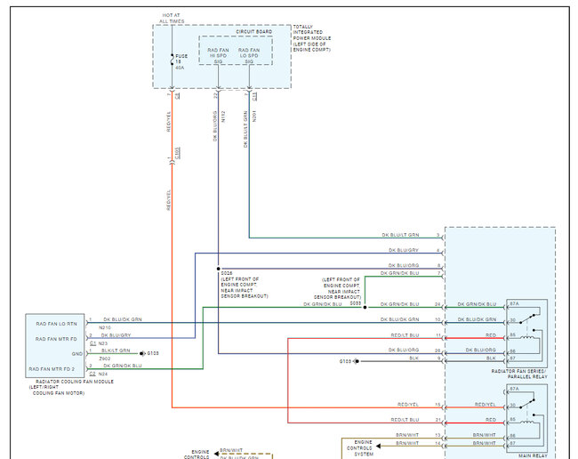
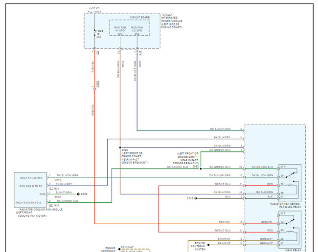
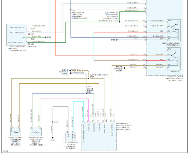
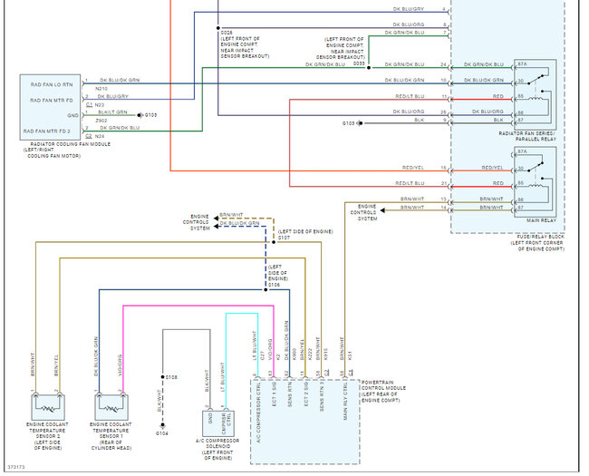
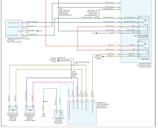
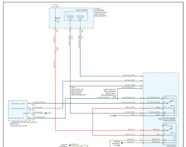
Yep, this car has two engine coolant temperature sensors and the TIPM sends power to the fans to have them turn on. I have seen both the sensors and the TIPM fail and cause this problem. Here are the cooling fan wiring diagrams so you can check it out, also if you have a scanner, you can see the engine temperature as the computer is seeing it which might tell us the coolant sensors are bad off slightly. Also, you might have a trouble code stored in the system.

https://www.2carpros.com/articles/checking-a-service-engine-soon-or-check-engine-light-on-or-flashing

Here are the locations of the coolant sensors, also I would check the thermostat as well, if you have one stuck open it can mess up the system.

Please go over this guide as well:

https://www.2carpros.com/articles/engine-overheating-or-running-hot

Check out the images (below). Let us know how it goes.
Was this
answer
helpful?
Yes
No
+1
Monday, January 22nd, 2024 AT 10:59 AM
Tiny
MSKFSH
  • MEMBER
  • 7 POSTS
I have a very basic scan tool and there is no check engine light. I am surprised by the other sensor ! I’m going to use my very basic code reader and what I get. You think if I change the 2 sensors and thermostats, I can solve this issue?
Was this
answer
helpful?
Yes
No
Monday, January 22nd, 2024 AT 1:05 PM
Tiny
KEN L
  • MASTER CERTIFIED MECHANIC
  • 55,469 POSTS
Yep, it should fix it but let me know what codes you get if any.
Was this
answer
helpful?
Yes
No
+1
Tuesday, January 23rd, 2024 AT 10:11 AM

Please login or register to post a reply.