Monday, April 11th, 2022 AT 12:03 PM
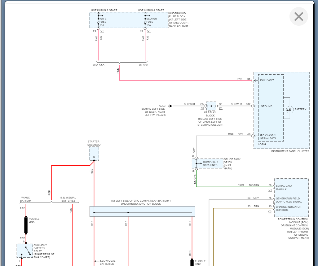
Okay, truck had to have vats clean com put in truck to run. Then a new key switch. None of my controls work for doors or window my oil, gas, volt, or temperature works. Interior lights bulbs had to be taken out because they would stay on and drain the battery. Touched battery the other day shocked me there and we're I was touching body. And today truck continued to run with key off until I switched it back on.





