Rear vent windows not working

Tiny
RAF2017
  • MEMBER
  • 2004 HONDA ODYSSEY
  • 3.5L
  • V6
  • 2WD
  • AUTOMATIC
  • 123,000 MILES
I recently purchased from original owner and none of the rear vent windows open. All the other functions from the master switch are functional such as drive and passenger side windows, door locks etc.
Just the vent window will not open for either side.
Checked the two 7.5 amp fuses, they are okay.
When pulling the switches I can hear the relays in the back, but not motor action. Not sure this proves the relays are actually working, but since both sides are out I expect something wrong they have in common.
Could it be the master switch nevertheless?

Any help and suggestions much appreciated.
Monday, January 29th, 2018 AT 4:01 PM

5 Replies

Tiny
STEVE W.
  • MECHANIC
  • 15,613 POSTS
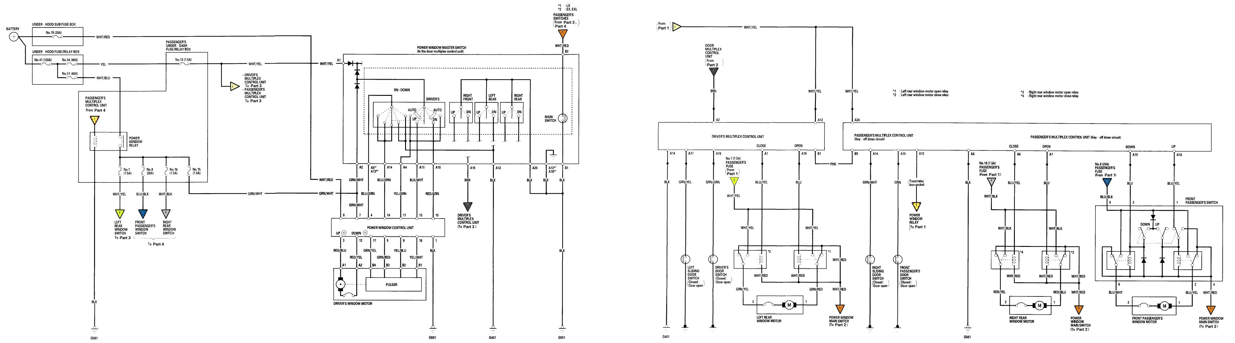
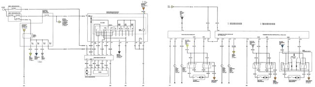
Here is the wiring diagram. From the diagram it could be a fault in the multiplexer or in the wiring to the motors. Specifically the grounds. I would start by locating the wiring to each motor. They are simple twelve volt units that use polarity reversal to move. Disconnect them and use twelve volts to the motors to verify they work. If both check okay then go to the relays and verify that all four are switching. Check the power and ground sides.

There are also switches for the two sliding doors, if they fail they can stop those windows from opening as well.
Was this
answer
helpful?
Yes
No
+2
Tuesday, January 30th, 2018 AT 11:47 PM
Tiny
RAF2017
  • MEMBER
  • 3 POSTS
Hi Steve,

Thanks for the suggestions. I was hoping to avoid pulling the rear side panels off (seems tricky) to get to the motors and relays. All the other power doors (including sliding) and windows work, so maybe the multiplexer as this seems the only ting common to both left and right vent. Will see whether I can get a cheap master switch from the junkyard. Based on the wiring diagram I thought I could test the motors from the 2x10 connector, but seems like I did miss something as I could not even hear the relays move.

I assume with multiplexer you mean master switch under the drivers side armrest.

If you have any knowledge on how to test just from the 2x10 connector to the master switch (maybe conductivity open or closed) would love to hear.
Was this
answer
helpful?
Yes
No
+1
Thursday, February 1st, 2018 AT 2:15 PM
Tiny
STEVE W.
  • MECHANIC
  • 15,613 POSTS
The way this system works is that the rear window relays are normally closed to ground both window motor wires. When you move the switch to open the left rear vent window the front switch sends 12+ down the blue wire to the relay. The relay switches on and connects to the power feed coming from the white/yellow wire that is fed from fuse 7. That sends 12+ to the motor on the green/red wire and it should open the window.

If you hear the relay click when you move it to open (or close) the windows that confirms that power is coming from the switch to the relay and that the ground to the rear motor and relays is functional as the ground is shared between them. That applies to both sides as they share the common ground and share it with the front passenger door as well.

The driver master switch contains the multiplexer unit. From looking at the schematic and the wiring I do not see an easy way to test from up front because they use common wire colors for the window functions. That is why I suggested checking right at the motors and relays.
Was this
answer
helpful?
Yes
No
+3
Thursday, February 1st, 2018 AT 7:21 PM
Tiny
RAF2017
  • MEMBER
  • 3 POSTS
Hi Steve,

figured it out, sort of and wanted to share my findings.

Since both windows did not operate I suspected a common element as how likely would it be for both to fail! Wrong, both motors had an issue, actually the same issue.
I could hear the relays click when actuating the switch, so them being the culprit was less likely.
Turns out that the motor itself is perfectly fine and would run both ways when hooked up to 12VDC. The problem turns out to be in that little transition that includes a 28 Ohm resistor between the connection prongs coming right out of the motor and the connector of the wiring harness. Looks like after so many years and use it failed to make consistent contact and it had to be the resistor as the rest was just copper. I applied the hot soldering iron to the leads, that fixed the contact to the resistor to a degree, but frequent use will heat the resistor to the point where it fails and the window will not operate. Cooling may reset it.

To get to this point it was necessary to remove the motor and crack open the housing which was easily done with a knife and screwdriver prying into the seam starting at the connector end.

Thanks for your help, you were right to check the motor.
Removing the panels on the passenger side of an EX-L is a pain since there is heater duct work in front of the motor
Was this
answer
helpful?
Yes
No
+3
Tuesday, February 20th, 2018 AT 9:14 AM
Tiny
STEVE W.
  • MECHANIC
  • 15,613 POSTS
That is almost the same failure mode that Chrysler has on the wing window motors on the short wheelbase Caravans. One of the reasons I suspected an issue right at the motors.

The resistance is there to drop the voltage so the windows open slower however that isn't just a resistor, it's a thermal self resetting breaker element. It's function is to slow the motor and protect it in case the switch stick on or you don't notice the window is fully open or closed. You can see it on the wiring diagram as the curved line inside the motor schematic. Same method has been used for years on window motors as circuit protection. They measure the stall current and use a thermal unit that trips after a few seconds at that level.

Yeah some vehicles are a real issue to get into the "engineering spaces".
Was this
answer
helpful?
Yes
No
+4
Tuesday, February 20th, 2018 AT 11:31 AM

Please login or register to post a reply.