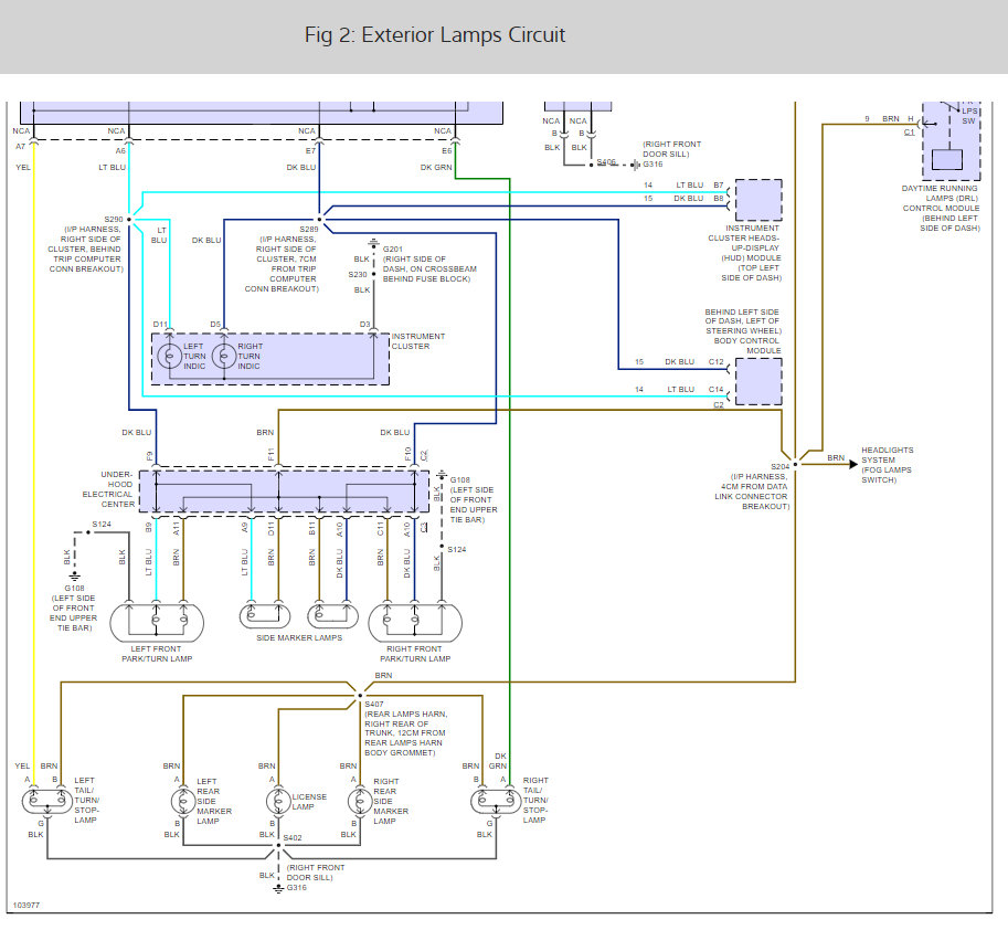
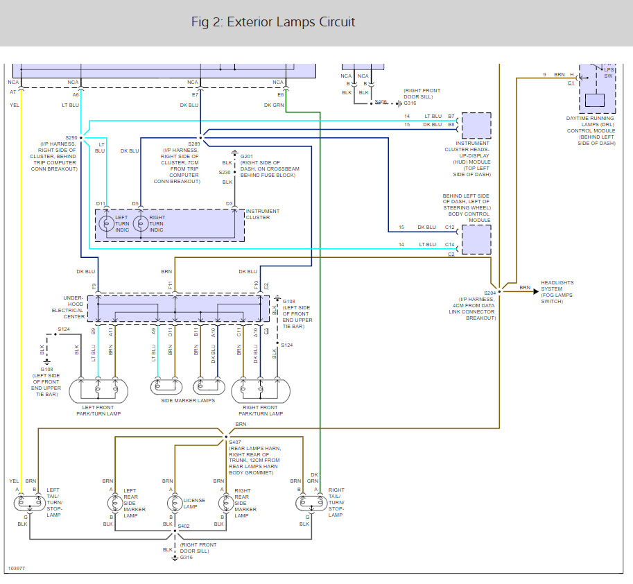
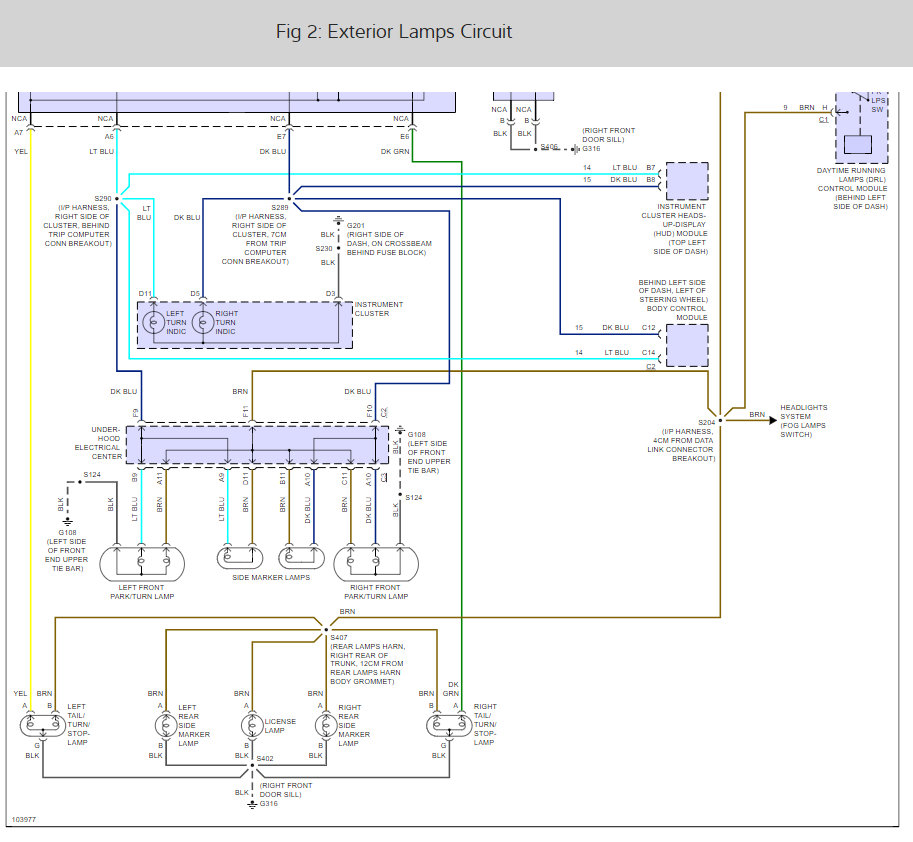
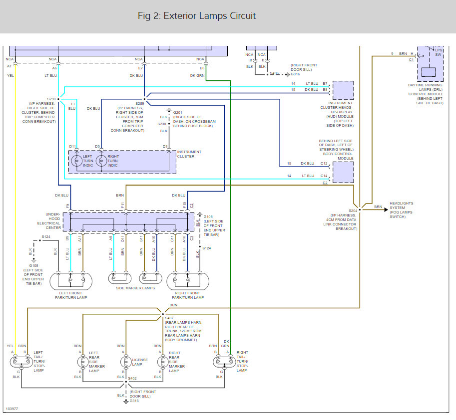
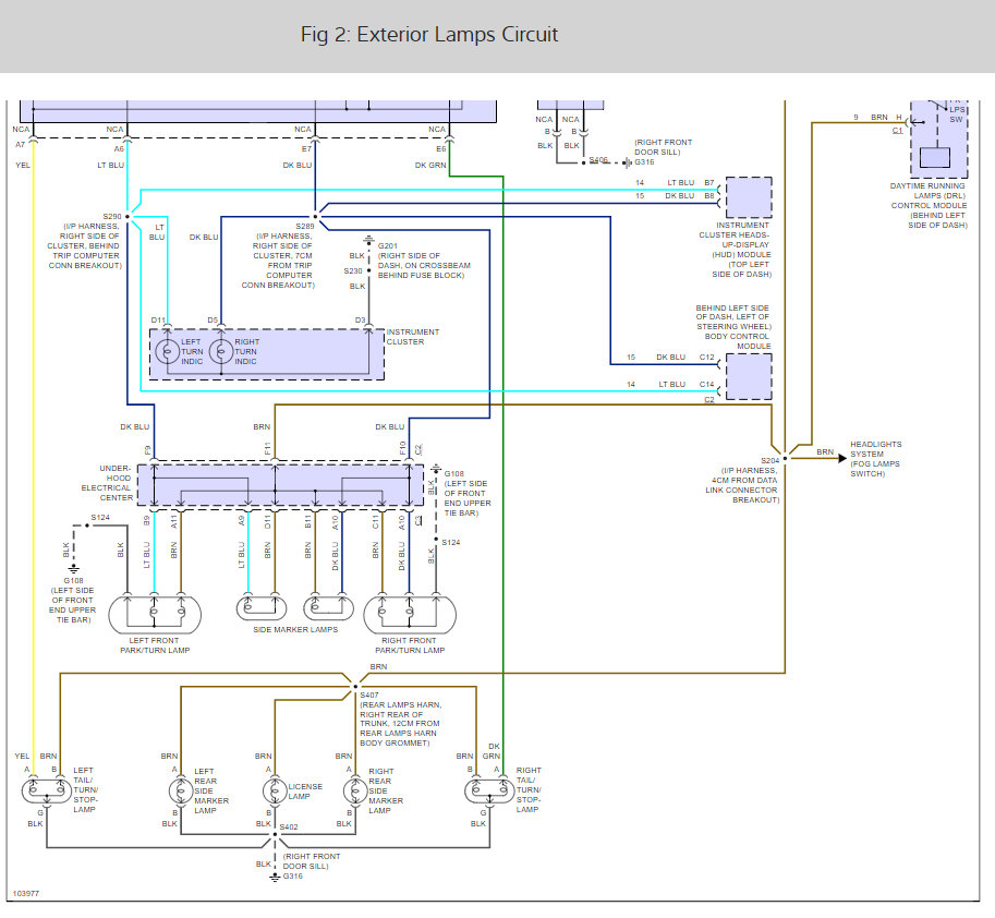
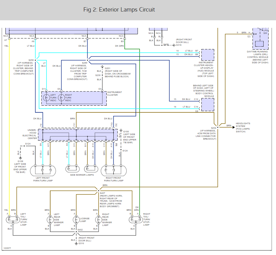
Sunday, March 18th, 2018 AT 8:35 AM
My blinker light quit. I changed the bulb. It did not work, so I changed the socket. Now none of the three lights in that assembly work. What could cause this? The two front work, and the passenger back still works. Just not the driver back light assembly.



