Rear running lights not working

Tiny
BRENDAN MACKAY
  • MEMBER
  • 2001 JEEP GRAND CHEROKEE
  • 4.7L
  • V8
  • 4WD
  • AUTOMATIC
  • 235,000 MILES
My rear running lights are not working but brake lights, turn signals, and reverse lights all work fine.
Sunday, January 27th, 2019 AT 12:27 PM

9 Replies

Tiny
SCGRANTURISMO
  • MECHANIC
  • 4,897 POSTS
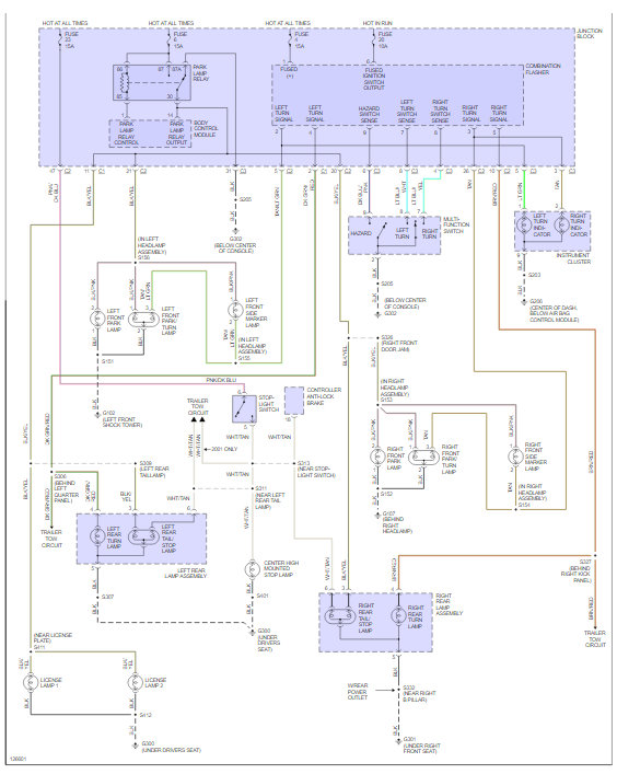
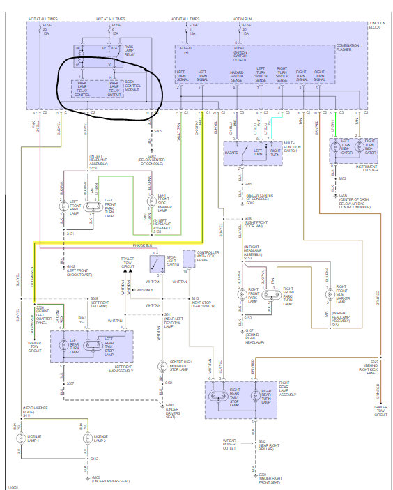
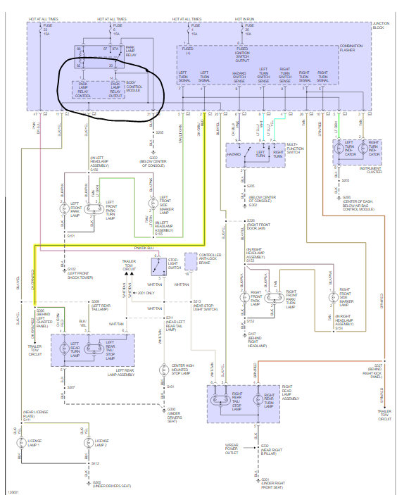
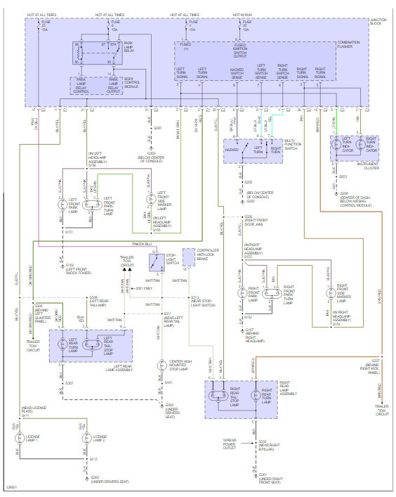
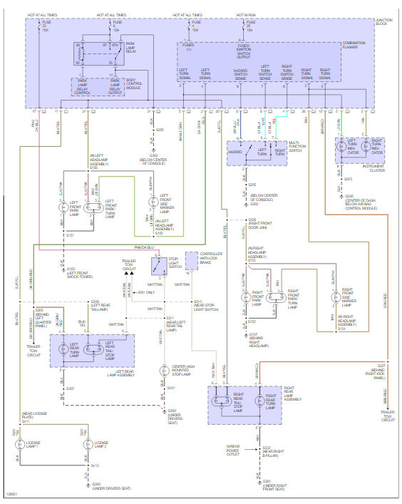
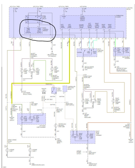
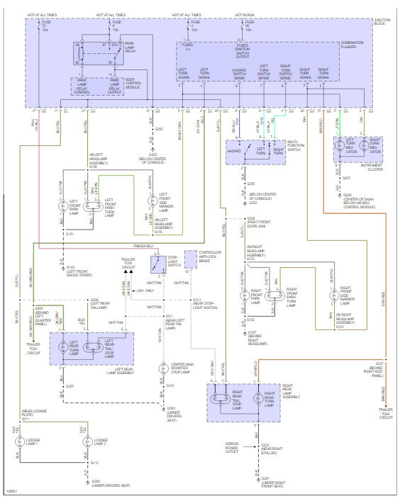
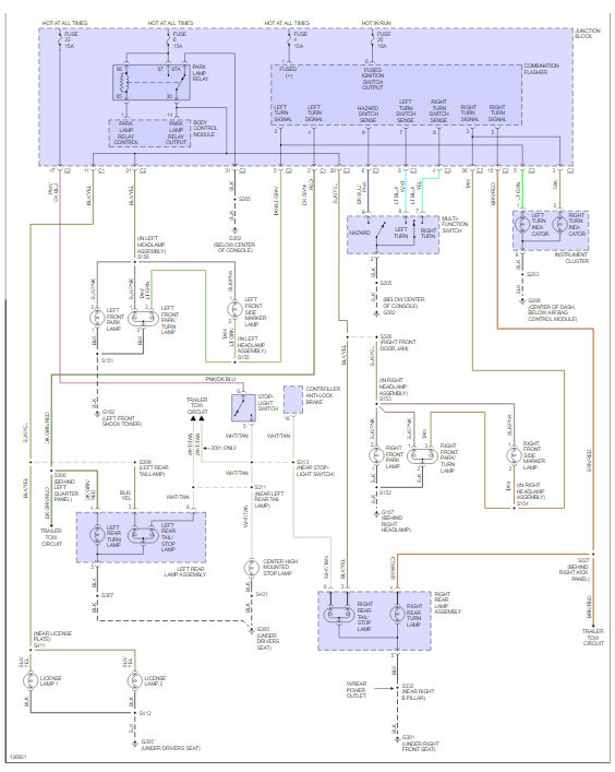
Brenden McKay, my name is Alex and I will be helping you today. It sounds to me like you might have a burned out bulb. Here is a helpful link to explain how to track down and fix the problem and some wiring diagrams for your vehicle. Thanks, and let us know if we can help more with this or any other questions you may have. https://www.2carpros.com/articles/no-tail-lights-exterior-running-lights-tail-lights-out
Was this
answer
helpful?
Yes
No
Monday, January 28th, 2019 AT 12:18 AM
Tiny
BRENDAN MACKAY
  • MEMBER
  • 5 POSTS
Sorry. Should have included that all of the bulbs are new, as well as both tail light assemblies. I have also checked and replaced the fuse.
Was this
answer
helpful?
Yes
No
Monday, January 28th, 2019 AT 7:06 AM
Tiny
SCGRANTURISMO
  • MECHANIC
  • 4,897 POSTS
Are your license plate lamps working?
Was this
answer
helpful?
Yes
No
+1
Monday, January 28th, 2019 AT 7:20 AM
Tiny
BRENDAN MACKAY
  • MEMBER
  • 5 POSTS
No but the upper light above the back window works intermittently
Was this
answer
helpful?
Yes
No
Monday, January 28th, 2019 AT 9:07 AM
Tiny
SCGRANTURISMO
  • MECHANIC
  • 4,897 POSTS
Have you checked the Body Control Module?
Was this
answer
helpful?
Yes
No
Monday, January 28th, 2019 AT 9:33 PM
Tiny
BRENDAN MACKAY
  • MEMBER
  • 5 POSTS
I did. Replaced the relays too but still nothing.
Was this
answer
helpful?
Yes
No
Tuesday, January 29th, 2019 AT 10:02 AM
Tiny
SCGRANTURISMO
  • MECHANIC
  • 4,897 POSTS
Do you have a trailer towing package?
Was this
answer
helpful?
Yes
No
Tuesday, January 29th, 2019 AT 5:52 PM
Tiny
BRENDAN MACKAY
  • MEMBER
  • 5 POSTS
There is a hitch installed but I do not think it is wired for a trailer. I bought it used and the previous owner never used it.
Was this
answer
helpful?
Yes
No
Wednesday, January 30th, 2019 AT 5:24 AM
Tiny
SCGRANTURISMO
  • MECHANIC
  • 4,897 POSTS
Okay. Have you also checked the stop light switch and splice 311 and 313? You can find these on the original wiring diagram I sent you.
Was this
answer
helpful?
Yes
No
Wednesday, January 30th, 2019 AT 12:11 PM

Please login or register to post a reply.