Taillights and brake lights stopped working?

Tiny
GCC013
  • MEMBER
  • 1999 CHEVROLET SILVERADO
  • 6.0L
  • V8
  • 4WD
  • AUTOMATIC
  • 200,000 MILES
I had installed new headlights about 2 days ago and last night my taillights and brake lights stopped working, I replaced the rear junction box, but it hasn’t fixed the issue. The rear lights work when I use my blinkers and hazards. Any advice?

*Edit*
Pulled the parking light fuse and they started to work again, so I figured it has something to do with the front LED DRLs, still haven’t figured anything else out.
Thursday, February 22nd, 2024 AT 11:56 AM

6 Replies

Tiny
KEN L
  • MASTER CERTIFIED MECHANIC
  • 55,302 POSTS
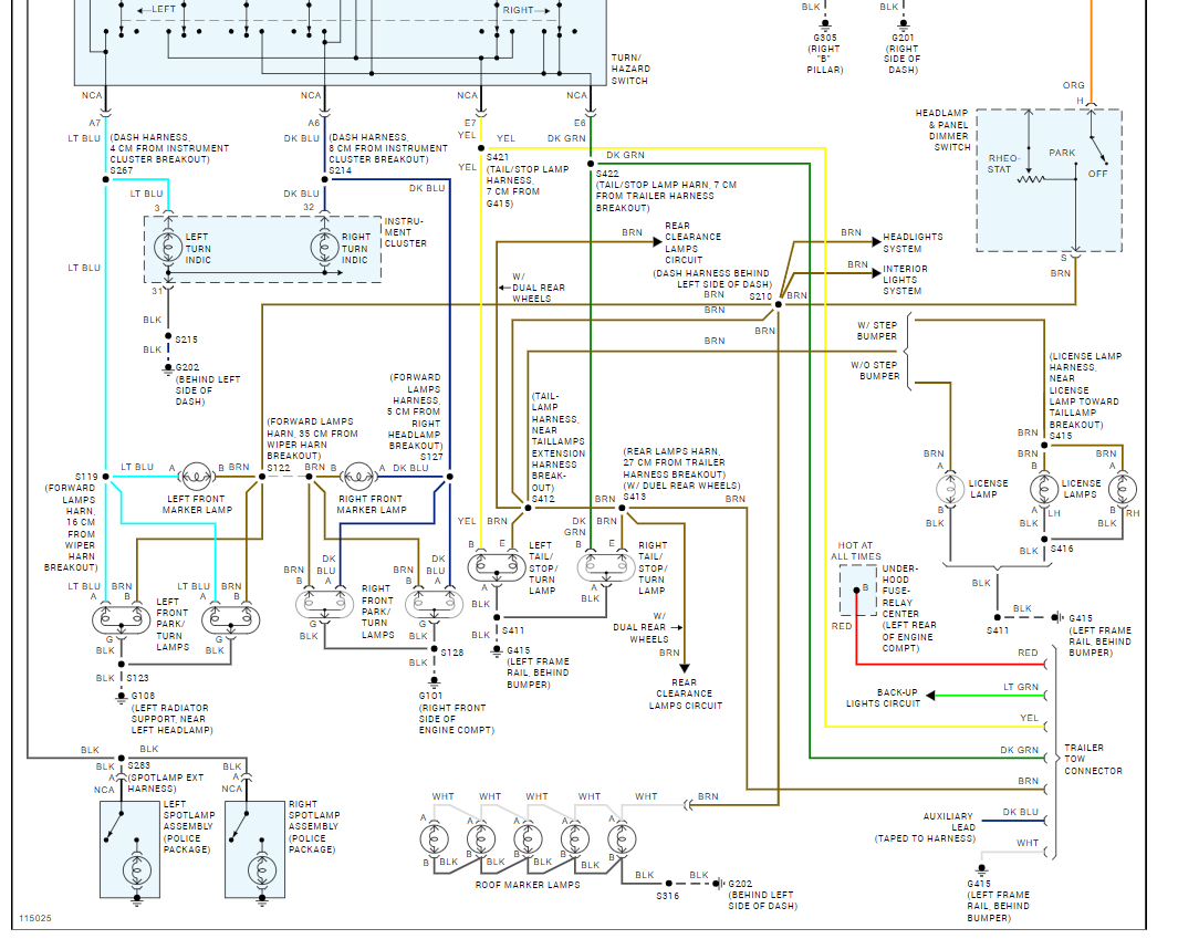
This sounds like the ground at the rear of the truck is bad/off, but we should check the fuses as well. Here is a guide to help you test the fuses and I would check the ground at the left frame rail near the bumper. Here is a guide to help test for power and the tail light and brake light wiring diagrams so you can see how the system works.

https://www.2carpros.com/articles/how-to-use-a-test-light-circuit-tester

These guides can help as well:

https://www.2carpros.com/articles/no-tail-lights-exterior-running-lights-tail-lights-out

and

https://www.2carpros.com/articles/brake-lights-not-working

Check out the images (below). Please upload pictures or videos in your response to the problem so we can see what's going on. You can see what fuses to check with the wiring diagrams below.
Was this
answer
helpful?
Yes
No
Thursday, February 22nd, 2024 AT 1:47 PM
Tiny
GCC013
  • MEMBER
  • 6 POSTS
I’ll clean up the mating surfaces good and see if that helps. To me it looks like it’s underpowered or something since my test light lit up on both bulb sockets, one was dim, and the other was bright. I checked all the fuses, and they were all good, for whatever reason the fr park fuse stops them from working.
Was this
answer
helpful?
Yes
No
Thursday, February 22nd, 2024 AT 2:13 PM
Tiny
KEN L
  • MASTER CERTIFIED MECHANIC
  • 55,302 POSTS
That ground looks like it needs to be redone, clean the metal and replace the crimp on connector, also to see if this is the problem use your test light connected to ground on this wire when the brake are depressed, if the test light illuminates the ground is bad.
Was this
answer
helpful?
Yes
No
Friday, February 23rd, 2024 AT 9:34 AM
Tiny
KEN L
  • MASTER CERTIFIED MECHANIC
  • 55,302 POSTS
Anything?
Was this
answer
helpful?
Yes
No
Saturday, May 11th, 2024 AT 11:33 AM
Tiny
GCC013
  • MEMBER
  • 6 POSTS
Yeah, my bad, figured it out a couple of days ago, I must have had a faulty LED bulb In The front, thanks for the help. Learned a lot about this darn truck trying to figure that out, lol.
Was this
answer
helpful?
Yes
No
Saturday, May 11th, 2024 AT 11:36 AM
Tiny
KEN L
  • MASTER CERTIFIED MECHANIC
  • 55,302 POSTS
Thanks for letting us know, we are here to help, please use 2CarPros anytime.
Was this
answer
helpful?
Yes
No
Saturday, May 11th, 2024 AT 1:11 PM

Please login or register to post a reply.