Power window not working?

Tiny
SILKWOOD62PRS
  • MEMBER
  • 2016 CHRYSLER 300
  • 3.6L
  • 6 CYL
  • 2WD
  • AUTOMATIC
  • 54,000 MILES
Windows used to go up and down, but now they do not move. I thought there might be a fuse for the two window motors but could not find. According to the drivers manual Fuse #64 is labeled Rear Window (Charger/300), a 25 amp breaker mini-fuse. That space is empty. This is in the Rear Power distribution box in the trunk.
Saturday, July 13th, 2019 AT 10:47 AM

15 Replies

Tiny
SCGRANTURISMO
  • MECHANIC
  • 4,897 POSTS
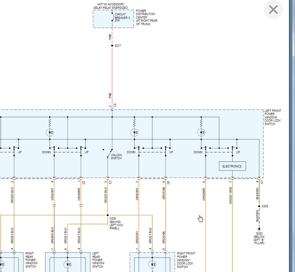
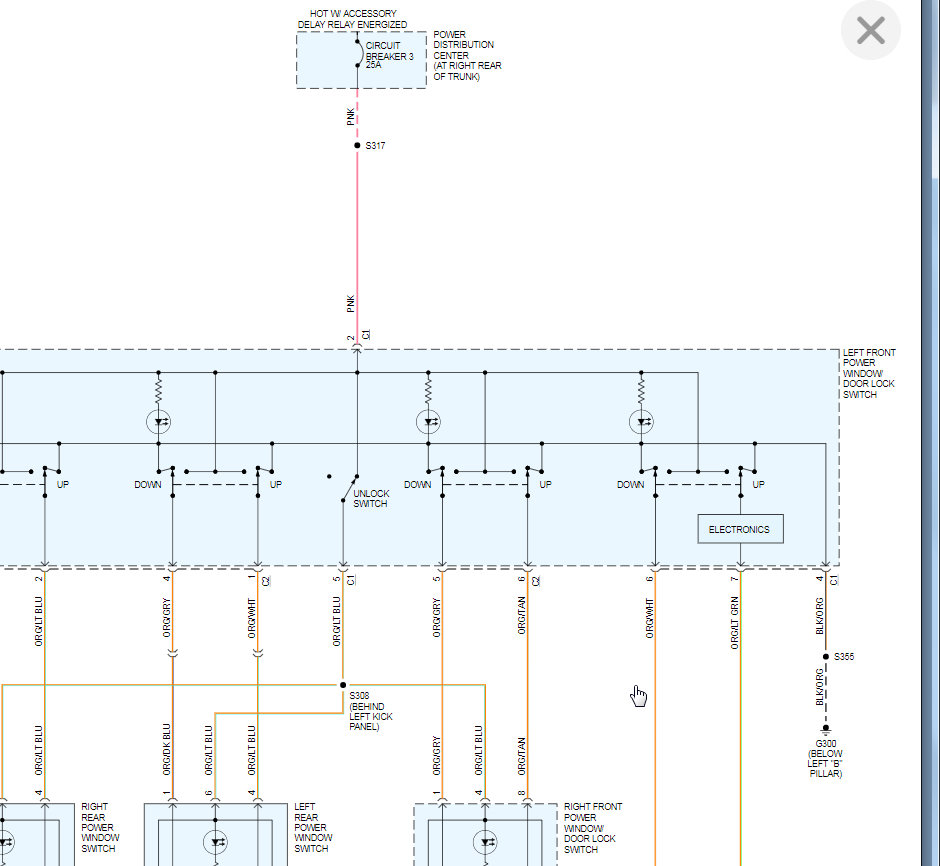
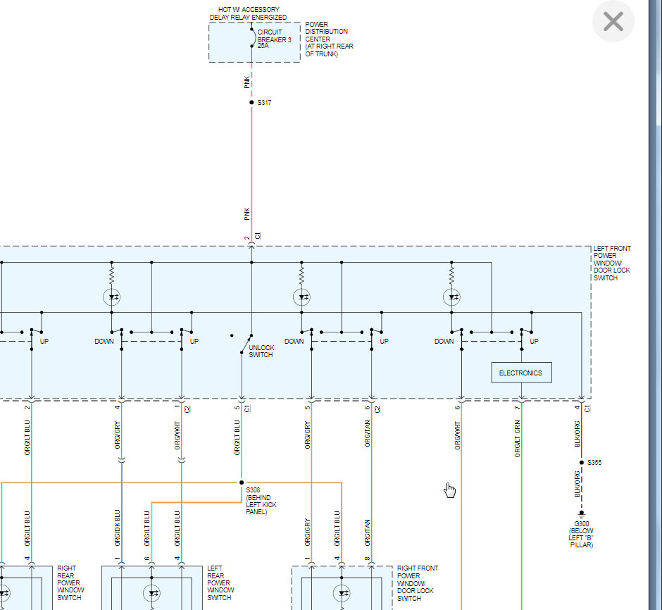
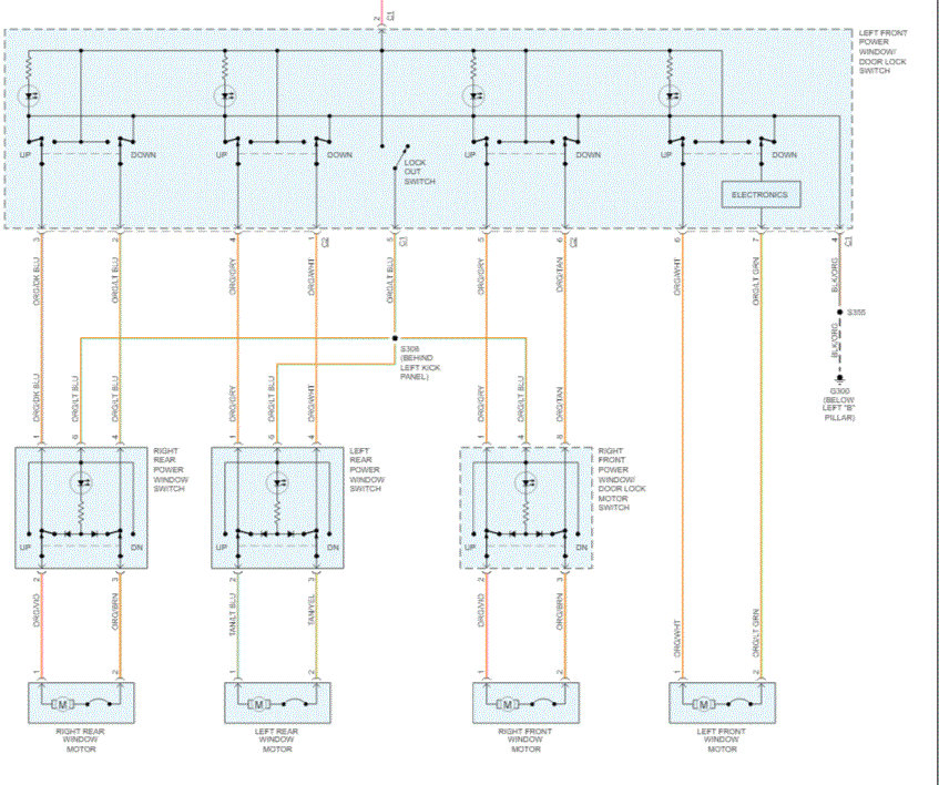
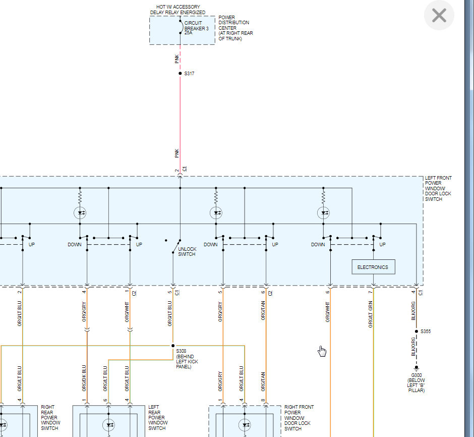
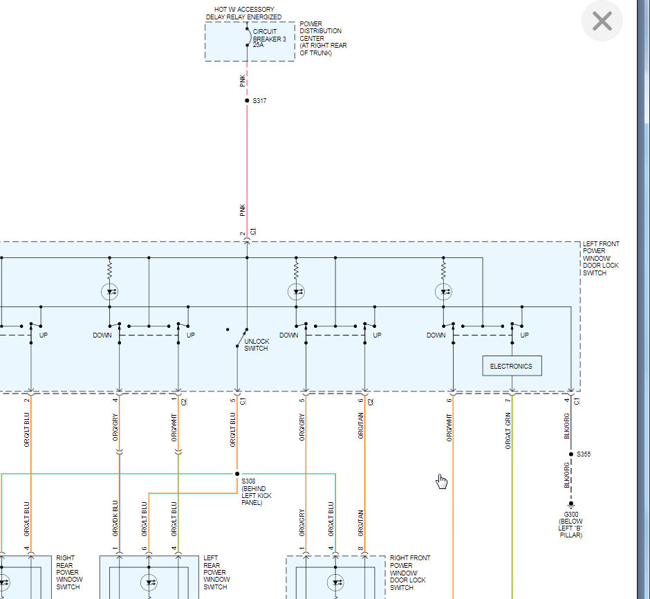
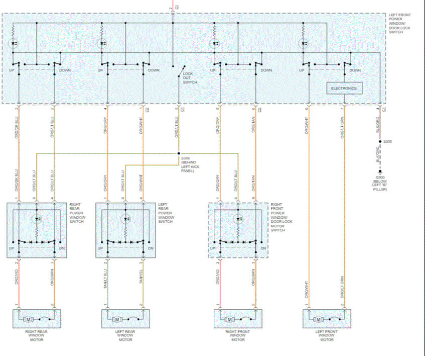
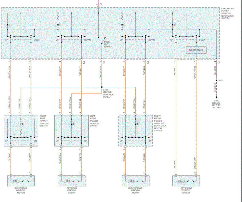
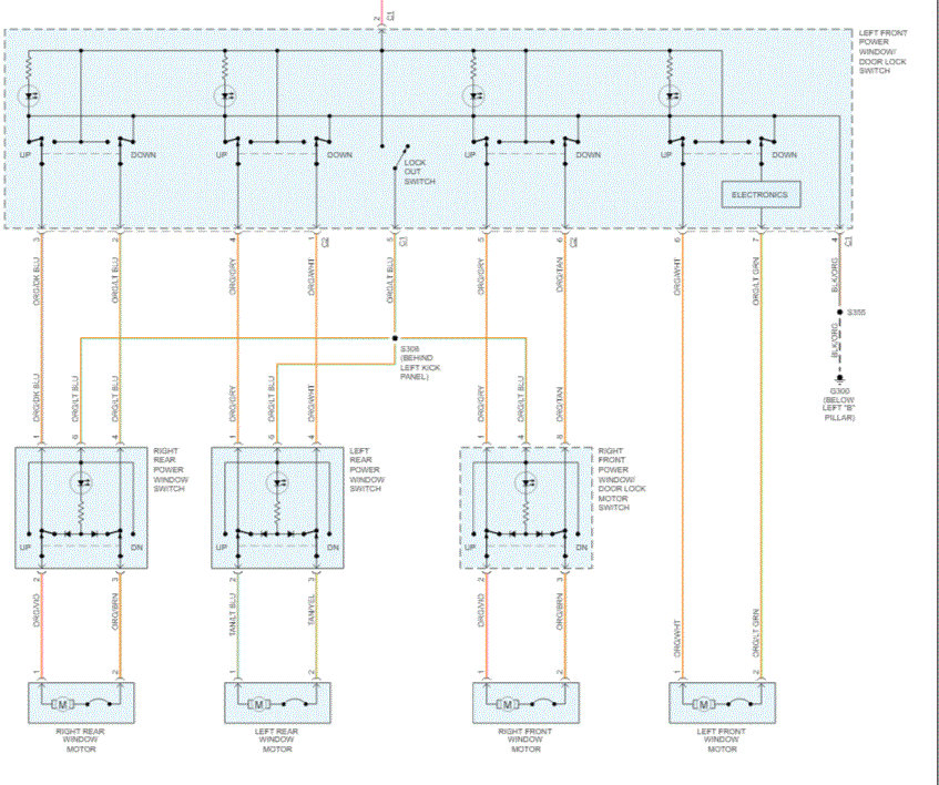
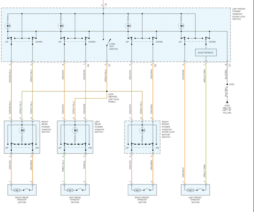
That is correct. Replace this circuit breaker and see if it works there is a drivers door module that goes out as well here are the window wiring diagram so you can see how the system works. Check out the diagrams (Below). Let us know what happens and please upload pictures or videos of the problem.
Was this
answer
helpful?
Yes
No
Saturday, July 13th, 2019 AT 12:29 PM
Tiny
TKAEGY
  • MEMBER
  • 4 POSTS
It was the DDM for my car got a new one the window works again!
Was this
answer
helpful?
Yes
No
Friday, May 21st, 2021 AT 4:42 PM
Tiny
MONTIE
  • MEMBER
  • 1 POST
  • 2008 CHRYSLER 300
  • 3.5L
  • V6
  • 2WD
  • AUTOMATIC
  • 2,000,800 MILES
All windows work except front driver side. Replaced window regulator and motor still wont work. All others work.
Was this
answer
helpful?
Yes
No
Friday, May 21st, 2021 AT 4:42 PM (Merged)
Tiny
KASEKENNY
  • MECHANIC
  • 18,907 POSTS
Have you done anything with the window switch? Have you tested power from the switch when pressing up or down on this window?

I included the information to replace it as it appears it is the only thing left but we should test it just to be sure.

Let me know if you already addressed this and we can go from there. Thanks
Was this
answer
helpful?
Yes
No
Friday, May 21st, 2021 AT 4:42 PM (Merged)
Tiny
EBERTO BRANDO
  • MEMBER
  • 4 POSTS
  • 2005 CHRYSLER 300
  • 5.7L
  • V8
  • 2WD
  • 222,000 MILES
Drivers side window and passenger side window wont go down when I try to control them with my switch, but the passenger side will go down when I use that switch. Please help!
Was this
answer
helpful?
Yes
No
Friday, May 21st, 2021 AT 4:43 PM (Merged)
Tiny
JACOBANDNICKOLAS
  • MECHANIC
  • 110,194 POSTS
Hi,

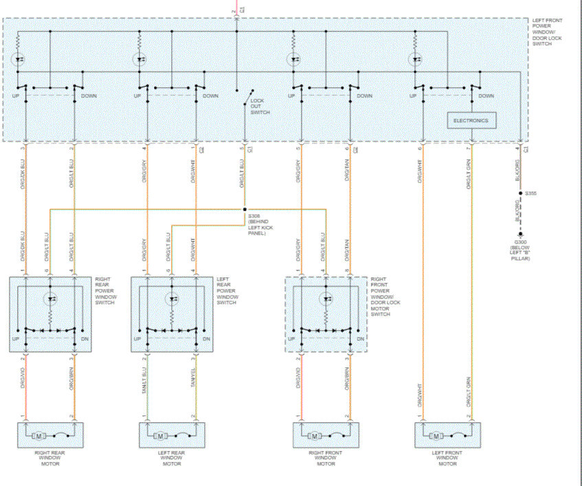
If the window is working at all, then chances are the main switch on the driver's door is bad. If you look at the attached picture, you will see that all the power to all windows goes through the main switch. That leads me to believe there is an issue with the switch itself (main switch).

Take a look at the attached wiring schematic. You will see what I am referring to.

Let me know if you have questions.

Take care,
Joe
Was this
answer
helpful?
Yes
No
+1
Friday, May 21st, 2021 AT 4:43 PM (Merged)
Tiny
EBERTO BRANDO
  • MEMBER
  • 4 POSTS
The back windows open when I control them with my driver switch. Do you think I should get it replaced? Or could it possibly be a fuse?
Was this
answer
helpful?
Yes
No
+1
Friday, May 21st, 2021 AT 4:43 PM (Merged)
Tiny
JACOBANDNICKOLAS
  • MECHANIC
  • 110,194 POSTS
Hi,

Since some of them do work, that tells me fuse is good. All power is directed through the main switch and provided from one place. Did both window problems start at the same time?

Joe
Was this
answer
helpful?
Yes
No
Friday, May 21st, 2021 AT 4:43 PM (Merged)
Tiny
EBERTO BRANDO
  • MEMBER
  • 4 POSTS
Kind of. A lot of people are telling me it's master switch itself. I found the part for $30.00 on eBay and it came from the same model 300 as my car. I hope that fixes it!
Was this
answer
helpful?
Yes
No
Friday, May 21st, 2021 AT 4:43 PM (Merged)
Tiny
JACOBANDNICKOLAS
  • MECHANIC
  • 110,194 POSTS
Hi,

I suspect that is the problem. Here are directions for removal and replacement:

____________________

2005 Chrysler 300 V8-5.7L VIN H
Switch-Window/Door Lock
Vehicle Sensors and Switches Sensors and Switches - Windows and Glass Power Window Switch Service and Repair Procedures Switch-Window/Door Lock
SWITCH-WINDOW/DOOR LOCK
NOTE: A battery reconnect procedure must be performed anytime the battery has been disconnected.

REMOVAL

pic 1

1. Disconnect and isolate the battery negative cable.
2. Remove the door trim panel.
3. Using a flat bladed tool, remove the window/lock switch (2) from the door trim panel.

INSTALLATION

pic 2

1. Install window/lock switch (2) to door trim panel and snap into place.
2. Install door trim panel.
3. Connect battery negative cable.

__________________________

Here is the battery reconnect procedure.

2005 Chrysler 300 V8-5.7L VIN H
Battery System
Vehicle Starting and Charging Battery Service and Repair Procedures Battery System
BATTERY SYSTEM
BATTERY RECONNECTION

NOTE: This reconnection procedure is to be performed anytime the battery has been disconnected.

Pic 3

1. Connect the battery negative cable (2) to the battery post and tighten the clamp nut.
2. Install the rear compartment floor trim panel.

CAUTION: Once the battery has been connected, review and perform the following information as applicable.

AUTO UP FRONT WINDOW
If the vehicle is equipped with the auto-up front window feature, once the battery is reconnected the door module needs to be calibrated. The door module requires calibration anytime the battery or door module has been disconnected for any length of time. To calibrate, perform the following:
1. Turn the Ignition to the Run position.
2. Regardless of current window position, move the driver side front window upward until the window stalls in the full up position. Allow the window motor to stall for at least 2 seconds before releasing the switch.
3. Move the driver side front window downward until the window stalls in the full down position. Allow the window motor to stall for at least 2 seconds before releasing the switch.
4. Move the driver side front window upward until the window stalls in the full up position. Allow the window motor to stall for at least 2 second before releasing the switch.
5. Repeat steps 2, 3 and 4 for the passenger side front window.
6. Verify the windows are properly calibrated by operating the express down and up features on the windows. Repeat this procedure if the calibration failed. If unable to properly calibrate after the second attempt, check the Driver's Door Module (DDM) and Passenger's Door Module (PDM) for Diagnostic Trouble Codes (DTCs) and correct as required.

ELECTRONIC STABILITY PROGRAM (ESP)
If the vehicle is equipped with ESP, once the battery is reconnected, the Steering Angle Sensor (SAS) needs to be calibrated. The SAS requires calibration anytime the battery or an ABS (ESP) component has been disconnected for any length of time. If the SAS is not calibrated following battery reconnection, the ESP/BAS indicator lamp is illuminated following 5 ignition cycles indicating the need for calibration. To calibrate, perform the following:
1. Start the engine.
2. Center the steering wheel.
3. Turn the steering wheel all the way to the left until the internal stop in the steering gear is met, then turn the wheel all the way to the right until the opposite internal stop in the steering gear is met.
4. Center the steering wheel.
5. Stop the engine.

___________________________________

I hope this helps.

Take care,

Joe
Was this
answer
helpful?
Yes
No
Friday, May 21st, 2021 AT 4:43 PM (Merged)
Tiny
EBERTO BRANDO
  • MEMBER
  • 4 POSTS
Thank you so much! It's very inconvenient having to open my door all the time, haha. I appreciate the help, brother.
Was this
answer
helpful?
Yes
No
Friday, May 21st, 2021 AT 4:43 PM (Merged)
Tiny
JACOBANDNICKOLAS
  • MECHANIC
  • 110,194 POSTS
You are very welcome. If you have a chance, let me know how things turn out for you.

Take care,
Joe
Was this
answer
helpful?
Yes
No
+2
Friday, May 21st, 2021 AT 4:43 PM (Merged)
Tiny
APSCKD
  • MEMBER
  • 1 POST
  • 2005 CHRYSLER 300
My power window on the driverside and passenger side does not work I just replaced the power window module and still no power the passenger side works fine using the passenger side control (also my power mirror stopped working at the same time)
Was this
answer
helpful?
Yes
No
+1
Friday, May 21st, 2021 AT 4:43 PM (Merged)
Tiny
IMPALASS
  • MECHANIC
  • 3,112 POSTS
Hello -

To better assist you is your model just a 300, or is it the 300C, Limited, SRT-8 or Touring? Also I know it is a 6cyl, can you give me the engine size in liter please.

Also, it looks like you can check for DTC for your windows. This may save us some time. Please go to Auto Zone (AZ) or O'Reilly's (OR) and for FREE they can pull the codes to the car. Most important: Once they check your codes, if they find something and you don't get it fixed and need to get back with us, please make sure you tell us exactly what the code was, number and all. Example, if the code was E0568 O2 Sensor bad. Then make sure you give us all of that.
Was this
answer
helpful?
Yes
No
+3
Friday, May 21st, 2021 AT 4:43 PM (Merged)
Tiny
IMPALASS
  • MECHANIC
  • 3,112 POSTS
Hello -

I haven't heard back from you. Maybe your car is fixed now. I am not sure of your exact model but for the 300 model you may have a recall.

The dealer may fix this for free. Please contact the dealer service department, give them the VIN number of your car and have them check on this to see if it applies to you.

POWER TRAIN:AUTOMATIC TRANSMISSION
NHTSA RECALL BULLETIN
Reference Number(s): 05V460000
Related Ref Number(s): 05V460000
ARTICLE BEGINNING
VEHICLE DESCRIPTION
Model(s): 2005 CHRYSLER 300
2005 DODGE DAKOTA
2005 DODGE DURANGO
2005 DODGE MAGNUM
2005 JEEP LIBERTY
2005 JEEP WRANGLER
2006 CHRYSLER 300
2006 DODGE CHARGER
2006 DODGE DURANGO
2006 DODGE MAGNUM
2006 JEEP LIBERTY 4X4
2006 JEEP WRANGLER
Campaign No: 05V460000
Number of Affected Vehicles: 256409
Beginning Date of Manufacture: 2004 JUL
Ending Date of Manufacture: 2005 OCT
SYSTEM
POWER TRAIN:AUTOMATIC TRANSMISSION
DESCRIPTION OF DEFECT
ON CERTAIN PICKUP TRUCKS, SPORT UTILITY AND PASSENGER VEHICLES EQUIPPED WITH 42RLE AUTOMATIC TRANSMISSIONS, THE CUP PLUG THAT RETAINS THE PARK PAWL ANCHOR SHAFT MAY BE IMPROPERLY INSTALLED. IF THE SHAFT MOVES OUT OF POSITION, THE VEHICLE MAY NOT BE ABLE TO ACHIEVE 'PARK' POSITION.
CONSEQUENCE OF DEFECT
IF THIS OCCURS AND THE PARKING BRAKE IS NOT APPLIED, THE VEHICLE MAY ROLL AWAY AND CAUSE A CRASH WITHOUT WARNING.
CORRECTIVE ACTION
DEALERS WILL INSPECT THE TRANSMISSIONS AND INSTALL A BRACKET TO ENSURE THE PARK PAWL ANCHOR SHAFT IS RETAINED IN THE PROPER POSITION. THE RECALL BEGAN ON NOVEMBER 28, 2005. OWNERS MAY CONTACT DAIMLERCHRYSLER AT 1-800-853-1403.
ADDITIONAL INFORMATION
The National Highway Traffic Safety Administration operates Monday through Friday from 8:00 AM to 4:00 PM, Eastern Time. For more information call (800) 424-9393 or (202) 366-0123. For the hearing impaired, call (800) 424-9153.
Was this
answer
helpful?
Yes
No
+2
Friday, May 21st, 2021 AT 4:43 PM (Merged)

Please login or register to post a reply.