Rear door lock will not unlock

Tiny
COLMANGO
  • MEMBER
  • 2003 CHEVROLET SUBURBAN
  • 3.3L
  • V8
  • 4WD
  • AUTOMATIC
  • 217,000 MILES
All four doors lock and unlock, rear door will not unlock.
Sunday, September 3rd, 2017 AT 6:18 AM

2 Replies

Tiny
WRENCHTECH
  • MECHANIC
  • 20,761 POSTS
The most likely cause is a bad electronic actuator in that door but the door panel would have to be removed to confirm that.
Was this
answer
helpful?
Yes
No
Sunday, September 3rd, 2017 AT 8:09 AM
Tiny
STEVE W.
  • MECHANIC
  • 15,682 POSTS
The rear door will lock but not unlock? Or it does nothing?
Does the exterior key switch work and not the front switch or nothing works?

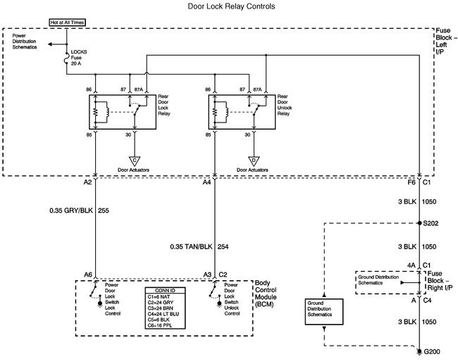
There are two relays in the instrument panel fuse block. One locks the rear door, the other is the unlock relay. Swap them and see if you now can unlock but not lock the rear door.

If you have rear cargo doors you will also want to be sure the contact plates and spring pins are clean.
Was this
answer
helpful?
Yes
No
+1
Wednesday, September 6th, 2017 AT 12:30 AM

Please login or register to post a reply.