Wednesday, December 27th, 2017 AT 6:48 AM
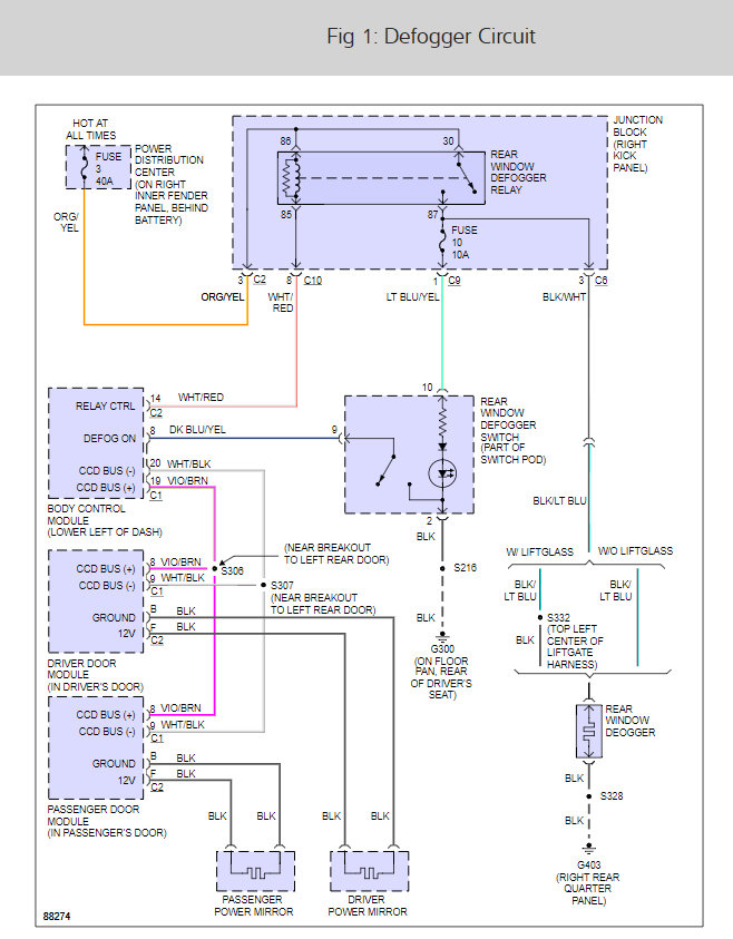
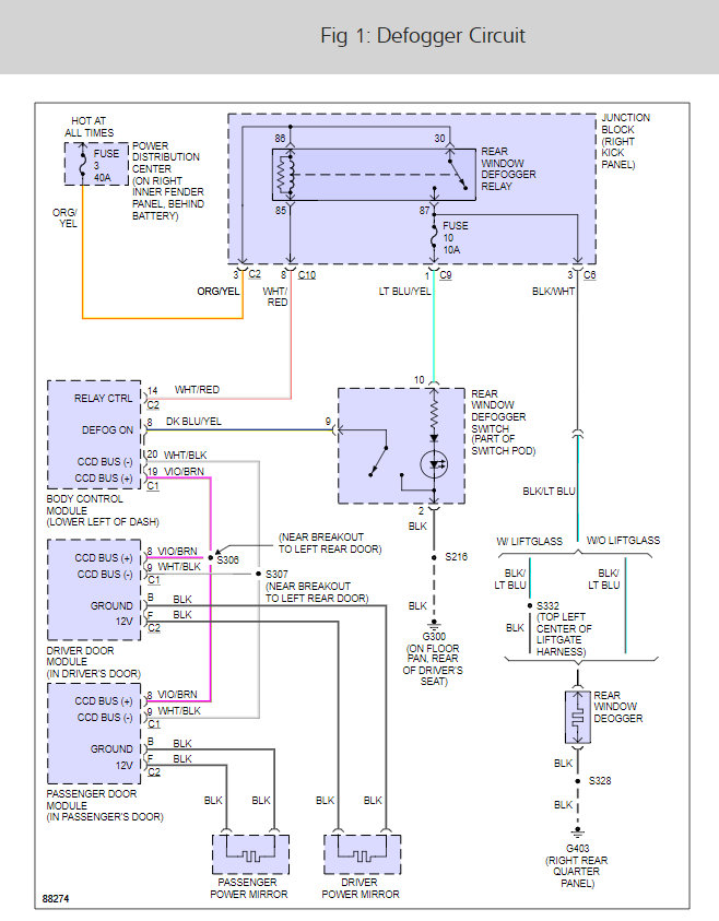
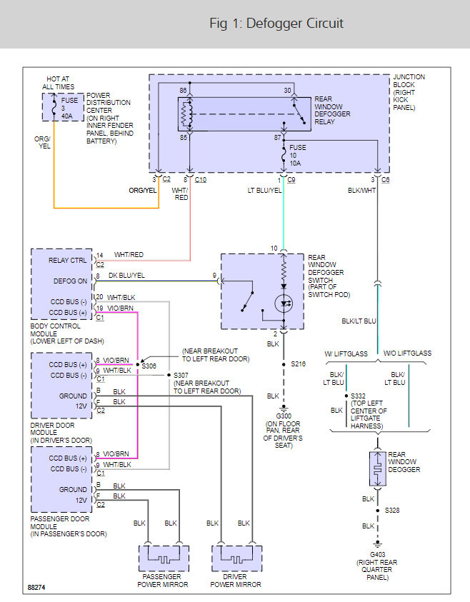
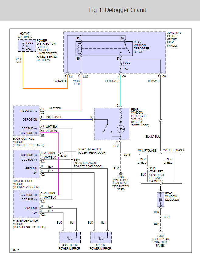
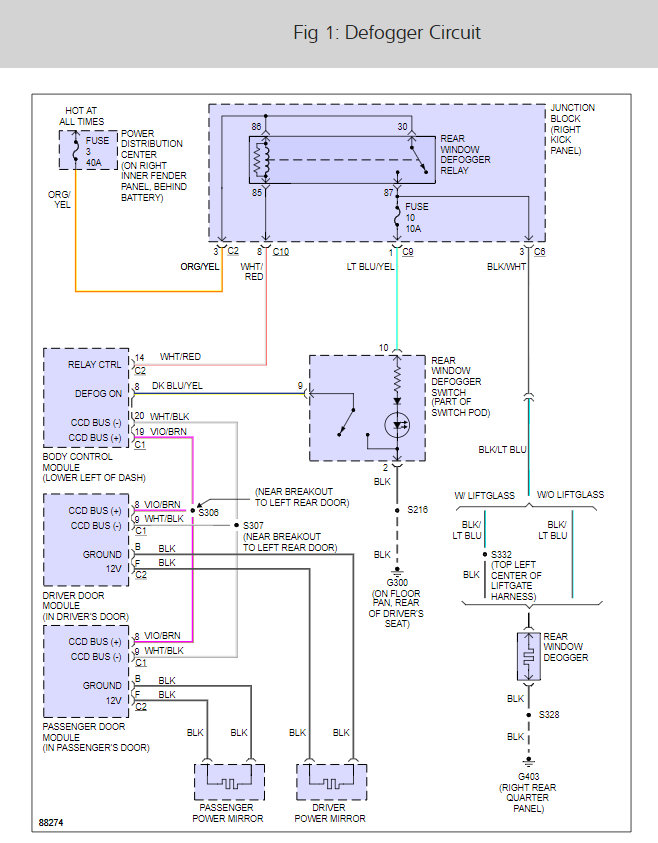
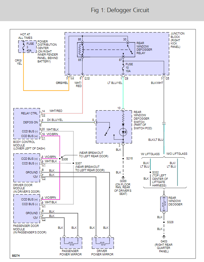
Rear defroster switch on but not working. Problem is that turning it on made the dash lights go out. Still working odometer light. Still working headlights and inside overhead light. Light on switch still on. Tried for dash lights with vehicle running and not running.















