Rear air conditioner not working

Tiny
FIRSTSHIRT1
  • MEMBER
  • 1998 LINCOLN NAVIGATOR
  • 5.4L
  • V8
  • 4WD
  • AUTOMATIC
  • 160,000 MILES
No air is coming out of the rear AC vents located on the back of the console. I do not her any motor either. Where is the blower motor located for the rear AC blower motor?
Saturday, August 4th, 2018 AT 2:13 PM

7 Replies

Tiny
ASEMASTER6371
  • MECHANIC
  • 52,796 POSTS
Good afternoon.

It is located in the left rear. The plastic panel has to be removed to access it.

Roy

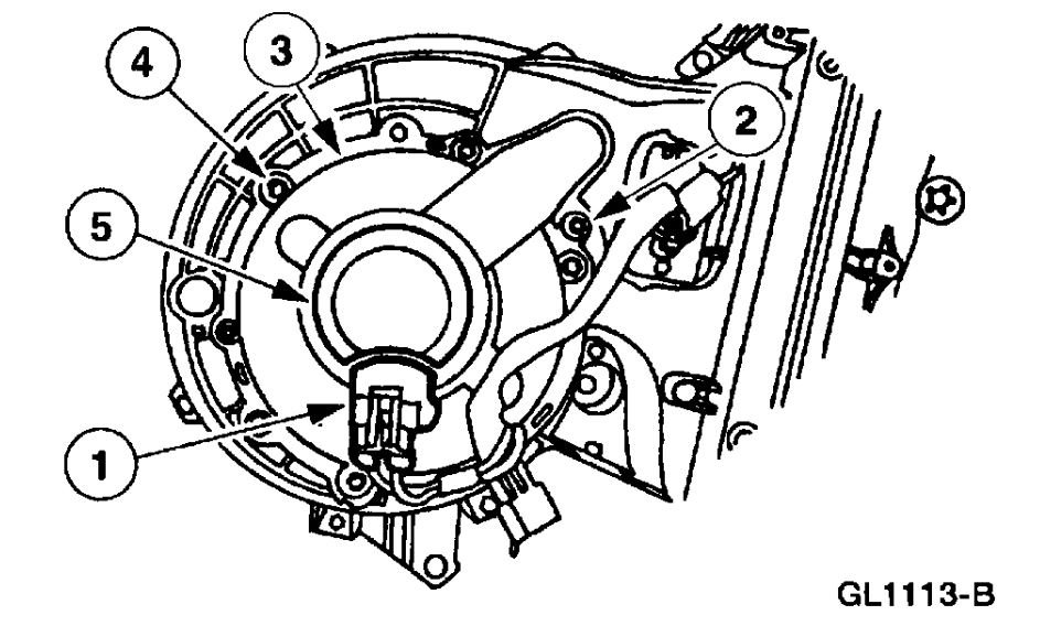
REMOVAL
1. Remove the LH quarter trim panel access cover.

ImageZoom/Print

2. Remove the blower motor.
1 Disconnect the electrical connector.
2 Remove the three motor cover bolts.
3 Remove the blower motor cover.
4 Remove the blower motor bolts.
5 Remove the blower motor.
Was this
answer
helpful?
Yes
No
+1
Saturday, August 4th, 2018 AT 2:26 PM
Tiny
STEVE W.
  • MECHANIC
  • 15,691 POSTS
If you mean the vents on the front floor console between the seats, those get air from the front HVAC unit. The rear unit puts air out through the vents around the back seat.
Was this
answer
helpful?
Yes
No
+1
Saturday, August 4th, 2018 AT 4:06 PM
Tiny
FIRSTSHIRT1
  • MEMBER
  • 4 POSTS
On my vehicle there are vents on the back of the console along with controls for the rear blower motor. The front AC dash vents are all blowing air fine. There is no air blowing from my rear vents. I am not talking about any floor vents. If the vents on the console comes from the front HVAC unit would I not be getting air out these vents?
Was this
answer
helpful?
Yes
No
+6
Sunday, August 5th, 2018 AT 5:13 AM
Tiny
FIRSTSHIRT1
  • MEMBER
  • 4 POSTS
ASEmaster 6371 by the panel on the left hand side I take to mean the drivers side. Is that correct? Also, no noise or air coming out of the rear console vents. This is the first part that comes to mind, although it could be something else.
Was this
answer
helpful?
Yes
No
Sunday, August 5th, 2018 AT 7:00 AM
Tiny
STEVE W.
  • MECHANIC
  • 15,691 POSTS
The rear auxiliary AC/Heat module is located in the drivers side rear 1/4 panel area. It has ducts that blow heat/AC to the rear seat area.
There is also a blower motor in the center console if you have the third row seats. This blows air out the center console if it has that option.
Then there are vents at the rear of the console between the front seats.

No blower noise at all can mean a bad blower motor bad blower resistor or a blown fuse that powers the unit.
The motor and resistor are both in the rear behind the trim panel.

The fuse #13 30A is in the power distribution box. As you say you have no rear blower activity this would be the first item to check.
Was this
answer
helpful?
Yes
No
+3
Sunday, August 5th, 2018 AT 10:05 AM
Tiny
FIRSTSHIRT1
  • MEMBER
  • 4 POSTS
Thanks Steve and Asemaster6371 for the help. Last week I took my SUV to a well known and very respected car shop in Phoenix. After about an hour they told me the blower motor was no longer available and if it was it would be under the front console. When I came home and queried the internet it showed I could purchase the blower motor for the 1998 at multiple auto part stores. Now I think this is something I can do myself. Is there or can you provide instructions to remove the left side trim panel? Any link or you tube available that you know of showing how to remove the trim panel?

Thanks,
Glenn
Was this
answer
helpful?
Yes
No
Sunday, August 5th, 2018 AT 11:02 AM
Tiny
STEVE W.
  • MECHANIC
  • 15,691 POSTS
I show the front blower motor and the rear motor available. The one in the console is not listed as available. That is at a few different suppliers.

Remove the liftgate door opening weather seal.
Remove the liftgate scuff plate from bottom of rear liftgate opening.
If equipped, remove the third row seat.
Remove the rear header garnish trim panel. (Pic 1)

Remove rear door scuff plates. (Pic 2)

Fold down the second row seat.
Remove the cross car scuff plate. (Pic 3)

Lift trim covers off of second row safety belt anchors on B pillars.
Remove Anchor nuts. If equipped, repeat for third row safety belts.
Remove second row safety belt lower nuts.
Remove the rear door opening weather seal.
Remove the C pillar upper trim panel. (Pic 4)

NOTE: Remove the lower hook attached to quarter trim panel, followed by the top attachment, and then the lower rear attachment.

Remove the D pillar trim panel. Remove the liftgate door opening weather seal.
Remove 2 screws and one pushpin. Remove the quarter trim panel. (Pic 5)

To install, reverse removal procedure.
Was this
answer
helpful?
Yes
No
+2
Sunday, August 5th, 2018 AT 11:36 AM

Please login or register to post a reply.