Radio and interior light problems after installing an aftermarket touch screen navigation system

Tiny
LILZAY CKL
  • MEMBER
  • 1995 BUICK LESABRE
  • V6
  • AUTOMATIC
  • 3,000,000 MILES
I installed a touch screen navigation system in my car. It worked great for around 3 months up until now. One day was going to turn on the radio as usual and nothing. On top of that my interior light switch does not work anymore. Only when I open my car door.
Friday, August 6th, 2021 AT 12:01 PM

1 Reply

Tiny
KASEKENNY
  • MECHANIC
  • 18,907 POSTS
These types of issues are the hardest because we don't have any info on the system that you installed so it is hard to know what they are wired into and possible causes.

However, if it doesn't power on at all, then we are going to have start with checking fuses, assuming you used the existing radio fuses from the original unit. Clearly if you put in a different fuse then we need to check that.

https://www.2carpros.com/articles/how-to-check-a-car-fuse

If the fuses are ok, then we need to pull out the unit and check the power wires and make sure you have power to it. If you do then more then likely the unit failed.

https://www.2carpros.com/articles/how-to-check-wiring

However, if the light switch is not working either, I suspect a fuse popped.

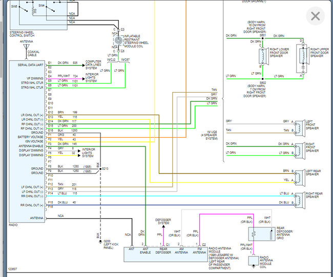
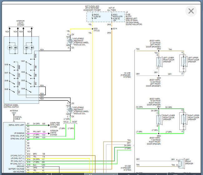
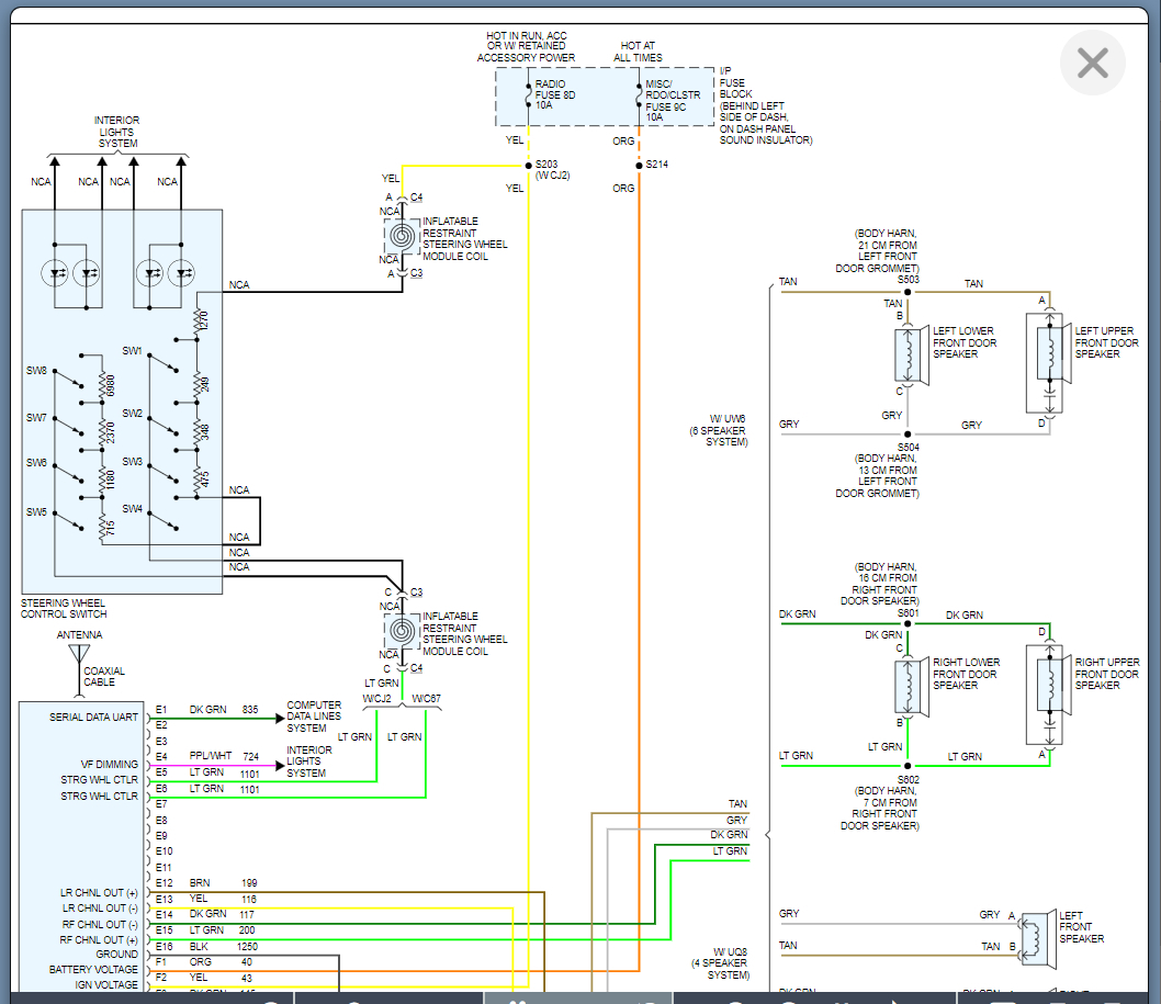
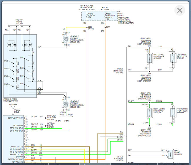
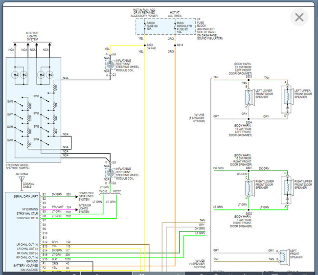
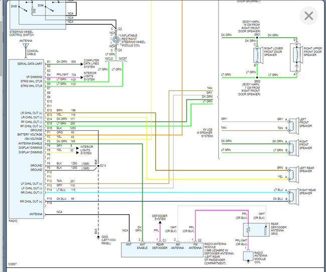
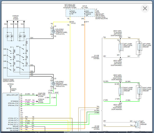
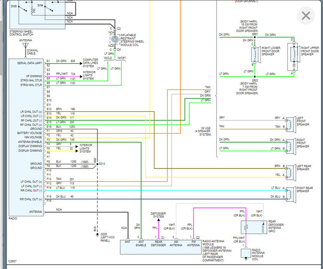
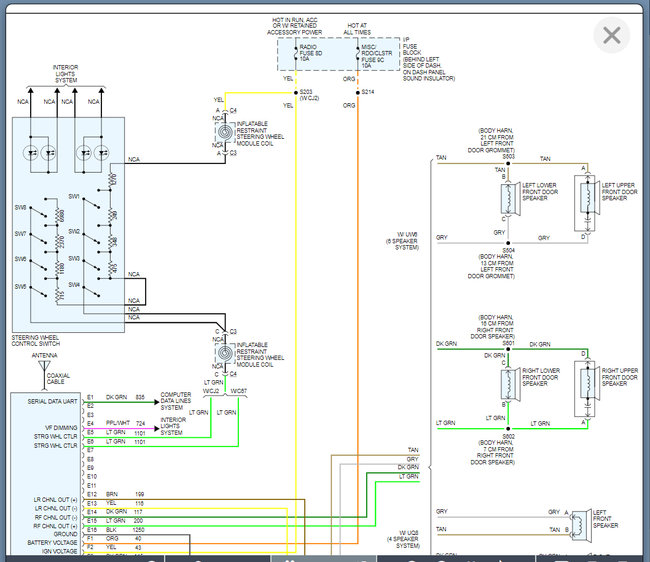
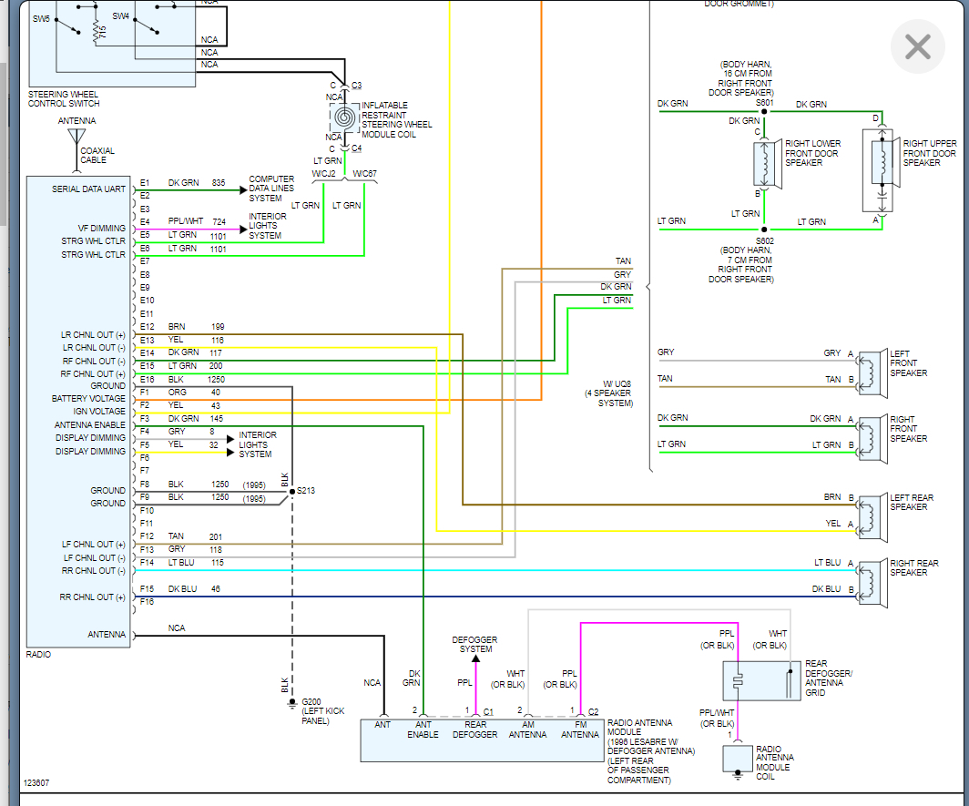
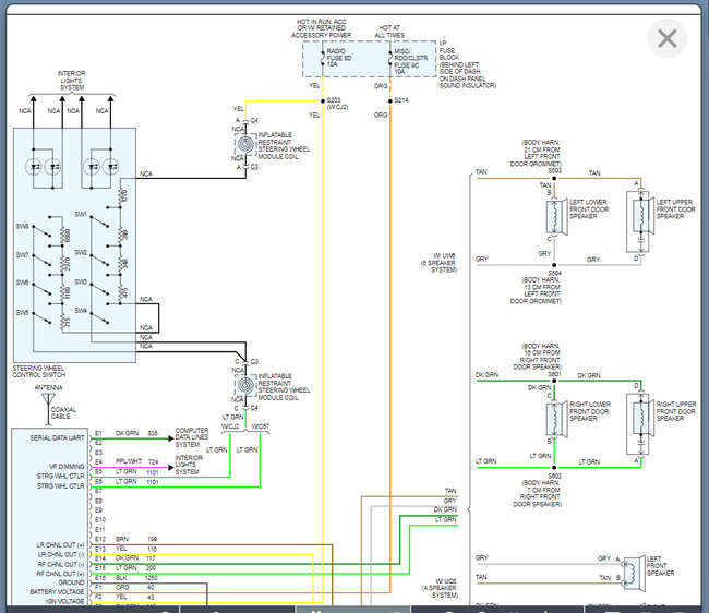
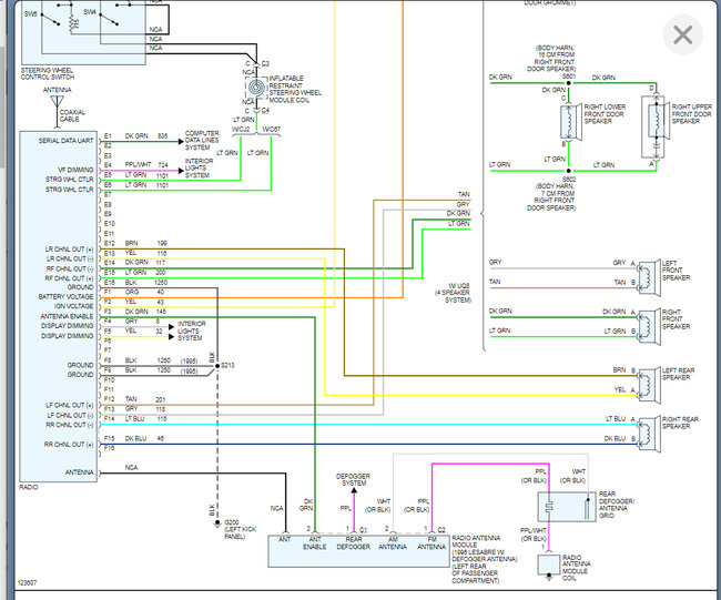
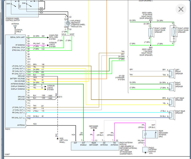
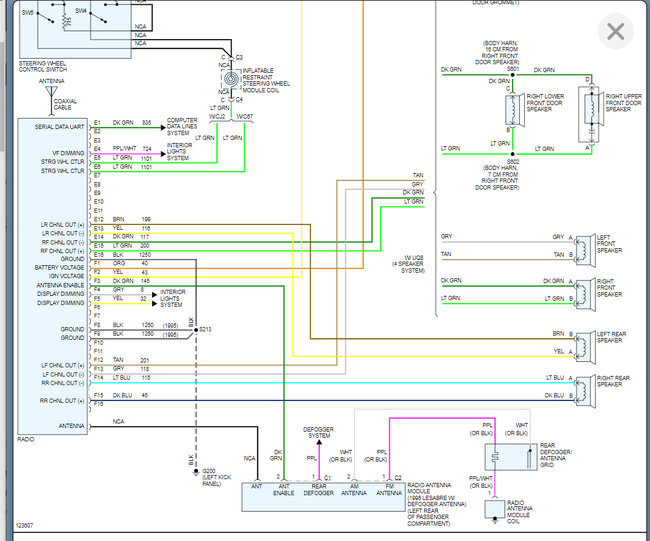
I attached the info below on the wiring diagram and the fuse panel locations and layout.

Please run through this info and let us know what you find with the fuses. If this ok then let us know what voltage you find on the back of the unit.

Thanks
Was this
answer
helpful?
Yes
No
Sunday, August 8th, 2021 AT 8:44 AM

Please login or register to post a reply.