Radiator fan (low and high speed) not turning on?

Tiny
ALOHA168
  • MEMBER
  • 52 POSTS
Sorry, I attached the wrong picture. This is the correct one.
Was this
answer
helpful?
Yes
No
Thursday, April 11th, 2024 AT 6:59 PM
Tiny
ALOHA168
  • MEMBER
  • 52 POSTS
Hi Boris,

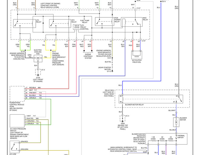
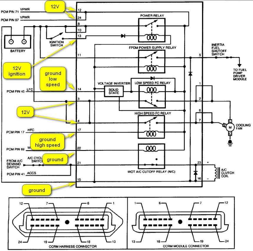
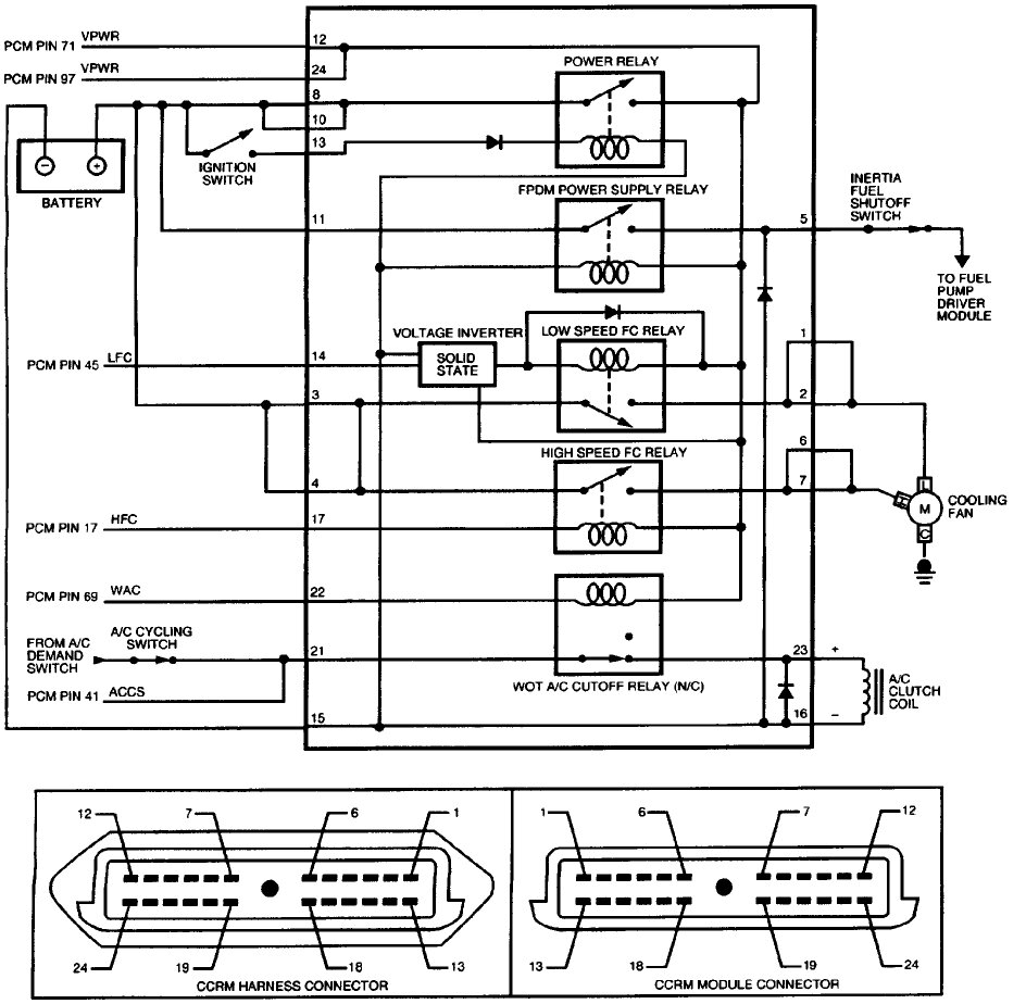
I went back to the first step you posted using image1 and image2 for testing again. I have replaced my PCM and CCRM (exact same models like my original ones) from eBay. I have constant 12V at pin 3&4 of the CCRM.I have 12V at pin 13 CCRM with ignition on. I have solid Ground at pin 15 CCRM and my radiator fan connector. I have continuity on pink/white and red/black between PCM to CCRM(pin 45 PCM to pin 14 CCRM, pin 17 PCM to pin 17 CCRM). However, with ignition on, I can't turn on Low/High speed fans by connecting Ground to pin 14 or pin 17 of the CCRM. With ignition on and A/C switch set to on, I was getting 12V at the orange wire at the AC low pressure switch, but there's no 12V at the Green/Red wire next to it. In order to get 12V to this wire, does the AC compressor(clutch) has to be engaged and spinning? Another discrepancy that I found was: this green/red wire which goes to pin 41 of the PCM, but the wire at my PCM pin 41 was white (which was working before). Can you give me more guidance? Thank you.
Was this
answer
helpful?
Yes
No
Friday, April 19th, 2024 AT 4:48 PM
Tiny
KEN L
  • MASTER CERTIFIED MECHANIC
  • 55,090 POSTS
Did you check the wiring connections with the guide and wiring diagrams? Do you have power and ground? Then there are the components you have replaced? Can we please double check these?
Was this
answer
helpful?
Yes
No
Saturday, April 20th, 2024 AT 9:08 AM
Tiny
ALOHA168
  • MEMBER
  • 52 POSTS
Hi Ken or Boris,

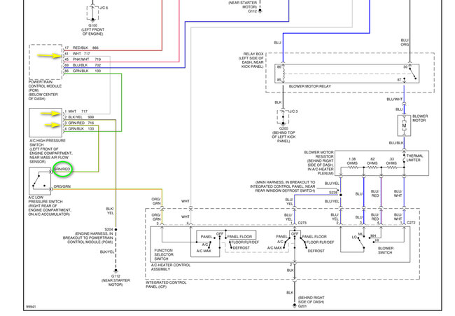
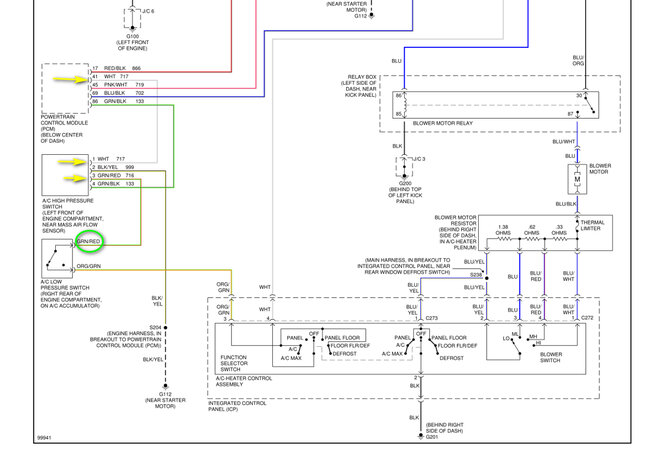
I have replaced my PCM and CCRM (exact same models like my original ones) from eBay and I'm getting the same results (fans not working). On checking the wiring, voltage and ground, everything checked out except the green/red wire at the A/C low pressure switch. This wire should go to PCM pin 41(image1), but the wire at my PCM pin 41 is white instead?And I looked at the PCM connector(104 pins) and couldn't find any green/red wire? I don't know where that wire goes from the ac low pressure switch to. But whatever it is, this setup was from the factory and working before. Can anyone of you give me some more guidance? Thanks.
Was this
answer
helpful?
Yes
No
Sunday, April 21st, 2024 AT 2:09 PM
Tiny
BORIS K
  • MECHANIC
  • 836 POSTS
Hello,

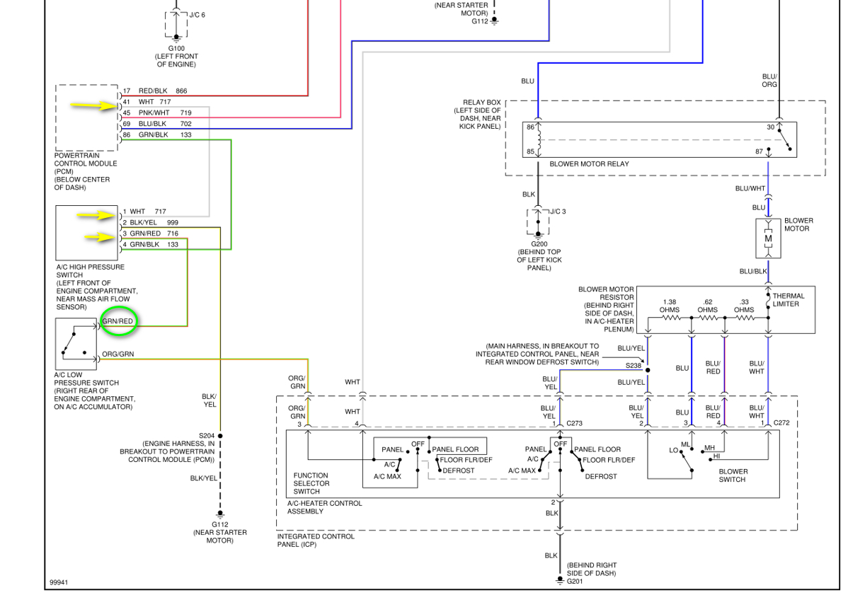
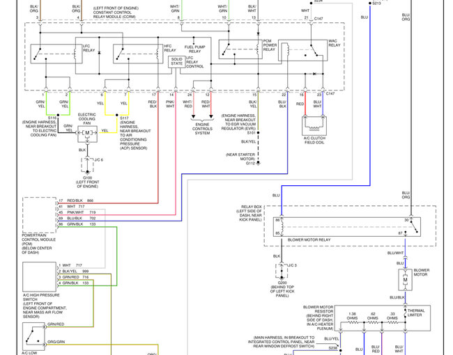
I searched the technical information system again and found a slightly different wiring diagram. This one shows a white wire at pin 41originating from the AC high pressure switch pin 1.

See images below.

Hope this helps.

Cheers, Boris
Was this
answer
helpful?
Yes
No
Monday, April 22nd, 2024 AT 1:18 AM
Tiny
ALOHA168
  • MEMBER
  • 52 POSTS
Hi Boris,

The green/red wire between the AC Low and High switch was tested good in continuity. The White wire between the PCM and AC High pressure switch was good as well. I also have Ground at the Black/Yellow wire at the AC High pressure switch. The green/black wire between the PCM and AC High pressure switch was good too. I also used an electrical contact cleaner to clean the connectors before I plugged them back. The rest of the wiring between PCM and CCRM I've already tested 2 to 3 times already. After testing, I reconnected the battery and started the car and my fans are still not working. I'm pretty sure this is not a wiring problem anymore. The PCM and CCRM are the OEM units I bought at eBay which are supposed to be good, and they both behave like my original units. Could this be the CCRM 'solid state relay? I read online that a Ford mechanic mentioned that the ECT sensor is a Sensor, not a switch. If we short the 2 pins to turn on the radiator fan, it will damage the PCM. But I've already replaced the PCM and it's still the same. I've used boiling water to test my original sensor and it was within Ford specs and I installed it back on my car. Any new ideas?
Was this
answer
helpful?
Yes
No
Monday, April 22nd, 2024 AT 6:45 PM
Tiny
BORIS K
  • MECHANIC
  • 836 POSTS
Hello,

The ECT sensor is not a switch, quite correct
It is a NTC resistor, Negative Temperature Coefficient, meaning that the resistance decreases with temperature increase.

A good read:
https://www.2carpros.com/articles/how-a-coolant-temperature-sensor-works

Have you tried manually switching the CCRM, simulating switched ground inputs?
This would be at pins 14+17, apply ground to either pin with ignition on.
Does the fan switch on, on either speed?

Cheers, Boris
Was this
answer
helpful?
Yes
No
Tuesday, April 23rd, 2024 AT 3:51 AM
Tiny
ALOHA168
  • MEMBER
  • 52 POSTS
On applying Ground to pin 14 and 17 with ignition ON, I tried that on all the CCRM's I bought and none worked.I don't think ALL of them can be bad(same symptom).I don't know what else I should try. Do you know how to test the ECT sensor voltages on the car with engine running?
Was this
answer
helpful?
Yes
No
Tuesday, April 23rd, 2024 AT 10:19 AM
Tiny
ALOHA168
  • MEMBER
  • 52 POSTS
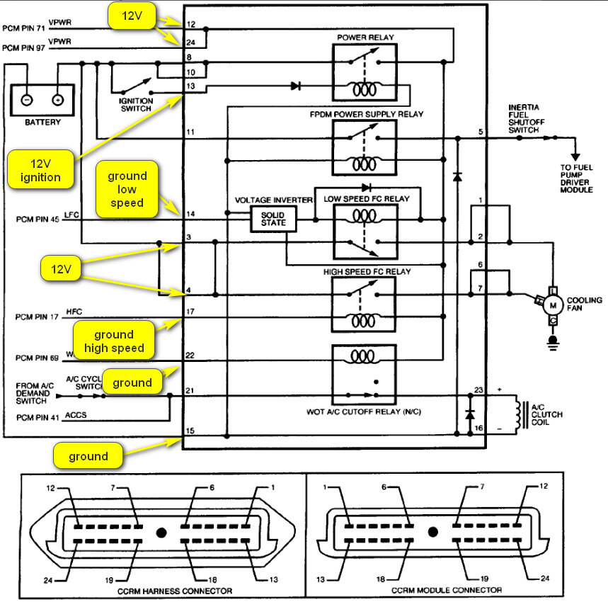
If I use image1, connecting a Ground to pin 17 of CCRM with ignition ON, I should be able to turn on the High-speed fan because it doesn't go through the solid state anyway, but I can't. This is strange and all 3 CCRM's behave the same.
Was this
answer
helpful?
Yes
No
Tuesday, April 23rd, 2024 AT 2:44 PM
Tiny
ALOHA168
  • MEMBER
  • 52 POSTS
I've tried just about everything on this car and nothing will turn on my fans.
Was this
answer
helpful?
Yes
No
Monday, October 28th, 2024 AT 1:37 PM
Tiny
BORIS K
  • MECHANIC
  • 836 POSTS
Hello,

I have read back on all the information given.
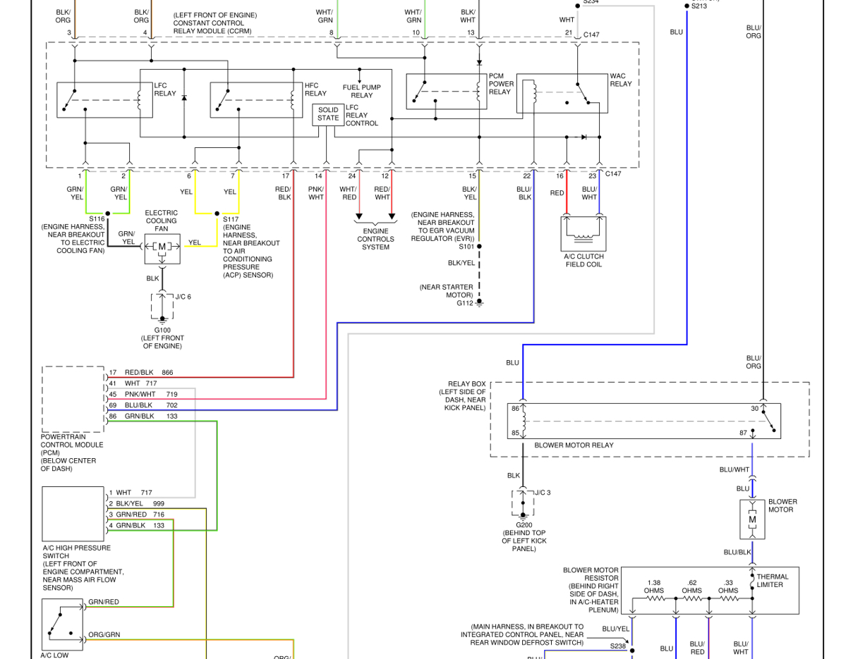
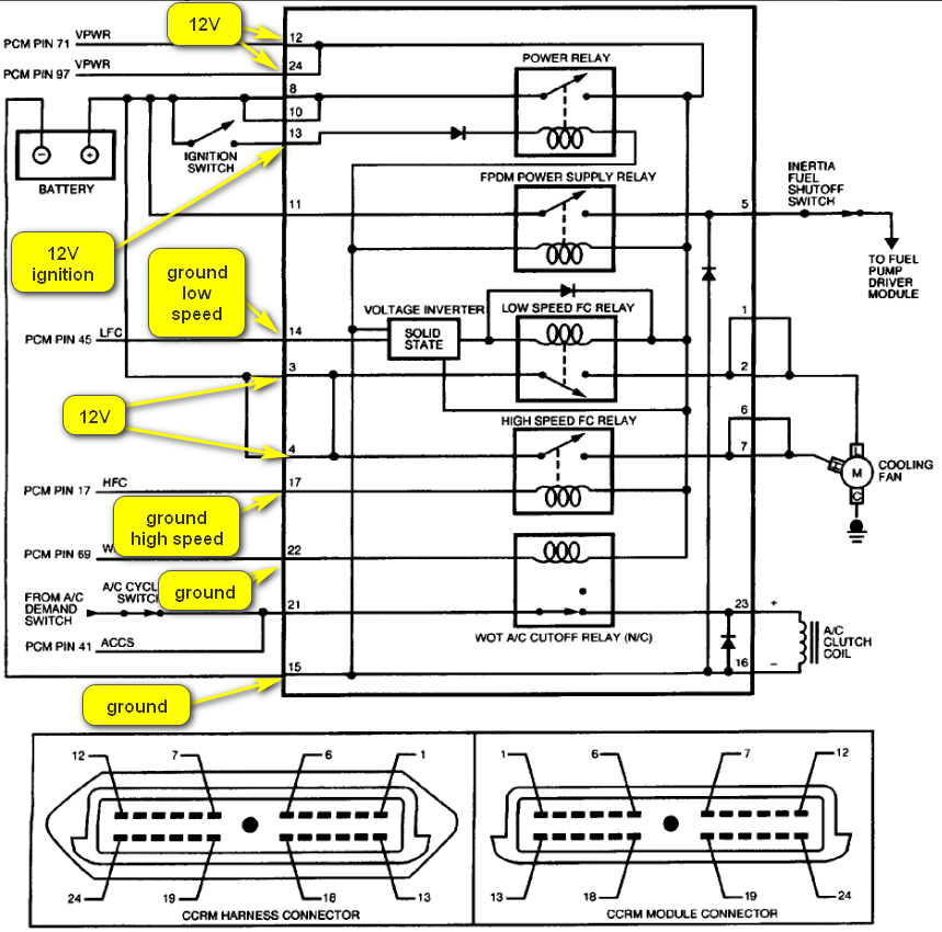
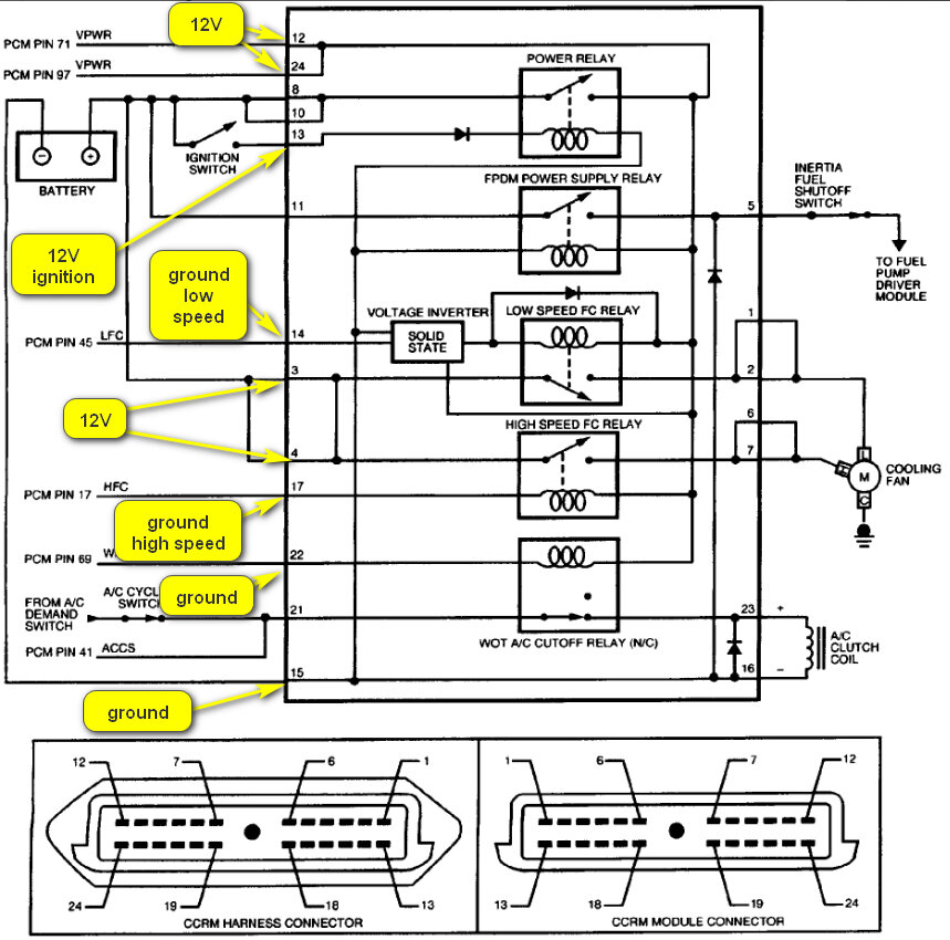
I have consulted the diagram you have supplied and marked the pins I believe are responsible for the cooling fan activation.

On CCRM pins 8, 10, 11 should also have constant 12V.
Pin 21 would be a 12V switched from PCM.

Please see below.

Cheers, Boris
Was this
answer
helpful?
Yes
No
Tuesday, October 29th, 2024 AT 4:20 AM

Please login or register to post a reply.