Wednesday, March 13th, 2024 AT 5:36 PM
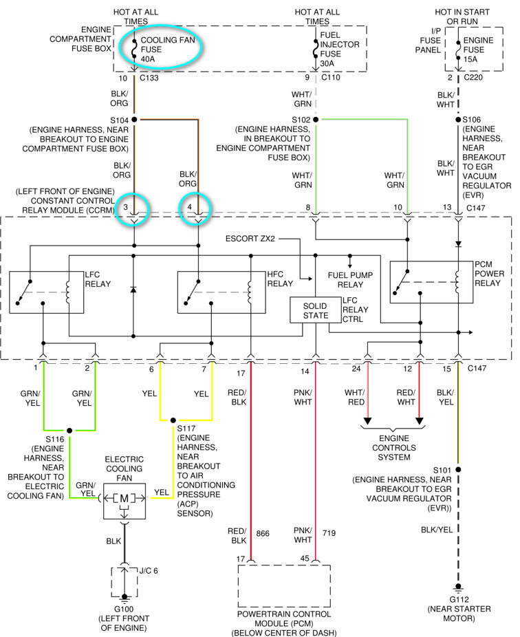
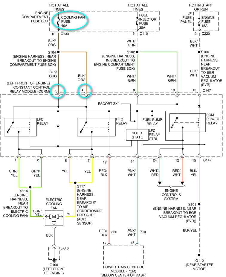
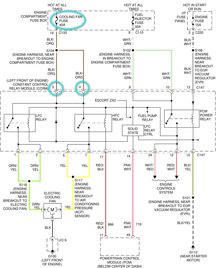
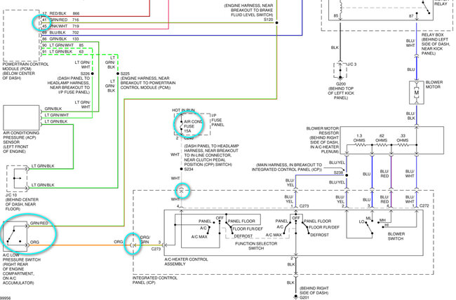
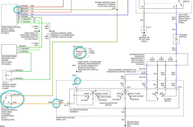
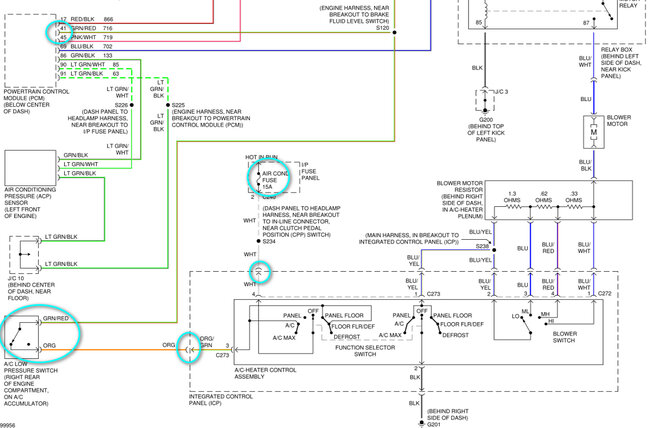
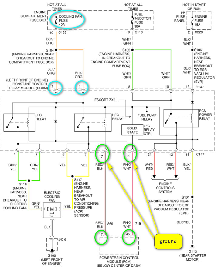
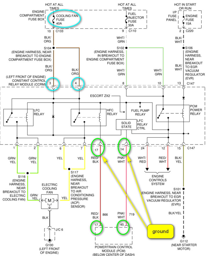
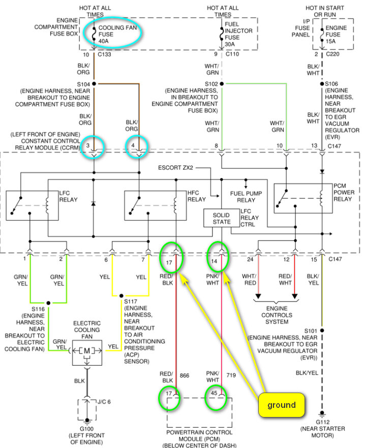
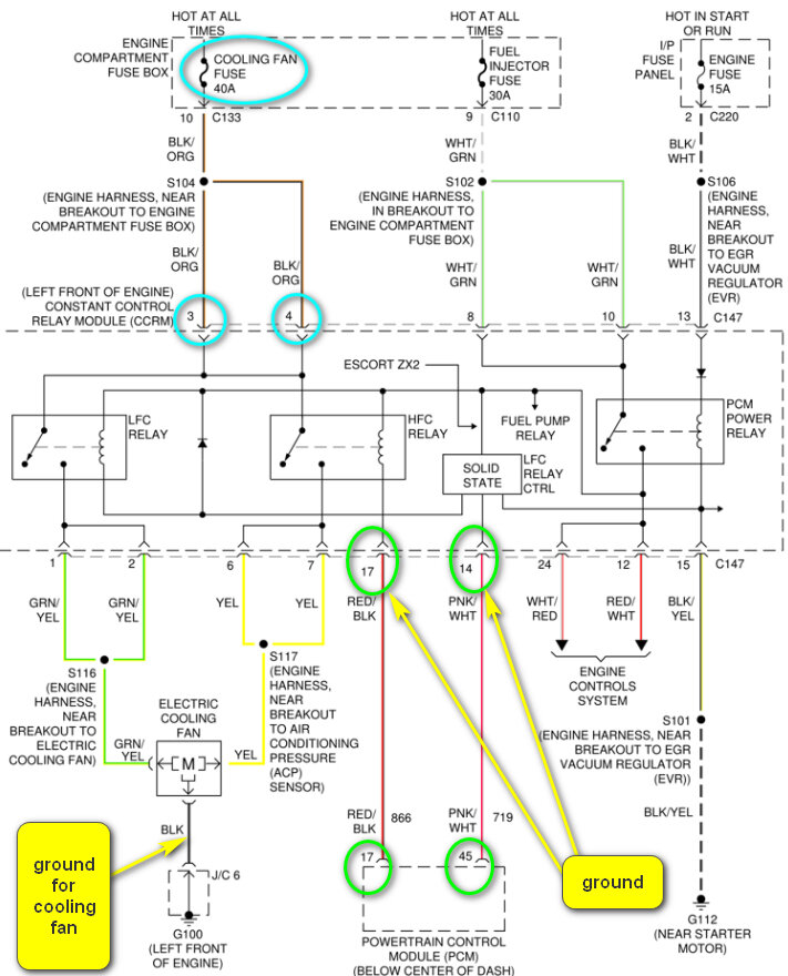
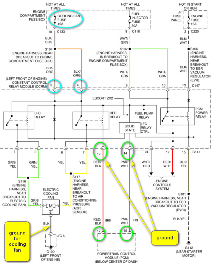
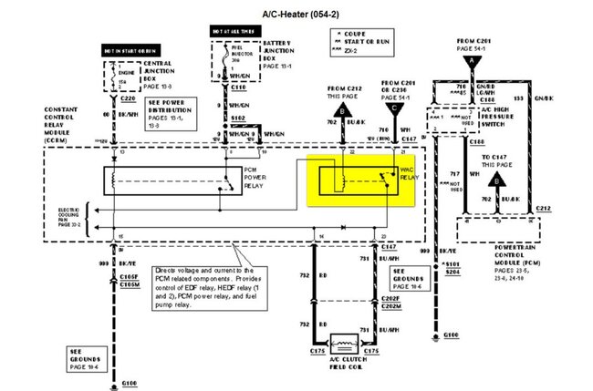
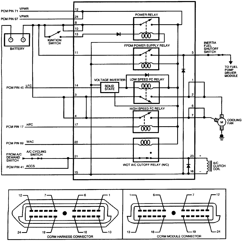
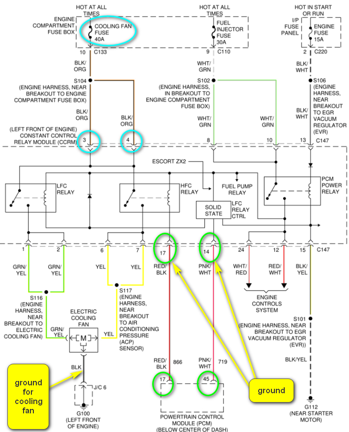
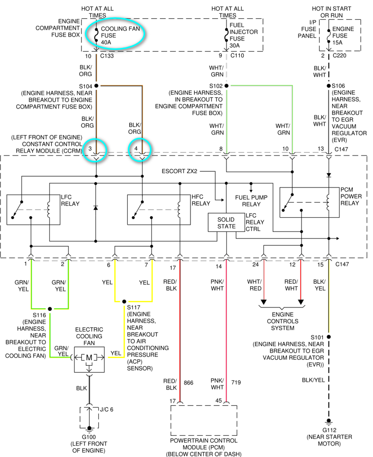
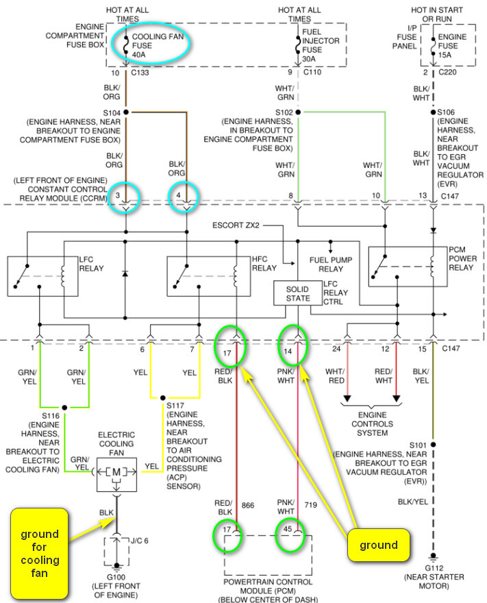
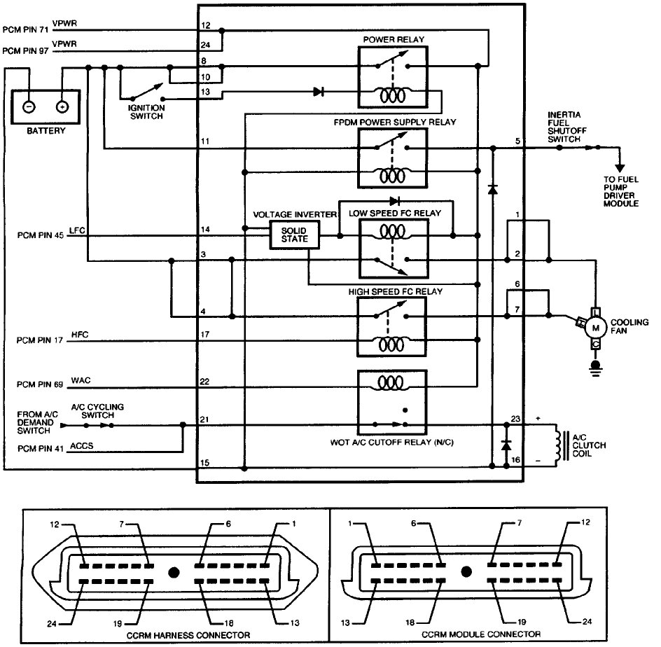
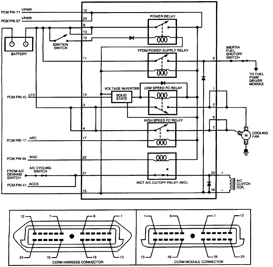
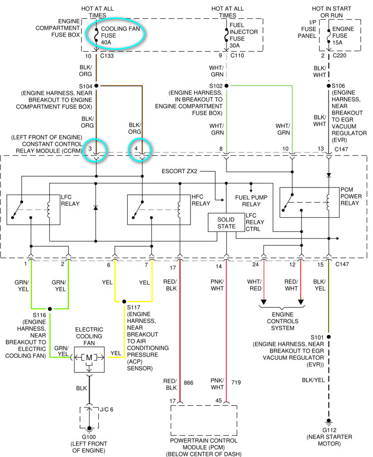
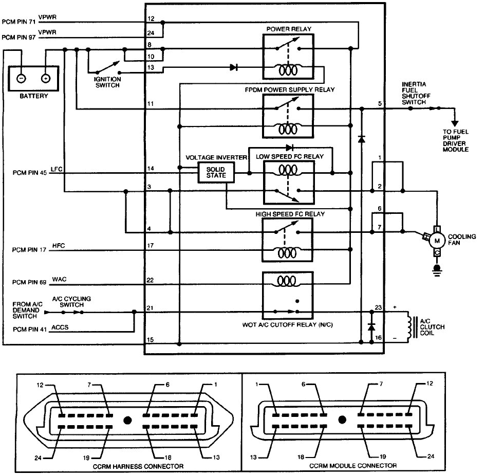
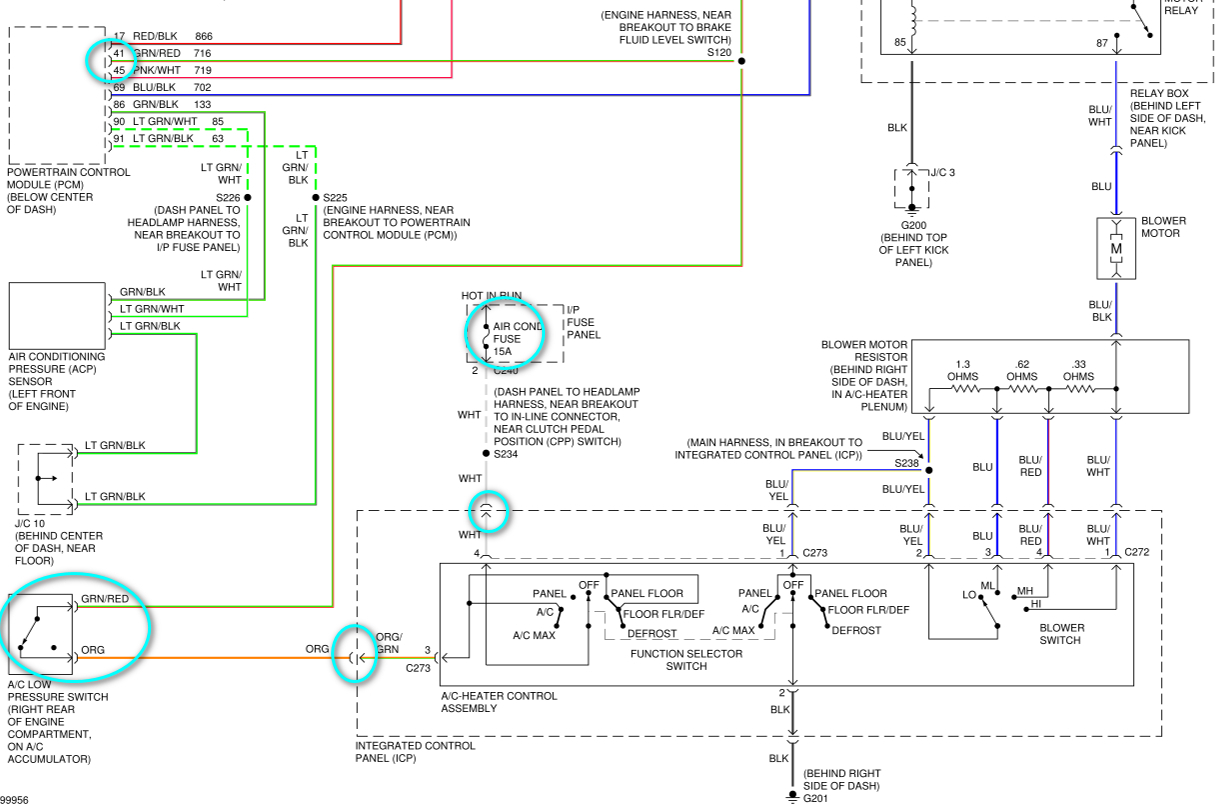
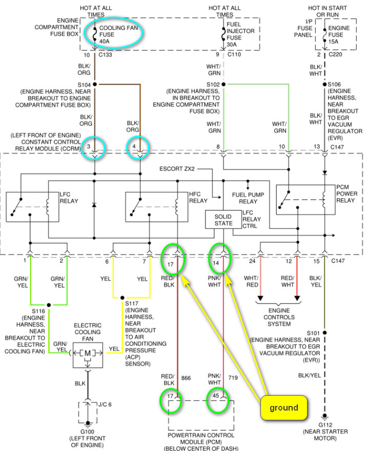
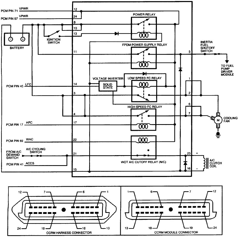
I replaced the coolant temperature sensor because I thought it wasn't turning on my fan when the temperature was reached. Actually, my old one was still good which I found out later. After I replaced it (plug and play job), it was very hard to start the engine so I hard to put the old one back. After that, my radiator fan (low speed) won't turn on again even when the temperature was reached. And I tried to turn on the A/C and I could see my A/C clutch did not engage nor the high-speed fan will turn on. I have removed the fan and tested the low and high speed with a 12V battery and they both work. I also tried to short out the 2 pins to the coolant sensor, but the low speed won't turn on. I have replaced the CCRM (Z refurbed by Cardone)) 2 times and nothing changed. I'm totally lost in troubleshooting this problem now. Could this be the PCM/ECM problem, or should I try with a genuine Z CCRM from a junk yard/eBay? If I replace the PCM, do I need to re-program it?








